Cos'è ElectroYou | Login Iscriviti

ElectroYou - la comunità dei professionisti del mondo elettrico

Misura impedenza d' ingresso pennetta SDR.

Elettronica lineare e digitale: didattica ed applicazioni

Moderatori: Foto Utentecarloc, Foto Utenteg.schgor, Foto UtenteBrunoValente, Foto UtenteIsidoroKZ

0
voti

[11] Re: Misura impedenza d' ingresso pennetta SDR.

Messaggioda Foto Utentelucaking » 2 set 2021, 18:39

Arrivato il componente incriminato (IP5306) e riesumato il mio nanoVNA, ho subito provato a fare la misura in oggetto con la pennetta SDR alimentata e funzionante.
Ho ottenuto cio che segue:
sdr-direct.png

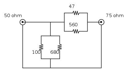
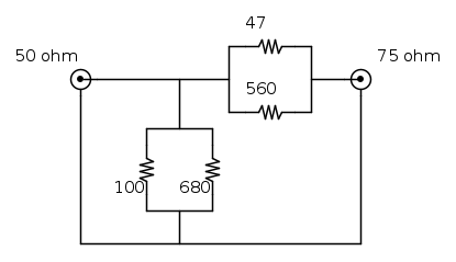
visto che nei primi 500 MHz circa, l' SWR si aggirava intorno all' 1,5, mi sono convinto che l' impedenza fosse 75 ohm, ed ho provato ad accrocchiare questo:
l-network.jpg

che altro non è che questo:

per cercare di adattare, a scotto di un' attenuanzione di circa -6dB i 50 ohm del nanoVNA e del
cavo coassiale ai 75 ohm dell' ingresso della pennetta.

La collego (nel verso giusto), rifaccio le misure aspettandomi un SWR di 1 e invece trovo questo:
sdr-adapter.png

:?: :-M :?:
Avatar utente
Foto Utentelucaking
1.651 4 5 8
Expert
Expert
 
Messaggi: 1445
Iscritto il: 29 mag 2015, 14:28

1
voti

[12] Re: Misura impedenza d' ingresso pennetta SDR.

Messaggioda Foto UtenteMarcoD » 2 set 2021, 18:58

A 20 MHz il ROS è circa 1:1, al crescere della frequenza l'adattatore di impedenza presenta dei parametri parassiti.
Bisognerebbe realizzarlo con componenti SMD.
Se puoi, prova a rendere più spesse e corte le connessioni di massa, magari saldando vicini i connettori SMA.
O_/
Avatar utente
Foto UtenteMarcoD
12,2k 5 9 13
Master EY
Master EY
 
Messaggi: 6696
Iscritto il: 9 lug 2015, 16:58
Località: Torino

1
voti

[13] Re: Misura impedenza d' ingresso pennetta SDR.

Messaggioda Foto Utentestefanopc » 2 set 2021, 20:52

Purtroppo a quella frequenza una resistenza da 1/4 di W con i reofori e la pasta conduttiva avvolta a spirale su nucleo isolante è tutto fuorché il componente teorico che hai nello schema elettrico.
Una volta diversi anni fa la parte rf era realizzata su piastrine in allumina con piste in film spesso argentate e componenti SMD.

Ciao
600 Elettra
Avatar utente
Foto Utentestefanopc
13,3k 5 9 13
Master EY
Master EY
 
Messaggi: 5567
Iscritto il: 4 ago 2020, 9:11

0
voti

[14] Re: Misura impedenza d' ingresso pennetta SDR.

Messaggioda Foto Utentelucaking » 2 set 2021, 21:01

Eh beh, in efetti, qui sotto il grafico dell' adattatore spiega parecchio.

l-network-adapter.png


L' ho fatto con quello che avevo in casa :roll: :oops:
Il primo ordine che faccio vedo di trovare dei resistori SMD, magari gia di valore corretto e vedo se e quanto migliora la cosa.
O_/
Avatar utente
Foto Utentelucaking
1.651 4 5 8
Expert
Expert
 
Messaggi: 1445
Iscritto il: 29 mag 2015, 14:28

0
voti

[15] Re: Misura impedenza d' ingresso pennetta SDR.

Messaggioda Foto UtenteGioArca67 » 3 set 2021, 2:48

Ma non sarà collegato ad un'antenna? Che antenna? Forse serve un balun?
Perché non provi a fare un po' di giri su una perlina in ferrite?
Avatar utente
Foto UtenteGioArca67
4.580 4 6 9
Master EY
Master EY
 
Messaggi: 4591
Iscritto il: 12 mar 2021, 9:36

0
voti

[16] Re: Misura impedenza d' ingresso pennetta SDR.

Messaggioda Foto UtenteAZZZ » 3 set 2021, 22:19

?%
Caro Foto UtenteGioArca67, perché non provi tu a spiegare quali risultati avresti ottenuto tu con queste tue indicazioni mettendoti nelle stesse condizioni dell'OP? :roll:
Avatar utente
Foto UtenteAZZZ
256 1 5 6
CRU - Account cancellato su Richiesta utente
 
Messaggi: 620
Iscritto il: 4 mag 2018, 21:47

1
voti

[17] Re: Misura impedenza d' ingresso pennetta SDR.

Messaggioda Foto UtenteMarcoD » 4 set 2021, 11:24

Per mia curiosità , con il NanoVNA,mi sono messo a misurare l'impedenza di ingresso di un modulo anni '70 ricevente FM stretta su circa 80 MHz. Modulo recuperato lustri fa da un rottamaio.
I risultati mi paiono plausibili anche se non buoni:
Per il SWR minimo, alla frequenza di 80,6 MHz
SMITH: 64 ohm - 79 j
SWR 1.00 / 3,56
LOGMAG 10 dB/ -4,76 dB

Probabilmente la connessione in coax, anche lunga solo un palmo peggiora i risultati.
O_/
Allegati
Misura Zi RX FM con NanoVNA.jpg
Avatar utente
Foto UtenteMarcoD
12,2k 5 9 13
Master EY
Master EY
 
Messaggi: 6696
Iscritto il: 9 lug 2015, 16:58
Località: Torino

0
voti

[18] Re: Misura impedenza d' ingresso pennetta SDR.

Messaggioda Foto UtenteGioArca67 » 4 set 2021, 13:17

AZZZ ha scritto:?%
Caro Foto UtenteGioArca67, perché non provi tu a spiegare quali risultati avresti ottenuto tu con queste tue indicazioni mettendoti nelle stesse condizioni dell'OP? :roll:


Se le mie domande non ti aggradano potresti gentilmente spiegare perché...
Altrimenti mi sembra una risposta fuori luogo.

L'OP sta cercando non solo l'impedenza di ingresso dell'SDR, ma anche di adattarlo all'antenna ed al cavo.
Magari sapendo cose c'è si riesce a dare qualche ulteriore aiuto.

Un oggettino messo in mezzo che potrebbe essere lui stesso un'antenna a frequenze dell'ordine del GHz, magari fa più danno che altro.
Ma non mi pare di averlo criticato.
Avatar utente
Foto UtenteGioArca67
4.580 4 6 9
Master EY
Master EY
 
Messaggi: 4591
Iscritto il: 12 mar 2021, 9:36

0
voti

[19] Re: Misura impedenza d' ingresso pennetta SDR.

Messaggioda Foto Utentelucaking » 4 set 2021, 14:50

GioArca67 ha scritto:L'OP sta cercando non solo l'impedenza di ingresso dell'SDR, ma anche di adattarlo all'antenna ed al cavo.
Piu che ad un antenna, al cavo, visto che , come ho spiegato in [4] e con tutti i limiti del caso, mi è capitato di usarla come analizzatore di spettro dei poveri.
Per questo vorrei evitare di accordarla ad una frequenza precisa.


Per Foto UtenteMarcoD, anche se molto probabilmente non ne avrai bisogno spero possa risultare utile a qualcuno della mia forza :D .
Come è ben spiegato in questo: video (anche se in questo caso si parla di un amplificatore), alcuni nanoVNA (ce ne sono un marea di modelli/varianti) hanno un segnale di uscita troppo forte che tende a saturare l' ingresso di un certo tipo di disositivi, ad esempio in quel caso, è opportuno interporre un attenuatore per ottenere una misura veridica.
Il mio ad sempio ha l' uscita regolabile (+1, -1, -4 e -10 dBm).
Tuttavia, la pennetta SDR non sembra risentire in termini di impedenza d' ingresso delle varie ampiezze del segnale, da datasheet, il chip che fa da tuner sopporta +10 dBm di segnale in ingresso, immagino voglia dire prima di saturare.
Nel caso del tuo ricevitore, quale sarà il massimo segnale ammissibile, e con che ampiezza esce il tuo nanoVNA?
Avatar utente
Foto Utentelucaking
1.651 4 5 8
Expert
Expert
 
Messaggi: 1445
Iscritto il: 29 mag 2015, 14:28

0
voti

[20] Re: Misura impedenza d' ingresso pennetta SDR.

Messaggioda Foto UtenteEtemenanki » 4 set 2021, 15:08

Occhio che a volte quei +10dBm sono il valore "absolute maximum" ... tempo fa ho preso una di quelle "trappoline" che dovrebbero fare da analizzatore di spettro, piu per curiosita' e perche' era in offerta (LTDZ da 35 a 4400 MHz, era in offerta a 30 Euro), ed il mixer di ingresso (IAM8100) regge "al massimo" +10dBm, dopodiche' si frigge (alcuni addirittura ti spediscono un paio di chip extra come pezzi di ricambio, insieme a quei cosi), per cui piu che "saturare", rischi che "renda l'anima" (in fondo sono previsti per funzionare con un'antenna, non con un segnale diretto, per cui se vuoi usarlo come analizzatore di spettro, ti suggerisco di tenerlo presente ed usare degli attenuatori ... sempre meglio prevenire che buttare via ;-) )
"Sopravvivere" e' attualmente l'unico lusso che la maggior parte dei Cittadini italiani,
sia pure a costo di enormi sacrifici, riesce ancora a permettersi.
Avatar utente
Foto UtenteEtemenanki
9.517 3 6 10
Master
Master
 
Messaggi: 5940
Iscritto il: 2 apr 2021, 23:42
Località: Dalle parti di un grande lago ... :)

PrecedenteProssimo

Torna a Elettronica generale

Chi c’è in linea

Visitano il forum: Nessuno e 86 ospiti