Relè Monostabile
Moderatori:
carloc,
g.schgor,
BrunoValente,
IsidoroKZ
33 messaggi
• Pagina 2 di 4 • 1, 2, 3, 4
0
voti
[11] Re: Relè Monostabile
ciao
alev il mio PC è sistema operativo Windows 10 Pro versione 20H2. Qui in allegato sono gli errori, il primo in alto mi spunta quando cerco di aprire Fidocadj invece l'altro sotto mi spunta dopo aver premuto su "ok".. invece di java non so darti informazioni...
- Allegati
-
- errore
- Immagine 2021-09-17 200315.png (468.41 KiB) Osservato 5647 volte
1
voti
[15] Re: Relè Monostabile
Io lavoro in un'azienda che costruisce macchinari industriali,
nei quadri montiamo finder, telemechanique, omron, weidmuller.
Mai avuto problemi.
Ovviamente va scelto quello giusto in base al carico e al montaggio.
nei quadri montiamo finder, telemechanique, omron, weidmuller.
Mai avuto problemi.
Ovviamente va scelto quello giusto in base al carico e al montaggio.
-

mariofoll83
25 2 - Messaggi: 26
- Iscritto il: 31 ago 2021, 13:07
2
voti
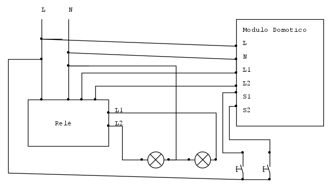
[16] Re: Relè Monostabile
ecco a voi lo schema che mi avete chiesto, purtroppo è fatto un po maluccio perche è la prima volta che uso questo programma ma aiuta a farvi un idea.. è questo il modo in cui vorrei usare il relè.. grazie
1
voti
[17] Re: Relè Monostabile
ciao,
allego qui il disegno del tuo sistema bluetooth dell'altro post.
Nello schema di collegamento dell'immagine in allegato i carichi sono su L1 e L2, non capisco come li connetti al relay dello schema che hai disegnato.
Il modulo bluetooth fa già da relay con due canali da 100W.
non ha bisogno quindi di un relay esterno per pilotare le luci, le colleghi direttamente a L1 e L2, ovviamente devono essere meno di 100w per singolo canale
Forse è meglio se descrivi cosa vorresti fare.
allego qui il disegno del tuo sistema bluetooth dell'altro post.
Nello schema di collegamento dell'immagine in allegato i carichi sono su L1 e L2, non capisco come li connetti al relay dello schema che hai disegnato.
Il modulo bluetooth fa già da relay con due canali da 100W.
non ha bisogno quindi di un relay esterno per pilotare le luci, le colleghi direttamente a L1 e L2, ovviamente devono essere meno di 100w per singolo canale
Forse è meglio se descrivi cosa vorresti fare.
- Allegati
-
- WhatsApp Image 2021-09-16 at 20.52.44 (2).jpeg (39.14 KiB) Osservato 5557 volte
-

mariofoll83
25 2 - Messaggi: 26
- Iscritto il: 31 ago 2021, 13:07
1
voti
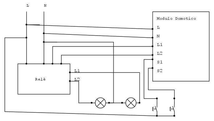
[19] Re: Relè Monostabile
Supponiamo di avere un relè monostabile a caso. Come quello in figura.
Basta che colleghi A1 a L1 del tuo modulo domotico e A2 al neutro (come se fosse la lampadina nel disegno schematico dei collegamenti del modulo domotico).
Quindi i morsetti 13 e 14 sono quelli del contatto: colleghi (ad es., ma invertendoli nulla cambia) 13 alla fase (L) e 14 ad un polo del carico, l'altro polo del carico è al Neutro come hai mostrato nel tuo schema.
Basta che colleghi A1 a L1 del tuo modulo domotico e A2 al neutro (come se fosse la lampadina nel disegno schematico dei collegamenti del modulo domotico).
Quindi i morsetti 13 e 14 sono quelli del contatto: colleghi (ad es., ma invertendoli nulla cambia) 13 alla fase (L) e 14 ad un polo del carico, l'altro polo del carico è al Neutro come hai mostrato nel tuo schema.
33 messaggi
• Pagina 2 di 4 • 1, 2, 3, 4
Chi c’è in linea
Visitano il forum: Nessuno e 43 ospiti

Elettrotecnica e non solo (admin)
Un gatto tra gli elettroni (IsidoroKZ)
Esperienza e simulazioni (g.schgor)
Moleskine di un idraulico (RenzoDF)
Il Blog di ElectroYou (webmaster)
Idee microcontrollate (TardoFreak)
PICcoli grandi PICMicro (Paolino)
Il blog elettrico di carloc (carloc)
DirtEYblooog (dirtydeeds)
Di tutto... un po' (jordan20)
AK47 (lillo)
Esperienze elettroniche (marco438)
Telecomunicazioni musicali (clavicordo)
Automazione ed Elettronica (gustavo)
Direttive per la sicurezza (ErnestoCappelletti)
EYnfo dall'Alaska (mir)
Apriamo il quadro! (attilio)
H7-25 (asdf)
Passione Elettrica (massimob)
Elettroni a spasso (guidob)
Bloguerra (guerra)







