Ciao a tutti,
riflettendo sui vostri consigli ho rivisto il mio progetto, ho capito che stavo pretendendo troppo dallo spazio che avevo, molte cose erano esagerate rispetto alla mia necessità e che effettivamente alcune cose non avevano molto senso.
Allego l'aggiornamento qui sotto.
Ho mantenuto un arduino pro mini solo, ho portato le uscite da 10 a 8 e gli ingressi da 10 a 4, già così ho risparmiato un sacco di spazio.
Ho inserito una ventola per il raffreddamento e un RTC per il tempo.
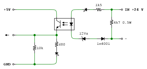
Ho inoltre collegato gli ingressi al pin 2 per sfruttare le interrupt sui 4 segnail in ingresso.
Ho utilizzato anche il pin 13 (non sono sicuro vada bene) per alimentare un uscita.
Ho pensato che se anche durante il boot sfarfallasse al massimo avrei un relè traballante per un attimo(spero di non doverlo programmare in eterno

).
Se non dovesse andare bene lo salterei ed eliminerei un Ingresso, tre sarebbero comunque sufficienti.
Cosa ne pensate?