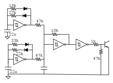
EDIT: il condensatore senza valore era da 10u, dimenticanza mia
Non e' altro che un semplice oscillatore fatto con un'inverter a trigger, il secondo inverter fa solo da buffer per pilotare il transistor (che pilotera' i led), ed i due altri oscillatori sono usati solo per cambiare leggermente a caso i tempi del primo in modo che il lampeggio sia meno ripetitivo ... ne servono tre "quasi uguali" di questi gruppi (basta cambiare leggermente i valori delle varie resistenze) uno per ogni colore, inoltre fra emettitore e collettore dei transistor suggerirei di mettere delle resistenze (valori da trovare sperimentalmente) in modo che anche la condizione "spento" non sia in realta' totalmente spente, ma a circa un decimo della luminosita' piena, in modo da migliorare un po l'effetto.
I valori che ho indicato sullo schema sono calcolati un po a mente, e non e' detto che diano i tempi che ti servono, bisognerebbe fare delle prove, magari su breadboard e con un normale led RGB, aggiustandoli finche' hai i tempi che ti vanno meglio.

Elettrotecnica e non solo (admin)
Un gatto tra gli elettroni (IsidoroKZ)
Esperienza e simulazioni (g.schgor)
Moleskine di un idraulico (RenzoDF)
Il Blog di ElectroYou (webmaster)
Idee microcontrollate (TardoFreak)
PICcoli grandi PICMicro (Paolino)
Il blog elettrico di carloc (carloc)
DirtEYblooog (dirtydeeds)
Di tutto... un po' (jordan20)
AK47 (lillo)
Esperienze elettroniche (marco438)
Telecomunicazioni musicali (clavicordo)
Automazione ed Elettronica (gustavo)
Direttive per la sicurezza (ErnestoCappelletti)
EYnfo dall'Alaska (mir)
Apriamo il quadro! (attilio)
H7-25 (asdf)
Passione Elettrica (massimob)
Elettroni a spasso (guidob)
Bloguerra (guerra)





