Cos'è ElectroYou | Login Iscriviti

ElectroYou - la comunità dei professionisti del mondo elettrico

Problema relè e componente SMD bruciato

Elettronica lineare e digitale: didattica ed applicazioni

Moderatori: Foto Utentecarloc, Foto Utenteg.schgor, Foto UtenteBrunoValente, Foto UtenteIsidoroKZ

0
voti

[1] Problema relè e componente SMD bruciato

Messaggioda Foto UtenteSteveBrady » 3 ott 2021, 19:01

Buongiorno a tutti,

sto avendo problemi con la scheda PCB della caldaia e ormai dovrò sostituirla però volevo comunque chiedere il vostro aiuto per capirne un po' di più.
La caldaia presenta il problema che non si accende o lo fa random per poi spegnersi altrettanto casualmente, siccome il codice errore individua proprio il PCB e ho notato scattare molto spesso i relè ho pensato di darci un'occhiata. Dopo averla smontata ho prima verificato che lato bobina avessero tutti e 3 una resistenza (vicina a quella nel DS) poi ho provato a dare 12V per vedere se si attivavano. I relè in questione sono dei D5Q-1 e D5Q-1A della Omron tutti da 24 V quindi non pensavo avrei bruciato nulla, a 6V solo uno si muoveva appena... fatto sta che uno dei D5Q-1A ora ha una resistenza molto più bassa ma soprattutto ho visto (e sentito) fumare un componente SMD posto al fianco di questo :cry:
Vi chiedo intanto che tipo di componente è quello SMD cerchiato nelle foto, che funzione ha e se può avere senso tentare di sostituirlo. Faccio fatica a leggere le sigle stampigliate, forse 'A6' o 'A8' con '72' in verticale.
Guardando bene la scheda anche un altro componente SMD presenta quella che sembra una bruciatura ma non credo sia dovuta ai miei maldestri tentativi di test.

Grazie a tutti e buona serata.
Allegati
relè02_retro_PCB.jpg
relè01_fronte_PCB.jpg
Avatar utente
Foto UtenteSteveBrady
35 3
New entry
New entry
 
Messaggi: 56
Iscritto il: 28 lug 2019, 13:04

0
voti

[2] Re: Problema relè e componente SMD bruciato

Messaggioda Foto Utentelucaking » 3 ott 2021, 20:45

Da quello che puoi vedere qui gli 1Bt dovrebbero essere i transistor che pilotano le bobine dei relè e gli A6t i diodi di ricircolo.
Hai un multimetro con il prova giunzioni?
Avatar utente
Foto Utentelucaking
1.651 4 5 8
Expert
Expert
 
Messaggi: 1445
Iscritto il: 29 mag 2015, 14:28

0
voti

[3] Re: Problema relè e componente SMD bruciato

Messaggioda Foto UtenteSteveBrady » 3 ott 2021, 23:59

lucaking ha scritto:Da quello che puoi vedere qui gli 1Bt dovrebbero essere i transistor che pilotano le bobine dei relè e gli A6t i diodi di ricircolo.
Hai un multimetro con il prova giunzioni?


Ho trovato queste pagine dal sito che mi hai indicato:
https://www.s-manuals.com/SMD/1b
https://www.s-manuals.com/SMD/a6

Per l'A6 non ho visto la 't' finale mentre di 1Bt ce ne sono di due tipi ma il datasheet sembra lo stesso.

Il multimetro ha il prova diodi e anche il test NPN e PNP ma questi non saprei come utilizzarli... i transistor sono minuscoli e saldati su scheda. Forse con qualche cavetto tipo quelli da breadborad ci posso provare ma sarebbe la prima volta, vediamo se riesco.
Provando con il test diodi mi sembrano dare tutti segni di vita ma non ho ancora guardato bene le specifiche.
Mi sapresti dire cosa dovrei trovare e quali prove fare?

Grazie 1000!
Avatar utente
Foto UtenteSteveBrady
35 3
New entry
New entry
 
Messaggi: 56
Iscritto il: 28 lug 2019, 13:04

0
voti

[4] Re: Problema relè e componente SMD bruciato

Messaggioda Foto Utentealev » 4 ott 2021, 8:27

SteveBrady ha scritto:Provando con il test diodi mi sembrano dare tutti segni di vita ma non ho ancora guardato bene le specifiche.

Ma li hai dissaldati per provarli?
Avatar utente
Foto Utentealev
5.990 2 9 12
free expert
 
Messaggi: 6282
Iscritto il: 19 lug 2010, 14:38
Località: Altrove

0
voti

[5] Re: Problema relè e componente SMD bruciato

Messaggioda Foto Utentelucaking » 4 ott 2021, 9:09

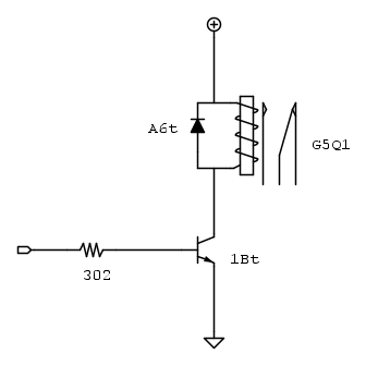
Da quel poco che ci capisco, il tuo schema dovrebbe qualcosa di simile:

dovresti testare le giunzioni di diodi e transistor con il prova diodi, ma di sicuro, almeno per il diodo, con la bobina del relè in parallelo non vedrai nulla di veritiero.
Forse la maniera piu semplice è dissaldare il resistore e il diodo.
Sai come testare diodi e trasistor col multimetro?
Avatar utente
Foto Utentelucaking
1.651 4 5 8
Expert
Expert
 
Messaggi: 1445
Iscritto il: 29 mag 2015, 14:28

0
voti

[6] Re: Problema relè e componente SMD bruciato

Messaggioda Foto UtenteSteveBrady » 7 ott 2021, 18:11

alev ha scritto:
SteveBrady ha scritto:Provando con il test diodi mi sembrano dare tutti segni di vita ma non ho ancora guardato bene le specifiche.

Ma li hai dissaldati per provarli?


No, ancora non li ho dissaldati... e in effetti provarli sulla scheda non ha molto significato.
Avatar utente
Foto UtenteSteveBrady
35 3
New entry
New entry
 
Messaggi: 56
Iscritto il: 28 lug 2019, 13:04

0
voti

[7] Re: Problema relè e componente SMD bruciato

Messaggioda Foto UtenteSteveBrady » 7 ott 2021, 18:50

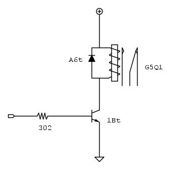
lucaking ha scritto:Da quel poco che ci capisco, il tuo schema dovrebbe qualcosa di simile:

dovresti testare le giunzioni di diodi e transistor con il prova diodi, ma di sicuro, almeno per il diodo, con la bobina del relè in parallelo non vedrai nulla di veritiero.
Forse la maniera piu semplice è dissaldare il resistore e il diodo.


Ok, grazie per lo schema.
Anche il resistore? Comincia a diventare arduo, è veramente piccolo.

lucaking ha scritto:Sai come testare diodi e trasistor col multimetro?


Sarei troppo presuntuoso a rispondere con un 'sì', però almeno i diodi ho già effettuato alcune verifiche utilizzando il multimetro nell'apposita funzione e provando in polarità diretta ed inversa. Mi era servito per individuare un diodo rotto in un ponte raddrizzatore di un asciugacapelli. Credo di aver dissaldato i componenti ma lì era più semplice perché discreti.
I transistor invece no, solo uno per curiosità del kit Arduino ma senza metterci la testa.

Ho trovato questo, me lo guarderò bene e se hai suggerimenti li seguo volentieri.

Ora però sono tra due fuochi: ho comprato la scheda nuova e non funziona, o meglio, fa partire il display della caldaia con errore diverso solo se tolgo uno dei connettori, se lo reinserisco display morto. In entrambi i casi la caldaia non parte, quindi sono tentato di rimettere la vecchia ma non vorrei danneggiare altri componenti nella caldaia con i danni che probabilmente ho fatto sulla scheda. #-o

Grazie a tutti.
Avatar utente
Foto UtenteSteveBrady
35 3
New entry
New entry
 
Messaggi: 56
Iscritto il: 28 lug 2019, 13:04

0
voti

[8] Re: Problema relè e componente SMD bruciato

Messaggioda Foto UtenteEtemenanki » 7 ott 2021, 18:54

Nel caso fossero andati e non riuscissi a trovarli, puoi sostituire il transistor con un normale BC337 ed il diodo con un qualsiasi 1N4004 o simile, anche non SMD se li saldi con attenzione dal lato piste.

Pero' se nel frattempo hai fatto altri danni, come dici tu, potrebbe non servire a molto ;-)

Comunque se lo fai, una volta dissaldati e prima di risaldare i nuovi, controlla la resistenza della bobina, giusto per essere sicuro che il tutto non si sia bruciato a causa della bobina che si e' cotta.
"Sopravvivere" e' attualmente l'unico lusso che la maggior parte dei Cittadini italiani,
sia pure a costo di enormi sacrifici, riesce ancora a permettersi.
Avatar utente
Foto UtenteEtemenanki
9.517 3 6 10
Master
Master
 
Messaggi: 5940
Iscritto il: 2 apr 2021, 23:42
Località: Dalle parti di un grande lago ... :)

0
voti

[9] Re: Problema relè e componente SMD bruciato

Messaggioda Foto UtenteSteveBrady » 7 ott 2021, 19:03

Etemenanki ha scritto:Nel caso fossero andati e non riuscissi a trovarli, puoi sostituire il transistor con un normale BC337 ed il diodo con un qualsiasi 1N4004 o simile, anche non SMD se li saldi con attenzione dal lato piste.

Pero' se nel frattempo hai fatto altri danni, come dici tu, potrebbe non servire a molto ;-)

Comunque se lo fai, una volta dissaldati e prima di risaldare i nuovi, controlla la resistenza della bobina, giusto per essere sicuro che il tutto non si sia bruciato a causa della bobina che si e' cotta.


Grazie 1000 dei consigli! :-)
Avatar utente
Foto UtenteSteveBrady
35 3
New entry
New entry
 
Messaggi: 56
Iscritto il: 28 lug 2019, 13:04

0
voti

[10] Re: Problema relè e componente SMD bruciato

Messaggioda Foto Utentelucaking » 8 ott 2021, 7:38

SteveBrady ha scritto:Anche il resistore? Comincia a diventare arduo, è veramente piccolo.
Boh, io avrei dissaldato resistore e diodo perché mi sembrava piu facile, altrimenti dovresti dissaldare il transistor e il diodo.
Vedi tu come ti mette meglio.


SteveBrady ha scritto:.... però almeno i diodi ho già effettuato alcune verifiche utilizzando il multimetro nell'apposita funzione e provando in polarità diretta ed inversa.
Ho trovato questo, me lo guarderò bene e se hai suggerimenti li seguo volentieri.
L' articolo è sicuramente valido, ma trovo sia piu utile capire cos'è e come è fatto il componente che devi testare, a tal proposito, ti ricordo che un BJT è composto da due giunzioni PN e si può schematizzare con due diodi nel seguente modo:

alla luce di questo, direi che se sai testare un diodo, non devi far altro che provare, una alla volta, entrambe le giunzioni dei diodi che compongono il BJT. :ok:
Avatar utente
Foto Utentelucaking
1.651 4 5 8
Expert
Expert
 
Messaggi: 1445
Iscritto il: 29 mag 2015, 14:28

Prossimo

Torna a Elettronica generale

Chi c’è in linea

Visitano il forum: Nessuno e 70 ospiti