Funzione di trasferimento opamp
Moderatori:
carloc,
g.schgor,
BrunoValente,
IsidoroKZ
15 messaggi
• Pagina 1 di 2 • 1, 2
0
voti
Ciao gente,
Devo risolvere un esercizio che mi richiede di trovare la H(jw) di un circuito opamp. Cercando di risolvere l’esercizio mi sono accorto di alcuni fatti:
1) l’operazionale è ideale
2) il circuito presenta un unico elemento reattivo, una capacità
3) il testo dice di valutare la funzione di trasferimento per il punto di lavoro in cui l’ingresso è nullo.
4) nel circuito è anche presente un generatore di corrente ideale.
Forse causa un po’ di ruggine mi sono venuti diversi dubbi:
1) cosa mi serve sapere il punto di riposo del circuito se devo valutarlo in frequenza? Cioè cosa ci faccio con l’informazione che l’ingresso a riposo è nullo?
2) nell’eseguire l’analisi in frequenza devo annullare, ovvero aprire, il generatore di corrente, giusto? In quanto questo è un contributo DC, mentre l’analisi è AC?
3) la capacità la devo trattare come 1/SC durante l’analisi ?
Scusate le domande banali, ma sono stato fermo un po’ di tempo sullo studio e analisi in frequenza.
Devo risolvere un esercizio che mi richiede di trovare la H(jw) di un circuito opamp. Cercando di risolvere l’esercizio mi sono accorto di alcuni fatti:
1) l’operazionale è ideale
2) il circuito presenta un unico elemento reattivo, una capacità
3) il testo dice di valutare la funzione di trasferimento per il punto di lavoro in cui l’ingresso è nullo.
4) nel circuito è anche presente un generatore di corrente ideale.
Forse causa un po’ di ruggine mi sono venuti diversi dubbi:
1) cosa mi serve sapere il punto di riposo del circuito se devo valutarlo in frequenza? Cioè cosa ci faccio con l’informazione che l’ingresso a riposo è nullo?
2) nell’eseguire l’analisi in frequenza devo annullare, ovvero aprire, il generatore di corrente, giusto? In quanto questo è un contributo DC, mentre l’analisi è AC?
3) la capacità la devo trattare come 1/SC durante l’analisi ?
Scusate le domande banali, ma sono stato fermo un po’ di tempo sullo studio e analisi in frequenza.
-

ElectroFranco
120 5 - New entry

- Messaggi: 67
- Iscritto il: 17 mar 2021, 7:51
1
voti
Provo a risponderti, anche se anche io se non arrugginito, sono almeno ossidato
.
Se sbaglio, qualcun altro mi correggerà.
1) cosa mi serve sapere il punto di riposo del circuito se devo valutarlo in frequenza? Cioè cosa ci faccio con l’informazione che l’ingresso a riposo è nullo?
Forse nulla, solo per escludere la condizione di operazionale in saturazione.
2) nell’eseguire l’analisi in frequenza devo annullare, ovvero aprire, il generatore di corrente, giusto? In quanto questo è un contributo DC, mentre l’analisi è AC?
Servirebbe lo schema dell'operazionale, quanto è ideale?
Guadagno in DC infinito, resistenza di uscita nulla ?
3) la capacità la devo trattare come 1/SC durante l’analisi ?
Penso di si, almeno come 1/jWC

Se sbaglio, qualcun altro mi correggerà.
1) cosa mi serve sapere il punto di riposo del circuito se devo valutarlo in frequenza? Cioè cosa ci faccio con l’informazione che l’ingresso a riposo è nullo?
Forse nulla, solo per escludere la condizione di operazionale in saturazione.
2) nell’eseguire l’analisi in frequenza devo annullare, ovvero aprire, il generatore di corrente, giusto? In quanto questo è un contributo DC, mentre l’analisi è AC?
Servirebbe lo schema dell'operazionale, quanto è ideale?
Guadagno in DC infinito, resistenza di uscita nulla ?
3) la capacità la devo trattare come 1/SC durante l’analisi ?
Penso di si, almeno come 1/jWC

0
voti
Ciao
MarcoD, grazie per la risposta!
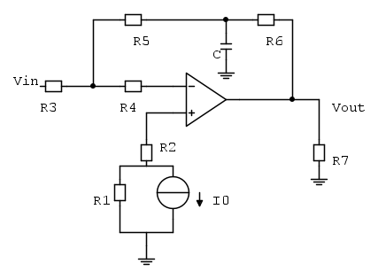
Allego una immagine del testo per maggiore chiarezza, il primo punto l’ho risolto mentre il secondo sono un po’ bloccato e non riesco a ottenere una funzione di trasferimento.
Allego una immagine del testo per maggiore chiarezza, il primo punto l’ho risolto mentre il secondo sono un po’ bloccato e non riesco a ottenere una funzione di trasferimento.
-

ElectroFranco
120 5 - New entry

- Messaggi: 67
- Iscritto il: 17 mar 2021, 7:51
1
voti
Nella mia precedente risposta ho scritto qualcosa di stonato, avevo letto male e avevo capito che fosse il circuito di un amplificatore operazionale invece che un circuito adoperante un amplificatore operazionale ideale.
Il titolo "Funzione di trasferimento opamp" dovrebbe venire cambiato in:
"Funzione di trasferimento circuito con opamp" .
A mente posso scrivere che:
Il circuito dovrebbe avere un polo il cui inverso (la costante di tempo Tau) vale
Tau= ( R5 in parallelo con R6) x C
Errore
, non è un polo è uno zero !, a frequenza infinita il guadagno va a infinito ! (correzione delle 14.45)
La tensione di squilibrio in ingresso vale Io x R1 = -4 V.
Per Vin = 0, la Vout = ((R5+R6+R3)/R3)x( -Io/R1) = -6V
Il guadagno invertente (pendenza) Vout /Vin = - (R5+R6)/R3 = -0,5
Le resistenze R2 e R4 non entrano nei calcoli in quanto l'operazionale ideale ha correnti di polarizzarione/bias nulle.
Attendo eventuali osservazioni.
Il titolo "Funzione di trasferimento opamp" dovrebbe venire cambiato in:
"Funzione di trasferimento circuito con opamp" .
A mente posso scrivere che:
Tau= ( R5 in parallelo con R6) x C
Errore
La tensione di squilibrio in ingresso vale Io x R1 = -4 V.
Per Vin = 0, la Vout = ((R5+R6+R3)/R3)x( -Io/R1) = -6V
Il guadagno invertente (pendenza) Vout /Vin = - (R5+R6)/R3 = -0,5
Le resistenze R2 e R4 non entrano nei calcoli in quanto l'operazionale ideale ha correnti di polarizzarione/bias nulle.
Attendo eventuali osservazioni.

0
voti
Ottimo grazie mille!
Confermo lo zero, ho riprovato a fare i calcoli e mi viene un numeratore 1 + sC(R5//R6) (dopo aver diviso per (R5+R6).
Per vedere a occhio la costante di tempo (si chiama così anche nel caso degli zeri ??) come hai fatto? Hai valutato la resistenza equivalente vista dalla C ?
Confermo lo zero, ho riprovato a fare i calcoli e mi viene un numeratore 1 + sC(R5//R6) (dopo aver diviso per (R5+R6).
Per vedere a occhio la costante di tempo (si chiama così anche nel caso degli zeri ??) come hai fatto? Hai valutato la resistenza equivalente vista dalla C ?
-

ElectroFranco
120 5 - New entry

- Messaggi: 67
- Iscritto il: 17 mar 2021, 7:51
1
voti
affermativo.Hai valutato la resistenza equivalente vista dalla C ?
Non ne ero sicurissimo, ma con un solo elemento reattivo c'è un solo polo o zero,
il calcolo della Req è corretto.
2
voti
ElectroFranco ha scritto:Per vedere a occhio la costante di tempo (si chiama così anche nel caso degli zeri ??) come hai fatto? Hai valutato la resistenza equivalente vista dalla C ?
Se si calcola la resistenza equivalente ai capi del condensatore si ottiene SEMPRE (*) la costante di tempo del polo. Per calcolare a occhio lo zero il procedimento è concettualmente più complicato, ma più facile dal punto di vista del computo numerico.
Domani pomeriggio dovrei avere un po' di tempo e rispondere meglio. Nel frattempo fai lo schema in FidoCadJ, mi serve per la dimostrazione della fdt.
(*) sempre, a meno che il circuito sia patologico e il condensatore non sia osservabile o controllabile.
Per usare proficuamente un simulatore, bisogna sapere molta più elettronica di lui
Plug it in - it works better!
Il 555 sta all'elettronica come Arduino all'informatica! (entrambi loro malgrado)
Se volete risposte rispondete a tutte le mie domande
Plug it in - it works better!
Il 555 sta all'elettronica come Arduino all'informatica! (entrambi loro malgrado)
Se volete risposte rispondete a tutte le mie domande
3
voti
-

ElectroFranco
120 5 - New entry

- Messaggi: 67
- Iscritto il: 17 mar 2021, 7:51
8
voti
Direi che lo schema sia venuto piu` che bene. Oggi ho avuto una giornata incasinata, ma prima di andare a dormire riesco a scrivere qualcosa.
Nel seguito parlo solo di circuiti con una sola costante di tempo, cioe` un condensatore o un induttore. Il circuito non deve essere degenere, ad esempio con un condensatore in parallelo a un generatore di tensione, e l'elemento reattivo deve essere controllabile e osservabile, vale a dire che la tensione su C oppure la corrente su L deve dipendere dall'ingresso e deve poter contribuire all'uscita.
Se sono soddisfatte le ipotesi precedenti, un elemento reattivo da` sempre un polo e uno zero reali, vale a dire nel diagramma nel dominio s, trasformata di Laplace della funzionedi trasferimenti sono messi sull'asse reale, l'asse sigma.
Se si considerano elementi reali, polo e zero sono sempre a frequenza finita, invece con elementi ideali polo e zero possono essere anche a frequenza nulla oppure infinita.
Cio` premesso vediamo di calcolare le costanti di tempo di polo e zero del circuito dato.
Per il polo e` facile: basta calcolare la resistenza equivalente
vista dal condensatore (o dall'induttore se ci fosse una L) con gli ingressi del circuito a zero e la frequenza sull'asse immaginario a cui si vede l'effetto del polo singolo vale
. La dimostrazione di questa formula non e` complicata, ma la raccontero` un'altra volta.
Nel caso specifico, per analizzare il circuito per trovare la frequenza del polo si puo` supporre che la resistenza di ingresso dell'operazionale (sia differenziale sia comune) sia molto maggiore del valore dei resistori, quindi si possono trascurare le resistenze messe in serie agli ingressi.
Il generatore Vin e` a zero perche' per trovare le impedenze lo si deve spegnere, mentre il generatore di corrente, essendo un geneatore continuo viene spento comunque e sempre quando si lavora sulle funzioni di trasferimento, e lo si sostituisce con un circuito aperto.
Il circuito su cui lavorare, per trovare la frequenza del polo e` questo a sinistra in cui ho aperto il generatore di corrente e cortocircuitato le resistenze in serie all'ingresso perche', non essendo percorse da corrente non danno caduta di tensione.
Il circuito che si ottiene, in cui ho evidenziato il generatore pilotato dentro all'operazionale, e` indicato a destra.
La ragione per cui ho messo in evidenza in generatore pilotato di tensione e` che un operazionale ideale dovrebbe avere guadagno infinito, che sfortunatamente non e` un numero che si possa mettere nei conti. Bisogna partire da una amplificazione Ad finita e poi fare il limite.
Per trovare la resistenza vista dal condensatore, figura qui sotto a sinistra, dopo aver tolto il condensatore si puo` andare a mettere un generatore di prova e vedere che cosa capita. In questo caso conviene mettere un generatore di tensione Vx e vedere la corrente Ix che esce dal generatore, come si vede nel circuito a destra, sempre dopo aver annullato tutti gli ingressi, qui c'e` solo Vin. Per vedere una carrellata di metodi di calcolo di una impedenza, vedere questo articolo
Da notare che quando si mette il generatore di prova
si interrompe la retroazione, non e` piu` vero che la tensione differenziale di ingresso e` nulla. Per questa ragione ho dovuto supporre l'impedenza differenziale di ingresso molto maggiore delle resistenze della rete.
La corrente da calcolare e` data da
Il valore di
e` facile, basta applicare la legge di Ohm ad R5 ed R3 che sono in serie
. Si osservi che qui il nodo di ingresso invertente dell'operazionale NON e` allo stesso potenziale del nodo non invertente, perche' NON c'e` retroazione in quanto il generatore di tensione
impedisce all'uscita di avere un qualunque effetto sull'ingresso.
La corrente
viene calcolata con la legge di Ohm su R6, tenendo presente pero` il valore di Vout.
. Il valore della tensione
, con il suo segno, e` dato dalla partizione di
su R3 ed R5 che sono in serie, quindi
La corrente
vale quindi

La resistenza equivalente vista dal condensatore e` quindi data dal rapporto
. A questo punto non conviene fare i conti con tanta algebra perche' si vede che se l'operazionale e` ideale, cioe`
il valore di
tende a infinito e quindi la resistenza equivalente vista da C e` nulla.
Bisogna ricordare, en passant, che facendo tutte le sostituzioni, il valore di
si semplifica e non entra nell'espressione finale. Se per caso si trova una impedenza o una funzione di trasferimento con ancora presente in valore di Vx o simili, l'espressione e` sicuramente sbagliata, spesso anche dimensionalmente sbagliata.
La resistenza equivalente vista da C tende a zero, vuol dire che la costante di tempo associata a C tende a zero pure lei, e la frequenza del polo tende a infinito.
E adesso vediamo lo zero. Ci sono alcuni modi di calcolare gli zeri, ad esempio conoscendo guadagni e frequenza del polo (ma qui il polo e` all'infinito
) si puo` trovare la frequenza dello zero, vedere qui, oppure in modo piu` sistematico e algebrico qui.
Visto che chiedevi un metodo rapido e a vista, provo a spiegarlo, ma, come gia` detto, bisogna fare attenzione nell'applicarlo pero` i conti da fare sono molto semplici.
Per trovare la frequenza dello zero si usa la definizione di zero di trasmissione: quella frequenza (complessa) che fa si` che l'uscita sia nulla.
Quando dico frequenza complessa, anche chiamata frequenza generalizzata, intendo il valore di frequenza
nel dominio della trasformata di Laplace. Essendo un circuito con una sola costante di tempo, le singolarita` (zero e polo) della rete hanno sempre valori di
reali.
In pratica mettiamo di nuovo in gioco il segnale di ingresso
e cerchiamo quella frequenza (complessa) che fa si` che
sia nulla. Bisogna avere ben chiaro in testa che NON si deve collegare l'uscita a ground, deve proprio essere il segnale che non "riesce a passare". Riprendiamo il circuito con il generatore
e l'uscita annullata.
Per trovare la frequenza dello zero, si fa in questo modo: si suppone che la tensione di uscita sia nulla, senza passare per il condensatore si calcola la corrente attraverso il condensatore e si cerca il valore di frequenza che fa si` che la corrente nel condensatore sia proprio quella voluta per mandare a zero l'uscita.
Bisogna tenere presente che in questa situazione l'operazionale e` retroazionato, la tensione differenziale di ingresso e` nulla (e qui il valore della resistenza differenziale di ingresso non e` per niente importante perche' tanto non c'e` tensione ai suoi capi) e quindi si possono calcolare le correnti
semplicemente come
. Visto che c'e` la retroazione si puo` considerare l'operazionale ideale, tanto la sua amplificazione Ad infinita non entra nei calcoli.
La corrente che scorre in R5 fa nascere una tensione
pari a
Ora usiamo la condizione che la tensione di uscita deve essere nulla, ricordando che stiamo cercando una frequenza (complessa), non la tensione di uscita. Se la tensione di uscita e` nulla, la tensione ai capi di R6 e` uguale alla tensione ai capi di R5 e quindi la corrente in R6 vale
e quindi la corrente
vale 
Da notare che l'ho fatta terribilmente lunga, il calcolo di
poteva essere fatto in 20 secondi (ad esagerare), osservando che R5 ed R6 sono in parallelo, che conosco la corrente di un ramo
e voglio calcolare la corrente complessiva
.
Davvero R5 ed R6 sono in parallelo? Si`, hanno un estremo in comune e gli altri due sono allo stesso potenziale, in questo caso 0V. Da osservare che questo capita SOLO alla frequenza dello zero, ma e` proprio questo che stiamo cercando.
Se si scrive la formula del partitore di corrente solita si ha
e invertendola si ottiene subito
come prima senza tutta quella sbrodolatura di conti.
Finora pero` la frequenza non e` entratra in gioco, abbiamo solo usato la legge di Ohm sulle resistenze, che sono "insensibili" alla frequenza.
Abbiamo trovato la tensione sul condensatore
e la corrente che lo attraversa
. L'ammettenza del condensatore deve essere quindi
vale a dire
da cui con arditi passaggi matematici si trova la posizione dello zero nel piano complesso s, quindi la sua frequenza complessa, che vale (occhio che il segno negativo e` importante!)

il segno meno vuol dire zero adestra sinistra, nel semipiano sinistro di Laplace (*)(evvviva! con tre v perche' e` proprio un ottimo risultato, gli zeri positivi, a destra nei sistemi retroazionati sono dei dolori indicibili). La "frequenza" che si associa di solito allo zero, in pratica dove sull'asse immaginario si vede l'effetto dello zero, e` al solito 
Spero non ci siano troppi strafalcioni, domani comunque li correggero`.
(*) Appunto! Uno strafalcione almeno c'era, grazie
MarcoD che me l'ha fatto notare
Nel seguito parlo solo di circuiti con una sola costante di tempo, cioe` un condensatore o un induttore. Il circuito non deve essere degenere, ad esempio con un condensatore in parallelo a un generatore di tensione, e l'elemento reattivo deve essere controllabile e osservabile, vale a dire che la tensione su C oppure la corrente su L deve dipendere dall'ingresso e deve poter contribuire all'uscita.
Se sono soddisfatte le ipotesi precedenti, un elemento reattivo da` sempre un polo e uno zero reali, vale a dire nel diagramma nel dominio s, trasformata di Laplace della funzionedi trasferimenti sono messi sull'asse reale, l'asse sigma.
Se si considerano elementi reali, polo e zero sono sempre a frequenza finita, invece con elementi ideali polo e zero possono essere anche a frequenza nulla oppure infinita.
Cio` premesso vediamo di calcolare le costanti di tempo di polo e zero del circuito dato.
Per il polo e` facile: basta calcolare la resistenza equivalente
vista dal condensatore (o dall'induttore se ci fosse una L) con gli ingressi del circuito a zero e la frequenza sull'asse immaginario a cui si vede l'effetto del polo singolo vale
. La dimostrazione di questa formula non e` complicata, ma la raccontero` un'altra volta.Nel caso specifico, per analizzare il circuito per trovare la frequenza del polo si puo` supporre che la resistenza di ingresso dell'operazionale (sia differenziale sia comune) sia molto maggiore del valore dei resistori, quindi si possono trascurare le resistenze messe in serie agli ingressi.
Il generatore Vin e` a zero perche' per trovare le impedenze lo si deve spegnere, mentre il generatore di corrente, essendo un geneatore continuo viene spento comunque e sempre quando si lavora sulle funzioni di trasferimento, e lo si sostituisce con un circuito aperto.
Il circuito su cui lavorare, per trovare la frequenza del polo e` questo a sinistra in cui ho aperto il generatore di corrente e cortocircuitato le resistenze in serie all'ingresso perche', non essendo percorse da corrente non danno caduta di tensione.
Il circuito che si ottiene, in cui ho evidenziato il generatore pilotato dentro all'operazionale, e` indicato a destra.
La ragione per cui ho messo in evidenza in generatore pilotato di tensione e` che un operazionale ideale dovrebbe avere guadagno infinito, che sfortunatamente non e` un numero che si possa mettere nei conti. Bisogna partire da una amplificazione Ad finita e poi fare il limite.
Per trovare la resistenza vista dal condensatore, figura qui sotto a sinistra, dopo aver tolto il condensatore si puo` andare a mettere un generatore di prova e vedere che cosa capita. In questo caso conviene mettere un generatore di tensione Vx e vedere la corrente Ix che esce dal generatore, come si vede nel circuito a destra, sempre dopo aver annullato tutti gli ingressi, qui c'e` solo Vin. Per vedere una carrellata di metodi di calcolo di una impedenza, vedere questo articolo
Da notare che quando si mette il generatore di prova
si interrompe la retroazione, non e` piu` vero che la tensione differenziale di ingresso e` nulla. Per questa ragione ho dovuto supporre l'impedenza differenziale di ingresso molto maggiore delle resistenze della rete.La corrente da calcolare e` data da
Il valore di
e` facile, basta applicare la legge di Ohm ad R5 ed R3 che sono in serie
. Si osservi che qui il nodo di ingresso invertente dell'operazionale NON e` allo stesso potenziale del nodo non invertente, perche' NON c'e` retroazione in quanto il generatore di tensione
impedisce all'uscita di avere un qualunque effetto sull'ingresso.La corrente
viene calcolata con la legge di Ohm su R6, tenendo presente pero` il valore di Vout.
. Il valore della tensione
, con il suo segno, e` dato dalla partizione di
su R3 ed R5 che sono in serie, quindi
La corrente
vale quindi 
La resistenza equivalente vista dal condensatore e` quindi data dal rapporto
. A questo punto non conviene fare i conti con tanta algebra perche' si vede che se l'operazionale e` ideale, cioe`
il valore di
tende a infinito e quindi la resistenza equivalente vista da C e` nulla.Bisogna ricordare, en passant, che facendo tutte le sostituzioni, il valore di
si semplifica e non entra nell'espressione finale. Se per caso si trova una impedenza o una funzione di trasferimento con ancora presente in valore di Vx o simili, l'espressione e` sicuramente sbagliata, spesso anche dimensionalmente sbagliata.La resistenza equivalente vista da C tende a zero, vuol dire che la costante di tempo associata a C tende a zero pure lei, e la frequenza del polo tende a infinito.
E adesso vediamo lo zero. Ci sono alcuni modi di calcolare gli zeri, ad esempio conoscendo guadagni e frequenza del polo (ma qui il polo e` all'infinito
Visto che chiedevi un metodo rapido e a vista, provo a spiegarlo, ma, come gia` detto, bisogna fare attenzione nell'applicarlo pero` i conti da fare sono molto semplici.
Per trovare la frequenza dello zero si usa la definizione di zero di trasmissione: quella frequenza (complessa) che fa si` che l'uscita sia nulla.
Quando dico frequenza complessa, anche chiamata frequenza generalizzata, intendo il valore di frequenza
nel dominio della trasformata di Laplace. Essendo un circuito con una sola costante di tempo, le singolarita` (zero e polo) della rete hanno sempre valori di
reali.In pratica mettiamo di nuovo in gioco il segnale di ingresso
e cerchiamo quella frequenza (complessa) che fa si` che
sia nulla. Bisogna avere ben chiaro in testa che NON si deve collegare l'uscita a ground, deve proprio essere il segnale che non "riesce a passare". Riprendiamo il circuito con il generatore
e l'uscita annullata.Per trovare la frequenza dello zero, si fa in questo modo: si suppone che la tensione di uscita sia nulla, senza passare per il condensatore si calcola la corrente attraverso il condensatore e si cerca il valore di frequenza che fa si` che la corrente nel condensatore sia proprio quella voluta per mandare a zero l'uscita.
Bisogna tenere presente che in questa situazione l'operazionale e` retroazionato, la tensione differenziale di ingresso e` nulla (e qui il valore della resistenza differenziale di ingresso non e` per niente importante perche' tanto non c'e` tensione ai suoi capi) e quindi si possono calcolare le correnti
semplicemente come
. Visto che c'e` la retroazione si puo` considerare l'operazionale ideale, tanto la sua amplificazione Ad infinita non entra nei calcoli.La corrente che scorre in R5 fa nascere una tensione
pari a
Ora usiamo la condizione che la tensione di uscita deve essere nulla, ricordando che stiamo cercando una frequenza (complessa), non la tensione di uscita. Se la tensione di uscita e` nulla, la tensione ai capi di R6 e` uguale alla tensione ai capi di R5 e quindi la corrente in R6 vale
e quindi la corrente
vale 
Da notare che l'ho fatta terribilmente lunga, il calcolo di
poteva essere fatto in 20 secondi (ad esagerare), osservando che R5 ed R6 sono in parallelo, che conosco la corrente di un ramo
e voglio calcolare la corrente complessiva
. Davvero R5 ed R6 sono in parallelo? Si`, hanno un estremo in comune e gli altri due sono allo stesso potenziale, in questo caso 0V. Da osservare che questo capita SOLO alla frequenza dello zero, ma e` proprio questo che stiamo cercando.
Se si scrive la formula del partitore di corrente solita si ha
e invertendola si ottiene subito
come prima senza tutta quella sbrodolatura di conti.Finora pero` la frequenza non e` entratra in gioco, abbiamo solo usato la legge di Ohm sulle resistenze, che sono "insensibili" alla frequenza.
Abbiamo trovato la tensione sul condensatore
e la corrente che lo attraversa
. L'ammettenza del condensatore deve essere quindi
vale a dire
da cui con arditi passaggi matematici si trova la posizione dello zero nel piano complesso s, quindi la sua frequenza complessa, che vale (occhio che il segno negativo e` importante!)
il segno meno vuol dire zero a

Spero non ci siano troppi strafalcioni, domani comunque li correggero`.
(*) Appunto! Uno strafalcione almeno c'era, grazie
Per usare proficuamente un simulatore, bisogna sapere molta più elettronica di lui
Plug it in - it works better!
Il 555 sta all'elettronica come Arduino all'informatica! (entrambi loro malgrado)
Se volete risposte rispondete a tutte le mie domande
Plug it in - it works better!
Il 555 sta all'elettronica come Arduino all'informatica! (entrambi loro malgrado)
Se volete risposte rispondete a tutte le mie domande
0
voti
Grazie mille
IsidoroKZ, spiegazione completa e chiarissima !!
-

ElectroFranco
120 5 - New entry

- Messaggi: 67
- Iscritto il: 17 mar 2021, 7:51
15 messaggi
• Pagina 1 di 2 • 1, 2
Chi c’è in linea
Visitano il forum: Nessuno e 174 ospiti

Elettrotecnica e non solo (admin)
Un gatto tra gli elettroni (IsidoroKZ)
Esperienza e simulazioni (g.schgor)
Moleskine di un idraulico (RenzoDF)
Il Blog di ElectroYou (webmaster)
Idee microcontrollate (TardoFreak)
PICcoli grandi PICMicro (Paolino)
Il blog elettrico di carloc (carloc)
DirtEYblooog (dirtydeeds)
Di tutto... un po' (jordan20)
AK47 (lillo)
Esperienze elettroniche (marco438)
Telecomunicazioni musicali (clavicordo)
Automazione ed Elettronica (gustavo)
Direttive per la sicurezza (ErnestoCappelletti)
EYnfo dall'Alaska (mir)
Apriamo il quadro! (attilio)
H7-25 (asdf)
Passione Elettrica (massimob)
Elettroni a spasso (guidob)
Bloguerra (guerra)






