Vorrei gentilmente opinioni, e se possibile proposte di modifiche, su quanto allegato.
Ringrazio anticipatamente quanti vorranno partecipare
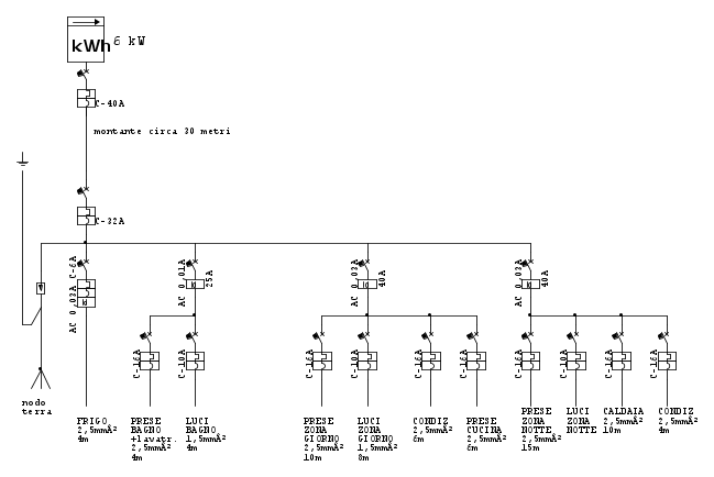
Quadro elettrico e dorsali
Moderatori:
sebago,
MASSIMO-G,
lillo,
Mike
24 messaggi
• Pagina 1 di 3 • 1, 2, 3
0
voti
pensavo di averlo messo, riprovo a metterlo
- Allegati
-
Impianto Elettrico raggruppamenti - Copia.pdf- (355.64 KiB) Scaricato 212 volte
0
voti
Adesso è arrivato
Però ti suggerisco caldamente di scrivere tutto quanto in un messaggio della discussione, in modo che sia leggibile direttamente senza dover aprire tutte le volte l'allegato
Se ti trovi in difficoltà con l'uso del forum, ti suggerisco la lettura delle seguenti istruzioni:
https://www.electroyou.it/donj/wiki/guidagalattica
viewtopic.php?f=4&t=80624
Però ti suggerisco caldamente di scrivere tutto quanto in un messaggio della discussione, in modo che sia leggibile direttamente senza dover aprire tutte le volte l'allegato
Se ti trovi in difficoltà con l'uso del forum, ti suggerisco la lettura delle seguenti istruzioni:
https://www.electroyou.it/donj/wiki/guidagalattica
viewtopic.php?f=4&t=80624
1
voti
Serve riportare il disegno su fidocadJ, una volta fatto ciò si potrà discutere e si potranno proporre modifiche.
Io personalmente non apro allegati e credo che pochi altri siano disposti di aiutarti a queste condizioni.

Io personalmente non apro allegati e credo che pochi altri siano disposti di aiutarti a queste condizioni.

4
voti
Ho guardato solo le sezioni, ad occhio direi che è tutto sovradimensionato!
Poi ho un dubbio: o sei un installatore che non sa fare il suo lavoro (cosa che dubito), oppure vuoi sistemarti l'impianto elettrico di casa da solo, senza avere le necessarie competenze (cosa più probabile e tecnicamente illegale).
Ti consiglio di rivolgerti ad un professionista che sappia aiutarti nelle scelte e che, soprattutto, ti installi un impianto a norma.
Poi ho un dubbio: o sei un installatore che non sa fare il suo lavoro (cosa che dubito), oppure vuoi sistemarti l'impianto elettrico di casa da solo, senza avere le necessarie competenze (cosa più probabile e tecnicamente illegale).
Ti consiglio di rivolgerti ad un professionista che sappia aiutarti nelle scelte e che, soprattutto, ti installi un impianto a norma.
Almeno l'itagliano sallo...
0
voti
esiste la terza ipotesi... documentarsi e acquisire opinioni prima di dare l'incarico al professionista per non prendere una cantonata e sapersi confrontare con lui, un forum può essere il posto migliore secondo me (l'elettricista non è come il salumiere... non sempre se ne ha uno di fiducia)
Inoltre ci tengo a precisare che farei i lavori solo se rientro nel bonus 100% (cosa che dubito vista la bozza di finanziaria) e in quel caso avrei lo sconto del 50% su impianto elettrico (praticamente non conviene farselo da se anche volendo)
SOLUZIONE A
SOLUZIONE B
Inoltre ci tengo a precisare che farei i lavori solo se rientro nel bonus 100% (cosa che dubito vista la bozza di finanziaria) e in quel caso avrei lo sconto del 50% su impianto elettrico (praticamente non conviene farselo da se anche volendo)
SOLUZIONE A
SOLUZIONE B
0
voti
Sconsiglio prese e luce sotto il medesimo differenziale, se scatta rimani al buio...
Ormai con i LED tutti quegli interruttori per illuminazione proprio non servono, stai solo sprecando soldi.
Attenzione alla resistenza di terra.
Ormai con i LED tutti quegli interruttori per illuminazione proprio non servono, stai solo sprecando soldi.
Attenzione alla resistenza di terra.
0
voti
D'accordo con GioArca67, un mtd C-6 per le luci di tutta la casa basta e avanza, lo stesso per la caldaia a gas: un C-6 sarà più che sufficiente
aggiungo anche che il montante di 30 metri, per 6 kW deve essere almeno da 10mmq di sezione
aggiungo anche che il montante di 30 metri, per 6 kW deve essere almeno da 10mmq di sezione
-

SediciAmpere
4.187 5 5 8 - Master

- Messaggi: 4848
- Iscritto il: 31 ott 2013, 15:00
0
voti
Ringrazio sempre per le risposte date. Prenderò in considerazione il discorso del MTD C-6 per le luci anche se vorrei far mettere 2 luci di emergenza (zona notte e zona giorno) e lasciando due MT (giorno/notte) avrei un maggior sezionamento, sbaglio?
non ho capito il discorso della resistenza di TERRA, cosa dovrei chiedere o a cosa dovrei fare attenzione ?
Le sezioni che ho indicato nei precedenti schemi mi sono state consigliate da un gentilissimo utente del forum e a tal proposito vorrei riportarvi lo schema (grossolano) di quanto è stato fatto nell'appartamento dei miei genitori che è identico al mio.
vi chiedo se hanno esagerato con le sezioni (la 503 più lontana dista circa 12m dal quadro) e soprattutto se è sbagliato aver messo un unico cavo di TERRA (che progressivamente scende di sezione) comune a luci e prese di tutte e tre le camere oppure se devo far mettere cavi distinti sia per ogni camera che per linea luci/prese.
Grazie ancora
non ho capito il discorso della resistenza di TERRA, cosa dovrei chiedere o a cosa dovrei fare attenzione ?
Le sezioni che ho indicato nei precedenti schemi mi sono state consigliate da un gentilissimo utente del forum e a tal proposito vorrei riportarvi lo schema (grossolano) di quanto è stato fatto nell'appartamento dei miei genitori che è identico al mio.
vi chiedo se hanno esagerato con le sezioni (la 503 più lontana dista circa 12m dal quadro) e soprattutto se è sbagliato aver messo un unico cavo di TERRA (che progressivamente scende di sezione) comune a luci e prese di tutte e tre le camere oppure se devo far mettere cavi distinti sia per ogni camera che per linea luci/prese.
Grazie ancora
24 messaggi
• Pagina 1 di 3 • 1, 2, 3
Torna a Impianti, sicurezza e quadristica
Chi c’è in linea
Visitano il forum: Nessuno e 107 ospiti

Elettrotecnica e non solo (admin)
Un gatto tra gli elettroni (IsidoroKZ)
Esperienza e simulazioni (g.schgor)
Moleskine di un idraulico (RenzoDF)
Il Blog di ElectroYou (webmaster)
Idee microcontrollate (TardoFreak)
PICcoli grandi PICMicro (Paolino)
Il blog elettrico di carloc (carloc)
DirtEYblooog (dirtydeeds)
Di tutto... un po' (jordan20)
AK47 (lillo)
Esperienze elettroniche (marco438)
Telecomunicazioni musicali (clavicordo)
Automazione ed Elettronica (gustavo)
Direttive per la sicurezza (ErnestoCappelletti)
EYnfo dall'Alaska (mir)
Apriamo il quadro! (attilio)
H7-25 (asdf)
Passione Elettrica (massimob)
Elettroni a spasso (guidob)
Bloguerra (guerra)







