ciao a tutti,
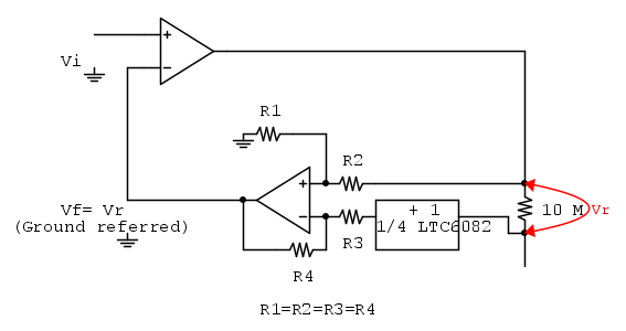
avrei due dubbi riguardanti il circuito osservabile a questo link (link rimosso) : il primo è cosa garantisce il fatto che la tensione ai capi della resistenza da 10MegOhm sia uguale alla tensione di ingresso ripartita attraverso il partitore posto all'inizio del circuito. Il secondo invece è perché la corrente massima è pari a (2.5 - Vload) diviso la resistenza.
Generatore di corrente di precisione bidirezionale (nA)
Moderatori:
carloc,
g.schgor,
BrunoValente,
IsidoroKZ
5 messaggi
• Pagina 1 di 1
0
voti
Ultima modifica di
Franco012 il 23 nov 2021, 19:21, modificato 2 volte in totale.
Motivazione: Inserita immagine come allegato. Il Regolamento non prevede d'inserire link a server esterni.
Motivazione: Inserita immagine come allegato. Il Regolamento non prevede d'inserire link a server esterni.
0
voti
frank00 ha scritto:ciao a tutti,
il primo è cosa garantisce il fatto che la tensione ai capi della resistenza da 10MegOhm sia uguale alla tensione di ingresso ripartita attraverso il partitore posto all'inizio del circuito
Vf e' la tensione - riferita a massa - uguale a quella ai capi della 10 Mohm (Vr)
frank00 ha scritto: Il secondo invece è perché la corrente massima è pari a (2.5 - Vload) diviso la resistenza
Limite dovuto dalla tensione di alimentazione?
0
voti
ok, e quindi poi vf = Vr = Vin perché a questo punto il primo operazionale diventa un buffer, giusto? E poi sì, 2.5V è l'alimentazione degli operazionali, ma mi chiedevo se ci fosse un modo per "dimostrare" che la corrente massima sia pari a (2.5-Vload)/1MOhm.
0
voti
E poi sì, 2.5V è l'alimentazione degli operazionali, ma mi chiedevo se ci fosse un modo per "dimostrare" che la corrente massima sia pari a (2.5-Vload)/1MOhm.
La domanda mi pare così elementare che forse ci prendi in giro.
La tensione di uscita dell'amplificatore in alto a sinistra al massimo è uguale alla tensione di alimentazione di 2,5 V.
La Vload è riferita a massa ed è data, la corrente non può passare nell'ingresso non invertente dell'amplificatore in basso a destra (ingresso supposto ideale);
La differenza di tensione ai capi della R 10Mohm è 2,5 - Vload
quindi per la legge di Ohm I = V/R vale I <= (2.5-Vload)/1MOhm.
0
voti
frank00 ha scritto:ok, e quindi poi vf = Vr = Vin perché a questo punto il primo operazionale diventa un buffer, giusto?
insomma...l'operazionale a buffer è quello in basso con il "+" collegato sul carico. L'altro è un differenziale che riporta la ddt sulla 10Mohm all'ingresso "-" dell'opa in alto. Questo forma una catena di retroazione negativa, per tanto l'opa in alto (ma potevano metterci dei reference 'sti trogloditi? :P) alzerà l'uscita fino a portare Vf e Vr uguali a Vin. Puoi pensarla così: Vin > Vf? l'opa alza l'uscita...che fa salire Vr e quindi Vf. Vin < Vf? l'opa abbassa l'uscita, Vr si abbassa e così fa anche Vf.
frank00 ha scritto:E poi sì, 2.5V è l'alimentazione degli operazionali, ma mi chiedevo se ci fosse un modo per "dimostrare" che la corrente massima sia pari a (2.5-Vload)/1MOhm.
la 10Mohm è in buona sostanza in
_______________________________________________________
Gli oscillatori non oscillano mai, gli amplificatori invece sempre
Io HO i poteri della supermucca, e ne vado fiero!
Gli oscillatori non oscillano mai, gli amplificatori invece sempre
Io HO i poteri della supermucca, e ne vado fiero!
5 messaggi
• Pagina 1 di 1
Chi c’è in linea
Visitano il forum: Nessuno e 49 ospiti

Elettrotecnica e non solo (admin)
Un gatto tra gli elettroni (IsidoroKZ)
Esperienza e simulazioni (g.schgor)
Moleskine di un idraulico (RenzoDF)
Il Blog di ElectroYou (webmaster)
Idee microcontrollate (TardoFreak)
PICcoli grandi PICMicro (Paolino)
Il blog elettrico di carloc (carloc)
DirtEYblooog (dirtydeeds)
Di tutto... un po' (jordan20)
AK47 (lillo)
Esperienze elettroniche (marco438)
Telecomunicazioni musicali (clavicordo)
Automazione ed Elettronica (gustavo)
Direttive per la sicurezza (ErnestoCappelletti)
EYnfo dall'Alaska (mir)
Apriamo il quadro! (attilio)
H7-25 (asdf)
Passione Elettrica (massimob)
Elettroni a spasso (guidob)
Bloguerra (guerra)






