Filtro DC montato su chassis
Moderatore:
IsidoroKZ
14 messaggi
• Pagina 1 di 2 • 1, 2
0
voti
Saluti, ho acquistato il dispositivo in foto per uso filtro DC in ambito audiofilo. L'ho montato all'interno di uno chassis sperando di farlo funzionare con connettori IEC montati sui pannelli frontali tipo DC Block della Audiolab per intenderci, purtroppo non riesco a farlo funzionare.
0
voti
https://it.aliexpress.com/item/32859514 ... 4c4dWE4zAN
Il connettore a sinistra è l'ingresso in cui va la presa di corrente, collegato all'ingresso del circuito nello chassis (input nella foto del sito). In pratica ho messo neutro a sinistra, terra al centro e fase a destra. Aspetta che posto una foto che è meglio. All'uscita del circuito ho prelevato negativo, positivo, GND e li ho collegati al connettore di sinistra.
Il connettore a sinistra è l'ingresso in cui va la presa di corrente, collegato all'ingresso del circuito nello chassis (input nella foto del sito). In pratica ho messo neutro a sinistra, terra al centro e fase a destra. Aspetta che posto una foto che è meglio. All'uscita del circuito ho prelevato negativo, positivo, GND e li ho collegati al connettore di sinistra.
Ultima modifica di
Alfio48 il 2 dic 2021, 20:45, modificato 3 volte in totale.
0
voti
Essendo la classicissima "cineseria" non mi aspetterei granchè
Con questa premessa, se ci mostri in dettaglio i collegamenti che hai fatto nel telaio, forse si riesce a risolvere (foto ben fatte e caricate sul forum)
Con questa premessa, se ci mostri in dettaglio i collegamenti che hai fatto nel telaio, forse si riesce a risolvere (foto ben fatte e caricate sul forum)
2
voti
Alfio48 ha scritto:tipo DC Block della Audiolab
alev ha scritto:Puoi mettere link al prodotto e dove l'hai comprato?
Alfio48 ha scritto:https://it.aliexpress.com/item/32859514 ... 4c4dWE4zAN
1) DC Block della Audiolab
DC Block
The DC Block has been designed to improve the quality of AC electricity that feeds our audio and AV systems
https://www.audiolab.co.uk/dc-block/
2) Quello che hai comprato
AIYIMA 120A Rectifier Filter Power Supply Board Solder Schottky 35MM Capacitance Rectification Amplifier DIY
https://www.aliexpress.com/item/3285951 ... 4c4dWE4zAN
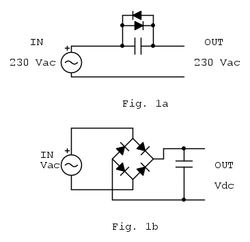
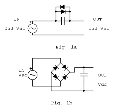
1) e' un "filtro DC" per AC - vedi Fig. 1a
2) e' un raddrizzatore + condensatore (Power supply / alimentatore) - vedi Fig.1 b
Occhio a farsi male con 230V!
-1
voti
e quindi? scommettiamo che audiolab ha lo stesso circuito all'interno, vuoi scommettere? non mi sei d'aiuto in nessun modo, assolutamente, non considero nemmeno le lezioncine sulla 230, la 230 io te la insegno.La storia sulle cineserie sono solo pregiudizievoli, il circuito è un normalissimo filtro raddrizzatore di corrente a cui vanno aggiunti i condensatori. Mi sa che è il posto sbagliato.
0
voti
Come ti ha spiegato elegantemente
elfo, il circuito che hai preso tu esce in DC, il valore di tensione sarà di circa
meno la caduta di tensione sui diodi (da qui la giusta raccomandazione sulla sicurezza), quando dici che non riesci a farlo funzionare cosa intendi? Come lo usi?
meno la caduta di tensione sui diodi (da qui la giusta raccomandazione sulla sicurezza), quando dici che non riesci a farlo funzionare cosa intendi? Come lo usi?2
voti
Alfio48 ha scritto:audiolab ha lo stesso circuito all'interno
Dal manuale Audiolab
I trasformatori CA comunemente utilizzati nelle apparecchiature audio domestiche non possono tollerare la presenza di livelli significativi di volume CCtage senza essere compromessi. Meno di 500 mV di CC, tipici di una fornitura elettrica domestica media, possono essere sufficienti a causare un trasformatore toroidale del tipo che si trova spesso in ampgli amplificatori si saturano, il che influisce negativamente sulle prestazioni sonore e può causare vibrazioni meccaniche udibili.audiolab
Bloccando o annullando DC voltage trovato all'interno dell'alimentazione di rete CA, il Blocco CC Audiolab corregge l'offset DC e riequilibra l'onda sinusoidale di rete (vedi figura sopra (sotto ndr)).
https://it.manuals.plus/audiolab/manual ... -blocco-dc
Come puoi vedere il circuito Audiolab "entra" AC ed "esce" AC come in Fig.1a del post [6]
Il tuo circuito invece entra AC e esce DC
Sul DC Block prova a leggre questo articolo di Rod Elliott
https://sound-au.com/articles/xfmr-dc.htm
0
voti
Alfio48 ha scritto:e quindi? scommettiamo che audiolab ha lo stesso circuito all'interno, vuoi scommettere? non mi sei d'aiuto in nessun modo, assolutamente, non considero nemmeno le lezioncine sulla 230, la 230 io te la insegno.La storia sulle cineserie sono solo pregiudizievoli, il circuito è un normalissimo filtro raddrizzatore di corrente a cui vanno aggiunti i condensatori. Mi sa che è il posto sbagliato.
Cineseria, lo ribadisco, perché un filtro DC (a prescindere che sia l'apparecchio adeguato nel contesto) che costa 10 euro non può fornire prestazioni a livello hi-fi, se si considera il semplice costo dei compoenti elettronici e dei materiali
elfo ha scritto:Come puoi vedere il circuito Audiolab "entra" AC ed "esce" AC come in Fig.1a del post [6]
Il tuo circuito invece entra AC e esce DC
Sul DC Block prova a leggre questo articolo di Rod Elliott
https://sound-au.com/articles/xfmr-dc.htm
Qualcuno ha perso una scommessa
14 messaggi
• Pagina 1 di 2 • 1, 2
Torna a Elettronica e spettacolo
Chi c’è in linea
Visitano il forum: Nessuno e 17 ospiti

Elettrotecnica e non solo (admin)
Un gatto tra gli elettroni (IsidoroKZ)
Esperienza e simulazioni (g.schgor)
Moleskine di un idraulico (RenzoDF)
Il Blog di ElectroYou (webmaster)
Idee microcontrollate (TardoFreak)
PICcoli grandi PICMicro (Paolino)
Il blog elettrico di carloc (carloc)
DirtEYblooog (dirtydeeds)
Di tutto... un po' (jordan20)
AK47 (lillo)
Esperienze elettroniche (marco438)
Telecomunicazioni musicali (clavicordo)
Automazione ed Elettronica (gustavo)
Direttive per la sicurezza (ErnestoCappelletti)
EYnfo dall'Alaska (mir)
Apriamo il quadro! (attilio)
H7-25 (asdf)
Passione Elettrica (massimob)
Elettroni a spasso (guidob)
Bloguerra (guerra)





