ciao a tutti.
mi scuso in anticipo per l'estrema banalità del problema che sto per descrivere:
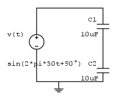
ho questo circuito:
qual è il problema? quando riporto questo con Ltspice IV ponendo un generatore di tensione indipendente con l'istruzione SINE(0 1 50 0 0 90) la tensione su C2 ha questo andamento:
(ultima immagine qui sotto)
come si vede la tensione su C2 oscilla tra 0 e -1(mentre su C1 la tensione che non visualizzo oscilla tra 0 e +1 entrambe le tensioni in fase)
Domanda : non dovrei avere (su C2 e su C1) due tensioni in fase tra loro oscillanti ciascuna tra -500 mV e + 500mV?
Per curiosità ho tolto lo sfasamento di 90° nell'istruzione del generatore di tensione -istruzioneSINE(0 1 50 0 0) -ottenendo per cui un andamento di seno e con tensione su C2: : prima immagine qui sotto
come vedete la tensione oscilla tra -500mV e +500mV.
MI potreste aiutare a capire ? grazie mille
semplicissimo circuito con LTSpice
Moderatori:
g.schgor,
IsidoroKZ
3 messaggi
• Pagina 1 di 1
0
voti
il problema lo vedi nel file di log che riporto sotto, vedi la scritta WARNING : Node N002 is floating.
Se ai capi di ogni condensatore applichi un resistore ad esempio da 1T ( che non modifica il circuito) il nodo N002 ( nel tuo caso A) non è più floating
Circuit: * C:\Users\stefano\Lavori\0_ltc\electroyou\quesito_01.asc
WARNING: Node N002 is floating.
Direct Newton iteration for .op point succeeded.
Date: Thu Dec 23 19:16:10 2021
Total elapsed time: 0.076 seconds.
tnom = 27
temp = 27
method = Gear
totiter = 1037
traniter = 1034
tranpoints = 518
accept = 518
rejected = 0
matrix size = 3
fillins = 0
solver = Normal
Matrix Compiler1: 86 bytes object code size 1.0/1.2/[1.0]
Matrix Compiler2: 163 bytes object code size 1.0/1.2/[1.0]
Se ai capi di ogni condensatore applichi un resistore ad esempio da 1T ( che non modifica il circuito) il nodo N002 ( nel tuo caso A) non è più floating
Circuit: * C:\Users\stefano\Lavori\0_ltc\electroyou\quesito_01.asc
WARNING: Node N002 is floating.
Direct Newton iteration for .op point succeeded.
Date: Thu Dec 23 19:16:10 2021
Total elapsed time: 0.076 seconds.
tnom = 27
temp = 27
method = Gear
totiter = 1037
traniter = 1034
tranpoints = 518
accept = 518
rejected = 0
matrix size = 3
fillins = 0
solver = Normal
Matrix Compiler1: 86 bytes object code size 1.0/1.2/[1.0]
Matrix Compiler2: 163 bytes object code size 1.0/1.2/[1.0]
-

stefanodelfiore
1.673 3 8 - Master

- Messaggi: 569
- Iscritto il: 28 mar 2009, 20:15
- Località: Bologna
0
voti
ok, chiarito il mio dubbio : nelle caratteristiche avanzate di ciascun condensatore ho messo resistenza in parallelo di 1T. perfetto!!!!
grazie mille stefanodelfiore.
Marco
p.s. Buon Natale.
grazie mille stefanodelfiore.
Marco
p.s. Buon Natale.
-

MARCODALUCCA
40 5 - Frequentatore

- Messaggi: 118
- Iscritto il: 19 feb 2011, 13:24
3 messaggi
• Pagina 1 di 1
Torna a Elettrotecnica generale
Chi c’è in linea
Visitano il forum: Nessuno e 56 ospiti

Elettrotecnica e non solo (admin)
Un gatto tra gli elettroni (IsidoroKZ)
Esperienza e simulazioni (g.schgor)
Moleskine di un idraulico (RenzoDF)
Il Blog di ElectroYou (webmaster)
Idee microcontrollate (TardoFreak)
PICcoli grandi PICMicro (Paolino)
Il blog elettrico di carloc (carloc)
DirtEYblooog (dirtydeeds)
Di tutto... un po' (jordan20)
AK47 (lillo)
Esperienze elettroniche (marco438)
Telecomunicazioni musicali (clavicordo)
Automazione ed Elettronica (gustavo)
Direttive per la sicurezza (ErnestoCappelletti)
EYnfo dall'Alaska (mir)
Apriamo il quadro! (attilio)
H7-25 (asdf)
Passione Elettrica (massimob)
Elettroni a spasso (guidob)
Bloguerra (guerra)