Un doverosissimo grazie a
PietroBaima e
MarcoD
PietroBaima ha scritto:Consiglio la lettura di
questo interessante articolo.
Letto e apprezzato.
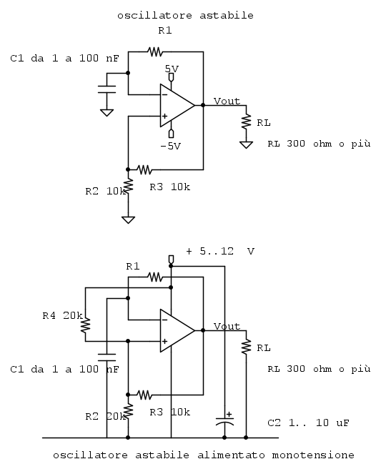
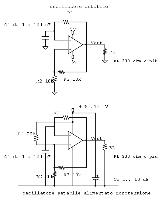
Veniamo ai circuiti proposti da Marco: premetto che non ero ancora arrivato agli oscillatori (stavo ancora studiando derivatore e integratore) ma ancora ti ringrazio moltissimo perché in teoria il programma del professore non li comprendeva, quindi me li sarei "persi". Per il momento ho analizzato solo il primo (con alimentazione duale) ed è stato veramente super interessante, e devo dire che ci ho messo un po' a capirne il funzionamento. Questo è quello che ho capito:
______________________________________________________________________________________________
Principio di funzionamentoIn pratica l'opamp è utilizzato come un comparatore la cui tensione di riferimento

viene settata mediante un partitore resistivo riferito alla tensione di uscita. Quando la carica / scarica del condensatore supera la tensione di riferimento, il comparatore cambia stato in uscita, ottenendo di fatto un onda quadra.
In questo caso mi sembra che il carico in uscita non cambi nulla, dato che ai suoi capi ritroviamo la tensione

e lui non fa altro che assorbire corrente aggiuntiva dall'uscita dell'operazionale, quindi per analizzare il circuito è indifferente rimuoverla (a meno del calcolo di

)
______________________________________________________________________________________________
______________________________________________________________________________________________
Determinazione della tensione ai capi del condensatore in funzione del tempoMi sembra interessante ricavare la formula per calcolare i tempi di accensione e spegnimento, quindi risolvo per la tensione

; le equazioni di interesse sono:



da cui, detta

:
Risolvo l'equazione differenziale e trovo che:

(la costante di integrazione indica in questo caso la condizione iniziale di

)
______________________________________________________________________________________________
Condizioni di funzionamentoMi sembrava a questo punto sensato analizzare il circuito considerando

il momento in cui veniva "switchata" l'uscita del comparatore, e mi sono trovato in tre condizioni differenti:
-----------------------------------------------------------------------------------------------------------
### Condizione 1 ###: accensione del dispositivo a condensatore scarico
Chiamiamo

e

le due possibili condizioni che può assumere

in uscita dal comparatore, che come mi avete spiegato nei post precedenti non è detto che coincidano con le tensioni di alimentazione (a seconda dello stadio finale interno dell'opamp utilizzato). Nonostante ciò, essendo ad alimentazione duale vale sicuramente che

e

All'accensione del circuito supponiamo che il condensatore sia scarico, quindi l'ingresso invertente dell'opamp si trova a GND, e di fatto porta la tensione a

, quindi (tralasciando quanto è appena avvenuto in un istante infinitesimo di tempo), troviamo che:

, dove

; possiamo quindi riscrivere la

come segue:

Questo è vero finché

perché dopo il comparatore cambia stato di uscita, causando un comportamento diverso del condensatore.
Diamo per semplicità dei nomi ai valori del partitore resistivo che genera la

:

,

;
sostituendo le espressioni nell'equazione precedente ricaviamo che:

da cui, risolvendo per il tempo

otteniamo
il tempo a cui l'uscita a rimane a
durante il primo ciclo: 
-----------------------------------------------------------------------------------------------------------
### Condizione 2 ###: condensatore a

precedente e

Ora siamo entrati nel "loop" di funzionamento vero e proprio, dato che si può arrivare a questa condizione sia dalla condizione 1 che dalla condizione 3. All'istante

("resettiamo" il riferimento del tempo) il condensatore si trova alla "vecchia"

, che nel mentre è cambiata dato che è cambiata

; quindi:

:

Quindi:

Applichiamo lo stesso ragionamento di prima, considerando che questa espressione di

è valida solo finche

; quindi:

Riarrangiando un po la formula e risolvendo per il tempo troviamo quindi il
tempo per il quale l'uscita rimane a 
:

(mi sembrava la forma migliore in cui riarrangiarla, non vedo semplificazione possibili)
-----------------------------------------------------------------------------------------------------------
### Condizione 3 ###: condensatore a

precedente e

Quest'ultima condizione di funzionamento è identica alla condizione 2 ma con

e

scambiati, quindi:


______________________________________________________________________________________________
ConclusioniSe le tensioni in uscita dal comparatore sono perfettamente simmetriche, il duty cycle è esattamente al 50% dato che le due formule del tempo "degenerano" in

; altrimenti il duty cycle è funzione del rapporto tra le due tensioni. Ho cercato di ricavarne una forma in cui si vedesse bene la dipendenza dal rapporto tra le tensioni, ma viene veramente un casino di rapporto tra logaritmi che non riesco a districare in modo semplice, quindi molto meglio limitarsi a calcolare il duty con i due tempi in formato numerico:

Spero di non aver detto delle stupidaggini, e scusate la prolissità. Ora analizzo anche quello ad alimentazione singola, ma a primo impatto credo che non ci sia grandissima differenza.