Il circuito che hai già contiene già il 555, il gruppo RC per effettuare il ritardo, il relè, il diodo di ricircolo e il transistor.
Ti basta modificarlo per farlo diventare come quello che ho postato io.
Ritardare apertura relè a 12v
Moderatori:
carloc,
g.schgor,
BrunoValente,
IsidoroKZ
24 messaggi
• Pagina 2 di 3 • 1, 2, 3
0
voti
-

PietroBaima
90,7k 7 12 13 - G.Master EY

- Messaggi: 12206
- Iscritto il: 12 ago 2012, 1:20
- Località: Londra
0
voti
Aggiungo una risposta perché contattato via MP dallo OP.
@maxs84, il buon @PietroBaima ti ha già fornito le informazioni utili, devi solo applicarti un pochino, il minimo sindacale.
Se non vuoi alterare la schedina a tua disposizione, o magari non riusciresti a modificarla perché in SMD, ti procuri i componenti e realizzi il circuitino su una millefori.
Saluti
@maxs84, il buon @PietroBaima ti ha già fornito le informazioni utili, devi solo applicarti un pochino, il minimo sindacale.
Se non vuoi alterare la schedina a tua disposizione, o magari non riusciresti a modificarla perché in SMD, ti procuri i componenti e realizzi il circuitino su una millefori.
Saluti
W - U.H.F.
-

WALTERmwp
30,2k 4 8 13 - G.Master EY

- Messaggi: 8986
- Iscritto il: 17 lug 2010, 18:42
- Località: le 4 del mattino
0
voti
Ringrazio tutti...
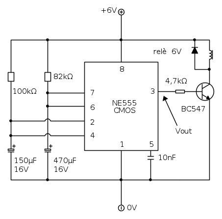
come da voi specificato, il circuito che ho, ha giàun ne555 e un transistor npn (j3) come lo schema suggerito.
Ho verificato "a vista" e il collettore del j3 è proprio collegata alla bobbina del relè come nello schema proposto da @PietroBaima:
Potete indicarmi dove dovrei intervenire per ottenere anche un ritardo quando l'alimentazione va via?
Grazie.
come da voi specificato, il circuito che ho, ha giàun ne555 e un transistor npn (j3) come lo schema suggerito.
Ho verificato "a vista" e il collettore del j3 è proprio collegata alla bobbina del relè come nello schema proposto da @PietroBaima:
Potete indicarmi dove dovrei intervenire per ottenere anche un ritardo quando l'alimentazione va via?
Grazie.
0
voti
Per il ritardo al rilascio, modificherei il circuito come segue:
Il circuito risulta sempre alimentato, ma dovrebbe assorbire pochi mA.
Questo è lo schema della versione rudimentale:
Almeno dal punto di vista didattico è interessante esaminarlo:
Il ritardo in chiusura è proporzionale al prodotto della capacità per il parallelo della Rserie con la resistenza della bobina.
Per mettere un condensatore di capacità minore possibile, vorrei aumentare il più possibile la Rs, ma più la aumento più la tensione finale si riduce, il relè potrebbe non più attrarsi quando la tensione di alimentazione risulta bassa rispetto ai 12 V nominali.
Il compromesso migliore si potrebbe avere quando la Rs è uguale ai 2/3 della resistenza della bobina, in queste condizioni la tensione alla bobina è il 60% di quella di alimentazione.
In ogni modo la tensione della bobina non raggiugerà mai la tensione di alimentazione a causa del resistore Rs, il relè potrebbe non avere la forza attrattiva per chiudere bene i contatti e fare circolare la corrente nominale.

Il circuito risulta sempre alimentato, ma dovrebbe assorbire pochi mA.
Questo è lo schema della versione rudimentale:
Almeno dal punto di vista didattico è interessante esaminarlo:
Il ritardo in chiusura è proporzionale al prodotto della capacità per il parallelo della Rserie con la resistenza della bobina.
Per mettere un condensatore di capacità minore possibile, vorrei aumentare il più possibile la Rs, ma più la aumento più la tensione finale si riduce, il relè potrebbe non più attrarsi quando la tensione di alimentazione risulta bassa rispetto ai 12 V nominali.
Il compromesso migliore si potrebbe avere quando la Rs è uguale ai 2/3 della resistenza della bobina, in queste condizioni la tensione alla bobina è il 60% di quella di alimentazione.
In ogni modo la tensione della bobina non raggiugerà mai la tensione di alimentazione a causa del resistore Rs, il relè potrebbe non avere la forza attrattiva per chiudere bene i contatti e fare circolare la corrente nominale.

1
voti
Potresti usare un rele' con bobina da 5V o 6V e dimensionare la resistenza in proporzione 
No, non e' proprio il caso, pensa a come sono costruiti meccanicamente i rele' e ti rendi conto che non e' cosi ... una volta che l'ancorina e' stata attratta dal nucleo, avvicinandosi allo stesso la forza attrattiva aumenta secondo il quadrato della distanza, quindi una volta a contatto il metallo, la forza e' molto maggiore di quella che inizialmente aveva fatto muovere l'ancorina, quindi i contatti non rischiano ne di riaprirsi, ne tantomeno di non essere premuti insieme con forza sufficente (anche perche' una volta che ancorina e nucleo sono a contatto, la forza che preme insieme i contatti e' data dalla geometria del gruppo meccanico e dall'elasticita' del metallo dei contatti, non dall'intensita' del campo magnetico, ed e' identica sia che la bobina sia pienamente alimentata, sia che l'intensita' del campo sia appena sufficente a tenere chiuso il gruppo)
il relè potrebbe non avere la forza attrattiva per chiudere bene i contatti e fare circolare la corrente nominale.
No, non e' proprio il caso, pensa a come sono costruiti meccanicamente i rele' e ti rendi conto che non e' cosi ... una volta che l'ancorina e' stata attratta dal nucleo, avvicinandosi allo stesso la forza attrattiva aumenta secondo il quadrato della distanza, quindi una volta a contatto il metallo, la forza e' molto maggiore di quella che inizialmente aveva fatto muovere l'ancorina, quindi i contatti non rischiano ne di riaprirsi, ne tantomeno di non essere premuti insieme con forza sufficente (anche perche' una volta che ancorina e nucleo sono a contatto, la forza che preme insieme i contatti e' data dalla geometria del gruppo meccanico e dall'elasticita' del metallo dei contatti, non dall'intensita' del campo magnetico, ed e' identica sia che la bobina sia pienamente alimentata, sia che l'intensita' del campo sia appena sufficente a tenere chiuso il gruppo)
"Sopravvivere" e' attualmente l'unico lusso che la maggior parte dei Cittadini italiani,
sia pure a costo di enormi sacrifici, riesce ancora a permettersi.
sia pure a costo di enormi sacrifici, riesce ancora a permettersi.
-

Etemenanki
9.507 3 6 10 - Master

- Messaggi: 5940
- Iscritto il: 2 apr 2021, 23:42
- Località: Dalle parti di un grande lago ... :)
0
voti
MarcoD ha scritto:Questo è lo schema della versione rudimentale (...)
Ho appena fatto questo test:
R bobbina 400 ohm
R in serie 100 ohm
C 1000uf
già così il relè scatta in maniera più timida rispetto a prima (a riprova che la caduta di tensione è a limite)
come ritardo siamo a soli mezzo secondo circa...
quindi doverei mettere una C di circa 4000uf
Ultima modifica di
WALTERmwp il 13 gen 2022, 0:52, modificato 1 volta in totale.
Motivazione: Ridotta citazione, l'integrità non è necessaria
Motivazione: Ridotta citazione, l'integrità non è necessaria
0
voti
MarcoD ha scritto:Per il ritardo al rilascio, modificherei il circuito come segue (...)
Per fare questa modifica sulla mia PCB SMD dovrei lavorare sui pin dell'ne 555.... troppo complicato...
farei prima a riprogettare tutto da capo o a comprare un relè temporizzato sia in eccitazione che a riposo.
Ultima modifica di
WALTERmwp il 13 gen 2022, 0:53, modificato 1 volta in totale.
Motivazione: Ridotta citazione, l'integrità non è necessaria
Motivazione: Ridotta citazione, l'integrità non è necessaria
0
voti
Salve a tutti,
ho un segnale a 12v che vorrei posticipare di qualche secondo ovvero vorrei che questo ecciti un relè qualche secondo dopo che il segnale sia attivo e lasci il relè eccitato per qualche secondo dopo che il segnale stesso venga tolto.
A questo quesito avevo già risposto nel 02/01/2016
Ritardare eccitazione di un relè
da abusivo » 02/01/2016
Buonasera e buon anno a tutto del forum.
Mi trovo a dover ritardare l'eccitazione di un normalissimo relè a 12 V con un tempo compreso tra 0,1 e 0,5 secondi.
assolutamente non critico.
Ritardare eccitazione di un relè
da Stefano Sunda » 03/01/2016, 19:39
L’eccitazione della bobina di un contattore può essere convenientemente ritardata inserendo, in serie al circuito di comando, una resistenza NTC. Quando il tempo occorrente per il raffreddamento della resistenza è inferiore a tre minuti, si deve prevedere sul contattore un contatto ausiliario di chiusura che, a eccitazione avvenuta, ne realizzi il corto circuito, come disegno.
-

StefanoSunda
2.880 3 6 10 - Master

- Messaggi: 1962
- Iscritto il: 16 set 2010, 19:29
0
voti
Sì, ma l’OP vuole anche lo stesso ritardo in apertura.
-

PietroBaima
90,7k 7 12 13 - G.Master EY

- Messaggi: 12206
- Iscritto il: 12 ago 2012, 1:20
- Località: Londra
0
voti
StefanoSunda ha scritto:Salve a tutti,
ho un segnale a 12v che vorrei posticipare di qualche secondo ovvero vorrei che questo ecciti un relè qualche secondo dopo che il segnale sia attivo e lasci il relè eccitato per qualche secondo dopo che il segnale stesso venga tolto.
A questo quesito avevo già risposto nel 02/01/2016 (...)
Non capisco come una NTC possa farmi eccitare un relè in ritardo e, ad alimenazione tolta, farmelo rimanere eccitato per un intervallo di tempo dt.
Ultima modifica di
WALTERmwp il 13 gen 2022, 0:54, modificato 1 volta in totale.
Motivazione: Ridotta citazione, l'integrità non è necessaria
Motivazione: Ridotta citazione, l'integrità non è necessaria
24 messaggi
• Pagina 2 di 3 • 1, 2, 3
Chi c’è in linea
Visitano il forum: Nessuno e 47 ospiti

Elettrotecnica e non solo (admin)
Un gatto tra gli elettroni (IsidoroKZ)
Esperienza e simulazioni (g.schgor)
Moleskine di un idraulico (RenzoDF)
Il Blog di ElectroYou (webmaster)
Idee microcontrollate (TardoFreak)
PICcoli grandi PICMicro (Paolino)
Il blog elettrico di carloc (carloc)
DirtEYblooog (dirtydeeds)
Di tutto... un po' (jordan20)
AK47 (lillo)
Esperienze elettroniche (marco438)
Telecomunicazioni musicali (clavicordo)
Automazione ed Elettronica (gustavo)
Direttive per la sicurezza (ErnestoCappelletti)
EYnfo dall'Alaska (mir)
Apriamo il quadro! (attilio)
H7-25 (asdf)
Passione Elettrica (massimob)
Elettroni a spasso (guidob)
Bloguerra (guerra)
pigreco]=π




