Cos'è ElectroYou | Login Iscriviti

ElectroYou - la comunità dei professionisti del mondo elettrico

Ritardare segnale in uscita

Elettronica lineare e digitale: didattica ed applicazioni

Moderatori: Foto Utentecarloc, Foto Utenteg.schgor, Foto UtenteBrunoValente, Foto UtenteIsidoroKZ

1
voti

[61] Re: Ritardare segnale in uscita

Messaggioda Foto UtenteMarcoD » 19 gen 2022, 9:58

Foto Utentestefanopc ha ragione, poi il 555 ha solo 8 piedini invece che 14.

In conclusione può venire fatto in vari modi:
-grosso elettrolitico + R e relè
-555 e relè
-hex trigger con transistor NPN + relè
-hex trigger con transistor PNP + relè
-hex trigger + relè, funzionamento al limite o non certo
volendo lm358 trigger a operazionale + transistor +relè
Tutti con ritardi fissi o regolabili.

Il limite del forum è che qui esponiamo solo considerazioni e suggerimenti, non progettiamo completamente un circuito, anche in quanto non riceviamo dei requisiti completi sul funzionamento e realizzazione e disponibilità dei componenti. O_/
Avatar utente
Foto UtenteMarcoD
12,2k 5 9 13
Master EY
Master EY
 
Messaggi: 6696
Iscritto il: 9 lug 2015, 16:58
Località: Torino

0
voti

[62] Re: Ritardare segnale in uscita

Messaggioda Foto UtenteBrunoValente » 19 gen 2022, 10:14

Mamma mia che gran pippone!!



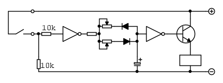
Senza transistor e con le porte in parallelo potrebbe funzionare ma si utilizza l'integrato fuori dalle specifiche di massima corrente in uscita.

Collega il transistor ad inseguitore come l'ho disegnato sopra, risparmi un diodo e un resistore e vivi felice
Avatar utente
Foto UtenteBrunoValente
39,6k 7 11 13
G.Master EY
G.Master EY
 
Messaggi: 7796
Iscritto il: 8 mag 2007, 14:48

0
voti

[63] Re: Ritardare segnale in uscita

Messaggioda Foto Utentemaxs84 » 19 gen 2022, 10:16

stefanopc ha scritto:Il ragionamento non è corretto.
La corrente massima di " uscita "di un integrato è sia in ingresso (livello Basso) che in uscita (livello Alto) .
C'è comunque un transistor all'interno che comanda il relè.
Non importa se l'altro capo della bobina è al positivo o al negativo.


Non volendo utilizzare transistor perché non usare il magnifico 555.
Almeno da oltre 50 mA in uscita senza fare accrocchi di porte logiche in parallelo .
È un timer fatto apposta per questo genere di applicazioni.
Il relè che vorresti utilizzare di che corrente ha bisogno?
Bisogna prima di tutto sapere questo dato fondamentale .
Inoltre non ho capito il segnale di ingresso da dove arriva esattamente.


Ciao


Certo l'ne555 è nato per questo tipo di applicazioni infatti se vedi il primo post avevo acquistato dei relè temporizzati che basano il loro funzionamento proprio su questo chip e inizialmente avevo aperto un altro thread dove volevo modificare il relè, già ritardato in accensione, in modo da ritardarne anche lo spegnimento ma non ho ottenuto un buon risultato.

Il relè lo potrei dissandare dalla scheda temporizzata e quindi utilizzerei un JQC3F:
Cattura.PNG


oppure comprarne uno adatto allo scopo.
La mia esigenza è di usare il contatto NC a riposo per tenere a massa un pin di una centralina e di lasciare "in aria" lo stesso pin una volta che arriva l'alimentazione.
Avatar utente
Foto Utentemaxs84
0 3
 
Messaggi: 48
Iscritto il: 30 giu 2020, 13:32

0
voti

[64] Re: Ritardare segnale in uscita

Messaggioda Foto Utentemaxs84 » 19 gen 2022, 10:20

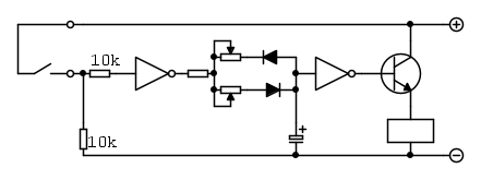
BrunoValente ha scritto:Mamma mia che gran pippone!!



Senza transistor e con le porte in parallelo potrebbe funzionare ma si utilizza l'integrato fuori dalle specifiche di massima corrente in uscita.

Collega il transistor ad inseguitore come l'ho disegnato sopra, risparmi un diodo e un resistore e vivi felice

:-o :ok:
Avatar utente
Foto Utentemaxs84
0 3
 
Messaggi: 48
Iscritto il: 30 giu 2020, 13:32

0
voti

[65] Re: Ritardare segnale in uscita

Messaggioda Foto Utentestefanopc » 19 gen 2022, 10:24

Se riesci a disegnare lo schema del circuito col timer col 555 (che già possiedi) si può provare a capire come modificarlo per lo scopo.
Probabilmente la modifica non è eccessivamente complicata se i due tempi sono identici.
Vedi tu.
Come te la cavi a saldare?

Ciao
600 Elettra
Avatar utente
Foto Utentestefanopc
13,3k 5 9 13
Master EY
Master EY
 
Messaggi: 5567
Iscritto il: 4 ago 2020, 9:11

0
voti

[66] Re: Ritardare segnale in uscita

Messaggioda Foto Utentemaxs84 » 19 gen 2022, 10:28

stefanopc ha scritto:Se riesci a disegnare lo schema del circuito col timer col 555 si può provare a capire come modificarlo per lo scopo.
Probabilmente la modifica non è eccessivamente complicata.


Vedi tu.
Ciao

Purtroppo non ho lo schema del mio temporizzatore e inoltre essendo realizzato con componenti SMD è difficile ricavare lo stesso partendo dalla PCB.

Farei prima a realizzarne uno ex novo con trimmer di regolazione sia in chiusura che in apertura del relè.
Avatar utente
Foto Utentemaxs84
0 3
 
Messaggi: 48
Iscritto il: 30 giu 2020, 13:32

0
voti

[67] Re: Ritardare segnale in uscita

Messaggioda Foto Utentemaxs84 » 19 gen 2022, 10:37

MarcoD ha scritto:Foto Utentestefanopc ha ragione, poi il 555 ha solo 8 piedini invece che 14.

In conclusione può venire fatto in vari modi:
-grosso elettrolitico + R e relè
-555 e relè
-hex trigger con transistor NPN + relè
-hex trigger con transistor PNP + relè
-hex trigger + relè, funzionamento al limite o non certo
volendo lm358 trigger a operazionale + transistor +relè
Tutti con ritardi fissi o regolabili.

Il limite del forum è che qui esponiamo solo considerazioni e suggerimenti, non progettiamo completamente un circuito, anche in quanto non riceviamo dei requisiti completi sul funzionamento e realizzazione e disponibilità dei componenti. O_/

I requisiti mi pare di averli dati...
ho l'esigenza di eccitare e diseccitare un relè con un intervall di tempo 1-5s in ritardo rispetto al segnale di trigger.
La tensione di alimentazione e di trigger sono quelle della batteria della macchina (la prima sempre presente, la seconda si attiva e si disattiva in determinate situazioni) mentre il relè come tutto il resto dei componenti li devo comprare quindi non ho vincoli.
Avatar utente
Foto Utentemaxs84
0 3
 
Messaggi: 48
Iscritto il: 30 giu 2020, 13:32

0
voti

[68] Re: Ritardare segnale in uscita

Messaggioda Foto Utenteg.schgor » 19 gen 2022, 11:53

Cosa deve comandare questo rele ritardato?
Occorre stabilire per che corrente devono essere i contatti.
Avatar utente
Foto Utenteg.schgor
57,8k 9 12 13
G.Master EY
G.Master EY
 
Messaggi: 16971
Iscritto il: 25 ott 2005, 9:58
Località: MILANO

0
voti

[69] Re: Ritardare segnale in uscita

Messaggioda Foto Utentemaxs84 » 19 gen 2022, 12:23

Nulla... deve tenere a massa il pin di una centralina quando manca l'alimentazione e lasciare "in aria" lo stesso pin quando l'alimentazione fa eccitare il relè.
Avatar utente
Foto Utentemaxs84
0 3
 
Messaggi: 48
Iscritto il: 30 giu 2020, 13:32

0
voti

[70] Re: Ritardare segnale in uscita

Messaggioda Foto UtenteEtemenanki » 19 gen 2022, 15:23

MarcoD ha scritto:... ha solo 8 piedini invece che 14...


Be', volendo esagerare a tutti i costi, l'hanno prodotto anche in DSBGA, un po meno di 1.5x1.5mm :twisted:
"Sopravvivere" e' attualmente l'unico lusso che la maggior parte dei Cittadini italiani,
sia pure a costo di enormi sacrifici, riesce ancora a permettersi.
Avatar utente
Foto UtenteEtemenanki
9.517 3 6 10
Master
Master
 
Messaggi: 5940
Iscritto il: 2 apr 2021, 23:42
Località: Dalle parti di un grande lago ... :)

PrecedenteProssimo

Torna a Elettronica generale

Chi c’è in linea

Visitano il forum: Nessuno e 186 ospiti