discussione "quando usare i microcontrollori"
Moderatori:
carloc,
g.schgor,
BrunoValente,
IsidoroKZ
39 messaggi
• Pagina 3 di 4 • 1, 2, 3, 4
0
voti
dadduni ha scritto:.... Eppure noi tutti scriviamo su Word...
Che roba e' "Word" ? ...
La maggior parte dei miei vecchi schemi sono ancora nel formato di CAD "carta&matita", comunque la prova che la tecnologia "moderna" non e' poi questo gran vantaggio e' che ancora non ho trovato uno straccio di convertitore in grado di convertirli in formato digitale in modo automatico, se voglio pubblicarne uno mi tocca comunque aprire Eagle e ridisegnarmelo a mano
"Sopravvivere" e' attualmente l'unico lusso che la maggior parte dei Cittadini italiani,
sia pure a costo di enormi sacrifici, riesce ancora a permettersi.
sia pure a costo di enormi sacrifici, riesce ancora a permettersi.
-

Etemenanki
9.517 3 6 10 - Master

- Messaggi: 5940
- Iscritto il: 2 apr 2021, 23:42
- Località: Dalle parti di un grande lago ... :)
0
voti
djnz ha scritto:I circuiti logici di comando a relé sono analogici o digitali?
suppongo siano a relè.
magari ho generalizzato troppo? Forse si, mi sono spiegato male.BrunoValente ha scritto::lol:![]()
evidentemente tutto quello che non è microcontrollore viene considerato analogico
anche io ne ho una quantità fatti a matita, poi ricordo gli stamppati che feci con inchiostro indelebile, dato giu con la siringa, certo che quando l'inchiostro era asciutto, le piste venivano perfette, in qualunque condizione. Non so se dire bei tempi oppure brutti.Etemenanki ha scritto:La maggior parte dei miei vecchi schemi sono ancora nel formato di CAD "carta&matita"
saluti.
-

lelerelele
4.899 3 7 9 - Master

- Messaggi: 5505
- Iscritto il: 8 giu 2011, 8:57
- Località: Reggio Emilia
0
voti
Forse sarebbe più semplice rispondere alla domanda: "quando NON usare i microcontrollori".
Dimenticando l'idea ormai arcaica del: "è uno spreco di risorse", "è come sparare a una mosca col cannone" ecc, e considerando esclusivamente aspetti prettamente pratici come:
- tempi di progetto/test
- costi
- ingombri
- temporizzazioni da rispettare
- consumi
- immunità ai disturbi / affidabilità
- durata nel tempo
- conoscenze/fatica personali
- possibilità di doverci rimettere le mani / modificare / riparare
- dipendenza da sistemi di sviluppo / sistemi operativi
Dimenticando l'idea ormai arcaica del: "è uno spreco di risorse", "è come sparare a una mosca col cannone" ecc, e considerando esclusivamente aspetti prettamente pratici come:
- tempi di progetto/test
- costi
- ingombri
- temporizzazioni da rispettare
- consumi
- immunità ai disturbi / affidabilità
- durata nel tempo
- conoscenze/fatica personali
- possibilità di doverci rimettere le mani / modificare / riparare
- dipendenza da sistemi di sviluppo / sistemi operativi
Una domanda ben posta è già mezza risposta.
1
voti
dadduni ha scritto:Dall'ultimo messaggio distefanopc mi sembra che ci sia una venerazione del vecchio in confronto al nuovo. E da una parte chiaramente lo capisco perché ognuno di noi tende sempre ad usare le soluzioni che conosce meglio e con le quali si sente più a suo agio: chi conosce l'analogica penserà sempre ad un filtro analogico, chi conosce il digitale penserà sempre ad un filtro numerico.
Prima di tutto a parte i problemi anagrafici che sono non sempre rilevanti conta il fatto che ci sono svariate categorie di appassionati di elettronica con diverse esperienze in diversi campi.
Soprattutto c'è chi lo fa di mestiere e chi lo fa a tempo perso.
È ovvio che un appassionato non può permettersi il lusso di essere un purista ma sceglierà dei compromessi in base alla sue disponibilità di tempo e di risorse.
Per quanto riguarda la venerazione del vecchio rispetto al nuovo era in risposta alla teoria consumistica secondo cui arduino e tutti i micro sarebbero l'incarnazione del demonio cinese .
Gli smartphone ad esempio gli IPhone quelli invece dove sono prodotti in California?
È un lungo discorso in cui è meglio non addentrarsi.
Riutilizzare componenti è una cosa che faccio da sempre e con i micro è ancora più conveniente e facile.
Alimentatori e relè o altre periferiche di potenza anche di recupero tornano sempre utili.
Comunque in generale non ho preclusioni mentali.
Se la scelta ( ben ponderata) del progetto timer è con
un 555, un ATtiny, un 12f629, un Arduino o un Ujt 2n2646 a me cambia poco.
È sempre elettronica e suscita la mia curiosità.
Ciao
600 Elettra
0
voti
Mi intrometto nella discussione per mostrarvi un caso dove si usa
veramente un cannone per uccidere una mosca:
Arduino portenta : H7's main processor is the dual-core STM32H747 including a Cortex® M7 running at 480 MHz and a Cortex® M4 running at 240 MHz.
Un mostro del genere per pilotare un motore DC!!
https://blog.arduino.cc/2022/01/19/diy- ... v78Jh9Iuy0
"....an excellent example of how the Arduino board could be implemented in industrial applications."
Non riesco a smettere di rimanere basito leggendo certe affermazioni
veramente un cannone per uccidere una mosca:
Arduino portenta : H7's main processor is the dual-core STM32H747 including a Cortex® M7 running at 480 MHz and a Cortex® M4 running at 240 MHz.
Un mostro del genere per pilotare un motore DC!!
https://blog.arduino.cc/2022/01/19/diy- ... v78Jh9Iuy0
"....an excellent example of how the Arduino board could be implemented in industrial applications."
Non riesco a smettere di rimanere basito leggendo certe affermazioni

3
voti
Torno un attimo al tema iniziale.
maxs84 ha bisogno di un timer, questa è la sua richiesta
Dopo varie discussioni interviene
dadduni a consigliare di farlo con arduino
Anche qui si tira in ballo impropriamente l'analogica, la paccottaglia... chissà dov'è l'analogica e chissà perché paccottaglia... ma non mi interessa, ognuno è libero di chiamare le cose come vuole e di coltivare pregiudizi.
maxs84 ha bisogno di installare il timer nella sua auto per inviare un segnale ritardato, tramite contatto pulito, ad una centralina non meglio identificata ma non ha importanza.
Il segnale di ingresso al timer arriva da un contatto meccanico che si chiude sul positivo dell'impianto elettrico 12V che nell'auto, come è noto, potrebbe essere sporcato da disturbi sotto forma di picchi pericolosi di sovratensione.
In pratica quello che servirebbe a
maxs84 è un circuito strutturato così
Vorrei chiedere a
dadduni se gentilmente volesse farci vedere con uno schema completo come farebbe ad utilizzare arduino nano per realizzare il timer che serve a maxs84 interfacciandolo correttamente con il contatto di ingresso, con la tensione di alimentazione e con il contatto pulito di uscita.
maxs84 ha scritto:Salve, apro questo nuovo thread poiché una cosa apparentemente banale mi ha messo in difficoltà.
Per farla breve, ho un segnale +12v che si attiva in un determinato momento e rimante nello stato "alro" per una durata x; io ho bisogno che:
-> all'attivazione di questo segnale un relè commuti dallo stato OFF allo stato ON dopo un lasso di tempo dt1;
-> alla disattizione del segnale lo stesso relè toni allo stato OFF con un ritardo di tempo dt2.
Volendo, va bene che dt1=dt2=2 secondi.
Ho già fatto dei test con un relè temporizzato semplice ma non ho ottenuto un risultato accettabile.
Inoltre, nemmeno una delle 18 funzioni di un relè temporizzato di tipo FRM01 sembra fare al caso mio
inoltre nonostante dal datasheet il trigger dovrebbe attivarsi con un segnale ad alto livello l'esemplare di relè in mio possesso funziona mettendo a massa il trigger quindi avrei un ulteriore problema.
Qualcuno può suggerirmi un circuito adatto al mio scopo?
Grazie.
Dopo varie discussioni interviene
dadduni ha scritto:Secondo me se compri un Arduino Nano o un qualsiasi altro microprocessore da 50centesimi spendi 1/5 di quanto spenderesti a saldare e provare tutta la paccottiglia analogica e se mai volessi cambiare il tempo basterà cambiare un numero al PC senza mai più mettere mano al saldatore
Anche qui si tira in ballo impropriamente l'analogica, la paccottaglia... chissà dov'è l'analogica e chissà perché paccottaglia... ma non mi interessa, ognuno è libero di chiamare le cose come vuole e di coltivare pregiudizi.
Il segnale di ingresso al timer arriva da un contatto meccanico che si chiude sul positivo dell'impianto elettrico 12V che nell'auto, come è noto, potrebbe essere sporcato da disturbi sotto forma di picchi pericolosi di sovratensione.
In pratica quello che servirebbe a
Vorrei chiedere a
-

BrunoValente
39,6k 7 11 13 - G.Master EY

- Messaggi: 7796
- Iscritto il: 8 mag 2007, 14:48
2
voti
Ci tengo innanzitutto a specificare che chiaramente quando si scrive e si legge su un forum è molto difficile identificare il "tono" della conversazione e spesso vengono fraintese le intenzioni di quanto si scrive. Non era mia intenzione né litigare né aizare una conversazione spiacevole contro nessuno anzi, I partecipanti sia a questa che l thread iniziale sono veterani del forum che rispetto profondamente e da cui ho imparato moltissimo e ho ancora da imparare per anni!
Ho aperto questo thread sperando di poter discutere amichevolmente con chi ne sa più di me senza nessun intento né di aver ragione né di dimostrare nulla, come già detto è più una disquisizione filosofica che uno scontro tra ideali anche perché, in elettronica come nella tecnica, di ideali non ce ne sono.
Dai Bruno non formalizziamoci sulle parole, tra l'altro quella della "paccottaglia" era una citazione, non ricordo se era un mio professore o forse proprio qui sul forum, di qualcuno che scherzosamente voleva indicare quella branca dell'elettronica! E' come chiamare i colleghi che lavorano con le antenne "antennisti", ovviamente non c'è nessuna offesa né per chi fa microonde né per gli antennisti veri, son solo parole scherzose tra colleghi
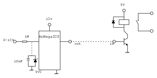
Per quanto riguarda l'ultima domanda ho buttato giù uno schema che credo possa funzionare così com'è senza problemi.
Praticamente qualsiasi microprocessore può svolgere questo lavoro ad occhi chiusi, ma ho scelto il 328 perché convivendo con l'ecosistema di Arduino se ne trovano in tutte le salse, in tutti i colori, e non serve un programmatore adhoc per programmarlo. NB: non sono un Arduinista, Arduino non mi piace, non lo uso a casa ne ho solo uno del 2002, il mio non è un messaggio "pro arduino" è solo che certe volte tra tutte le development board pre saldate viene comodissimo usare quella rispetto, ad esempio, ad un STM32F103.
Vado per elenco puntato:
- Arduino Pro Mini: board con AtMega328P, USB, regolatore di tensione MIC5205, regola fino a +16V, surge protection, reverse polarity protection. costo ~10€
- Circuito di ingresso del segnale: gli ingressi digitali del processore hanno due diodi di clamping per protezione e in questo caso possono essere tranquillamente sfruttati a nostro vantaggio basta solo limitare la corrente. La resistenza da 1M limita la corrente ad una manciata di uA. Costo 10cent se proprio non si hanno i componenti e si compra tutto al negozio sotto casa
- Protezione opzionale: zener da 5V per limitare eventuali spike e non fare affidamento solo sui diodi di protezione interna, condensatore per fronti e spike particolarmente ripidi. costo 30 cent
- Relay in uscita: niente di nuovo, BJT emettitore comune e diodo di protezione sulla bobina. Userei una scheda già fatta con tutto a bordo in formato SMD così di risparmia spazio e saldature. costo: 5€
Tempo di saldatura: mah, 5minuti? Sono letteralmente 2 strip per arduino, 1 strip per il relay e una resistenza. Tra arduino e relay c'è un solo filo, non vale nemmeno la pena fare lo sbroglio.
Tempo di progetto: fin ora ho impiegato 30 minuti per fare lo schema cercare un paio di cose sul regolatore di tensione e scrivere questo messaggione.
Codice: è chiaro che i micro vanno programmati, qualche volta è un vero disastro e il codice diventa la cosa che più di tutte ruba tempo e risorse al progetto, per fortuna in questo caso è piuttosto facile. Nella vita scrivo VHDL quindi abbozzo solo uno pseudo codice in C per rendere l'idea.
PS: mini aggiunta aposteriori, un altro vantaggio di questa soluzione è che se in futuro si vorrà aggiungere una nuova funzoinalità, un controllo su un sensore, un PWM che comanda qualcosa, altri 10 relay, il circuito è già montato e bisogna solo aggiungere codice, la scalabilità è estremamente alta.
Ho aperto questo thread sperando di poter discutere amichevolmente con chi ne sa più di me senza nessun intento né di aver ragione né di dimostrare nulla, come già detto è più una disquisizione filosofica che uno scontro tra ideali anche perché, in elettronica come nella tecnica, di ideali non ce ne sono.
Anche qui si tira in ballo impropriamente l'analogica, la paccottaglia... chissà dov'è l'analogica e chissà perché paccottaglia... ma non mi interessa, ognuno è libero di chiamare le cose come vuole e di coltivare pregiudizi.
Dai Bruno non formalizziamoci sulle parole, tra l'altro quella della "paccottaglia" era una citazione, non ricordo se era un mio professore o forse proprio qui sul forum, di qualcuno che scherzosamente voleva indicare quella branca dell'elettronica! E' come chiamare i colleghi che lavorano con le antenne "antennisti", ovviamente non c'è nessuna offesa né per chi fa microonde né per gli antennisti veri, son solo parole scherzose tra colleghi
Per quanto riguarda l'ultima domanda ho buttato giù uno schema che credo possa funzionare così com'è senza problemi.
Praticamente qualsiasi microprocessore può svolgere questo lavoro ad occhi chiusi, ma ho scelto il 328 perché convivendo con l'ecosistema di Arduino se ne trovano in tutte le salse, in tutti i colori, e non serve un programmatore adhoc per programmarlo. NB: non sono un Arduinista, Arduino non mi piace, non lo uso a casa ne ho solo uno del 2002, il mio non è un messaggio "pro arduino" è solo che certe volte tra tutte le development board pre saldate viene comodissimo usare quella rispetto, ad esempio, ad un STM32F103.
Vado per elenco puntato:
- Arduino Pro Mini: board con AtMega328P, USB, regolatore di tensione MIC5205, regola fino a +16V, surge protection, reverse polarity protection. costo ~10€
- Circuito di ingresso del segnale: gli ingressi digitali del processore hanno due diodi di clamping per protezione e in questo caso possono essere tranquillamente sfruttati a nostro vantaggio basta solo limitare la corrente. La resistenza da 1M limita la corrente ad una manciata di uA. Costo 10cent se proprio non si hanno i componenti e si compra tutto al negozio sotto casa
- Protezione opzionale: zener da 5V per limitare eventuali spike e non fare affidamento solo sui diodi di protezione interna, condensatore per fronti e spike particolarmente ripidi. costo 30 cent
- Relay in uscita: niente di nuovo, BJT emettitore comune e diodo di protezione sulla bobina. Userei una scheda già fatta con tutto a bordo in formato SMD così di risparmia spazio e saldature. costo: 5€
Tempo di saldatura: mah, 5minuti? Sono letteralmente 2 strip per arduino, 1 strip per il relay e una resistenza. Tra arduino e relay c'è un solo filo, non vale nemmeno la pena fare lo sbroglio.
Tempo di progetto: fin ora ho impiegato 30 minuti per fare lo schema cercare un paio di cose sul regolatore di tensione e scrivere questo messaggione.
Codice: è chiaro che i micro vanno programmati, qualche volta è un vero disastro e il codice diventa la cosa che più di tutte ruba tempo e risorse al progetto, per fortuna in questo caso è piuttosto facile. Nella vita scrivo VHDL quindi abbozzo solo uno pseudo codice in C per rendere l'idea.
- Codice: Seleziona tutto
while(1){
delay_ms(1); //campiono a 1khz senza pretese di precisione
old_state = new_state;
new_state = read_Input_Pin;
if(old_state = 0 and new_state=1) //rising edge in
delay_ms(2000); relay_on();
if(old_state = 1 and new state=0) //falling edge in
delayms_(2000); realy_off();
}
PS: mini aggiunta aposteriori, un altro vantaggio di questa soluzione è che se in futuro si vorrà aggiungere una nuova funzoinalità, un controllo su un sensore, un PWM che comanda qualcosa, altri 10 relay, il circuito è già montato e bisogna solo aggiungere codice, la scalabilità è estremamente alta.
3
voti
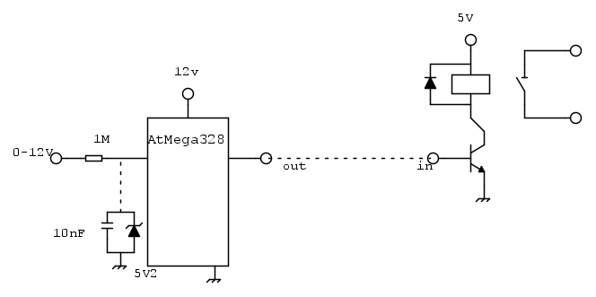
dadduni ha scritto:ho buttato giù uno schema che credo possa funzionare così com'è senza problemi.
Quasi... ci sono quattro aspetti pratici da considerare se, per comodità di assemblaggio, parliamo di Arduino Pro mini (non ha l'USB, schema: http://dlnmh9ip6v2uc.cloudfront.net/datasheets/Dev/Arduino/Boards/Arduino-Pro-Mini-v13.pdf)
1) Alimentazione: tanti cloni schioppano anche a 12V e basta il minimo spike sull'alimentazione, quindi va ridotta di qualche volt.
2) Ingresso: il caso in questione non ha come ingresso 0 e 12V, ma non collegato e 12V, quindi è fondamentale una resistenza di pull-down in cui circolino circa una decina di mA (o anche di più se il contatto di partenza non è proprio in salute). Inoltre vogliamo che sia il più possibile immune ai disturbi, e quindi vogliamo prendere per buone tensioni abbastanza elevate, non solo pochi volt captati per induzione.
3) Relé in uscita: se si usa un modulo a 5V già pronto, e si prendono i 5V da Arduino, si costringe il microscopico regolatore a dissipare circa 200mW, e no buono, anche per la stabilità di tensione sulla logica.
Lo schema potrebbe quindi diventare più ragionevolmente così:
Ora abbiamo un "numero di pezzi" comparabile con la versione "tradizionale" non microcontrollata, con l'aggravio, per questo specifico caso si intende, di dover introdurre anche l'elemento programmazione, e di richiedere una riprogrammazione (tramite apposito sistema di sviluppo) ad ogni cambiamento dei parametri (nella versione "tradizionale" due trimmer).
Riguardo a questa (il quarto aspetto) sempre nell'ottica meno disturbi / false partenze, non adotterei una strategia "se leggo X faccio", ma "se leggo X stabile per un certo tempo faccio", e quindi il codice diventerebbe un po' più complesso, in termini arduinesi potrebbe essere così:
- Codice: Seleziona tutto
void loop()
{
delay(1); //campiono a 1khz senza pretese di precisione
new_state = digitalRead(INPUT_PIN);
if(new_state == old_state) { t = millis(); }
else if (old_state == 0 && (millis()-t >= TATTACK) ) { relay_on(); old_state = new_state; }
else if (old_state == 1 && (millis()-t >= TDECAY) ) { relay_off(); old_state = new_state; }
}
Se poi invece di Arduino usiamo un qualsiasi micro standalone, dobbiamo aggiungere allo schema il regolatore di tensione, eventuali quarzi/resistenze/condensatori richiesti, circuito di reset.
Perfettamente d'accordo sul fatto che se invece si dovesse realizzare un altro tipo di comando più complicato, che so, due impulsi di tot secondi intervallati da due pause diverse e un successivo impulso dopo un altro tot, o cose del genere, la soluzione micro vince a mani basse
Una domanda ben posta è già mezza risposta.
2
voti
Visto che è stata nominata proviamo brevemente a vedere cosa servirebbe per una logica cablata a relè, anche se non si tratta di una soluzione elettromeccanica, visto che gli odierni temporizzatori sono alla fine dei dispositivi elettronici.
Da quello che ho capito, la soluzione sarebbe quella di utilizzare due temporizzatori, uno ritardato all'inserzione e l'altro alla disinserzione, collegati in cascata, che renderebbero regolabili in maniera indipendente il ritardo di ON e quello di OFF:
oppure utilizzare un unico componente, un temporizzatore facente contemporaneamente entrambe le funzioni, come il Finder 80.01 sulla modalità CE, il range di tensione di alimentazione parte da 12 V (AC o DC):
in questo caso il tempo di progettazione è nullo, il saldatore non serve, il ritardo è regolabile dal trimmer frontale, ho un unico dispositivo già pronto per l'utilizzo, la nota dolente è il costo (sui 50€) che rende la soluzione estremamente sconveniente rispetto alle altre due.
Da quello che ho capito, la soluzione sarebbe quella di utilizzare due temporizzatori, uno ritardato all'inserzione e l'altro alla disinserzione, collegati in cascata, che renderebbero regolabili in maniera indipendente il ritardo di ON e quello di OFF:
oppure utilizzare un unico componente, un temporizzatore facente contemporaneamente entrambe le funzioni, come il Finder 80.01 sulla modalità CE, il range di tensione di alimentazione parte da 12 V (AC o DC):
in questo caso il tempo di progettazione è nullo, il saldatore non serve, il ritardo è regolabile dal trimmer frontale, ho un unico dispositivo già pronto per l'utilizzo, la nota dolente è il costo (sui 50€) che rende la soluzione estremamente sconveniente rispetto alle altre due.
39 messaggi
• Pagina 3 di 4 • 1, 2, 3, 4
Chi c’è in linea
Visitano il forum: Google [Bot] e 165 ospiti

Elettrotecnica e non solo (admin)
Un gatto tra gli elettroni (IsidoroKZ)
Esperienza e simulazioni (g.schgor)
Moleskine di un idraulico (RenzoDF)
Il Blog di ElectroYou (webmaster)
Idee microcontrollate (TardoFreak)
PICcoli grandi PICMicro (Paolino)
Il blog elettrico di carloc (carloc)
DirtEYblooog (dirtydeeds)
Di tutto... un po' (jordan20)
AK47 (lillo)
Esperienze elettroniche (marco438)
Telecomunicazioni musicali (clavicordo)
Automazione ed Elettronica (gustavo)
Direttive per la sicurezza (ErnestoCappelletti)
EYnfo dall'Alaska (mir)
Apriamo il quadro! (attilio)
H7-25 (asdf)
Passione Elettrica (massimob)
Elettroni a spasso (guidob)
Bloguerra (guerra)











