Cos'è ElectroYou | Login Iscriviti

ElectroYou - la comunità dei professionisti del mondo elettrico

Circuito di pilotaggio per diodo laser

Elettronica lineare e digitale: didattica ed applicazioni

Moderatori: Foto Utentecarloc, Foto Utenteg.schgor, Foto UtenteBrunoValente, Foto UtenteIsidoroKZ

0
voti

[11] Re: CIRCUITO DI PILOTAGGIO PER DIODO LASER

Messaggioda Foto UtenteAldriver » 26 feb 2022, 19:30

Max2433BO ha scritto:
Aldriver ha scritto:(...)
Power Output 700mW-1W
(...)


ATTENZIONE!!!

Se la potenza d'uscita indicata dall'OP è corretta, ci troviamo in presenza di un laser di Classe 4 (IV) il cui utilizzo sottintende un non indifferente grado di pericolosità per l'incolumità dell'operatore e di chi si trova nelle "vicinanze" del laser attivato.

O_/ Max


So benissimo che bisogna usare degli occhiali protettivi per costruire questi laser. Ma ripeto se veramente voglio già da domani usare uno di questi laser per commettere delle illegalità non aspetto certo a costruirne uno io. Mi compro un modulo con driver installato così non succede nuovamente quanto mi è accaduto prima che l'ho bruciato perché non munito di driver. circuito di pilotaggio.

Io però ho chiesto se gentilmente potrei avere istruzioni a riguardo su che tipi di componenti devono essere selezionati per alimentare un tale diodo. Ripeto se compro il modulo completo non ho necessità di costruire il driver. Quindi mi chiedo se qualcuno di voi possa insegnarmi a costruire "il driver adatto" e che formule devo usare per scegliere i giusti componenti
Avatar utente
Foto UtenteAldriver
0 3
 
Messaggi: 11
Iscritto il: 17 feb 2022, 14:31

0
voti

[12] Re: CIRCUITO DI PILOTAGGIO PER DIODO LASER

Messaggioda Foto UtenteEtemenanki » 26 feb 2022, 22:41

Aldriver ha scritto: Se volevo veramente farmi male bastava comprare uno di quelli e puntarselo negli occhi appena connesso ad una fonte di energia..

Quello che invece ho chiesto è come costruire "il driver" perché cercando su internet non si trovano abbastanza fonti in Italiano. E quando scrivo "circuito a corrente costante" non trovo certo il nome dei componenti da acquistare per questo tipo di laser.


Forse mi sono spiegato male ... per gli occhiali intendevo di usarli anche per il solo diodo, che anche se non produce un raggio teso senza lente, a quella potenza per la retina puo essere pericolosi lo stesso, e non parlo di "cose illegali" ma semplicemente della sicurezza dei tuoi occhi.

Per quanto riguarda le caratteristiche strane, il fatto che il venditore indichi 900mA piu o meno mezzo Ampere mi dice che non capisce un cavolo di quello che vende, l'Oclaro HL63193 (che e' quello che corrisponde a quei parametri) ha una corrente di funzionamento di 900mA a 25C (+/-3C), che corrisponde ad un'emissione di circa 700mW di luce (il resto viene dissipato in calore), la corrente massima puo salire solo fino ad un massimo assoluto di 1100mA, dopodiche' si frigge, mentre se scendessi a 400mA come dichiara il venditore avresti un'emissione minore di 100mW.

Per il dissipatore serve per forza, dovendo dissipare in calore piu di 2W in case TO18, senza dissipazione decente in una decina di secondi lo bruci anche usando un driver a corrente costante correttamente regolato.

Per quanto riguarda invece il driver in se, ci sono anche gia fatti, ma se vuoi autocostruirlo ci sono diverse possibili soluzioni, la piu semplice ma meno accurata e' un regolatore LM317, ben dissipato, usato come regolatore di corrente serie invece che come regolatore di tensione, se vuoi qualcosa di meglio, regolabile e magari pilotabile in PWM, basta un mosfet decente, possibilmente logic-level, ed un'operazionale per pilotarlo, controreazionato dalla corrente che scorrera' in una resistenza di basso valore in serie al mosfet, piu una sorgente di tensione precisa come riferimento, un banale TL431A sarebbe piu che sufficente.

Ti serviranno anche 3 diodi al silicio da 5A ed una resistenza da 1 ohm 3 o 5 W, per tarare il driver prima di collegarci il diodo laser (non si fa MAI la taratura con il diodo, lo si "simula" con i diodi e la resistenza in serie)

Se vuoi autocostruirlo invece di comperarne uno gia fatto ti tiro insieme uno schema, non ne esiste certo uno specifico per quel diodo soltanto, ma il circuito e' piuttosto semplice, potresti assemblarlo anche su una millefori con componenti passanti, senza bisogno di far fare lo stampato per gli SMD.
"Sopravvivere" e' attualmente l'unico lusso che la maggior parte dei Cittadini italiani,
sia pure a costo di enormi sacrifici, riesce ancora a permettersi.
Avatar utente
Foto UtenteEtemenanki
9.527 3 6 10
Master
Master
 
Messaggi: 5948
Iscritto il: 2 apr 2021, 23:42
Località: Dalle parti di un grande lago ... :)

0
voti

[13] Re: CIRCUITO DI PILOTAGGIO PER DIODO LASER

Messaggioda Foto Utenteelfo » 26 feb 2022, 23:16

Aldriver ha scritto:costruire "il driver adatto" e che formule devo usare per scegliere i giusti componenti

Formule?

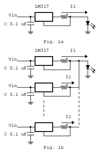
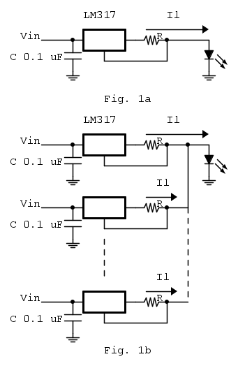
R= \frac{1.25}{Il} (R in ohm, Il in A)

10mA < Il < 1 A

dove Il e' la corrente del diodo laser

Vedi :

- schema qui sotto Fig. 1a

- Fig 00906316 pag 14 del datasheet

http://www.edutecnica.it/elettronica/da ... /LM317.pdf

Se ti occorre una corrente maggiore di 1 A metti tanti circuiti in parallelo Fig. 1b

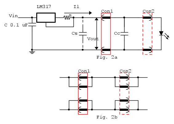
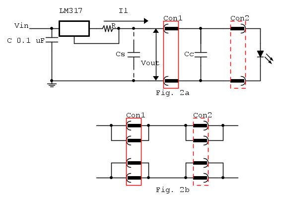
Il circuito(I) disegnato(i) funziona(no) alla "perfezione" se lo(i) fai funzionare alla "perfezione" :mrgreen:

Ci sono (almeno) tre casi di due tipi diversi per cui il circuito non funziona (a parte ovvi errori di montaggio o superi gli Absolute Maximum Ratings dell'integrato)

Nel primo tipo il laser non si accende "stabilmente" o alla corrente giusta

Nel secondo tipo "fotti" il laser senza rendertene conto

*** Primo tipo
Se non raffreddi adeguatamente L'LM317 il regolatore va in shutdown termico (senza rompersi ma abbassando/ azzerando la corrente in uscita) e riprende il regolare funzionamneto quando si "raffredda" generando una pulsazione nella corrente del laser che si spenge /accende.

*** Secondo tipo
Il circuito disegnato NON e' generalmente il circuito che realizzerai.
Il circuito che realizzerai e' - molto probabilmente - il circuito di Fig. 2a

Cosa c'e' di diverso?
Molto!

Un (o piu') connettore(I) Con1 (Con2) che (potenzialmente) hanno effetti funesti :(

Supponi di accendere il driver del laser con un connettore sconnesso.

La tensione in uscita al driver Vout "sale" a circa Vin "caricando" la capacita' Cs(tray) e/o Cc(able).
Questa capacita' nel momento in cui inserisci il connettore e colleghi il laser si scarica sul laser bruciandolo, perche' non esiste nessun elemento che limiti la corrente.

Per ovviare a questo problema occorre inserire un "voltage clamp" in uscita al driver che limiti la tensione di uscita ad un valore di poco superiore a quella di normale funzionamento del laser.

Un ulteriore caso in cui il laser puo' essere danneggiato a causa della presenza del(i) connettore(i).
Il contatto del connettore puo' essere "incerto" specialmente se sottoposto a sforzo/vibrazione.
Una tecnica per superare questo problema e' quella di utilizzare un connettore con un numero di contatti superiore a quelli strettamente necessari e collegarne diversi in parallelo.
Vedi Fig. 2b

In aggiunta a questo pippone:

- la resistenza R va scelta con la potenza e soprattutto la tecnologia "giusta" (basso coefficiente di temperatura) - per intendersi le comuni in ceramica bianca NON vanno bene

- il post [12} di Foto UtenteEtemenanki va letto tutto con attenzione



Avatar utente
Foto Utenteelfo
6.819 4 5 7
G.Master EY
G.Master EY
 
Messaggi: 2828
Iscritto il: 15 lug 2016, 13:27

1
voti

[14] Re: CIRCUITO DI PILOTAGGIO PER DIODO LASER

Messaggioda Foto UtenteMax2433BO » 27 feb 2022, 9:19

Aldriver ha scritto:(...)
Se volevo veramente farmi male bastava comprare uno di quelli e puntarselo negli occhi appena connesso ad una fonte di energia...
(...)


Aldriver ha scritto:So benissimo che bisogna usare degli occhiali protettivi per costruire questi laser. Ma ripeto se veramente voglio già da domani usare uno di questi laser per commettere delle illegalità non aspetto certo a costruirne uno io (...)


Foto UtenteAldriver, posso comprendere che alcuni dei post che hai ricevuto possono apparire, a tuo giudizio, delle risposte fuori luogo rispetto alle tue richieste, ma le indicazioni sulla pericolosità sull'utilizzo di diodi laser da 700 mW, e più, è dovuta.

Nessuno qui sul forum può sapere quali sono le tue reali conoscenze sui DPI necessari e sulle normative relative alla sicurezza (tua e altrui) all'interno dell'area d'uso dello stesso (ZLC = zona laser controllata e DNRO = Distanza nominale di rischio oculare).

Se, accidentalmente, ti fai del male (o procuri danni ad altri) qualsiasi avvocato della parte lesa va a ricercare le origini che hanno provocato il danno colposo e, una di queste, può essere fatta risalire a questo forum che ti ha fornito le istruzioni per realizzare un driver per diodo laser senza avvisarti della pericolosità intrinseca, con tutto ciò che ne consegue per chi lo gestisce.

Quindi puoi ben capire che prima di fornire istruzioni per realizzare qualcosa di potenzialmente dannoso per l'incolumità dell'OP e chi gli sta vicino, ci si vada con i piedi di piombo.

O_/ Max
Disapprovo quello che dite, ma difenderò fino alla morte il vostro diritto di dirlo [attribuita a Voltaire]

La gentilezza dovrebbe diventare lo stile naturale della vita, non l'eccezione [Siddhārtha Gautama]
Avatar utente
Foto UtenteMax2433BO
18,6k 4 11 13
G.Master EY
G.Master EY
 
Messaggi: 4724
Iscritto il: 25 set 2013, 16:29
Località: Universo - Via Lattea - Sistema Solare - Terzo pianeta...

Precedente

Torna a Elettronica generale

Chi c’è in linea

Visitano il forum: Nessuno e 70 ospiti