Circuito con transitorio
Moderatori:
g.schgor,
IsidoroKZ
0
voti
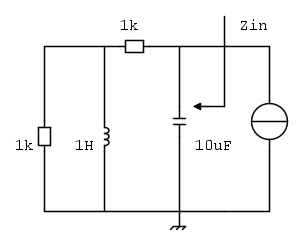
Quindi praticamente il polinomio caratteristco di una generica rete passiava si trova ugugliando a zero l'impedenza vista da un opportuno generatore?
-

Roswell1947
89 1 3 8 - Stabilizzato

- Messaggi: 438
- Iscritto il: 10 feb 2020, 16:39
1
voti
L'impedenza o l'ammettenza; devi sempre coinvolgere una grandezza della rete, tensione o corrente.
Se provi ad applicarlo capisci cosa intendo dire.
Se provi ad applicarlo capisci cosa intendo dire.
"Il circuito ha sempre ragione" (Luigi Malesani)
0
voti
ma i due punti di connessione potrei prenderli in qualunque punto....se p.es mettessi un generatore di tensione sul ramo dove c'è l'induttore e calcolassi limpoedenza vista da quel punto otterrei sempre gli stessi autovalori?
-

Roswell1947
89 1 3 8 - Stabilizzato

- Messaggi: 438
- Iscritto il: 10 feb 2020, 16:39
1
voti
Visto che in quel caso l'ingresso è la tensione e l'uscita è la corrente, e quindi funzione di trasferimeno H(s)=I(s)/V(s), devi determinare gli zeri dell'ammettenza non dell'impedenza.
"Il circuito ha sempre ragione" (Luigi Malesani)
0
voti
Quindi mettendo un generatore di corrente sul ramo dell'induttore (ingresso corrente uscita tensione) mi calcolo l'impedenza e uguaglio azero ottenendo gli autovalori...giusto?
-

Roswell1947
89 1 3 8 - Stabilizzato

- Messaggi: 438
- Iscritto il: 10 feb 2020, 16:39
0
voti
Anche facendo in questo modo,generatore di corrente di prova in ingresso e tensione in uscita, otterei comunque gli stessi autovalori del circuito ottenuti con il generatore sull'induttore?
-

Roswell1947
89 1 3 8 - Stabilizzato

- Messaggi: 438
- Iscritto il: 10 feb 2020, 16:39
1
voti
Ti ho confuso io con la mia risposta errata in [34].
Ripetendo quanto detto in [30], se tagli la rete, andrai a cercare gli zeri dell'impedenza, se non la tagli, gli zeri dell'ammettenza (ovvero i poli dell'impedenza), e quindi così sarà nel tuo ultimo caso.
Ripetendo quanto detto in [30], se tagli la rete, andrai a cercare gli zeri dell'impedenza, se non la tagli, gli zeri dell'ammettenza (ovvero i poli dell'impedenza), e quindi così sarà nel tuo ultimo caso.
"Il circuito ha sempre ragione" (Luigi Malesani)
0
voti
Non ho capito come mai se taglio bisdogna cercare gli zeri della impedenza mentre se non taglio occorrono i poli dell'impedenza??Nell'ultimo caso ho inserito un generatore di corrente in ingresso e tensione in uscita ottenendo una f.d.t di tipo impedenza...quindi dovrebbero essere sempre gli zeri...
-

Roswell1947
89 1 3 8 - Stabilizzato

- Messaggi: 438
- Iscritto il: 10 feb 2020, 16:39
0
voti
Se ho capito bene la risposta naturale di rete 1 porta è governata dalle radici della sua impedenza Z(s),i poli governano la risposta in tensione a circuito aperto mentre gli zeri governano la risposta della corrente in corto circuito.Quindi nell'ultimo caso effettivamente la risposta in tensione è governata dai poli dell'impedenza....ma se taglio la rete perché dovrei calcolare gli zeri dell'impedenza vista nelle due direzioni??
-

Roswell1947
89 1 3 8 - Stabilizzato

- Messaggi: 438
- Iscritto il: 10 feb 2020, 16:39
Torna a Elettrotecnica generale
Chi c’è in linea
Visitano il forum: Nessuno e 66 ospiti

Elettrotecnica e non solo (admin)
Un gatto tra gli elettroni (IsidoroKZ)
Esperienza e simulazioni (g.schgor)
Moleskine di un idraulico (RenzoDF)
Il Blog di ElectroYou (webmaster)
Idee microcontrollate (TardoFreak)
PICcoli grandi PICMicro (Paolino)
Il blog elettrico di carloc (carloc)
DirtEYblooog (dirtydeeds)
Di tutto... un po' (jordan20)
AK47 (lillo)
Esperienze elettroniche (marco438)
Telecomunicazioni musicali (clavicordo)
Automazione ed Elettronica (gustavo)
Direttive per la sicurezza (ErnestoCappelletti)
EYnfo dall'Alaska (mir)
Apriamo il quadro! (attilio)
H7-25 (asdf)
Passione Elettrica (massimob)
Elettroni a spasso (guidob)
Bloguerra (guerra)

