Amplificatore Operazionale Ponte estensimetrico
Moderatori:
carloc,
g.schgor,
BrunoValente,
IsidoroKZ
40 messaggi
• Pagina 3 di 4 • 1, 2, 3, 4
0
voti
Per calcolare I1 Sarebbe stato possibile utilizzare la seguente maglia 15=R6*I2+VAB+R5*I2-15 trascurando le correnti del riferimento integrato di tensione e della corrente che transita nel ramo che va verso il punto C?
-

Roswell1947
89 1 3 8 - Stabilizzato

- Messaggi: 438
- Iscritto il: 10 feb 2020, 16:39
0
voti
Per calcolare I1 Sarebbe stato possibile utilizzare la seguente maglia 15=R6*I2+VAB+R5*I2-15 trascurando le correnti del riferimento integrato di tensione e della corrente che transita nel ramo che va verso il punto C?
Se trascuri le correnti dell'integrato e approssimi I1 = I2, allora si, il risultato viene circa 20 mA; è un esercizio didattico, dipende da cosa viene richiesto.
0
voti
C'è un qualche modo per sapere se è possibile trascurare le correnti dell'integrato ref102 e della corrente che transita verso il punto C?
-

Roswell1947
89 1 3 8 - Stabilizzato

- Messaggi: 438
- Iscritto il: 10 feb 2020, 16:39
0
voti
No, se si trascura la corrente è come togliere REF102 e OP227, il circuito funziona idealmente lo stesso, ma con il possibile disturbo dell'amplificazione di modo comune.
0
voti
Ok,quindi la procedura corretta è quella di assumere VA=+5V (per simmetria del circuito ponte) e quindi calcolare I1 come (15-5)/500,ma se il ponte non fosse simmetrico come cambierebbero le cose per i calcoli?
-

Roswell1947
89 1 3 8 - Stabilizzato

- Messaggi: 438
- Iscritto il: 10 feb 2020, 16:39
0
voti
se il ponte non fosse simmetrico come cambierebbero le cose per i calcoli?
Purchè il ponte sia in equilibrio ( V1-V2 = 0) le cose non cambiano.
Altrimenti calcola formalmente usando la teoria dei circuiti elettrici (Kirchhoff o la legge di Ohm generalizzata,..) e con più fatica arrivi sicuramente al risultato.
Quel circuito probabilmente è dovuto alla geniale intuizione di un progettista di 50 anni fa, forse è stato brevettato, ha migliorato i circuiti precedenti ed è stato adottato.
Forse è un esempio di utilizzo fornito dai costruttori di REF102 e INA126.
E' arrivato poi come esercizio su un testo didattico.
Modificarlo, vuol dire probabilmente peggiorarne il funzionamento.
Purchè il ponte sia in equilibrio ( V1-V2 = 0) le cose non cambiano.
Altrimenti calcola formalmente usando la teoria dei circuiti elettrici (Kirchhoff o la legge di Ohm generalizzata,..) e con più fatica arrivi sicuramente al risultato.
Quel circuito probabilmente è dovuto alla geniale intuizione di un progettista di 50 anni fa, forse è stato brevettato, ha migliorato i circuiti precedenti ed è stato adottato.
Forse è un esempio di utilizzo fornito dai costruttori di REF102 e INA126.
E' arrivato poi come esercizio su un testo didattico.
Modificarlo, vuol dire probabilmente peggiorarne il funzionamento.
0
voti
Per il discorso di VB=-5V ,dato che non si vede direttamente..almeno io non sono riuscito a notarlo subito,potrei ricavarlo facendo VB=-R3*(I2/2)+V2=-5V...dato che V2=0,giusto?
-

Roswell1947
89 1 3 8 - Stabilizzato

- Messaggi: 438
- Iscritto il: 10 feb 2020, 16:39
0
voti
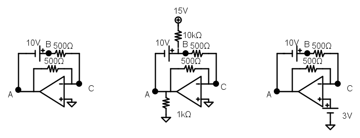
Tre circuiti di divertissement. Il primo e` l'equivalente minimo al tuo circuito, trova le tensioni dei nodi A, B, C.
Stessa cosa per il secondo circuito, tensioni di A,B e C nonche' le correnti che circolano nei vari resistori.
Il terzo circuito e` una variante al tuo circuito, al solito, tensioni A, B e C e correnti nelle due resistenze.
Stessa cosa per il secondo circuito, tensioni di A,B e C nonche' le correnti che circolano nei vari resistori.
Il terzo circuito e` una variante al tuo circuito, al solito, tensioni A, B e C e correnti nelle due resistenze.
Per usare proficuamente un simulatore, bisogna sapere molta più elettronica di lui
Plug it in - it works better!
Il 555 sta all'elettronica come Arduino all'informatica! (entrambi loro malgrado)
Se volete risposte rispondete a tutte le mie domande
Plug it in - it works better!
Il 555 sta all'elettronica come Arduino all'informatica! (entrambi loro malgrado)
Se volete risposte rispondete a tutte le mie domande
0
voti
Prima di risolvere quelli proposti da IsidoroKz, propongo i seguenti due più semplici:
Li ho disegnati con fidocadj, che non è completamente compatibile con fidocad
Li ho disegnati con fidocadj, che non è completamente compatibile con fidocad
0
voti
IsidoroKZ ha scritto:Tre circuiti di divertissement. Il primo e` l'equivalente minimo al tuo circuito, trova le tensioni dei nodi A, B, C.
Stessa cosa per il secondo circuito, tensioni di A,B e C nonche' le correnti che circolano nei vari resistori.
Il terzo circuito e` una variante al tuo circuito, al solito, tensioni A, B e C e correnti nelle due resistenze.
Nel primo circuito Va=-5V ,Vb=5 e Vc=0...mentre la corrente che circola nei due resistori è I=5/R con R=500 Ohm,considerando op amp ideale...giusto?
-

Roswell1947
89 1 3 8 - Stabilizzato

- Messaggi: 438
- Iscritto il: 10 feb 2020, 16:39
40 messaggi
• Pagina 3 di 4 • 1, 2, 3, 4
Chi c’è in linea
Visitano il forum: Nessuno e 38 ospiti

Elettrotecnica e non solo (admin)
Un gatto tra gli elettroni (IsidoroKZ)
Esperienza e simulazioni (g.schgor)
Moleskine di un idraulico (RenzoDF)
Il Blog di ElectroYou (webmaster)
Idee microcontrollate (TardoFreak)
PICcoli grandi PICMicro (Paolino)
Il blog elettrico di carloc (carloc)
DirtEYblooog (dirtydeeds)
Di tutto... un po' (jordan20)
AK47 (lillo)
Esperienze elettroniche (marco438)
Telecomunicazioni musicali (clavicordo)
Automazione ed Elettronica (gustavo)
Direttive per la sicurezza (ErnestoCappelletti)
EYnfo dall'Alaska (mir)
Apriamo il quadro! (attilio)
H7-25 (asdf)
Passione Elettrica (massimob)
Elettroni a spasso (guidob)
Bloguerra (guerra)




