Non sono d'accordo per niente
A parte che anche 190€ è poco per un prodotto artgianale (da molte decine di anni, musicisti, anche di famosi, mi chiedono di progettare e costruire oggetti, lo faccio solamente come passatempo e perché spesso non riesco a dire di no, sempre più spesso ormai anche controvoglia), li devo vendere a prezzi molto molto più alti e vi assicuro che il margine di guadagno è varamente minimo, 100€ forse sono sufficiente per lo chassis + scritte incise e verniciatura: https://it.rs-online.com/web/c/contenit ... 4294243791
oppure
https://modushop.biz/site/index.php?rou ... 65_239_241
se si aggiunge il trasformatore di alimentazione, componenti elettronici di buona qualità (niente cose da audiofili malati, ma componenti industriali fatti per durare, ad esempio elettrolitici da 10000h e operazionali a basso rumore (vedi l'amplificatore per cuffie che sto costruendo per me, che ancora non sono riuscito a finire)); una progettazione accurata, che tiene conto della durata dell'oggetto; se devo farmi fare un trasformatore interstadio particolare, capite bene che arrivare a 300€ solo di spese è un attimo, quando poi è richiesta la marcatura CE, arrivederci...
Una volta spiegate queste cose ai musicisti (che nella maggior parte dei casi non sono stupidi e hanno bisogno di oggetto di una certa qualità per lavorare), fatti gli aggiustamente dopo l'ascolto da parte del musicista finché non è pienamente soddifatto, spiegato che se tra 10 anni si guasta glielo ripari gratis, perché sai cosa c'è dentro e sai che tra 10 anni al massimo ci saranno da spolverare i potenziometri; vedrai che non ci sarà nessun bisogno di inventare balle.
Per quanto riguarda la sordità, veramente non riesci ad avvertire nessuna differenza tra un compressore con il tempo di attacco regolato a 100ms e regolato a 2 secondi??? Mi sembra veramente strano, la differenza è facilmente udibile dalla maggior parte delle persone(*), come è chiaramente udibile la differenza che c'è tra una Stratocaster e una Telecaster, o tra un violino di legno e uno di plexiglass, differenze che non sono così evidenti osservando un'oscillogramma o uno spettrogramma.
PS, chiaramente ci sono anche gli incompetenti che credono di essere super esperti, quelli che hanno subìto il lavaggio del cervello dal marketing di varie aziende (guardacaso sempre le solite) e quelli che seguono le mode, ma tra i professionisti (musicisti, fonici o produttori che siano) per fortuna sono una minima parte, addirittura (*) molti anni fa quando facevo il fonico ai concerti, il produttore della band, particolarmente esperto e attento ai suoni, si accorse che il compressore dei tom della batteria poteva essere regolato meglio, ascoltando il mix generale!
Inserimento controllo toni in compressore di dinamica
Moderatore:
IsidoroKZ
39 messaggi
• Pagina 4 di 4 • 1, 2, 3, 4
0
voti
Ok, credo che l'unica possibilità sia quella di provare e vedere che esce fuori. Penso proverò a seguire la strada suggerita da
elfo nel secondo link al post [29]. A breve posterò un ipotetico schema implementando quella soluzione, visto che avrò certamente bisogno di altre dritte 
0
voti
THAT Corporation
PEDAL PAGE
Use these schematics as a starting point for your own creative guitar pedal projects. We plan to expand these pages with applications beyond compressor/ limiters. Check back often for new designs and current revision levels.
http://www.thatcorp.com/pedals/index.html
PEDAL PAGE
Use these schematics as a starting point for your own creative guitar pedal projects. We plan to expand these pages with applications beyond compressor/ limiters. Check back often for new designs and current revision levels.
http://www.thatcorp.com/pedals/index.html
1
voti
Tra l'altro la mia tesi triennale era un compressore audio con un VCA della THAT corporation controllato da un rilevatore di inviluppo digitale. Questo permetteva di avere una catena di riproduzione puramente analogica con un VCA a bassissima distorsione però controllato da un DSP che offriva tutti i vantaggi del Signal Processing per fare cose strane tipo variare i parametri di vibrato in funzione dell'inviluppo: fu divertente
0
voti
dadduni ha scritto: un compressore audio con un VCA della THAT corporation controllato da un rilevatore di inviluppo digitale
Bello!

-

SediciAmpere
4.187 5 5 8 - Master

- Messaggi: 4847
- Iscritto il: 31 ott 2013, 15:00
1
voti
Rieccomi quà,
Innanzi tutto voglio ringraziare tutti per la quantità di spunti e di link che mi avete girato perché mi sono molto utili per progettare altri circuitini di questo tipo.
Adesso vorrei procedere in questo modo: realizzerò un paio di prototipi (tempo permettendo)
- Uno ispirato al suggerimento di
dadduni di accentuare i bassi
- Uno altro ispirato allo schema proposto da
elfo al post [22], in cui utilizzerò i filtri proposti a questo link https://sound-au.com/articles/derived-xovers.htm (sempre postato da
elfo al post [29)
Confronterò poi i risultati ottenuti con progetto già realizzato, che implementa un semplice filtro passa basso, semplicemente prestando i tre effetti a qualche terza persona ignara di cosa ho fatto (voglio scoraggiare risposte positive immotivate verso lo schema più complicato)
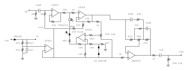
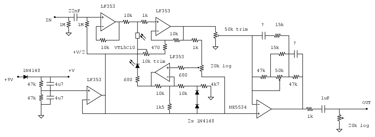
Di seguito lo schema che ho immaginato per il primo prototipo:
Il filtro introdotto dovrebbe avere una risposta di questo tipo

Le capacità marcate col punto interrogativo dovranno essere determinate per ottenere un punto di flesso intorno ai 200 Hz, mentre il trimmer da 50k serve a regolare il circuito in modo da non saturare l'NE5534
Che ne pensate?
Innanzi tutto voglio ringraziare tutti per la quantità di spunti e di link che mi avete girato perché mi sono molto utili per progettare altri circuitini di questo tipo.
Adesso vorrei procedere in questo modo: realizzerò un paio di prototipi (tempo permettendo)
- Uno ispirato al suggerimento di
- Uno altro ispirato allo schema proposto da
Confronterò poi i risultati ottenuti con progetto già realizzato, che implementa un semplice filtro passa basso, semplicemente prestando i tre effetti a qualche terza persona ignara di cosa ho fatto (voglio scoraggiare risposte positive immotivate verso lo schema più complicato)
Di seguito lo schema che ho immaginato per il primo prototipo:
Il filtro introdotto dovrebbe avere una risposta di questo tipo

Le capacità marcate col punto interrogativo dovranno essere determinate per ottenere un punto di flesso intorno ai 200 Hz, mentre il trimmer da 50k serve a regolare il circuito in modo da non saturare l'NE5534
Che ne pensate?
0
voti
Damn87 ha scritto:Di seguito lo schema che ho immaginato per il primo prototipo:
[cut]
Che ne pensate?
Dove cacchio hai scovato quello schema?
Ricordavo di aver visto qualcosa di simile anni fa (10 per la precisione) e sono andato a ricercare.
Ecco il link all'articolo originale
https://www.edn.com/implement-an-audio- ... er-filter/
Discussione sul forum diyaudio.com con l'autore dell'articolo Francesco Balena
https://www.diyaudio.com/community/thre ... er.244677/
https://www.diyaudio.com/community/thre ... er.228632/
Calcolatore on-line dei valori dei componenti
http://vulcanofx.blogspot.com/p/tilt-eq-calculator.html
Guarda anche questo articolo riportato come referenza nell'articolo originale
https://consort3.files.wordpress.com/20 ... esigni.pdf
Nello schema del tuo prototipo:
1) tra il trim da 50 k e l'ingresso del Tilt Equalizer filter ci deve essere un buffer (Op-Amp a guadagno unitario, Emitter Follower...) perche' il filtro deve essere pilotato da un generatore con impedenza di uscita "zero" affinche' siano rispettate le frequenze calcolate.
2) il collegamento rosso barrato non ci deve essere
0
voti
Dove cacchio hai scovato quello schema?
Qui
1) tra il trim da 50 k e l'ingresso del Tilt Equalizer filter ci deve essere un buffer (Op-Amp a guadagno unitario, Emitter Follower...) perche' il filtro deve essere pilotato da un generatore con impedenza di uscita "zero" affinche' siano rispettate le frequenze calcolate
Ok, allora inizierò omettendo direttamente il trim (vedo di cavarmela con quello da 10k presente anche nello schema originale). L'opamp precedente dovrebbe avere comunque impedenza "zero". Corretto?
2) il collegamento rosso barrato non ci deve essere
Vero, è stata una mia svista
0
voti
39 messaggi
• Pagina 4 di 4 • 1, 2, 3, 4
Torna a Elettronica e spettacolo
Chi c’è in linea
Visitano il forum: Nessuno e 31 ospiti

Elettrotecnica e non solo (admin)
Un gatto tra gli elettroni (IsidoroKZ)
Esperienza e simulazioni (g.schgor)
Moleskine di un idraulico (RenzoDF)
Il Blog di ElectroYou (webmaster)
Idee microcontrollate (TardoFreak)
PICcoli grandi PICMicro (Paolino)
Il blog elettrico di carloc (carloc)
DirtEYblooog (dirtydeeds)
Di tutto... un po' (jordan20)
AK47 (lillo)
Esperienze elettroniche (marco438)
Telecomunicazioni musicali (clavicordo)
Automazione ed Elettronica (gustavo)
Direttive per la sicurezza (ErnestoCappelletti)
EYnfo dall'Alaska (mir)
Apriamo il quadro! (attilio)
H7-25 (asdf)
Passione Elettrica (massimob)
Elettroni a spasso (guidob)
Bloguerra (guerra)








