Salve a tutti, ho recuperato una autoradio e vorrei installarla in casa con un alimentatore a 12V Meanwell.
In FM ricevo bene varie stazioni, in AM e in onde lunghe invece sento solo un forte ronzio, lievemente diverso da canale a canale ma sempre presente; i canali apparentemente vengono sintonizzati. Se tolgo l'antenna, il ronzio non è presente (ma ovviamente non sintonizzo nessun canale).
Ho provato ad allontanarmi dall'alimentatore, ma non cambia niente. Ho provato anche con due tipi di antenna diversi, ma anche in questo caso senza successo.
Avete qualche idea?
Grazie
Danny
Ronzio su autoradio installata in casa
Moderatore:
jordan20
4 messaggi
• Pagina 1 di 1
0
voti
Prova a spegnere quante più lampade a led che puoi ed eventualmente ad alimentare l'autoradio con una batteria, anche piccola ad esempio 12 V 1A, questo per capire se il rumore ti diminuisce.
In ogni modo in AM la riceszione è rumorosa, proprio per inquinamento da disturbi che ci sono in aria e l'AM non riesce a eliminare, specialmente se stai in un centro molto abitato.
In ogni modo in AM la riceszione è rumorosa, proprio per inquinamento da disturbi che ci sono in aria e l'AM non riesce a eliminare, specialmente se stai in un centro molto abitato.
Alex
https://www.facebook.com/Elettronicaeelettrotecnica
<< vedi di pigliare arditamente in mano, il dizionario che ti suona in bocca,
se non altro è schietto e paesano.
(Giuseppe Giusti) <<
https://www.facebook.com/Elettronicaeelettrotecnica
<< vedi di pigliare arditamente in mano, il dizionario che ti suona in bocca,
se non altro è schietto e paesano.
(Giuseppe Giusti) <<
0
voti
Ciao, grazie per la risposta.
Ho parzialmente risolto sostituendo l'alimentatore. Utilizzando un alimentatore da PC il ronzio non c'è e riesco ad ascoltare alcuni canali (ad esempio il 657kHz della RAI).
Danny
Ho parzialmente risolto sostituendo l'alimentatore. Utilizzando un alimentatore da PC il ronzio non c'è e riesco ad ascoltare alcuni canali (ad esempio il 657kHz della RAI).
Danny
0
voti
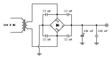
Anche io ho avuto questo problema con dei ricevitori AM autocostruiti alimentati dalla rete elettrica. Ho risolto mettendo dei condensatori in parallelo al ponte di diodi e un generoso condensatore elettrolitico in uscita.
Se decidessi di costruire un alimentatore di tipo lineare la soluzione è questa. Per gli alimentatori per PC invece si può usare un filtro antidisturbo: link
Se decidessi di costruire un alimentatore di tipo lineare la soluzione è questa. Per gli alimentatori per PC invece si può usare un filtro antidisturbo: link
4 messaggi
• Pagina 1 di 1
Chi c’è in linea
Visitano il forum: Nessuno e 6 ospiti

Elettrotecnica e non solo (admin)
Un gatto tra gli elettroni (IsidoroKZ)
Esperienza e simulazioni (g.schgor)
Moleskine di un idraulico (RenzoDF)
Il Blog di ElectroYou (webmaster)
Idee microcontrollate (TardoFreak)
PICcoli grandi PICMicro (Paolino)
Il blog elettrico di carloc (carloc)
DirtEYblooog (dirtydeeds)
Di tutto... un po' (jordan20)
AK47 (lillo)
Esperienze elettroniche (marco438)
Telecomunicazioni musicali (clavicordo)
Automazione ed Elettronica (gustavo)
Direttive per la sicurezza (ErnestoCappelletti)
EYnfo dall'Alaska (mir)
Apriamo il quadro! (attilio)
H7-25 (asdf)
Passione Elettrica (massimob)
Elettroni a spasso (guidob)
Bloguerra (guerra)




