wimatech ha scritto:indicazione di quando interviene il limitatore di corrente, basterebbe anche solo un led
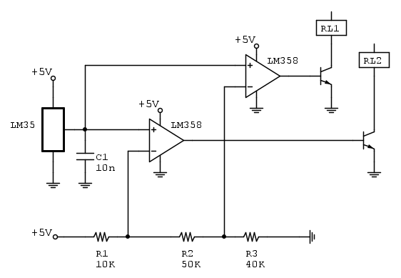
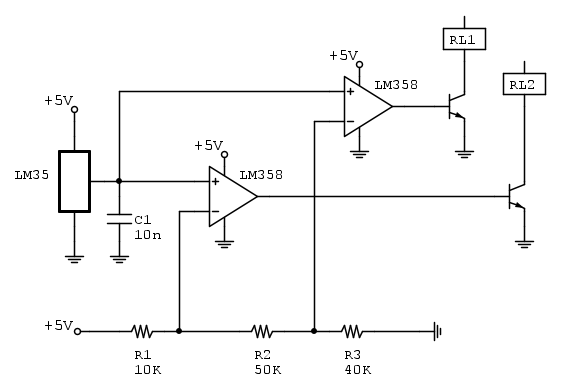
Guarda lo schema (di principio) qui sotto.
il triangolo e' un comparatore con in uscita un led.
Il trimmer P e' regolato in modo che ai suoi capi ci sia una tensione di (poco inferiore a) 1.25V - tensiore di riferimento del regolatore LM317.
In condizioni di limitazione di corrente la somma

per cui

e l'uscita del comparatore sara' "bassa" ed Il led acceso.
In condizioni di non limitazione di corrente la somma

e l'uscita del comparatore sara' "alta' ed il Led spento.
Domanda:
vale la pena aggiungere questa complicazione (comparatore, generatore di corrente Ig e P) a questo circuito quando, con un circuito "alimentatore classico", la segnalazione led della limitazione di corrente viene "gratis"?

Elettrotecnica e non solo (admin)
Un gatto tra gli elettroni (IsidoroKZ)
Esperienza e simulazioni (g.schgor)
Moleskine di un idraulico (RenzoDF)
Il Blog di ElectroYou (webmaster)
Idee microcontrollate (TardoFreak)
PICcoli grandi PICMicro (Paolino)
Il blog elettrico di carloc (carloc)
DirtEYblooog (dirtydeeds)
Di tutto... un po' (jordan20)
AK47 (lillo)
Esperienze elettroniche (marco438)
Telecomunicazioni musicali (clavicordo)
Automazione ed Elettronica (gustavo)
Direttive per la sicurezza (ErnestoCappelletti)
EYnfo dall'Alaska (mir)
Apriamo il quadro! (attilio)
H7-25 (asdf)
Passione Elettrica (massimob)
Elettroni a spasso (guidob)
Bloguerra (guerra)








