Cos'è ElectroYou | Login Iscriviti

ElectroYou - la comunità dei professionisti del mondo elettrico

Korg Trinity - scheda di alimentazione non funzionante

Tecniche per la costruzione e la riparazione di apparecchiature elettriche e non. Ricerca guasti. Adattamenti e riutilizzazioni
0
voti

[71] Re: Korg Trinity - scheda di alimentazione non funzionante

Messaggioda Foto UtenteEtemenanki » 25 mag 2022, 20:39

Mau77 ha scritto:...
- Pin 8 -3,2v/-5,6v con carico, -15v senza carico.


Ahi ... allora e' un'avvolgimento a bassa corrente, probabilmente usato solo come riferimento, e se bastano una quindicina di milliampere a farlo cadere cosi tanto, per il tuo scopo e' inutilizzabile purtroppo (la resistenza era da 820 ohm, o altro valore ?).

Serve trovare altro ... se non ne hai altri disponibili e se non vuoi comperare uno di quelli suggeriti gia da altri, hai voglia di fare un tentativo per smontare il trasformatore di quello del fax, con il 24 V ed il 5V ? ... considera che se si rompe e' poi da buttare, quindi si puo tentare solo se quella scheda alla fine non ti serve per altre cose.
"Sopravvivere" e' attualmente l'unico lusso che la maggior parte dei Cittadini italiani,
sia pure a costo di enormi sacrifici, riesce ancora a permettersi.
Avatar utente
Foto UtenteEtemenanki
9.517 3 6 10
Master
Master
 
Messaggi: 5940
Iscritto il: 2 apr 2021, 23:42
Località: Dalle parti di un grande lago ... :)

0
voti

[72] Re: Korg Trinity - scheda di alimentazione non funzionante

Messaggioda Foto UtenteMau77 » 25 mag 2022, 21:15

Si, ho usato il resistore con lo stesso valore consigliato, 820 Ohm per l'uscita a -15 e da 470 per quella a +6.
Eh tanto non posso comprare nulla, per cui devo per forza cavarmela con quello che ho o che riesco a trovare.
Stasera facendo una ricerca "inversa", ho trovato alcuni manuali di servizio di altrettanti videoregistratori e forse uno di questi (proprio uno che forse, dico sempre in teoria, potrebbe andare, ce l'ho da una parte in garage: non funzionava il carrello che permette l'inserimento e l'uscita della videocassetta, ma il resto si).
Il problema è che anche se dovesse andare bene, ha la scheda di alimentazione troppo lunga, se ho visto bene 2/3 giorni fa, dovrebbe essere lunga più di 30cm.
Comunque devo controllare.
Dovrebbe essere quello del quale allego il diagramma dell'alimentazione (poi controllo la sigla perché non me sono sicuro).
Invece riguardo la scheda del fax, sarei tentato (almeno imparo anche qualcos'altro), ma l'unico motivo che mi farebbe desistere è il fatto di avere comunque una scheda che attualmente funziona ed è anche comoda essendo così piccola, se dovessi danneggiare il trasformatore (anche involontariamente), mi dispiacerebbe.
Vedo se riesco a trovare una soluzione alternativa, ma in caso negativo potrei propendere per la modifica degli avvolgimenti su quello del fax.
Allegati
Screenshot_20220525-211659.png
Screenshot_20220525-211643.png
Avatar utente
Foto UtenteMau77
35 6
Frequentatore
Frequentatore
 
Messaggi: 168
Iscritto il: 4 mag 2022, 8:47

0
voti

[73] Re: Korg Trinity - scheda di alimentazione non funzionante

Messaggioda Foto UtenteSediciAmpere » 26 mag 2022, 3:25

Ma se riprendessimo la strada della riparazione dell'alimnoriginale?
Avatar utente
Foto UtenteSediciAmpere
4.187 5 5 8
Master
Master
 
Messaggi: 4848
Iscritto il: 31 ott 2013, 15:00

0
voti

[74] Re: Korg Trinity - scheda di alimentazione non funzionante

Messaggioda Foto UtenteMau77 » 26 mag 2022, 6:05

Mettendo le mani sul trasformatore (della scheda originale)?
Se dovessi scegliere tra la scheda originale e quella del fax, propenderei per la prima (dopo tutte le verifiche che ho potuto fare, non rimane che lui).
Avatar utente
Foto UtenteMau77
35 6
Frequentatore
Frequentatore
 
Messaggi: 168
Iscritto il: 4 mag 2022, 8:47

0
voti

[75] Re: Korg Trinity - scheda di alimentazione non funzionante

Messaggioda Foto UtenteEtemenanki » 26 mag 2022, 9:58

Eh, certo che sarebbe meglio riparare la sua, ma per controllare adeguatamente i segnali servirebbe un'oscilloscopio, anche "scrauso", per cui torniamo allo stesso problema ...
"Sopravvivere" e' attualmente l'unico lusso che la maggior parte dei Cittadini italiani,
sia pure a costo di enormi sacrifici, riesce ancora a permettersi.
Avatar utente
Foto UtenteEtemenanki
9.517 3 6 10
Master
Master
 
Messaggi: 5940
Iscritto il: 2 apr 2021, 23:42
Località: Dalle parti di un grande lago ... :)

0
voti

[76] Re: Korg Trinity - scheda di alimentazione non funzionante

Messaggioda Foto UtenteMau77 » 26 mag 2022, 10:10

Allora (almeno per il momento) non ne esco.
Economicamente sono messo non male, di più.
Avatar utente
Foto UtenteMau77
35 6
Frequentatore
Frequentatore
 
Messaggi: 168
Iscritto il: 4 mag 2022, 8:47

0
voti

[77] Re: Korg Trinity - scheda di alimentazione non funzionante

Messaggioda Foto UtenteMau77 » 26 mag 2022, 14:29

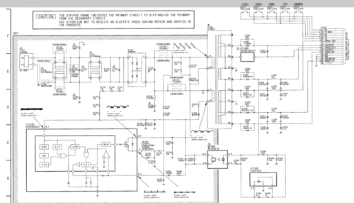
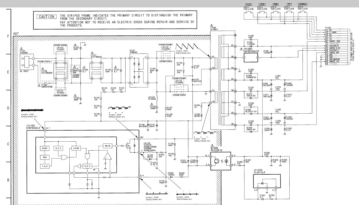
Poco fa ho scaricato il manuale di servizio dell'altro videoregistratore che avevo da parte.
Per quello che posso "dire", anche se le tensioni in uscita potrebbero essere provvidenziali, questa scheda non mi sembra molto diversa dall'altra.
Potrei fare un test anche su questa, ponendo un carico in parallelo su alcuni pin e il ground per vedere se la tensione viene limitata e di quanto?
Bisogna tenere conto della tensione e della corrente che scorre dal secondario del trasformatore in poi e in base a questo, determinare quale carico può essere usato come test per vedere se sia o meno possibile sfruttare quelle tensioni? Poi una domanda a "bruciapelo": ora vedo se gli acronimi a lato delle tensioni hanno dei riferimenti, ma ad esempio dove c'è scritto "Unreg" il significato equivale a "Tensione non regolata"?
Allegati
Screenshot_20220526-141326.png
Screenshot_20220526-141406.png
Avatar utente
Foto UtenteMau77
35 6
Frequentatore
Frequentatore
 
Messaggi: 168
Iscritto il: 4 mag 2022, 8:47

0
voti

[78] Re: Korg Trinity - scheda di alimentazione non funzionante

Messaggioda Foto UtenteMau77 » 27 mag 2022, 12:12

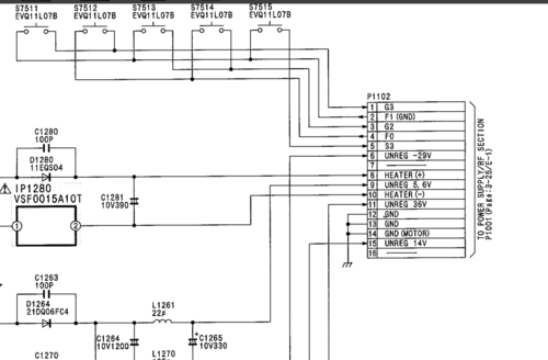
Ricordavo bene, la scheda mostrata l'altro giorno è proprio quella del videoregistratore da cui ho estratto la scheda ieri.

Allora, le tensioni misurate senza carico sono queste:

- Pin 6 (sulla carta -29v) -58,5v con tendenza a scendere di pochi decimi di v al secondo.

- Pin 7 (sulla carta +6v) 10,7v

- Pin 9 (sulla carta +5,6v) +9,7v

- Pin 11 (sulla carta +36v) +60v non appena collego i puntali, poi non rileva nulla.

- Pin 15 (sulla carta +14v) +27,8v
Avatar utente
Foto UtenteMau77
35 6
Frequentatore
Frequentatore
 
Messaggi: 168
Iscritto il: 4 mag 2022, 8:47

0
voti

[79] Re: Korg Trinity - scheda di alimentazione non funzionante

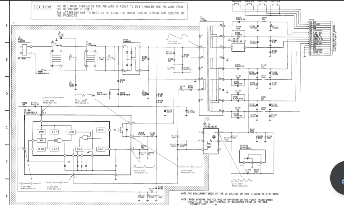
Messaggioda Foto UtenteEtemenanki » 27 mag 2022, 14:38

Troppo incasinati, quei circuiti, sono progettati per usi specifici, e sara' dura trovarne uno che abbia gia tutto quello che ti serve.

Sui pin HEATER che cosa c'e' fra loro ? ... e cos'e' il riquadro marcato IPI101 ?
"Sopravvivere" e' attualmente l'unico lusso che la maggior parte dei Cittadini italiani,
sia pure a costo di enormi sacrifici, riesce ancora a permettersi.
Avatar utente
Foto UtenteEtemenanki
9.517 3 6 10
Master
Master
 
Messaggi: 5940
Iscritto il: 2 apr 2021, 23:42
Località: Dalle parti di un grande lago ... :)

0
voti

[80] Re: Korg Trinity - scheda di alimentazione non funzionante

Messaggioda Foto UtenteMau77 » 27 mag 2022, 16:42

Le sigle accanto ai componenti sono un po' "fuorvianti", perché ad esempio il condensatore elettrolitico denominato C1143 in realtà è siglato C43.
Tra i due punti Heater ci sono circa 10v, con tendenza a scendere.
Se però provo a posizionare il puntale del negativo su un qualsiasi pin del gnd non c'è alcuna differenza di potenziale tra Heater + e le gnd.
Il componente siglato IP1101 c'è una sigla, MP160, la forma è simile a quella di un condensatore al poliestere.
Allegati
Screenshot_20220527-164034.png
Screenshot_20220527-163926.png
Avatar utente
Foto UtenteMau77
35 6
Frequentatore
Frequentatore
 
Messaggi: 168
Iscritto il: 4 mag 2022, 8:47

PrecedenteProssimo

Torna a Costruzione, riparazione, riutilizzo

Chi c’è in linea

Visitano il forum: Nessuno e 6 ospiti