Cos'è ElectroYou | Login Iscriviti

ElectroYou - la comunità dei professionisti del mondo elettrico

Contattore a monte di tutto l'impianto

Progettazione, esercizio, manutenzione, sicurezza, leggi, normative...

Moderatori: Foto Utentesebago, Foto UtenteMASSIMO-G, Foto Utentelillo, Foto UtenteMike

0
voti

[1] Contattore a monte di tutto l'impianto

Messaggioda Foto UtenteAltorn » 30 mag 2022, 10:14

Ciao,
purtroppo abito in una zona dove va via spesso la corrente, abbiamo già segnalato la cosa all'ente di distribuzione, ma nel compenso al contempo(?) avevo in mente di fare un cablaggio del genere:

Installare un contattore a monte di tutto l'impianto che quando va via la corrente lascia tutto l'appartamento senza corrente.
Collegare uno shelly all'UPS che da il comando di riarmare il contattore e riportare corrente all'impianto dopo un tot di tempo.

Questo mi eviterebbe di far andar via corrente ogni tot minuti e ridarla agli elettrodometici e salvaguardare l'impianto.

Può funzionare?
Avatar utente
Foto UtenteAltorn
50 3 5
Stabilizzato
Stabilizzato
 
Messaggi: 326
Iscritto il: 14 gen 2016, 15:28

0
voti

[2] Re: Contattore a monte di tutto l'impianto

Messaggioda Foto UtenteGioArca67 » 30 mag 2022, 11:17

qual è lo scopo esatto da raggiungere?
Avatar utente
Foto UtenteGioArca67
4.580 4 6 9
Master EY
Master EY
 
Messaggi: 4591
Iscritto il: 12 mar 2021, 9:36

0
voti

[3] Re: Contattore a monte di tutto l'impianto

Messaggioda Foto UtenteAltorn » 30 mag 2022, 11:26

Dato che quando va via la corrente in zona va e viene per diverse volte a distanza di pochi millisecondi rischiamo e rischio di bruciare centraline ed elettrodomestici.
L'obiettivo è , una volta che va via, tenere giù l'impianto e tirarlo su dopo dopo "il tempo che scelgo all'interno della scena dello shelly" , viene impostato da me. Questo per bypassare tutte le mancanze di corrente transitorie
Avatar utente
Foto UtenteAltorn
50 3 5
Stabilizzato
Stabilizzato
 
Messaggi: 326
Iscritto il: 14 gen 2016, 15:28

0
voti

[4] Re: Contattore a monte di tutto l'impianto

Messaggioda Foto Utentee7o7 » 30 mag 2022, 12:09

dovendolo fare, il contattore lo comanderei con un relè temporizzato all'eccitazione
Avatar utente
Foto Utentee7o7
347 1 3 6
Stabilizzato
Stabilizzato
 
Messaggi: 452
Iscritto il: 10 ott 2011, 17:14
Località: Veneto

0
voti

[5] Re: Contattore a monte di tutto l'impianto

Messaggioda Foto UtenteAltorn » 30 mag 2022, 12:18

quindi con una bobina collegata al contattore?
Avatar utente
Foto UtenteAltorn
50 3 5
Stabilizzato
Stabilizzato
 
Messaggi: 326
Iscritto il: 14 gen 2016, 15:28

0
voti

[6] Re: Contattore a monte di tutto l'impianto

Messaggioda Foto Utentee7o7 » 30 mag 2022, 13:00

Altorn ha scritto:quindi con una bobina collegata al contattore?


un contatto del temporizzato da l'alimentazione alla bobina principale
Avatar utente
Foto Utentee7o7
347 1 3 6
Stabilizzato
Stabilizzato
 
Messaggi: 452
Iscritto il: 10 ott 2011, 17:14
Località: Veneto

0
voti

[7] Re: Contattore a monte di tutto l'impianto

Messaggioda Foto UtenteAltorn » 30 mag 2022, 13:10

Confermo lo farò con lo shelly collegato ad un UPS. Dirò attiva il contatto... E ritorna corrente in tutto l'impianto , in questo modo evito scatti intempestivi continuamente
Avatar utente
Foto UtenteAltorn
50 3 5
Stabilizzato
Stabilizzato
 
Messaggi: 326
Iscritto il: 14 gen 2016, 15:28

0
voti

[8] Re: Contattore a monte di tutto l'impianto

Messaggioda Foto UtenteAltorn » 30 mag 2022, 17:10

Di seguito circuito, potrebbe andare?
L'obiettivo è una volta che va via la corrente, scegliere io quando tornare su attraverso il pulsante sull'app del cellulare dell'apparato SHELLY.
Allegati
circuito.jpg
Avatar utente
Foto UtenteAltorn
50 3 5
Stabilizzato
Stabilizzato
 
Messaggi: 326
Iscritto il: 14 gen 2016, 15:28

0
voti

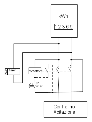
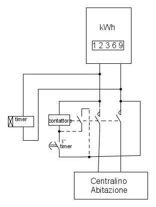
[9] Re: Contattore a monte di tutto l'impianto

Messaggioda Foto UtenteStefanoSunda » 30 mag 2022, 17:42

La tua richiesta forse è questa?
Avatar utente
Foto UtenteStefanoSunda
2.880 3 6 10
Master
Master
 
Messaggi: 1962
Iscritto il: 16 set 2010, 19:29

0
voti

[10] Re: Contattore a monte di tutto l'impianto

Messaggioda Foto UtenteAltorn » 30 mag 2022, 17:52

Praticamente si, nel sistema disegnato però è collegato un apparecchio "domotico" collegato ad UPS e quindi sempre acceso che manda notifica in caso di down e tira su con un click da cellulare.

Dovrebbe funzionare?
Avatar utente
Foto UtenteAltorn
50 3 5
Stabilizzato
Stabilizzato
 
Messaggi: 326
Iscritto il: 14 gen 2016, 15:28


Torna a Impianti, sicurezza e quadristica

Chi c’è in linea

Visitano il forum: Nessuno e 134 ospiti