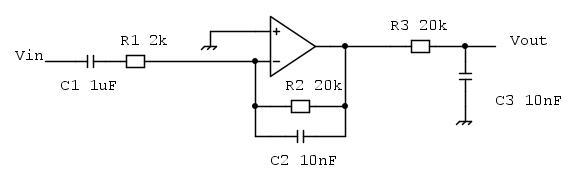
Buongiorno,ho un esercizio in cui mi si chiede di trovare la funzione di trasferimento di un filtro attivo Vout/Vin di cui riporto lo schema fidocad e vorrei sapere se è possibile ipotizzare una separazione in banda per poter semplificare i calcoli allo scopo di trovare la f.d.t.Mi spiego meglio,è possibile ipotizzare che quando comincia ad intervenire C1 allora C2 e C3 sono aperti mentre quando comiciano ad intervenire C2 allora C1 è chiuso e lo stesso dicasi per C3?
Grazie a quanti mi aiuteranno.
Funzione Trasferimento filtro attivo
Moderatori:
carloc,
g.schgor,
BrunoValente,
IsidoroKZ
34 messaggi
• Pagina 1 di 4 • 1, 2, 3, 4
0
voti
C1 dovrebbe vedere ai suoi capi solo R1,C2 vede in parallelo a se una resistenza minore di R2 mentre C3 dovrebbe vedere solo R3 data la bassa impedenza di uscita dell'op amp.....giusto?
-

Roswell1947
89 1 3 8 - Stabilizzato

- Messaggi: 438
- Iscritto il: 10 feb 2020, 16:39
0
voti
Roswell1947 ha scritto:... vorrei sapere se è possibile ipotizzare una separazione in banda per poter semplificare i calcoli allo scopo di trovare la f.d.t ...
Non vedo il senso di quella inutile ipotesi.
"Il circuito ha sempre ragione" (Luigi Malesani)
0
voti
vorrei sapere soltanto se è possibile o meno fare certe ipotesi allo scopo di esemplificare invece di fare il calcolo esatto dell f.d.t,magari in questo semplice caso si potrebbe anche procedere al calcolo esatto ma in altri casi il calcolo manuale potrebbe diventare oneroso in termini di tempo ed errori....
-

Roswell1947
89 1 3 8 - Stabilizzato

- Messaggi: 438
- Iscritto il: 10 feb 2020, 16:39
0
voti
In quali casi è utile fare l'ipotesi di separazione in banda?Inoltre il mio ragionamento al post 3 sulla seprazione n banda è corretto?Grazie
-

Roswell1947
89 1 3 8 - Stabilizzato

- Messaggi: 438
- Iscritto il: 10 feb 2020, 16:39
0
voti
Diagramma di Bode
0
voti
Come hai calcolato i poli? come hai calcolato la resistenza vista da C2?
-

Roswell1947
89 1 3 8 - Stabilizzato

- Messaggi: 438
- Iscritto il: 10 feb 2020, 16:39
0
voti
Come hai calcolato i poli?
@elfo lo ha scritto nel diagramma di bode.
come hai calcolato la resistenza vista da C2?
E' solo solo R2 .
Devi pensare al guadagno di un amplificatore reazionato invertente A = - Z2/Z1
@elfo lo ha scritto nel diagramma di bode.
come hai calcolato la resistenza vista da C2?
E' solo solo R2 .
Devi pensare al guadagno di un amplificatore reazionato invertente A = - Z2/Z1

0
voti
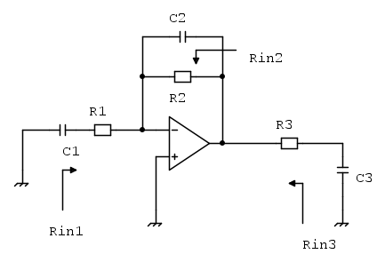
Ma se i volessi calcolare i poli per ispezione visiva?mi dovrei mettere in questa condizione
In questo caso perché Rin2=R2 essendoci di mezzo l'op amp?
In questo caso perché Rin2=R2 essendoci di mezzo l'op amp?
-

Roswell1947
89 1 3 8 - Stabilizzato

- Messaggi: 438
- Iscritto il: 10 feb 2020, 16:39
34 messaggi
• Pagina 1 di 4 • 1, 2, 3, 4
Chi c’è in linea
Visitano il forum: Google Adsense [Bot] e 225 ospiti

Elettrotecnica e non solo (admin)
Un gatto tra gli elettroni (IsidoroKZ)
Esperienza e simulazioni (g.schgor)
Moleskine di un idraulico (RenzoDF)
Il Blog di ElectroYou (webmaster)
Idee microcontrollate (TardoFreak)
PICcoli grandi PICMicro (Paolino)
Il blog elettrico di carloc (carloc)
DirtEYblooog (dirtydeeds)
Di tutto... un po' (jordan20)
AK47 (lillo)
Esperienze elettroniche (marco438)
Telecomunicazioni musicali (clavicordo)
Automazione ed Elettronica (gustavo)
Direttive per la sicurezza (ErnestoCappelletti)
EYnfo dall'Alaska (mir)
Apriamo il quadro! (attilio)
H7-25 (asdf)
Passione Elettrica (massimob)
Elettroni a spasso (guidob)
Bloguerra (guerra)






