Cablaggio Motore Asincrono Monofase
Moderatori:
SandroCalligaro,
mario_maggi,
fpalone
10 messaggi
• Pagina 1 di 1
0
voti
Salve a tutti,
avrei bisogno di un'aiuto.
Ho recuperato un vecchio motore asincrono monofase, volevo sostituire l'interruttore presente nel motore con uno nuovo visto che alcuni contatti sono arrugginiti.
Sto riscontrando difficoltà in primis nel comprendere il funzionamento del motore e successivamente nel capire come collegarlo al nuovo interruttore.
Di seguito i dati del motore.
Cercando in internet ho trovato questo schema: http://www.mcetechnik.it/setting/imm-art/int_sch_31.jpg
Credo sia lo schema che mi serva, pero' non riesco a capire a cosa si riferiscano i poli R, S, A, U, V.
Grazie anticipatamente.
avrei bisogno di un'aiuto.
Ho recuperato un vecchio motore asincrono monofase, volevo sostituire l'interruttore presente nel motore con uno nuovo visto che alcuni contatti sono arrugginiti.
Sto riscontrando difficoltà in primis nel comprendere il funzionamento del motore e successivamente nel capire come collegarlo al nuovo interruttore.
Di seguito i dati del motore.
Cercando in internet ho trovato questo schema: http://www.mcetechnik.it/setting/imm-art/int_sch_31.jpg
Credo sia lo schema che mi serva, pero' non riesco a capire a cosa si riferiscano i poli R, S, A, U, V.
Grazie anticipatamente.
-

ilciabattino
15 2 - Messaggi: 4
- Iscritto il: 12 feb 2022, 19:55
1
voti
Il selettore rotativo del motore dovrebbe avere le tre posizioni 0/1/AVV di cui l'ultima non mantenuta e fa la funzione "manuale" del classico interruttore centrifugo o altro disgiuntore, ovvero modificare la connessione degli avvolgimenti per aumentare la coppia di spunto durante la fase di avviamento:
Anni fa ne avevo visto uno che semplicemente inseriva temporaneamente l'avvolgimento di avviamento di un motore di tipo CSIR (Capacitor Start-Induction Run), diciamo in questo modo:
e dovrebbe essere del tipo che hai linkato, ma nel tuo caso, se vedo bene, dal motore escono 6 conduttori e mi fa pensare possa essere un motore asincrono monofase con 3 avvolgimenti, un vecchio professore di officina elettrica ce ne aveva parlato, un avvolgimento principale e due ausiliari che durante la fase di avviamento vengono connessi in modo diverso rispetto alla marcia, mentre attualmente, per avere coppie di spunto elevate, si adottano motori con doppio condensatore.
Per il tuo motore ipotizzerei:
Fili rosso e nero - avvolgimento principale
Fili gialli - avvolgimento ausiliario 1
Fili blu - avvolgimento ausiliario 2
Lo schema che hai postato relativo al motore però non mi è per nulla chiaro, io proverei a sentire il costruttore almeno per avere chiarezza sul funzionamento:
https://www.lafert.com/it
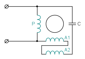
Anni fa ne avevo visto uno che semplicemente inseriva temporaneamente l'avvolgimento di avviamento di un motore di tipo CSIR (Capacitor Start-Induction Run), diciamo in questo modo:
e dovrebbe essere del tipo che hai linkato, ma nel tuo caso, se vedo bene, dal motore escono 6 conduttori e mi fa pensare possa essere un motore asincrono monofase con 3 avvolgimenti, un vecchio professore di officina elettrica ce ne aveva parlato, un avvolgimento principale e due ausiliari che durante la fase di avviamento vengono connessi in modo diverso rispetto alla marcia, mentre attualmente, per avere coppie di spunto elevate, si adottano motori con doppio condensatore.
Per il tuo motore ipotizzerei:
Fili rosso e nero - avvolgimento principale
Fili gialli - avvolgimento ausiliario 1
Fili blu - avvolgimento ausiliario 2
Lo schema che hai postato relativo al motore però non mi è per nulla chiaro, io proverei a sentire il costruttore almeno per avere chiarezza sul funzionamento:
https://www.lafert.com/it
1
voti
Grazie per la risposta .
Ho fatto delle verifiche con il multimetro.
I fili rosso e nero (i più spessi) sono in cortocircuito (dovrebbe essere l'avvolgimento principale) e presenta una resistenza di 2,1 Ohm.
I fili blu e bianco sono in cortocircuito (avvolgimenti di avviamento) e presentano entrambi una resistenza di 14 ohm.
Durante la fase di avviamento come vengono collegati i due avvolgimenti?
Ho fatto delle verifiche con il multimetro.
I fili rosso e nero (i più spessi) sono in cortocircuito (dovrebbe essere l'avvolgimento principale) e presenta una resistenza di 2,1 Ohm.
I fili blu e bianco sono in cortocircuito (avvolgimenti di avviamento) e presentano entrambi una resistenza di 14 ohm.
Durante la fase di avviamento come vengono collegati i due avvolgimenti?
-

ilciabattino
15 2 - Messaggi: 4
- Iscritto il: 12 feb 2022, 19:55
2
voti
Ok, hai appurato che abbiamo effettivamente 3 avvolgimenti (che non sono in cortocircuito), rosso/nero è il principale e gli altri i due ausiliari.
Sul sito della MCE Technik dove avevi linkato un selettore rotativo, ho trovato questo della Bremas, che sembra proprio il ricambio del tuo motore ed un altro analogo della Lucme, che ha disposizione dei contatti diversa. Sono selettori rotativi 0-1-AVV a 4 contatti e si parla di commutazione serie/parallelo per gli avvolgimenti ausiliari, le sigle P e F dovrebbero rappresentare "principio" e "fine" per gli ausiliari.
Ora, sarò io duro a capire, ma mi sembra si faccia a gara a mettere schemi incompleti per rendere difficile chiarire le connessioni.
Poi ho trovato su PLC Forum questa discussione del 2011, dove l'utente Sandro47 sembra avere un motore dello stesso tipo del tuo, ha sentito il costruttore che gli ha spiegato che gli avvolgimenti ausiliari vanno connessi in serie durante la fase di avviamento e successivamente in parallelo, lui afferma anche che il motore (immagino a vuoto) parte tranquillamente con avvolgimenti ausiliari direttamente in parallelo.
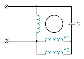
Quindi durante la fase di avviamento avremmo:
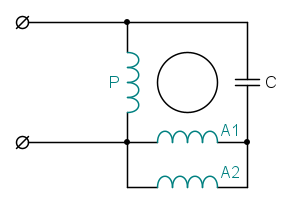
mentre durante la marcia:
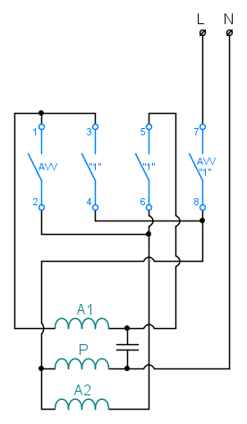
Il selettore rotativo che descrive lui sembra quello della Lucme:
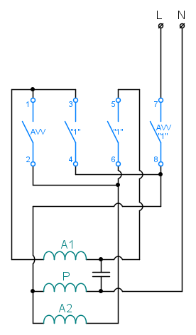
con contatto 7/8 che è attivo sia in marcia che in avviamento ed alimenta l'avvolgimento principale, il contatto 1/2 è attivo solo durante l'avviamento e connette in serie gli avvolgimenti ausiliari, mentre i contatti 3/4 e 5/6 sono attivi solo durante la marcia e connettono in parallelo gli ausiliari.
Da quello che ho capito io, lo schema completo con l'interruttore della Lucme sarebbe questo:
Rinnovo comunque il consiglio di provare a sentire prima il costruttore del motore, per avere una conferma sul funzionamento, poi in qualunque caso, se acquisti un nuovo interruttore rotativo, verificarne il funzionamento con un multimetro per chiarire il funzionamento dei contatti.
Mi permetto di coinvolgere anche
StefanoSunda e
SandroCalligaro, che magari conoscono questo tipo di motori, a mio avviso poco comuni.
Sul sito della MCE Technik dove avevi linkato un selettore rotativo, ho trovato questo della Bremas, che sembra proprio il ricambio del tuo motore ed un altro analogo della Lucme, che ha disposizione dei contatti diversa. Sono selettori rotativi 0-1-AVV a 4 contatti e si parla di commutazione serie/parallelo per gli avvolgimenti ausiliari, le sigle P e F dovrebbero rappresentare "principio" e "fine" per gli ausiliari.
Ora, sarò io duro a capire, ma mi sembra si faccia a gara a mettere schemi incompleti per rendere difficile chiarire le connessioni.
Poi ho trovato su PLC Forum questa discussione del 2011, dove l'utente Sandro47 sembra avere un motore dello stesso tipo del tuo, ha sentito il costruttore che gli ha spiegato che gli avvolgimenti ausiliari vanno connessi in serie durante la fase di avviamento e successivamente in parallelo, lui afferma anche che il motore (immagino a vuoto) parte tranquillamente con avvolgimenti ausiliari direttamente in parallelo.
Quindi durante la fase di avviamento avremmo:
mentre durante la marcia:
Il selettore rotativo che descrive lui sembra quello della Lucme:
con contatto 7/8 che è attivo sia in marcia che in avviamento ed alimenta l'avvolgimento principale, il contatto 1/2 è attivo solo durante l'avviamento e connette in serie gli avvolgimenti ausiliari, mentre i contatti 3/4 e 5/6 sono attivi solo durante la marcia e connettono in parallelo gli ausiliari.
Da quello che ho capito io, lo schema completo con l'interruttore della Lucme sarebbe questo:
Rinnovo comunque il consiglio di provare a sentire prima il costruttore del motore, per avere una conferma sul funzionamento, poi in qualunque caso, se acquisti un nuovo interruttore rotativo, verificarne il funzionamento con un multimetro per chiarire il funzionamento dei contatti.
Mi permetto di coinvolgere anche
2
voti
Ok, ti ringrazio per tutte le spiegazioni.
Sicuramente mi e' piu' chiaro di prima
Come hai consigliato tu provo a sentire il costruttore e se risponde provvedo a postare la risposta.
Sicuramente mi e' piu' chiaro di prima
Come hai consigliato tu provo a sentire il costruttore e se risponde provvedo a postare la risposta.
-

ilciabattino
15 2 - Messaggi: 4
- Iscritto il: 12 feb 2022, 19:55
0
voti
gelex911 ha scritto:Lafert poi...
-

SediciAmpere
4.187 5 5 8 - Master

- Messaggi: 4847
- Iscritto il: 31 ott 2013, 15:00
0
voti
gelex911 ha scritto:nicsergio ha scritto:provare a sentire prima il costruttore del motore
...auguri...
Lafert poi...
Come volevasi dimostrare nessuna risposta...
-

ilciabattino
15 2 - Messaggi: 4
- Iscritto il: 12 feb 2022, 19:55
10 messaggi
• Pagina 1 di 1
Chi c’è in linea
Visitano il forum: Nessuno e 5 ospiti

Elettrotecnica e non solo (admin)
Un gatto tra gli elettroni (IsidoroKZ)
Esperienza e simulazioni (g.schgor)
Moleskine di un idraulico (RenzoDF)
Il Blog di ElectroYou (webmaster)
Idee microcontrollate (TardoFreak)
PICcoli grandi PICMicro (Paolino)
Il blog elettrico di carloc (carloc)
DirtEYblooog (dirtydeeds)
Di tutto... un po' (jordan20)
AK47 (lillo)
Esperienze elettroniche (marco438)
Telecomunicazioni musicali (clavicordo)
Automazione ed Elettronica (gustavo)
Direttive per la sicurezza (ErnestoCappelletti)
EYnfo dall'Alaska (mir)
Apriamo il quadro! (attilio)
H7-25 (asdf)
Passione Elettrica (massimob)
Elettroni a spasso (guidob)
Bloguerra (guerra)








