Avevo un vecchio cancello Nice ed ho dovuto sostituire una centrale A3f con una più moderna MC800.
Ho fatto i collegamenti e la configurazione ma ho un problema: in chiusura quando intervengono le fotocellule ( int ed est collegate in serie) il cancello inverte il movimento ma non si riapre del tutto. Le fotocellule sono ok le ho provato pure con un tester. Gli ingressi delle fotocellule sono 8 e 4. Qualcuno può aiutarmi?
Cosa sbaglio?
Grazie in anticipo
Centrale Nice Cancello automatico MC800
32 messaggi
• Pagina 1 di 4 • 1, 2, 3, 4
0
voti
0
voti
Nessuno riesce ad aiutarmi ?
Non so proprio come fare...
Grazie
Non so proprio come fare...
Grazie
0
voti
Ma l'inversione di movimento è solo un accenno, come a scostarsi leggermente da un potenziale contrasto oppure compie un tratto significativo come se eseguisse effettivamente tutta la manovra ?
Non ho letto la documentazione, tu lo hai fatto ?
Perché mi chiedo cosa prevede il manuale istruzioni se la centralina rileva, appunto, la variazione di stato del segnale delle fotocellule in corrispondenza del morsetto che hai utilizzato( il n.8 o il n. 4 ?).
Saluti
Non ho letto la documentazione, tu lo hai fatto ?
Perché mi chiedo cosa prevede il manuale istruzioni se la centralina rileva, appunto, la variazione di stato del segnale delle fotocellule in corrispondenza del morsetto che hai utilizzato( il n.8 o il n. 4 ?).
Saluti
W - U.H.F.
-

WALTERmwp
30,2k 4 8 13 - G.Master EY

- Messaggi: 8990
- Iscritto il: 17 lug 2010, 18:42
- Località: le 4 del mattino
0
voti
No l'inversione di movimento non è solo un accenno, si muove un po' e poi si ferma.
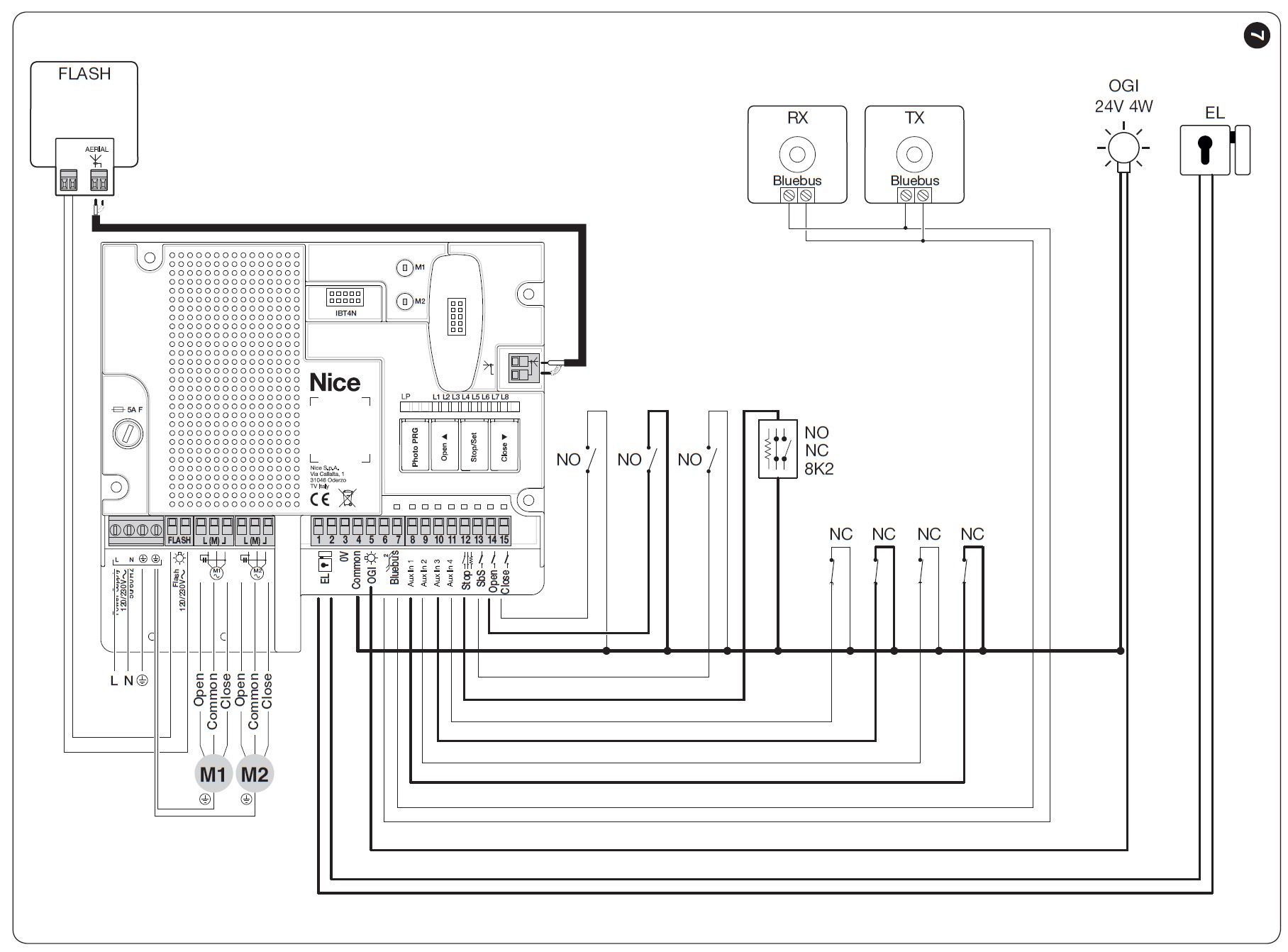
Io ho due coppie di fotocellule una interna ed una esterna e le ho collegate in serie...gli 8 morsetti delle 2 riceventi li ho collegati in questo modo: 2 su alimentazione 0v, 2 su comune 24 V, dei 4 che restano relativi ai contatti (r1_giallo, r1_verde, r2_giallo, r2_verde) li ho collegati così:
r1_giallo collegato a r2_verde
r1_verde collegato al morsetto 8 auxin1
r2_ giallo sul comune
Sbaglio qualcosa?
Io ho due coppie di fotocellule una interna ed una esterna e le ho collegate in serie...gli 8 morsetti delle 2 riceventi li ho collegati in questo modo: 2 su alimentazione 0v, 2 su comune 24 V, dei 4 che restano relativi ai contatti (r1_giallo, r1_verde, r2_giallo, r2_verde) li ho collegati così:
r1_giallo collegato a r2_verde
r1_verde collegato al morsetto 8 auxin1
r2_ giallo sul comune
Sbaglio qualcosa?
0
voti
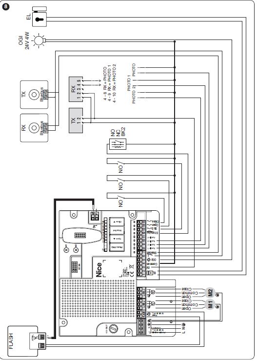
scarica fidocadj e disegna come hai collegato le fotocellule solo così potrai trovare qualcuno che ti aiuta, se vuoi risolvere basterebbe staccare le fotocellule e se sono a relè, basterebbe simulale manualmente con due pulsanti normalmente chiusi o due interrittori che metterai a ON, poi uno alla volta su of per un secondo, ovviamente vanno messi in serie tra di loro. Lo schema per chi volesse dare un aiuto dovrebbe essere questo:
-

elektronik
7.800 4 6 7 - Master

- Messaggi: 3836
- Iscritto il: 12 mag 2015, 22:26
0
voti
grazie elektronik.
Per l'esattezza lo schema è il seguente dal momento che le fotocellule sono a relè.
Se qualcuno può aiutarmi qui trovate il manuale:
https://www.niceforyou.com/sites/defaul ... 4a00it.pdf
Per l'esattezza lo schema è il seguente dal momento che le fotocellule sono a relè.
Se qualcuno può aiutarmi qui trovate il manuale:
https://www.niceforyou.com/sites/defaul ... 4a00it.pdf
0
voti
Premesso che non mi intendo di cancelli elettrici e che non ho voglia di studiarmi il manuale (
) e posto che ovviamente non conosci approfonditamente le funzioni della nuova centralina, non è che il comportamento riscontrato è "normale" e che non dipende da collegamenti errati ma da qualche impostazione di default che può essere modificata?
(Per esempio, che cosa è "Stop/set"?)
Il dubbio, ribadendo che non me ne intendo, mi viene considerando che, se non vado errato, la funzione delle fotocellule è meramente di sicurezza.
(Per esempio, che cosa è "Stop/set"?)
Il dubbio, ribadendo che non me ne intendo, mi viene considerando che, se non vado errato, la funzione delle fotocellule è meramente di sicurezza.
"Non farei mai parte di un club che accettasse la mia iscrizione" (G. Marx)
-

claudiocedrone
21,3k 4 7 9 - Master EY

- Messaggi: 15303
- Iscritto il: 18 gen 2012, 13:36
0
voti
dopo tante prove ho capito che la configurazione è ok.
L'unica cosa anomala è la misura della capacità del condensatore del motore..risulta infinita..cosa significa ?
L'unica cosa anomala è la misura della capacità del condensatore del motore..risulta infinita..cosa significa ?
0
voti
DELL ha scritto:dopo tante prove ho capito che la configurazione è ok.
L'unica cosa anomala è la misura della capacità del condensatore del motore..risulta infinita..cosa significa ?
Il condensatore lo hai misurato con un capacimetro? per quando riguarda la fotocellula se gli passi davanti mentre il cancello è in chiusura dovrebbe fermarsi e subito riaprirsi, per evitare che un mezzo o una persona vi rimanga schiacciato in mezzo
.
'
'
-

elektronik
7.800 4 6 7 - Master

- Messaggi: 3836
- Iscritto il: 12 mag 2015, 22:26
0
voti
DELL ha scritto:dopo tante prove ho capito che la configurazione è ok.
L'unica cosa anomala è la misura della capacità del condensatore del motore..risulta infinita..cosa significa ?
Il manuale riesci ad interpretarlo o hai delle riserve ?
Affermi che la configurazione è "ok", ma tu hai svolto tutti i passaggi per impostare la centralina in modo coerente rispetto allo stato del tuo cancello ?
Magari hai eseguito l'avviamento della centralina correttamente, ma capita che sfugga qualcosa.
A titolo di esempio: la funzione "Programmazione fotocellule" in relazione all'ing.aux 1, ha dato esito positivo ?
In fase di manovra, se non intervengono le fotocellule, apertura e chiusura vengono completate secondo le tue aspettative ?
Se si, perché ti poni dei dubbi sulla capacità del condensatore ?
Saluti
W - U.H.F.
-

WALTERmwp
30,2k 4 8 13 - G.Master EY

- Messaggi: 8990
- Iscritto il: 17 lug 2010, 18:42
- Località: le 4 del mattino
32 messaggi
• Pagina 1 di 4 • 1, 2, 3, 4
Chi c’è in linea
Visitano il forum: Nessuno e 6 ospiti

Elettrotecnica e non solo (admin)
Un gatto tra gli elettroni (IsidoroKZ)
Esperienza e simulazioni (g.schgor)
Moleskine di un idraulico (RenzoDF)
Il Blog di ElectroYou (webmaster)
Idee microcontrollate (TardoFreak)
PICcoli grandi PICMicro (Paolino)
Il blog elettrico di carloc (carloc)
DirtEYblooog (dirtydeeds)
Di tutto... un po' (jordan20)
AK47 (lillo)
Esperienze elettroniche (marco438)
Telecomunicazioni musicali (clavicordo)
Automazione ed Elettronica (gustavo)
Direttive per la sicurezza (ErnestoCappelletti)
EYnfo dall'Alaska (mir)
Apriamo il quadro! (attilio)
H7-25 (asdf)
Passione Elettrica (massimob)
Elettroni a spasso (guidob)
Bloguerra (guerra)