termocoppia LT1025 con OpAmp
Moderatori:
carloc,
g.schgor,
BrunoValente,
IsidoroKZ
30 messaggi
• Pagina 3 di 3 • 1, 2, 3
0
voti
Ne deduco che all'aumentare della frequnza il rumore venga attenuato come avevo detto nel precedente post.Per quanto rigurda la seconda domanda se li separi come in figura non interagiscono perché ognuno dei circuiti ha un solo condensatore e quindi introdurrebbe un solo polo,ma se li consideri contemporaneamente,cosi come dovrebbe essere ,a mio modesto parere, annullando la vin C e Cs risultano non indipendenti formando una maglia impropria e quindi introducono un solo polo,Cs vederebbe una resistenza nulla (dovuta al c.c.v) mentre C si troverebbe in parallelo con Cs e vederebbero un resistenza pari al parallelo di R2 e R1+P .O sbaglio??
-

Roswell1947
89 1 3 8 - Stabilizzato

- Messaggi: 438
- Iscritto il: 10 feb 2020, 16:39
0
voti
Roswell1947 ha scritto:Cs vede una resistenza nulla dovuta al fatto che V- è circa uguale a V+
Roswell1947 ha scritto:annullando la vin C e Cs risultano non indipendenti
Sicuro, sicuro, sicuro?
Per favore, fai i compiti a casa
P.S. tieni presente che il segnale e' applicato all'ingresso NON invertente dell'Op-Amp
0
voti
Io per calcolarmi i poli (frequenze naturali) metto sempre l'ingresso a zero (cosi mi hanno inseganto) e calcolo le costanti di tempo realtive.Ora se metto vin a zero mi sembra ovvio che anche V-=o (se l'op amp è ideale) quindi Cs vedra sempre una resistenza nulla o sbaglio??Viceversa con vion nulla anche vout è nulla ,inoltre C e Cs formano un maglia improria o sbaglio?se ho capito male...allora ti prego,se possibile,di fare alcuni schemi e dimmi come si calcolano correttamente i poli e zeri di questo circuito...grazie
-

Roswell1947
89 1 3 8 - Stabilizzato

- Messaggi: 438
- Iscritto il: 10 feb 2020, 16:39
0
voti
Nel post [5] (riferito allo schema del post [1]) scrivi (correttamente):
Che metodo hai applicato per calcolare il polo e lo zero?
Perche' non applichi lo stesso metodo nelle Fig. 1c, d ,e?
P.S. Le formule in LaTex sono piu' leggibili
Roswell1947 ha scritto:l'opamp introdurrà un polo fp2=1/(2*pi*Rx*C2) dove al max Rx=255k+100 che fornirà una frequenza fp2=6Hz circa con uno zero a fz=1/(2*pi*(R1//Rx))
Che metodo hai applicato per calcolare il polo e lo zero?
Perche' non applichi lo stesso metodo nelle Fig. 1c, d ,e?
P.S. Le formule in LaTex sono piu' leggibili
0
voti
Per calcolare i poli metto Vin=0 e lo sche ma diventa il seguente
Ora come si vede ,essendoci due elementi reattivi i poli dovrebbero essere ,in numero,pari a due ma essendoci una maglia impropria formata da Cs e C (vedi maglia rossa) i poli,in realtà, sarà uno solo.Ora C si verrà a trovare in parallelo a Cs ed entrambi formeranno un un condensatore C+Cs che vedrà una resistenza pari al parallelo di R2 con R1+P .
Se ho sbagliato la mia analisi fatemi vedere graficamente come si fanno a calcolare ,per ispezione,i poli e gli zeri di questo circuto.
Ora come si vede ,essendoci due elementi reattivi i poli dovrebbero essere ,in numero,pari a due ma essendoci una maglia impropria formata da Cs e C (vedi maglia rossa) i poli,in realtà, sarà uno solo.Ora C si verrà a trovare in parallelo a Cs ed entrambi formeranno un un condensatore C+Cs che vedrà una resistenza pari al parallelo di R2 con R1+P .
Se ho sbagliato la mia analisi fatemi vedere graficamente come si fanno a calcolare ,per ispezione,i poli e gli zeri di questo circuto.
-

Roswell1947
89 1 3 8 - Stabilizzato

- Messaggi: 438
- Iscritto il: 10 feb 2020, 16:39
0
voti
Mi trovi d'accordo sul fatto che nel circuito di fig 1c c'è un polo (dato che c'è una maglia improria formata da C e Cs) ed uno zero ma non sui valori del polo e dello zero,sicuramente sbaglierò io in qualche cosa ma a me viene che il diagamma di bode abbia guadagno in continua pari a (1+(R1+P)/R2) dove P e' la resistenza del potenziometro variabile tra 0 e 100 mentre il guadagno per f tendente ad infinito torna (C+Cs)/C,il valore del polo mi viene determinato dal parallelo di C e Cs e non solo da C.Comunque ,sempre se ti va, potresti illustrarmi ,graficamente sul circuito,i vari passaggi che hai fatto per trovare il polo e lo zero del circuito di fi 1c dove sono presenti contemporaneamente C e Cs?Grazie
-

Roswell1947
89 1 3 8 - Stabilizzato

- Messaggi: 438
- Iscritto il: 10 feb 2020, 16:39
0
voti
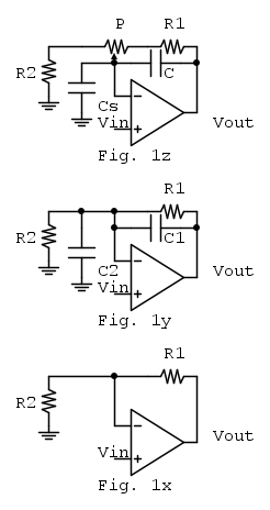
0) Resettiamo tutto e partiamo da definizioni e semplificazioni.
Fig. 1z Circuito originale da studiare
Fig. 1y Penso che si possa concordare che P sia inessenziale concettualmente e praticamente ai fini dello studio del circuito e quindi che si possa eliminare
1) Fig. 1x Circuito in "continua"

OK?
Fig. 1z Circuito originale da studiare
Fig. 1y Penso che si possa concordare che P sia inessenziale concettualmente e praticamente ai fini dello studio del circuito e quindi che si possa eliminare
1) Fig. 1x Circuito in "continua"

OK?
0
voti
2) Osserviamo il circuito di Fig. 1w
Si puo' dire che - con la convenzione adottata di Vin, Vout - e' presente un polo?
3) Osserviamo il circuito di Fig. 1v
inserisco la rete di Fig. 1w nel circuito di Fig. 1v.
Posso dire che nella funzione di trasferimento
e' presente uno zero?
Sapresti calcolare il valore della pulsazione dello zero e disegnare il diagramma di Bode del modulo della funzione di trasferimento
del circuito di Fig. 1v?
P.S Nei prox giorni non so se e quando potro' collegarmi
Si puo' dire che - con la convenzione adottata di Vin, Vout - e' presente un polo?
3) Osserviamo il circuito di Fig. 1v
inserisco la rete di Fig. 1w nel circuito di Fig. 1v.
Posso dire che nella funzione di trasferimento
e' presente uno zero?Sapresti calcolare il valore della pulsazione dello zero e disegnare il diagramma di Bode del modulo della funzione di trasferimento
del circuito di Fig. 1v?P.S Nei prox giorni non so se e quando potro' collegarmi
0
voti
In effetti ho sbagliato io a fare i calcoli,nel circuito di fig 1y è presente una maglia impropia formata da C1 e C2 che determina un solo polo invece di due,inoltre risulta esserci un solo zero.Per determinare il polo,mettendo vin=0,si vede che C2 vede una resistenza nulla (dovuto al c.c.v) mentre quello che determina il polo è C1 che vede una resistenza pari a R1,per quanto riguarda lo zero esso sarà determinato da fz=(1/2*pi)*(1/((R1//R2)*(C1+C2)),spero che ora la mia analisi sia corretta.
-

Roswell1947
89 1 3 8 - Stabilizzato

- Messaggi: 438
- Iscritto il: 10 feb 2020, 16:39
30 messaggi
• Pagina 3 di 3 • 1, 2, 3
Chi c’è in linea
Visitano il forum: Majestic-12 [Bot] e 45 ospiti

Elettrotecnica e non solo (admin)
Un gatto tra gli elettroni (IsidoroKZ)
Esperienza e simulazioni (g.schgor)
Moleskine di un idraulico (RenzoDF)
Il Blog di ElectroYou (webmaster)
Idee microcontrollate (TardoFreak)
PICcoli grandi PICMicro (Paolino)
Il blog elettrico di carloc (carloc)
DirtEYblooog (dirtydeeds)
Di tutto... un po' (jordan20)
AK47 (lillo)
Esperienze elettroniche (marco438)
Telecomunicazioni musicali (clavicordo)
Automazione ed Elettronica (gustavo)
Direttive per la sicurezza (ErnestoCappelletti)
EYnfo dall'Alaska (mir)
Apriamo il quadro! (attilio)
H7-25 (asdf)
Passione Elettrica (massimob)
Elettroni a spasso (guidob)
Bloguerra (guerra)




