Salve,
devo collegare a un microprocessore il sensore di temperatura ZTP-135SR https://f.hubspotusercontent40.net/hubfs/9035299/Documents/AAS-920-159D-ZTP-135SR-031314-web.pdf
per misurare la temperatura di una superfice senza contatto, tenendo il sensore a una distanza fissa...
questo è uno schema che ho trovato...
mi potreste indicare i valori dei componenti considerando Vin = 5V ?
La massa di C2 puo essere quella del resto del circuito?
grazie.
Sensore di temperatura ZTP-135SR
Moderatori:
carloc,
g.schgor,
BrunoValente,
IsidoroKZ
14 messaggi
• Pagina 1 di 2 • 1, 2
0
voti
Non hai definito i requisiti della tensione di uscita.
Propongo:
Vout = 2,5 V a 25 C°
Vout = 4 V a 80 C°
Vout = circa 1,5 V a -20 C°
Vanno bene?
CHe amplificatore operazionale intendi adoperare?
Io sono capace a farlo, ma per coinvolgerti, dovresti, leggendo il data sheet che hai linkato, fornirmi i valori della termoresistenza in kohm e della termopila in millivolt in corrispondenza delle temperature di -20, +25, +80 C°.
Poi vedremo se possiamo giungere a qualche dimensionamento.
Ti serve per gioco /sperimentazione o per lavoro?

Propongo:
Vout = 2,5 V a 25 C°
Vout = 4 V a 80 C°
Vout = circa 1,5 V a -20 C°
Vanno bene?
CHe amplificatore operazionale intendi adoperare?
Io sono capace a farlo, ma per coinvolgerti, dovresti, leggendo il data sheet che hai linkato, fornirmi i valori della termoresistenza in kohm e della termopila in millivolt in corrispondenza delle temperature di -20, +25, +80 C°.
Poi vedremo se possiamo giungere a qualche dimensionamento.
Ti serve per gioco /sperimentazione o per lavoro?

0
voti
Salve,
grazie per l'interessamento...
l'amplificatore è AD8628AR https://www.analog.com/media/en/technical-documentation/data-sheets/ad8628_8629_8630.pdf
Thermopile Chip:
Parameter Limits Units Condition
Min Typ Max
Chip Size 1.8 x 1.8 mm2
Diaphragm Size 1.4 x 1.4 mm2
Active Area 0.7 x 0.7 mm2
Internal Resistance 42 60 81 kΩ 25 °C
Resistance T.C. 0.12 %./ °C
Responsivity 43 62 81 V/W 500K, 1Hz
Responsivity T.C. -0.10 %./ °C
Noise Voltage 32 nV rms R.M.S., 25 °C
NEP 0.51 nW/Hz1/2 500K, 1Hz
Detectivity 1.35 E08 cmHz1/2/W 500K, 1Hz
Thermistor Resistance (R-T Table):
Tamb (°C) Rmin (kΩ Rcent (kΩ) Rmax (kΩ)
-20 909.1 947.9 987.3
-15 687.7 715.9 744.7
-10 524.5 545.4 566.5
-5 403.3 418.8 434.5
0 312.6 324.1 335.8
5 244.0 252.7 261.5
10 191.8 198.5 205.1
15 151.9 156.9 162.0
20 121.0 124.9 128.8
25 97.00 100.0 103.0
30 78.05 80.55 83.06
35 63.16 65.25 67.36
40 51.39 53.15 54.91
45 42.03 43.51 45.00
50 34.54 35.79 37.05
55 28.52 29.58 30.65
65 19.70 20.47 21.25
70 16.48 17.14 17.81
75 13.83 14.40 14.98
80 11.66 12.15 12.65
85 9.867 10.29 10.72
90 8.380 8.745 9.118
95 7.143 7.460 7.785
100 6.111 6.388 6.670
grazie per l'interessamento...
l'amplificatore è AD8628AR https://www.analog.com/media/en/technical-documentation/data-sheets/ad8628_8629_8630.pdf
Thermopile Chip:
Parameter Limits Units Condition
Min Typ Max
Chip Size 1.8 x 1.8 mm2
Diaphragm Size 1.4 x 1.4 mm2
Active Area 0.7 x 0.7 mm2
Internal Resistance 42 60 81 kΩ 25 °C
Resistance T.C. 0.12 %./ °C
Responsivity 43 62 81 V/W 500K, 1Hz
Responsivity T.C. -0.10 %./ °C
Noise Voltage 32 nV rms R.M.S., 25 °C
NEP 0.51 nW/Hz1/2 500K, 1Hz
Detectivity 1.35 E08 cmHz1/2/W 500K, 1Hz
Thermistor Resistance (R-T Table):
Tamb (°C) Rmin (kΩ Rcent (kΩ) Rmax (kΩ)
-20 909.1 947.9 987.3
-15 687.7 715.9 744.7
-10 524.5 545.4 566.5
-5 403.3 418.8 434.5
0 312.6 324.1 335.8
5 244.0 252.7 261.5
10 191.8 198.5 205.1
15 151.9 156.9 162.0
20 121.0 124.9 128.8
25 97.00 100.0 103.0
30 78.05 80.55 83.06
35 63.16 65.25 67.36
40 51.39 53.15 54.91
45 42.03 43.51 45.00
50 34.54 35.79 37.05
55 28.52 29.58 30.65
65 19.70 20.47 21.25
70 16.48 17.14 17.81
75 13.83 14.40 14.98
80 11.66 12.15 12.65
85 9.867 10.29 10.72
90 8.380 8.745 9.118
95 7.143 7.460 7.785
100 6.111 6.388 6.670
1
voti
Assomiglia a un dialogo fra sordi reticenti
:
Rispondo esattamente al tuo quesito:
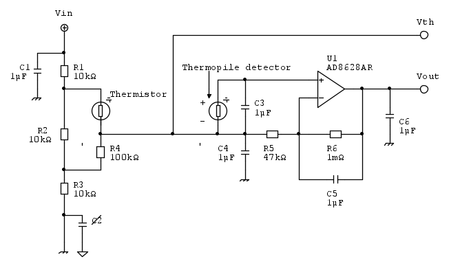
R1 = R2 = R3 10 kohm
R4 100 kohm
R5 47 kohm
R6 1 Mohm
tutti i condensatori 1 uF ceramico
C2 non lo mettere
Non essendo specificati i requisiti, funziona perfettamente
Rispondo esattamente al tuo quesito:
R1 = R2 = R3 10 kohm
R4 100 kohm
R5 47 kohm
R6 1 Mohm
tutti i condensatori 1 uF ceramico
C2 non lo mettere
Non essendo specificati i requisiti, funziona perfettamente

0
voti
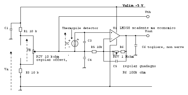
non capisco quella massa della resistenza da 10kOhm con scritto: TO BIAS VOLTAGE
Tensione di polarizzazione, una tensione intermedia fra la massa e la tensione di alimentazione dell'operazionale. Suggerisco 2,5 V ottenuti da un partitore costituito da due resistenze uguali ( supponiamo 10 kohm) connesse una al +5 V e l'altra al comune.
L'ultimo schema è sensibile alle variazioni della temperatura, quello precedente al valore della temperatura,
sono due applicazioni differenti.
Quale ti serve?
Ho il dubbio che tu non abbia le idee chiare e che tu abbia poche conoscenze pratiche,
in conclusione che tu sia più uno studente che un hobbista.
0
voti
diciamo che sono un programmatore (atmel, microchip, etc...)
riguardo l'elettronica ho sete di imparare continuamente...
e quindi chiedo consigli a esperti...
per quando riguarda la mia applicazione devo, come detto in precedenza, leggere il variare della temperatura di una superfice in ceramica senza contatto mettendo il sensore distante a pochi millimetri (tipo 5mm)...
cosa importante: leggere la variazione di temperatura in modo veloce e preciso...
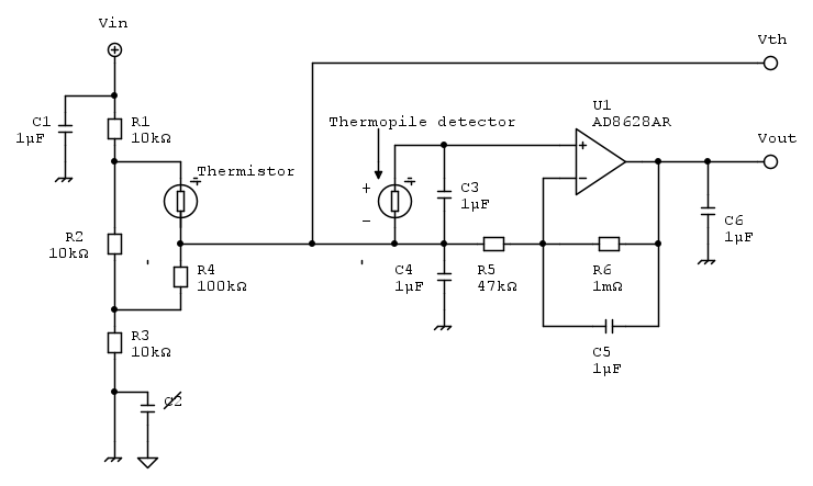
questo è lo schema di con i valori suggeriti...
se C2 potrebbe essere importante, posso prevedere la tensione intermedia con un partitore...
che pensi potrebbe andare bene ?
riguardo l'elettronica ho sete di imparare continuamente...
e quindi chiedo consigli a esperti...
per quando riguarda la mia applicazione devo, come detto in precedenza, leggere il variare della temperatura di una superfice in ceramica senza contatto mettendo il sensore distante a pochi millimetri (tipo 5mm)...
cosa importante: leggere la variazione di temperatura in modo veloce e preciso...
questo è lo schema di con i valori suggeriti...
se C2 potrebbe essere importante, posso prevedere la tensione intermedia con un partitore...
che pensi potrebbe andare bene ?
0
voti
diciamo che sono un programmatore (atmel, microchip, etc...)
La risposta è ambigua, lo fai per hobby o per lavoro ?
Intendi montare tu il circuito o lo commissioni ? Il componente ADxx è a montaggio superficiale, lo monti su un circuito stampato?
Ora alcune domande " sistemistiche":
Quale è il campo della temperatura che prevedi di misurare?
E il campo della temperatura ambiente?
E la precisione della lettura della temperatura?
E il tempo di risposta della misura della temperatura? decine di millisecondi, secondi, decine di secondi?
Quanti prevedi di costruirne? Un prototipo, dieci esemplari, mille ?
Come prevedi di collaudarli?
Le risposte influiscono sul progetto.
In ambiente di lavoro, si devono fare i progetti al meglio possibile, ossia leggere tutti i fogli tecnici dei componenti, solo facendo le cose al meglio si riesce ad essere competitivi.
0
voti
complimenti per il format delle domande...
comunque si il programmatore lo faccio per lavoro...
- questo però è un progetto che faccio io a livello hobbistico
- il circuito lo monterò io (ho fatto già altre cosine simili: basette fotosensibili/acido, basetta millefori etc...
veniamo alle risposte "sistemistiche":
- range temperatura da misurare da 15°C a 50°C
- precisione lettura 2/3°C
- lettura ogni 500mS
- prevedo di costruirne 1 (forse...
)
comunque si il programmatore lo faccio per lavoro...
- questo però è un progetto che faccio io a livello hobbistico
- il circuito lo monterò io (ho fatto già altre cosine simili: basette fotosensibili/acido, basetta millefori etc...
veniamo alle risposte "sistemistiche":
- range temperatura da misurare da 15°C a 50°C
- precisione lettura 2/3°C
- lettura ogni 500mS
- prevedo di costruirne 1 (forse...
0
voti
Se è per hobby e per un prototipo, monta quello sopra.
E ' più semplice, ma non ha la regoloazione della temperatura ambiente.
Con i due potenziometri trimmer regoli offset e guadagno ai valori che preferisci.

14 messaggi
• Pagina 1 di 2 • 1, 2
Chi c’è in linea
Visitano il forum: Nessuno e 165 ospiti

Elettrotecnica e non solo (admin)
Un gatto tra gli elettroni (IsidoroKZ)
Esperienza e simulazioni (g.schgor)
Moleskine di un idraulico (RenzoDF)
Il Blog di ElectroYou (webmaster)
Idee microcontrollate (TardoFreak)
PICcoli grandi PICMicro (Paolino)
Il blog elettrico di carloc (carloc)
DirtEYblooog (dirtydeeds)
Di tutto... un po' (jordan20)
AK47 (lillo)
Esperienze elettroniche (marco438)
Telecomunicazioni musicali (clavicordo)
Automazione ed Elettronica (gustavo)
Direttive per la sicurezza (ErnestoCappelletti)
EYnfo dall'Alaska (mir)
Apriamo il quadro! (attilio)
H7-25 (asdf)
Passione Elettrica (massimob)
Elettroni a spasso (guidob)
Bloguerra (guerra)





