Cos'è ElectroYou | Login Iscriviti

ElectroYou - la comunità dei professionisti del mondo elettrico

Eliminare disturbi su ingresso pin arduino

Elettronica lineare e digitale: didattica ed applicazioni

Moderatori: Foto Utentecarloc, Foto Utenteg.schgor, Foto UtenteBrunoValente, Foto UtenteIsidoroKZ

0
voti

[11] Re: Eliminare disturbi su ingresso pin arduino

Messaggioda Foto Utentecalida82 » 28 set 2022, 12:42

stefanopc ha scritto:Arduino (dipende dal modello) ha diversi counter interni asincroni adatti allo scopo.
Non è necessario usare interrupt se il segnale in ingresso comanda il counter direttamente col suo pin dedicato .
Se arrivano due impulsi contemporaneamente ogni counter farà correttamente il suo lavoro.
Poi ogni tanto vai a vedere se c'è stato un incremento e fai gli aggiornamenti del caso.
Arduino mega ad esempio mi sembra che abbia 6 counter e due di sicuro sono disponibili per essere utilizzati senza problemi.
Riguardo il rumore descrivi meglio il circuito attuale e da dove proviene il segnale magari con uno schema.
Ci sono masse /schermi collegati in comune ?
Ciao


Sto usando arduino nano, per counter intendi i pin identificati come INT0 INT1? se è cosi, i segnali dei contatori vanno proprio a questi pin. come accedo alle letture di questi contatori?
nel caso in cui riesco ad accedere alle letture di questi counter, come posso calcolare la potenza istantanea? con l'uso degli interrup divido 3600000 con la differenza in millisecondi tra un impulso e quello precedente ed ho la potenza esatta. leggendo i counter ad intervalli regolari il calcolo non è preciso.
comunque se puoi spiegarmi come accedere a questi counter mi fa piacere.
calida82 ha scritto:Si tratta di contatori con uscita S0. il cavo è un cavo di rete cat6 lungo circa 7 metri. (quando ho provato a collegarmi direttamente sui contatori era uguale avevo lo stesso problema. tre fili dello stesso cavo sono usati per leggere dati da un inverter tramite linea seriale che funziona perfettamente.
gli impulsi sono 1000 ogni kWh il mio contatore enel è da 6 kW. il circuito è alimentato dai 5v di arduino


con il polling riuscirei a rilevare gli impulsi, ma poi devo comunque inviare i dati letti ad altri dispositivi (nel mio caso raspberry tramite seriale) non c'è il rischio di perdere impulsi durante questa fase?

nel manuale del contatore non dice nulla riguardo l'uscita ad impulsi a parte il range di tensione ammessa e la corrente massima.
questo è cio che dice
Pulse outputThe SDM120 Series DIN rail energy meter is equipped with a pulse output which is fully separated from theinside circuit. That generates pulses in proportion to the measured energy for accuracy testing. The pulse output is a polarity dependant, passive transistor output requiring an external voltage source for correct operation. For this external voltage source, the voltage (Ui) should is 5-­27V DC, and the maximum input current (Iimax) is 27mA DC. To connect the impulse output, connect 5-­27V DC to connector 7 (anode), and the signal wire (S) to connector 6 (cathode)

come ho un attimo scarico fidocad e metto lo schema.
Avatar utente
Foto Utentecalida82
35 1 7
Frequentatore
Frequentatore
 
Messaggi: 138
Iscritto il: 11 set 2013, 14:52

0
voti

[12] Re: Eliminare disturbi su ingresso pin arduino

Messaggioda Foto Utenteluxinterior » 28 set 2022, 12:54

se dicevi all inizio che avevi un SDM120..
Mi pare che abbia anche una seriale 485 che collegata dritta al Raspberry sarebbe la morte sua
Avatar utente
Foto Utenteluxinterior
4.311 3 4 9
Master EY
Master EY
 
Messaggi: 2690
Iscritto il: 6 gen 2016, 17:48

0
voti

[13] Re: Eliminare disturbi su ingresso pin arduino

Messaggioda Foto Utentedjnz » 28 set 2022, 14:17

calida82 ha scritto:con il polling riuscirei a rilevare gli impulsi, ma poi devo comunque inviare i dati letti ad altri dispositivi (nel mio caso raspberry tramite seriale) non c'è il rischio di perdere impulsi durante questa fase?

Dipende da come è strutturato il software e se si usano funzioni/librerie bloccanti. Nel caso di semplice trasmissione seriale basta non saturare il buffer di uscita (64 byte) nel tentativo di inviare più dati di quelli che in quel tempo possono essere trasmessi.

nel manuale del contatore non dice nulla riguardo l'uscita ad impulsi a parte il range di tensione ammessa e la corrente massima.

Qui leggo: "Pulse output 2 is non-configurable. It is fixed up with Import kWh. The constant is 1000imp/kWh. The Pulse width: 60ms"

Quindi con 6 kW abbiamo un impulso di 60 ms ogni 0,6 secondi. Ci si può permettere anche un campione ogni 10 ms. L'errore di riconoscimento dell'inizio impulso sarà di 0..10 ms, cioè nel caso peggiore a 6 kW circa lo 0,83% in difetto di potenza istantanea calcolata (-50 W a 6 kW, -13 W a 3 kW, -2 W a 1 kW)
Una domanda ben posta è già mezza risposta.
Avatar utente
Foto Utentedjnz
1.590 1 4 7
Master
Master
 
Messaggi: 709
Iscritto il: 26 lug 2020, 14:52

0
voti

[14] Re: Eliminare disturbi su ingresso pin arduino

Messaggioda Foto Utentecalida82 » 28 set 2022, 15:31

luxinterior ha scritto:se dicevi all inizio che avevi un SDM120..
Mi pare che abbia anche una seriale 485 che collegata dritta al Raspberry sarebbe la morte sua

magari... il mio non è il modello modbus ma ha solo un unica uscita ad impulsi...
Avatar utente
Foto Utentecalida82
35 1 7
Frequentatore
Frequentatore
 
Messaggi: 138
Iscritto il: 11 set 2013, 14:52

0
voti

[15] Re: Eliminare disturbi su ingresso pin arduino

Messaggioda Foto Utentecalida82 » 29 set 2022, 7:16

Forse ho risolto, quando ho provato ad inserire il condensatore per provare ad eliminare il disturbo il gnd sembra che non facesse bene contatto (avevo fatto delle prove con fili volanti senza breadbord e resistenze e condensatori infilati nei jumpers femmine) ho provato nuovamente e rimontare i condensatori e i disturbi si sono attenuati. sono ancora leggermente presenti appena dopo l'impulso (cosa che non succedeva prima. senza condensatore gli attimi prima e dopo l'impulsi erano perfetti) ma si attenuano fino quasi a scomparire passato poco tempo. visto con plotter seriali con campionamento ogni 200 microsecondi i disturbi che ci sono ora hanno picchi che scendono da 1023 fino a 1018 credo che questo non comporti un problema, prima scendeva intorno agli 800...
lo senza usare polling sono tornato al mio sketch di origine con gli interrup. e sembra funzionare bene. stanotte non ho ricevuto nessuna falsa lettura
Allegati
grafico.png
Avatar utente
Foto Utentecalida82
35 1 7
Frequentatore
Frequentatore
 
Messaggi: 138
Iscritto il: 11 set 2013, 14:52

0
voti

[16] Re: Eliminare disturbi su ingresso pin arduino

Messaggioda Foto UtenteMarcoD » 29 set 2022, 10:21

visto con plotter seriali con campionamento ogni 200 microsecondi i disturbi che ci sono ora hanno picchi che scendono da 1023 fino a 1018 credo che questo non comporti un problema, prima scendeva intorno agli 800...
Probabilmente c'è un numero errato :-) .
Il grafico allegato non è spiegato, non è chiaro, manca la scala dei tempi.
Se poi gli impulsi utili sono lunghi 60 ms, occorre filtrare preventivamente.
Avatar utente
Foto UtenteMarcoD
12,2k 5 9 13
Master EY
Master EY
 
Messaggi: 6696
Iscritto il: 9 lug 2015, 16:58
Località: Torino

0
voti

[17] Re: Eliminare disturbi su ingresso pin arduino

Messaggioda Foto Utentecalida82 » 29 set 2022, 13:09

il grafico allegato non è la stampa del plotter seriale, è la registrazione in degli impulsi contati e della potenza istantanea dei 2 contatori durante la notte. prima su questo grafico mi comparivano delle letture errato potenze che arrivavano a 32000w e migliaia di impulsi contati nel giro di qualche minuto...
Avatar utente
Foto Utentecalida82
35 1 7
Frequentatore
Frequentatore
 
Messaggi: 138
Iscritto il: 11 set 2013, 14:52

0
voti

[18] Re: Eliminare disturbi su ingresso pin arduino

Messaggioda Foto UtenteGioArca67 » 29 set 2022, 15:11

E che sono quei picchi all'inizio e alla fine?
Avatar utente
Foto UtenteGioArca67
4.580 4 6 9
Master EY
Master EY
 
Messaggi: 4593
Iscritto il: 12 mar 2021, 9:36

0
voti

[19] Re: Eliminare disturbi su ingresso pin arduino

Messaggioda Foto Utentestefanopc » 29 set 2022, 19:02



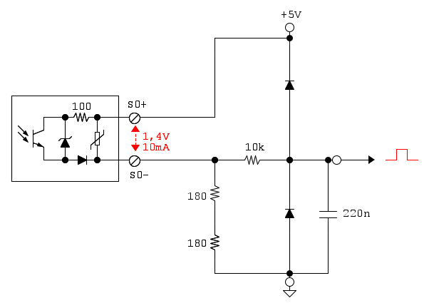
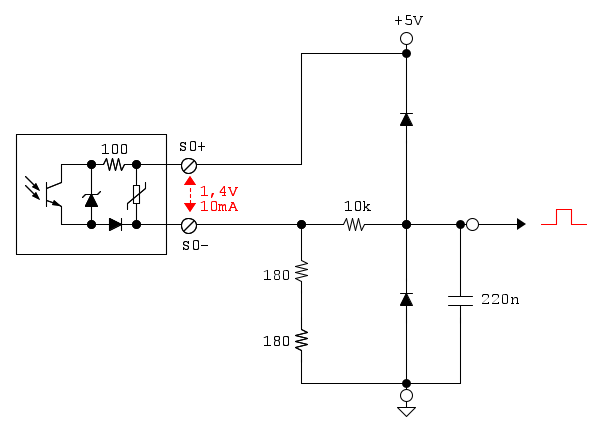
Io proverei cosi.
Ciao
600 Elettra
Avatar utente
Foto Utentestefanopc
13,3k 5 9 13
Master EY
Master EY
 
Messaggi: 5567
Iscritto il: 4 ago 2020, 9:11

0
voti

[20] Re: Eliminare disturbi su ingresso pin arduino

Messaggioda Foto Utentestefanopc » 29 set 2022, 19:10

in allegato un piccolo sunto per l'utilizzo dei contatori interni.
Ciao
Allegati
Timer-tcnt1-3.pdf
(203.99 KiB) Scaricato 119 volte
600 Elettra
Avatar utente
Foto Utentestefanopc
13,3k 5 9 13
Master EY
Master EY
 
Messaggi: 5567
Iscritto il: 4 ago 2020, 9:11

PrecedenteProssimo

Torna a Elettronica generale

Chi c’è in linea

Visitano il forum: Nessuno e 133 ospiti