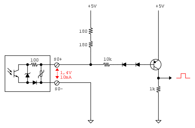
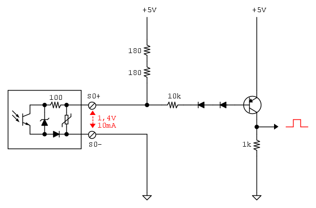
djnz ha scritto:Da quanto leggo sono uscite open collector fino a 30V con una discreta caduta di tensione (fortemente dipendente dalla corrente circolante) e una discreta corrente di fuga in stato off (fino a 2 mA). Bisogna misurare la corrente circolante ai capi di una resistenza (qui da 360 Ω per avere 10 mA). Il transistor conduce quando S0+ scende sotto i 3 V (cioè con almeno 5,5 mA assorbiti).
Ho la necessita di usare un wemos d1 mini anziche arduino, perche il raspberry legge gia un'altra linea seriale e dopo aver aggiunto anche queste con arduino a volte i raspberry va in blocco. Vorrei provare a usare wemos e inviare dati tramite mqtt wifi.
ho provato a collegarlo(con la sola resistenza di pullup senza il trasistor), funziona ma ho nuovamente molti falsi impulsi forse perche wemos lavora a 3v3 e la tensione minima indicata dai contatori è 5v. ho provato ad usare come pullup una resistenza da 100ohm (con 190ohm avrei i famigerati 10mA) per far scorrere piu di 10mA nei contatori, ma questo non risolve il problema.
potrei usare questo schema per far lavorare i contatori a 5v e tramite transistor fornire 3v3 allingresso del wemos?
puoi spiegarmi come hai calcolato i 5,5ma assorbiti?
grazie

Elettrotecnica e non solo (admin)
Un gatto tra gli elettroni (IsidoroKZ)
Esperienza e simulazioni (g.schgor)
Moleskine di un idraulico (RenzoDF)
Il Blog di ElectroYou (webmaster)
Idee microcontrollate (TardoFreak)
PICcoli grandi PICMicro (Paolino)
Il blog elettrico di carloc (carloc)
DirtEYblooog (dirtydeeds)
Di tutto... un po' (jordan20)
AK47 (lillo)
Esperienze elettroniche (marco438)
Telecomunicazioni musicali (clavicordo)
Automazione ed Elettronica (gustavo)
Direttive per la sicurezza (ErnestoCappelletti)
EYnfo dall'Alaska (mir)
Apriamo il quadro! (attilio)
H7-25 (asdf)
Passione Elettrica (massimob)
Elettroni a spasso (guidob)
Bloguerra (guerra)

