Buongiorno,
ho tra le mani un motore elettrico che mi piacerebbe far partire.
Tutti i dati utili dovrebbero essere visibili in targa.
Come si vede nelle foto è evidente dove inserire il cavo elettrico (passacavo nero) e dove collegare la messa a terra (vite vicino al passacavo).
Non mi è chiaro invece dove connettere neutro e fase... Avete qualche dritta da passarmi?
Grazie!
Carlo
Cablaggio motore elettrico
Moderatori:
SandroCalligaro,
mario_maggi,
fpalone
4 messaggi
• Pagina 1 di 1
1
voti
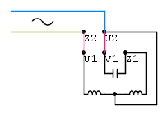
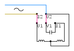
La linea va sui morsetti contrassegnati U1 & U2.
Se vuoi far girare il motore nell'altro senso, devi scollegare il capo del condensatore che è collegato su U1 e collegarlo su U2.
Se vuoi far girare il motore nell'altro senso, devi scollegare il capo del condensatore che è collegato su U1 e collegarlo su U2.
Alex
https://www.facebook.com/Elettronicaeelettrotecnica
<< vedi di pigliare arditamente in mano, il dizionario che ti suona in bocca,
se non altro è schietto e paesano.
(Giuseppe Giusti) <<
https://www.facebook.com/Elettronicaeelettrotecnica
<< vedi di pigliare arditamente in mano, il dizionario che ti suona in bocca,
se non altro è schietto e paesano.
(Giuseppe Giusti) <<
0
voti
Buongiorno,
mi sono poi accorto che lo schema di cablaggio è fuso nel fondo del coperchio (vedi allegato).
Per la rotazione in senso orario lì si indica di connettersi a Z2 e U1; essendo Z2 collegato a U2, è del tutto equivalente a quanto correttamente suggerito da
setteali.
Dopo aver un po' approfondito il funzionamento di un motore asincrono monofase con condensatore, ho provato ad ipotizzare come siano fatti i collegamenti interni di quel motore, e sono giunto a questa soluzione:
Ci ho preso?
Grazie!
Carlo
mi sono poi accorto che lo schema di cablaggio è fuso nel fondo del coperchio (vedi allegato).
Per la rotazione in senso orario lì si indica di connettersi a Z2 e U1; essendo Z2 collegato a U2, è del tutto equivalente a quanto correttamente suggerito da
Dopo aver un po' approfondito il funzionamento di un motore asincrono monofase con condensatore, ho provato ad ipotizzare come siano fatti i collegamenti interni di quel motore, e sono giunto a questa soluzione:
Ci ho preso?
Grazie!
Carlo
4 messaggi
• Pagina 1 di 1
Chi c’è in linea
Visitano il forum: Nessuno e 32 ospiti

Elettrotecnica e non solo (admin)
Un gatto tra gli elettroni (IsidoroKZ)
Esperienza e simulazioni (g.schgor)
Moleskine di un idraulico (RenzoDF)
Il Blog di ElectroYou (webmaster)
Idee microcontrollate (TardoFreak)
PICcoli grandi PICMicro (Paolino)
Il blog elettrico di carloc (carloc)
DirtEYblooog (dirtydeeds)
Di tutto... un po' (jordan20)
AK47 (lillo)
Esperienze elettroniche (marco438)
Telecomunicazioni musicali (clavicordo)
Automazione ed Elettronica (gustavo)
Direttive per la sicurezza (ErnestoCappelletti)
EYnfo dall'Alaska (mir)
Apriamo il quadro! (attilio)
H7-25 (asdf)
Passione Elettrica (massimob)
Elettroni a spasso (guidob)
Bloguerra (guerra)




