Cos'è ElectroYou | Login Iscriviti

ElectroYou - la comunità dei professionisti del mondo elettrico

Amplificatore da strumentazione....?

Elettronica lineare e digitale: didattica ed applicazioni

Moderatori: Foto Utentecarloc, Foto Utenteg.schgor, Foto UtenteBrunoValente, Foto UtenteIsidoroKZ

0
voti

[1] Amplificatore da strumentazione....?

Messaggioda Foto Utentelucaking » 16 nov 2022, 19:03

Ciao a tutti,
Vorrei imparare ad usare delle celle di carico, lo scopo finale dovrebbe essere quello di misurare la forza esercitata su di una leva.
Visto che mi piacerebbe capire qualcosa di quello che faccio, sono partito recuperando una cella di carico di una vecchia bilanci economica dal mucchio del ciarpame, per cominciare a famigliarizzarci.
Da quello che ho capito, le piu comuni sono composte da 4 estensimetri incollati su un supporto "flessibile" a formare un ponte di wheatstone.
Ho visto che quella in mio possesso, alimentata a 5 volt, sbilancia il ponte di circa 1 mV per chilogrammo applicato (misure fatte con il mio multimetro economico 200 mv fondoscala).
Visto che mi piacerebbe acquisire i dati con un microcontrollore, prima di ordinare un modulino HX711, mi sono un poco documentato e ho fatto qualche prova.
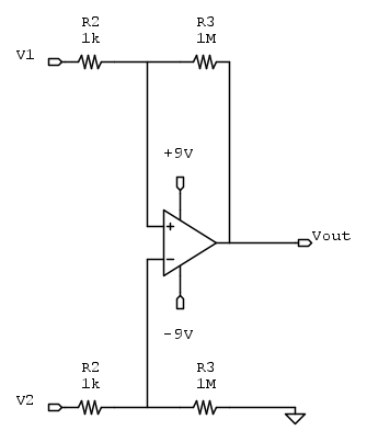
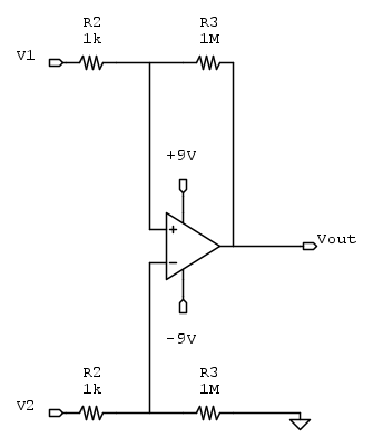
Dapprima ho provato ad amplificare il segnale fornito dalla cella con un semplice LM358 in configurazione differenziale a guadagno 1000 così come mi è sembrato:


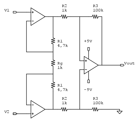
Poi ho messo su breadboard anche il classico schema di un "amplificatore da strumentazione" con un LM324 che avevo in casa come riportato qui sotto:

In entrambi i casi, ho utilizzato normali resistori tolleranza 5%, l' unica accortezza è stata di misurali e cercare le coppie con valori il piu uguali possibile.
Entrambi i circuiti qualcosa fanno, nel senso che amplificano il segnale di circa 1000 volte con il rumore che ne consegue, dando cosi in uscita, circa un volt per chilogrammo applicato sulla cella.
Ma onestamente non ho visto grosse differenze tra i due di stabilità e rumorosità.
La cosa che mi piacerebbe risolvere è l' offset di circa 300 mV sull' uscita quando tra V1 e V2 ci sono 0 V.
Immagino si possa fare con un partitore di tensione che "sposti" il riferimento, ma non so se è un bel lavoro.

Siccome che da cio che ho potuto leggere, fare un amplificatore da strumentazione partendo da un LM324 non deve essere proprio il massimo, per citare Foto UtentePiercarlo, "come voler mandare in orbita un satellite usando deii fuochi d'artificio come propulsori...", gia che ci siamo, vi chiedo anche consiglio su quale potrebbe essere una soluzione senza troppe pretese da tenere in laboratorio.
Modulini cinesi, integrati appositi o quanta' altro.
Essendo un argomento a me del tutto nuovo, ogni consiglio è benaccetto.
Grazie
Avatar utente
Foto Utentelucaking
1.651 4 5 8
Expert
Expert
 
Messaggi: 1445
Iscritto il: 29 mag 2015, 14:28

0
voti

[2] Re: Amplificatore da strumentazione....?

Messaggioda Foto UtenteEtemenanki » 16 nov 2022, 19:35

Ce ne sono una marea ormai disponibili ... ad esempio, questo, oppure questo, oppure questo, oppure questo, tanto per dire i primi che mi sono capitati sotto tiro, poi il modello preciso dipendera' da quello che ci vorrai fare tu ;-)
"Sopravvivere" e' attualmente l'unico lusso che la maggior parte dei Cittadini italiani,
sia pure a costo di enormi sacrifici, riesce ancora a permettersi.
Avatar utente
Foto UtenteEtemenanki
9.517 3 6 10
Master
Master
 
Messaggi: 5940
Iscritto il: 2 apr 2021, 23:42
Località: Dalle parti di un grande lago ... :)

1
voti

[3] Re: Amplificatore da strumentazione....?

Messaggioda Foto UtenteBrunoValente » 16 nov 2022, 20:56

Oltre ad utilizzare un operazionale a bassissimo offset devi anche limitare la banda a pochi Hz altrimenti verresti sommerso dal rumore.

Alla lista di Etemenanki aggiungo questo che ha un valore di offset particolarmente basso e dove è riportato uno schema di principio per cella di carico con limitazione della banda.

lucaking ha scritto:La cosa che mi piacerebbe risolvere è l' offset di circa 300 mV sull' uscita quando tra V1 e V2 ci sono 0 V.
Immagino si possa fare con un partitore di tensione che "sposti" il riferimento, ma non so se è un bel lavoro.


Con l'LM358 è una cosa priva di senso.

Considera che una cella di carico generalmente offre una risoluzione di una parte su mille del fondo scala, quindi, ipotizzando che il fondo scala della tua cella sia 10kg, se con 10kg sbilancia il ponte di 10mV vuol dire che per apprezzare 1g devi riuscire a misurare 10uV.

Vuol dire che con l'LM358, che ha una deriva della tensione di offset di 7uV/°C, anche se con un trimmer potresti riuscire ad annullare l'offset, il valore che andresti a leggere varierebbe di 0.7g per ogni variazione di un solo grado della temperatura.
Avatar utente
Foto UtenteBrunoValente
39,6k 7 11 13
G.Master EY
G.Master EY
 
Messaggi: 7796
Iscritto il: 8 mag 2007, 14:48

0
voti

[4] Re: Amplificatore da strumentazione....?

Messaggioda Foto UtenteMarcoD » 16 nov 2022, 21:59

Se per la misura si utilizza un microprocessore con un pulsante che abilita la lettura a vuoto che corrisponde alla tara, l'offset dell'amplificatore non è più così importante.
Avatar utente
Foto UtenteMarcoD
12,2k 5 9 13
Master EY
Master EY
 
Messaggi: 6696
Iscritto il: 9 lug 2015, 16:58
Località: Torino

0
voti

[5] Re: Amplificatore da strumentazione....?

Messaggioda Foto Utenteedgar » 17 nov 2022, 0:23

Potresti anche valutare un amplificatore auto-zero. Qui trovi delle informazioni
Avatar utente
Foto Utenteedgar
10,0k 4 5 8
Master
Master
 
Messaggi: 5229
Iscritto il: 15 set 2012, 22:59

0
voti

[6] Re: Amplificatore da strumentazione....?

Messaggioda Foto Utentestefanopc » 17 nov 2022, 9:46

Una volta studiato il problema esistono soluzioni interessanti come ADS1232 nel quale è già presente un amplificatore programmabile a basso rumore e un adeguato Adc ad un prezzo accettabile .
Ciao
600 Elettra
Avatar utente
Foto Utentestefanopc
13,3k 5 9 13
Master EY
Master EY
 
Messaggi: 5567
Iscritto il: 4 ago 2020, 9:11

0
voti

[7] Re: Amplificatore da strumentazione....?

Messaggioda Foto UtenteBrunoValente » 17 nov 2022, 10:45

edgar ha scritto:Potresti anche valutare un amplificatore auto-zero. Qui trovi delle informazioni

Anche quello proposto da me è un chopper amplifiers
Avatar utente
Foto UtenteBrunoValente
39,6k 7 11 13
G.Master EY
G.Master EY
 
Messaggi: 7796
Iscritto il: 8 mag 2007, 14:48

1
voti

[8] Re: Amplificatore da strumentazione....?

Messaggioda Foto UtenteIsidoroKZ » 17 nov 2022, 10:46

A parte tutti i buoni consigli pratici che ti sono stati dati, mi piace quando qualcuno prova a costruire un circuito per capire come funziona e quali sono i problemi. Facendo un circuito "di bassa qualita`", e` piu` facile vedere i difetti e imparare come funziona un circuito reale!

Sui tuoi ampli da strumentazione puoi provare a misurare l'amplificazione di modo comune, collegando insieme i due ingressi e applicando un segnale appunto "comune". Prima in DC poi in alternata e vedi come varia l'amplificazione di modo comune al variare della frequenza.

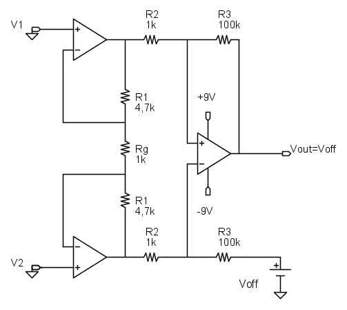
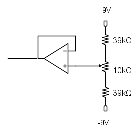
Per togliere l'offset da quel circuito (stupisco siano sono 300mV in uscita), puoi iniettare una continua dove ho messo la batteria in questo schema: la tensione della batteria viene riportata con guadagno unitario sull'uscita.



Per fare una tensione variabile che cancelli l'offset in uscita, puoi usare questo circuito



Ah, i bei tempi in cui facevo anch'io queste stesse prove (proprio con il 324!) :D :D
Per usare proficuamente un simulatore, bisogna sapere molta più elettronica di lui
Plug it in - it works better!
Il 555 sta all'elettronica come Arduino all'informatica! (entrambi loro malgrado)
Se volete risposte rispondete a tutte le mie domande
Avatar utente
Foto UtenteIsidoroKZ
121,2k 1 3 8
G.Master EY
G.Master EY
 
Messaggi: 21059
Iscritto il: 17 ott 2009, 0:00

0
voti

[9] Re: Amplificatore da strumentazione....?

Messaggioda Foto UtenteBrunoValente » 17 nov 2022, 10:49

MarcoD ha scritto:Se per la misura si utilizza un microprocessore con un pulsante che abilita la lettura a vuoto che corrisponde alla tara, l'offset dell'amplificatore non è più così importante.

Ciao Marco, aggiungo che comunque resterebbe il problema della deriva dell'offset
Avatar utente
Foto UtenteBrunoValente
39,6k 7 11 13
G.Master EY
G.Master EY
 
Messaggi: 7796
Iscritto il: 8 mag 2007, 14:48

0
voti

[10] Re: Amplificatore da strumentazione....?

Messaggioda Foto UtenteBrunoValente » 17 nov 2022, 10:51

IsidoroKZ ha scritto:Ah, i bei tempi in cui facevo anch'io queste stesse prove (proprio con il 324!)

A chi lo dici! :-)
Avatar utente
Foto UtenteBrunoValente
39,6k 7 11 13
G.Master EY
G.Master EY
 
Messaggi: 7796
Iscritto il: 8 mag 2007, 14:48

Prossimo

Torna a Elettronica generale

Chi c’è in linea

Visitano il forum: Nessuno e 281 ospiti