Cos'è ElectroYou | Login Iscriviti

ElectroYou - la comunità dei professionisti del mondo elettrico

Consiglio differenziale di tipo F...

Progettazione, esercizio, manutenzione, sicurezza, leggi, normative...

Moderatori: Foto Utentesebago, Foto UtenteMASSIMO-G, Foto Utentelillo, Foto UtenteMike

0
voti

[51] Re: Consiglio differenziale di tipo F...

Messaggioda Foto UtenteMike » 17 feb 2023, 10:44

undertherain ha scritto:Mi viene un totale di 122A, e che serve... un interruttore generale magnetotermico 2x60A???
Oppure... ne vanno messi più di uno che gestiscono tipo 3 linee a testa?
Chiedo sempre venia e ringrazio.


Esiste il "fattore di contemporaneità" che è il parametro più difficile da individuare, ovvero l'utilizzo contemporaneo dei vari carichi elettrici.
--
Michele Lysander Guetta
--
"Non pensare mai al dolore, al pericolo o ai nemici un momento più lungo del necessario per combatterli." — Ayn Rand
Avatar utente
Foto UtenteMike
55,6k 7 10 12
G.Master EY
G.Master EY
 
Messaggi: 17005
Iscritto il: 1 ott 2004, 18:25
Località: Conegliano (TV)

0
voti

[52] Re: Consiglio differenziale di tipo F...

Messaggioda Foto Utenteundertherain » 17 feb 2023, 11:50

Mike ha scritto:
undertherain ha scritto:Mi viene un totale di 122A, e che serve... un interruttore generale magnetotermico 2x60A???
Oppure... ne vanno messi più di uno che gestiscono tipo 3 linee a testa?
Chiedo sempre venia e ringrazio.


Esiste il "fattore di contemporaneità" che è il parametro più difficile da individuare, ovvero l'utilizzo contemporaneo dei vari carichi elettrici.

Ma infatti... ottimo, come pensavo.
Ho letto che la regola è che sia sempre maggiore o come minimo uguale alla somma di quanto c'è a valle, ma io al momento ho un modestissimo contatore ENEL 3 kW, per cui... di cosa stiamo parlando che a 220 V sono 15A?
Ottimo, ti chiedo il favore di dare un'occhiata veloce se torna tutto, premesso che poi vedrò che dice elettricista:

- Misuratore connesso su contatore ENEL

- 1° blocco (totale 6 moduli)
- Scaricatore di sovratensione di tipo 2 - Zotup L 2/10 230 ff 2 TT (2 moduli)
- Interruttore generale magnetotermico 2x25A 6kA che esce da scaricatore di sovratensione (2 moduli)
- Interruttore MTD 1Nx10A 0,03A luci che esce da interruttore generale (1 modulo)
- Interruttore MTD 1Nx16A 0,03A prese ufficio che esce da interruttore generale (1 modulo)

- 2° blocco (totale 6 moduli + 4 liberi)
- Differenziale di tipo F (per inverter) 25A che esce da scaricatore di sovratensione (2 moduli)
- Magnetotermico prese elettrodomestici inverter 16A che esce da differenziale inverter (1 modulo)
- Misuratore connesso su magnetotermico prese elettrodomestici inverter (1 modulo)
- Interruttore MTD 1Nx16A 0,03A prese cucina elettrodomestici non inverter che esce da interruttore generale (1 modulo)
- Interruttore MTD 1Nx16A 0,03A prese cucina che esce da interruttore generale (1 modulo)
- 4 moduli liberi per uso futuro per piano induzione cucina (prevedere linea singola fino a presa cucina 9)

- 3° blocco (totale 6 moduli)
- Interruttore MTD 1Nx16A 0,03A prese bagno che esce da interruttore generale (1 modulo)
- Interruttore MTD 1Nx16A 0,03A prese altro che esce da interruttore generale (1 modulo)
- Magnetotermico quadrisplit condizionatore mansarda 16A che esce da differenziale F (1 modulo)
- Magnetotermico trisplit condizionatore primo piano 16A che esce da differenziale F (1 modulo)
- Interruttore MTD 1Nx16A (???) 0,03A riscaldamento a pavimento che esce da interruttore generale (1 modulo)
- Interruttore MTD 1Nx16A 0,03A antenna TV che esce da interruttore generale (1 modulo)

Grazie ancora una volta! ;)
Avatar utente
Foto Utenteundertherain
20 1 3
 
Messaggi: 23
Iscritto il: 15 mar 2013, 19:10

0
voti

[53] Re: Consiglio differenziale di tipo F...

Messaggioda Foto UtenteMike » 17 feb 2023, 12:43

undertherain ha scritto:Ho letto che la regola è che sia sempre maggiore o come minimo uguale alla somma di quanto c'è a valle, ma io al momento ho un modestissimo contatore ENEL 3 kW, per cui... di cosa stiamo parlando che a 220 V sono 15A?


16A, devi considerare 3 kW +10% di tolleranza = 3,3 kW e tensione nominale 230V

undertherain ha scritto:Ottimo, ti chiedo il favore di dare un'occhiata veloce se torna tutto, premesso che poi vedrò che dice elettricista:


Mi dispiace ma non è in linguaggio tecnico (schema elettrico) per cui non è verificabile. O_/
--
Michele Lysander Guetta
--
"Non pensare mai al dolore, al pericolo o ai nemici un momento più lungo del necessario per combatterli." — Ayn Rand
Avatar utente
Foto UtenteMike
55,6k 7 10 12
G.Master EY
G.Master EY
 
Messaggi: 17005
Iscritto il: 1 ott 2004, 18:25
Località: Conegliano (TV)

0
voti

[54] Re: Consiglio differenziale di tipo F...

Messaggioda Foto UtenteFranco012 » 17 feb 2023, 13:06

Foto Utenteundertherain, dovresti pubblicare lo schema dell'impianto, utilizzando il software FidoCadJ (vedi qui le istruzioni) come d'altra parte previsto dal regolamento del Forum. In tal modo sarà molto più facile per gli utenti effettuare le verifiche ed anche intervenire sullo schema, riproponendolo con eventuali correzioni.

Comincio io con il primo blocco, poi continua tu:

Consiglio di utilizzare un interruttore generale per tutto l'impianto, in modo tale da togliere l'alimentazione elettrica, in caso d'emergenza, con una sola manovra. Da rivedere anche il dimensionamento dei magnetotermici (16 ampere per l'impianto d'antenna?).
Big fan of ƎlectroYou
Avatar utente
Foto UtenteFranco012
5.842 3 4 8
G.Master EY
G.Master EY
 
Messaggi: 2713
Iscritto il: 8 ago 2015, 19:40
Località: Sardegna

0
voti

[55] Re: Consiglio differenziale di tipo F...

Messaggioda Foto Utenteundertherain » 19 feb 2023, 12:06

Franco012 ha scritto:Foto Utenteundertherain, dovresti pubblicare lo schema dell'impianto [...]

Ecco qua.
Dimmi/ditemi se ho fatto qualche castroneria...
Grazie davvero, mi hai fatto scendere una lacrima pensando ai "bei" tempi delle superiori quando in laboratorio di elettronica "usavamo" l'OrCAD... ;)
Ultima modifica di Foto UtenteFranco012 il 19 feb 2023, 12:31, modificato 1 volta in totale.
Motivazione: Ridotta citazione integrale del messaggio immediatamente precedente.
Avatar utente
Foto Utenteundertherain
20 1 3
 
Messaggi: 23
Iscritto il: 15 mar 2013, 19:10

0
voti

[56] Re: Consiglio differenziale di tipo F...

Messaggioda Foto UtenteGoofy » 19 feb 2023, 12:13

Il differenziale F e il primo misuratore connesso devono essere protetti dalle sovracorrenti, da verificara la necessità di protezione dello SPD; "30 mA" non devi scriverlo accanto ai magnetotermici.
Avatar utente
Foto UtenteGoofy
14,7k 4 5 9
Master EY
Master EY
 
Messaggi: 5916
Iscritto il: 10 dic 2014, 20:16

0
voti

[57] Re: Consiglio differenziale di tipo F...

Messaggioda Foto Utenteundertherain » 19 feb 2023, 12:56

Goofy ha scritto:Il differenziale F e il primo misuratore connesso devono essere protetti dalle sovracorrenti, da verificara la necessità di protezione dello SPD; "30 mA" non devi scriverlo accanto ai magnetotermici.

Meglio?
Avatar utente
Foto Utenteundertherain
20 1 3
 
Messaggi: 23
Iscritto il: 15 mar 2013, 19:10

1
voti

[58] Re: Consiglio differenziale di tipo F...

Messaggioda Foto UtenteFranco012 » 19 feb 2023, 14:25

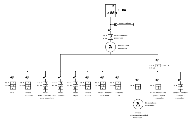
Dal punto di vista grafico, per una maggiore comprensibilità, eviterei gli incroci dei collegamenti, preferendo uno schema di questo genere:

Ho eliminato la suddivisione in blocchi, che è riferita al solo posizionamento dei moduli nel centralino, senza alcuna altra utilità funzionale.
Big fan of ƎlectroYou
Avatar utente
Foto UtenteFranco012
5.842 3 4 8
G.Master EY
G.Master EY
 
Messaggi: 2713
Iscritto il: 8 ago 2015, 19:40
Località: Sardegna

0
voti

[59] Re: Consiglio differenziale di tipo F...

Messaggioda Foto UtenteMike » 19 feb 2023, 14:29

undertherain ha scritto:Meglio?


Bene, ma non benissimo :mrgreen:
Segui lo schema che ha fatto Foto UtenteFranco012 O_/
--
Michele Lysander Guetta
--
"Non pensare mai al dolore, al pericolo o ai nemici un momento più lungo del necessario per combatterli." — Ayn Rand
Avatar utente
Foto UtenteMike
55,6k 7 10 12
G.Master EY
G.Master EY
 
Messaggi: 17005
Iscritto il: 1 ott 2004, 18:25
Località: Conegliano (TV)

0
voti

[60] Re: Consiglio differenziale di tipo F...

Messaggioda Foto Utenteundertherain » 19 feb 2023, 15:07

Franco012 ha scritto:Dal punto di vista grafico, per una maggiore comprensibilità, eviterei gli incroci dei collegamenti, preferendo uno schema di questo genere:
Ho eliminato la suddivisione in blocchi, che è riferita al solo posizionamento dei moduli nel centralino, senza alcuna altra utilità funzionale.

Eh... gli incroci... infatti avevo 2 in elettronica, poi trasformato in 6 perché amico del prof... ;)
Perfetto, ma al di la di incroci e suddivisione in zone, posso considerare il tutto a posto, non manca alcun interruttore od altro a protezione di tizio o caio?
Grazie ancora.

Mike ha scritto:Bene, ma non benissimo :mrgreen:
Segui lo schema che ha fatto Foto UtenteFranco012 O_/

Vedi sopra, e grazie ancora... ;)
Avatar utente
Foto Utenteundertherain
20 1 3
 
Messaggi: 23
Iscritto il: 15 mar 2013, 19:10

Precedente

Torna a Impianti, sicurezza e quadristica

Chi c’è in linea

Visitano il forum: Nessuno e 65 ospiti