Questo mio messaggio è in parte un quiz, in parte una richiesta di aiuto per un progetto collaborativo di gruppo. Sono certo di riuscire a portare a termine il progetto da solo, ma potrei ricevere suggerimenti utili a miglioralo.
Vorrei stabilizzare la temperatura di un oscillatore al quarzo di bassa qualità.
L'oscillatore è da circa 9 MHz, che moltiplicati per 48 sono la frequenza di uscita di un modulo TX a 432 MHz a transistor degli anni '70. Quando la temperatura ambiente varia fra 10 e 30 °C, la frequenza varia di circa +/- 2 kHz, vorrei ridurre la variazione di circa 20 volte.
Penso di stabilizzare la temperatura del quarzo (un quarzo economico formato HC-49U ex canale 13 CB).
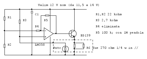
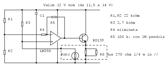
Il gruppo riscaldatore - sensore l'ho già realizzato, utilizza due resistori da 270 ohm in parallelo e un termistore da 4,7 kohm a 25 °C nominali, vedi immagine.
Intendo adoperare un LM358 e un BD139 in quanto a mia disposizione.
Allego anche uno schema elettrico.
Che valori dei componenti mi suggerite ?
Ci sono commenti su come modificare/migliorare lo schema?
Che prestazioni pensate possa raggiungere?
Come lo realizzereste con altri componenti?
regolatore temperatura per quarzo
Moderatori:
carloc,
g.schgor,
BrunoValente,
IsidoroKZ
13 messaggi
• Pagina 1 di 2 • 1, 2
0
voti
MarcoD ha scritto:Ci sono commenti su come modificare/migliorare lo schema?
Ho realizzato qualcosa del genere decenni fa, per riscaldare il quarzo usavo un transistor di potenza in TO220, era più comodo da accoppiare termicamente.
1
voti
MarcoD ha scritto:Come lo realizzereste con altri componenti?
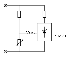
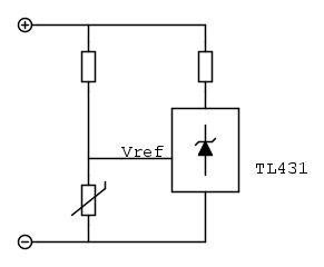
Anni fa avevo realizzato questo circuito. Semplice e funzionale:
Il partitore resistivo composto dal resistore in alto a sinistra e dall'NTC definisce la temperatura desiderata. A quella temperatura la tensione all'uscita del partitore deve essere pari alla Vref del TL431 (2495 mV).
Il resistore in serie al TL431 serve solo a dissipare calore e deve essere quindi di potenza adeguata. Il suo valore va scelto in modo da non eccedere la massima corrente di catodo (100 mA).
Realizzato così, il circuito è estremamente semplice, ma il punto di lavoro va a spasso se la tensione di alimentazione non è stabilizzata. Il circuito che proponi tu è però affetto dallo stesso problema.
Boiler
0
voti
Molti anni fa si facevano proprio usando un transistor di potenza PNP come riscaldatore, come detto anche da
edgar (parlo ovviamente dei sistemi autocostruiti, non di quelli da laboratorio, che comunque funzionavano abbastanza bene), ma anche un transistor che piloti due o tre resistenze incollate sul case.
Ricordo che molti anni fa ne feci uno ancora piu semplice, usando semplicemente un PTC di quelli a disco, saldato sul contenitore del quarzo (che ovviamente andava elettricamente a massa) ed alimentato tramite un comune LM317, il PTC autoregola, non e' il massimo e non si puo scegliere con molta precisione la temperatura per farla corrispondere al punto di massima stabilita' del quarzo, ma comunque funziona, l'importante e' isolare bene tutto da correnti d'aria ed ambiente esterno.
Ricordo che molti anni fa ne feci uno ancora piu semplice, usando semplicemente un PTC di quelli a disco, saldato sul contenitore del quarzo (che ovviamente andava elettricamente a massa) ed alimentato tramite un comune LM317, il PTC autoregola, non e' il massimo e non si puo scegliere con molta precisione la temperatura per farla corrispondere al punto di massima stabilita' del quarzo, ma comunque funziona, l'importante e' isolare bene tutto da correnti d'aria ed ambiente esterno.
"Sopravvivere" e' attualmente l'unico lusso che la maggior parte dei Cittadini italiani,
sia pure a costo di enormi sacrifici, riesce ancora a permettersi.
sia pure a costo di enormi sacrifici, riesce ancora a permettersi.
-

Etemenanki
9.517 3 6 10 - Master

- Messaggi: 5940
- Iscritto il: 2 apr 2021, 23:42
- Località: Dalle parti di un grande lago ... :)
0
voti
https://bizzarri.altervista.org/NE/sommario.php?p=064
pagina 54 ( Oscillatore 10 MHz 1 MHz termostatato)
pagina 54 ( Oscillatore 10 MHz 1 MHz termostatato)
Una domanda ben posta è già mezza risposta.
2
voti
Buonasera Marco,
ho avuto anche io pochi giorni fa l'esigenza di termostatare un oscillatore con quarzo da 25Mhz che avevo realizzato per sostituire l'ibrido di una schedina PLL ADF4351, che era fuori frequenza ed instabile.
Inizialmente non avevo termostatato l'oscillatore quarzato e facendo un po' di misure avevo notato una deriva di circa 15 Hz tra giorno/notte a causa delle variazioni di temperatura della stanza (16-19 gradi).
Ho quindi realizzato un regolatore simile al tuo, ho modificato il tuo schema e lo allego:
Ero partito anche io con 2x270 ohm per riscaldare, poi ho verificato che una era sufficiente e visto che volevo anche minimizzare i consumi ne ho messo solo una.
Rispetto alla tua realizzazione ho saldato il case del quarzo alla basetta insieme ai poli NTC e resistenza che vanno a massa, in modo che l'NTC risenta subito delle variazioni del calore prodotto dalla resistenza, questo per evitare che il sistema si metta a pendolare.
Ho sperimentato che con una resistenza di reazione di 2,2 Mohm, accedendo da freddo il tutto pendola per circa un minuto dopo di che trova l'equilibrio.
Ho comunque isolato il tutto inserendolo in uno scatolino di Styrodur dello spessore di 1 cm.
In questo modo la variazione giorno/notte è di circa 2 Hz (uso un OCXO a cui mi confronto) e per me è sufficiente .... si potrebbe provare a fare un ulteriore involucro metallico a sua volta termostatato.
Quando è in equilibrio la tensione sulla resistenza e di circa 4 volt, quindi circa 60 mW di potenza sulla sola resistenza ma anche il transistor "scalda" e contribuisce e mantenere la temperatura nell'involucro.
Rispetto al tuo schema penso che sia indispensabile avere la tensione che alimenta il ponte stabilizzata (io avevo i 5 volt dell'oscillatore quarzato ed ho usato quelli) e racchiudere in un involucro di isolante termico il tutto.
Aggiornaci sugli sviluppi.
ho avuto anche io pochi giorni fa l'esigenza di termostatare un oscillatore con quarzo da 25Mhz che avevo realizzato per sostituire l'ibrido di una schedina PLL ADF4351, che era fuori frequenza ed instabile.
Inizialmente non avevo termostatato l'oscillatore quarzato e facendo un po' di misure avevo notato una deriva di circa 15 Hz tra giorno/notte a causa delle variazioni di temperatura della stanza (16-19 gradi).
Ho quindi realizzato un regolatore simile al tuo, ho modificato il tuo schema e lo allego:
Ero partito anche io con 2x270 ohm per riscaldare, poi ho verificato che una era sufficiente e visto che volevo anche minimizzare i consumi ne ho messo solo una.
Rispetto alla tua realizzazione ho saldato il case del quarzo alla basetta insieme ai poli NTC e resistenza che vanno a massa, in modo che l'NTC risenta subito delle variazioni del calore prodotto dalla resistenza, questo per evitare che il sistema si metta a pendolare.
Ho sperimentato che con una resistenza di reazione di 2,2 Mohm, accedendo da freddo il tutto pendola per circa un minuto dopo di che trova l'equilibrio.
Ho comunque isolato il tutto inserendolo in uno scatolino di Styrodur dello spessore di 1 cm.
In questo modo la variazione giorno/notte è di circa 2 Hz (uso un OCXO a cui mi confronto) e per me è sufficiente .... si potrebbe provare a fare un ulteriore involucro metallico a sua volta termostatato.
Quando è in equilibrio la tensione sulla resistenza e di circa 4 volt, quindi circa 60 mW di potenza sulla sola resistenza ma anche il transistor "scalda" e contribuisce e mantenere la temperatura nell'involucro.
Rispetto al tuo schema penso che sia indispensabile avere la tensione che alimenta il ponte stabilizzata (io avevo i 5 volt dell'oscillatore quarzato ed ho usato quelli) e racchiudere in un involucro di isolante termico il tutto.
Aggiornaci sugli sviluppi.
-

Vittorio61
60 1 - Messaggi: 3
- Iscritto il: 28 apr 2010, 23:38
0
voti
Mi e' venuta un'idea abbastanza "malvagia" (ma devo studiarci su un po, perche' parto da zero) ... se la variazione della tensione di almentazione influisce sulla stabilita' del fornetto, perche' invece non costruirlo in formato "regolatore di corrente", che ne dovrebbe risentire di meno ?
"Sopravvivere" e' attualmente l'unico lusso che la maggior parte dei Cittadini italiani,
sia pure a costo di enormi sacrifici, riesce ancora a permettersi.
sia pure a costo di enormi sacrifici, riesce ancora a permettersi.
-

Etemenanki
9.517 3 6 10 - Master

- Messaggi: 5940
- Iscritto il: 2 apr 2021, 23:42
- Località: Dalle parti di un grande lago ... :)
0
voti
Ringrazio anche tutti gli intervenuti precedentemente.
Ad ora, ho realizzato solo un montaggio sperimentale (breadboard).
Per l'alimentazione, ritengo che, nel circuito, R1, R2, R3, Rntc siano collegate a ponte per cui il lo zero del segnale di errore è quasi indipendente dalla tensione di alimentazione.
Per la massima sensibilità pongo R3= al valore di Rntc alla temperatura voluta.
Anche io ho riscontrato la presenza di pendolamento ( periodo 23 s) con R5 = 1 Mohm; riducendo a 100 k si stabilizza rapidamente. Probabilmente il fenomeno è dovuto al tempo di propagazione del calore dalle resistenze riscaldanti al termistore.
Farò dei rilievi con l'oscilloscopio alla accensione da freddo. Poi mo..olto lentamente monterò il circuito su un piastrino.
Ora il mio bruttissimo montaggio:
1
voti
Evviva i "ragnetti" 
Solo un suggerimento, dato che il transistor dissipa anche lui un po di calore e quindi e' un altro elemento che scalda, accoppia termicamente anche lui al quarzo
(dal lato isolato, perche' il lato metallico non e' collegato a GND dove andrebbe il case del quarzo)
Solo un suggerimento, dato che il transistor dissipa anche lui un po di calore e quindi e' un altro elemento che scalda, accoppia termicamente anche lui al quarzo
(dal lato isolato, perche' il lato metallico non e' collegato a GND dove andrebbe il case del quarzo)
"Sopravvivere" e' attualmente l'unico lusso che la maggior parte dei Cittadini italiani,
sia pure a costo di enormi sacrifici, riesce ancora a permettersi.
sia pure a costo di enormi sacrifici, riesce ancora a permettersi.
-

Etemenanki
9.517 3 6 10 - Master

- Messaggi: 5940
- Iscritto il: 2 apr 2021, 23:42
- Località: Dalle parti di un grande lago ... :)
0
voti
Grazie, un buon suggerimento, forse rende anche la variazione della potenza riscaldante più lineare con la variazione della tensione di errore.dato che il transistor dissipa anche lui un po di calore e quindi e' un altro elemento che scalda, accoppia termicamente anche lui al quarzo
(dal lato isolato, perche' il lato metallico non e' collegato a GND dove andrebbe il case del quarzo)
Nel mio caso,ho rilevato che con Valim 12,2 V la max Vout operazionale è 10,87 V, cui corrisponde yuna Vemettitore di 10,19 V.
La I = 10,19/135 = 0,075 A, la potenza riscaldante 0,075 x 10,19 = 0,77 W
Con metà tensione circa 5 V la potenza dei resistori è solo 1/4, 0,2 W.
la potenza dissipata dal transistor è circa (12,2 - 5) x 0,075/2) = 0,27 W
Somma 0,2 + 0,27 = 0,47 W.
Se non ho problemi di ingombro incollo il transistor al dissipatore.
E' un semplice circuito di regolazione, ma presenta varie problematiche interessanti per realizzarne uno ottimo, interessante anche a scopo didattico.
13 messaggi
• Pagina 1 di 2 • 1, 2
Chi c’è in linea
Visitano il forum: Nessuno e 78 ospiti

Elettrotecnica e non solo (admin)
Un gatto tra gli elettroni (IsidoroKZ)
Esperienza e simulazioni (g.schgor)
Moleskine di un idraulico (RenzoDF)
Il Blog di ElectroYou (webmaster)
Idee microcontrollate (TardoFreak)
PICcoli grandi PICMicro (Paolino)
Il blog elettrico di carloc (carloc)
DirtEYblooog (dirtydeeds)
Di tutto... un po' (jordan20)
AK47 (lillo)
Esperienze elettroniche (marco438)
Telecomunicazioni musicali (clavicordo)
Automazione ed Elettronica (gustavo)
Direttive per la sicurezza (ErnestoCappelletti)
EYnfo dall'Alaska (mir)
Apriamo il quadro! (attilio)
H7-25 (asdf)
Passione Elettrica (massimob)
Elettroni a spasso (guidob)
Bloguerra (guerra)








