Cos'è ElectroYou | Login Iscriviti

ElectroYou - la comunità dei professionisti del mondo elettrico

Dimensionamento Mosfet

Elettronica lineare e digitale: didattica ed applicazioni

Moderatori: Foto Utentecarloc, Foto Utenteg.schgor, Foto UtenteBrunoValente, Foto UtenteIsidoroKZ

0
voti

[11] Re: Dimensionamento Mosfet

Messaggioda Foto Utentelelerelele » 9 mar 2023, 10:50

Lops88 ha scritto: Il mosfet si infiamma se le il duty cycle rimane sotto i 200.
Da cosa puo dipendere?
Di base, il mosfet scalda solo se non è polarizzato bene, e non satura. Oppure che superi i valori di corrente massimi, vedrei un altro caso insolito, che vada a trovarsi a dissipare degli spike di tensione eccessivi, ma questo dovrebbe portare rapidamente alla rottura.

Lavorare su PWM senza oscilloscopio è come andare di notte con la nebbia....

Devi accetarti che il mosfet sia pilotato da gradini che vanno da pochi decimi di volt, ad una tensione che sia superiore a quella di soglia massima del mosfet.

saluti.
Avatar utente
Foto Utentelelerelele
4.899 3 7 9
Master
Master
 
Messaggi: 5505
Iscritto il: 8 giu 2011, 8:57
Località: Reggio Emilia

0
voti

[12] Re: Dimensionamento Mosfet

Messaggioda Foto Utenteg.schgor » 9 mar 2023, 11:03

che significa duty cycle a 200?
Avatar utente
Foto Utenteg.schgor
57,8k 9 12 13
G.Master EY
G.Master EY
 
Messaggi: 16971
Iscritto il: 25 ott 2005, 9:58
Località: MILANO

0
voti

[13] Re: Dimensionamento Mosfet

Messaggioda Foto UtenteEtemenanki » 9 mar 2023, 11:22

Cosa intendi con il mosfet si infiamma ?
Sotto i 200 in che senso, lo piloti con una MCU, da 0 (0%) a 255 (100%) ?
"Sopravvivere" e' attualmente l'unico lusso che la maggior parte dei Cittadini italiani,
sia pure a costo di enormi sacrifici, riesce ancora a permettersi.
Avatar utente
Foto UtenteEtemenanki
9.517 3 6 10
Master
Master
 
Messaggi: 5940
Iscritto il: 2 apr 2021, 23:42
Località: Dalle parti di un grande lago ... :)

0
voti

[14] Re: Dimensionamento Mosfet

Messaggioda Foto UtenteLops88 » 9 mar 2023, 11:46

Si scusate la mia poca chiarezza,
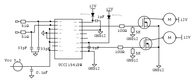
Uso un esp32 per generare il PWM su un driver_mosfet. Il il PWM ha una risoluzione di 8bit quindi posso comandarlo con un valore da 0 a 255. Quindi si 200 e il valore che imposto al duty_cycle in bit.
Il driver e il UCC21541DW e usa un Ron di 100Ohm e Rgs di 5KOhm
Ho configurato il circuito per pilotare due mosfet separati e distinti.
I Due mosfet collegati sono IRLR2908TRPBF
Avatar utente
Foto UtenteLops88
0 3
 
Messaggi: 23
Iscritto il: 15 set 2022, 16:54

1
voti

[15] Re: Dimensionamento Mosfet

Messaggioda Foto Utentelelerelele » 9 mar 2023, 12:13

Lops88 ha scritto:Si scusate la mia poca chiarezza
Ma, fare uno schema con fidocadj, no?.
Avatar utente
Foto Utentelelerelele
4.899 3 7 9
Master
Master
 
Messaggi: 5505
Iscritto il: 8 giu 2011, 8:57
Località: Reggio Emilia

0
voti

[16] Re: Dimensionamento Mosfet

Messaggioda Foto UtenteEtemenanki » 9 mar 2023, 15:01

Forse c'e' stata un po di confusione nell'interpretare il datasheet ?

100 ohm era la resistenza in serie agli ingressi insieme ad un piccolo condensatorino per filtrare disturbi, se non usi il diodo con la ROFF in serie presente nello schema a pagina 28 del datasheet (che tanto a te' non serve a quelle frequenze), la RON dovrebbe essere intorno ai 3.3 / 4.7 ohm o un valore simile, anche 5.6 ohm al limite, mentre la RGS sui 20k, che serve solo come sicurezza.

I vari condensatori li hai messi, giusto ?
"Sopravvivere" e' attualmente l'unico lusso che la maggior parte dei Cittadini italiani,
sia pure a costo di enormi sacrifici, riesce ancora a permettersi.
Avatar utente
Foto UtenteEtemenanki
9.517 3 6 10
Master
Master
 
Messaggi: 5940
Iscritto il: 2 apr 2021, 23:42
Località: Dalle parti di un grande lago ... :)

0
voti

[17] Re: Dimensionamento Mosfet

Messaggioda Foto UtenteLops88 » 9 mar 2023, 17:18

Avatar utente
Foto UtenteLops88
0 3
 
Messaggi: 23
Iscritto il: 15 set 2022, 16:54

0
voti

[18] Re: Dimensionamento Mosfet

Messaggioda Foto Utenteg.schgor » 9 mar 2023, 17:20

credo che il problema sia
la frequenza del PWM
con un carico non resistivo.

Occorrerebbe valutare
la costante di tempo dell a pompa.
Avatar utente
Foto Utenteg.schgor
57,8k 9 12 13
G.Master EY
G.Master EY
 
Messaggi: 16971
Iscritto il: 25 ott 2005, 9:58
Località: MILANO

0
voti

[19] Re: Dimensionamento Mosfet

Messaggioda Foto UtenteLops88 » 9 mar 2023, 17:23

Dici che lo schema elettrico sia abbastanza corretto?
Avatar utente
Foto UtenteLops88
0 3
 
Messaggi: 23
Iscritto il: 15 set 2022, 16:54

0
voti

[20] Re: Dimensionamento Mosfet

Messaggioda Foto UtenteLops88 » 9 mar 2023, 17:24

Etemenanki ha scritto:Forse c'e' stata un po di confusione nell'interpretare il datasheet ?

100 ohm era la resistenza in serie agli ingressi insieme ad un piccolo condensatorino per filtrare disturbi, se non usi il diodo con la ROFF in serie presente nello schema a pagina 28 del datasheet (che tanto a te' non serve a quelle frequenze), la RON dovrebbe essere intorno ai 3.3 / 4.7 ohm o un valore simile, anche 5.6 ohm al limite, mentre la RGS sui 20k, che serve solo come sicurezza.

I vari condensatori li hai messi, giusto ?

Proverò su uno dei due mosfet.
Avatar utente
Foto UtenteLops88
0 3
 
Messaggi: 23
Iscritto il: 15 set 2022, 16:54

PrecedenteProssimo

Torna a Elettronica generale

Chi c’è in linea

Visitano il forum: Nessuno e 41 ospiti