da
maxmix69 » 13 mar 2023, 17:59
alev hai ragione, ma ho sempre poco tempo a disposizione, per cui li simulo facendo attenzione a non sbagliare (tipo pilotare un motore con un 2N2222

) e li pubblico.
In effetti sono schemi semplici, di sicuro funzionamento teorico, però poi in pratica bisogna verificare se è necessario qualche aggiustamento e quindi capisco la necessità di FidoCad.
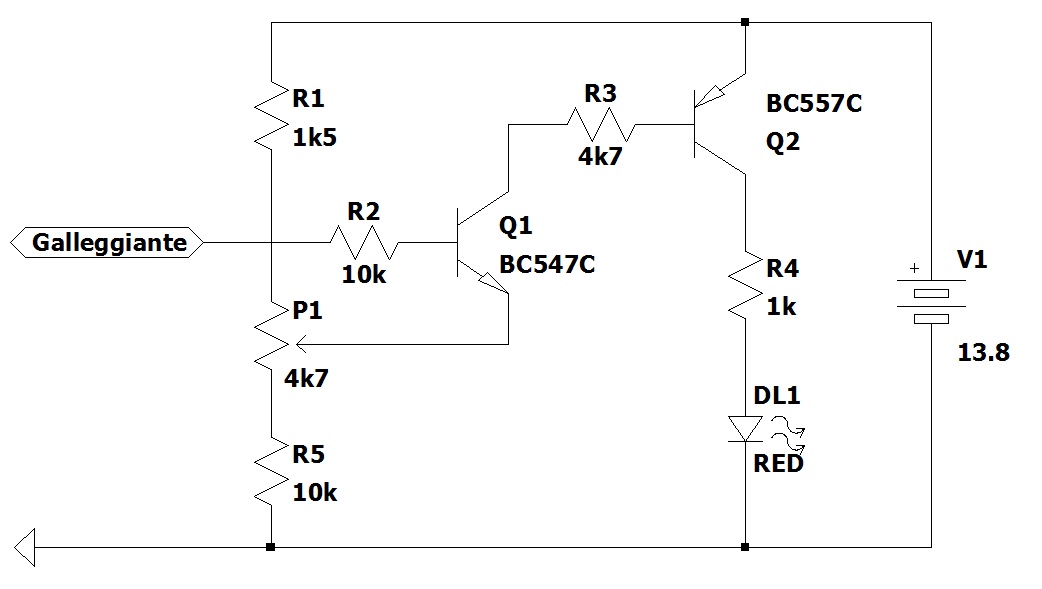
Adesso pubblico pure il secondo che oramai è già pronto, poi mi metto d'impegno e li rifaccio con FidoCad.
Comunque se vuoi darmi una mano e sei più pratico di me potresti farmi la gentilezza di trascriverli tu, te ne sarei grato.
Il primo schema del post precedente, con il TL431, va bene se la posizione della lancetta della benzina non risente della tensione di alimentazione.
Se invece la posizione risente della tensione di alimentazione bisogna utilizzare lo schemino con i due transistor, che nel frattempo ho sistemato alla luce delle nuove considerazioni.
La regolazione è negli stessi valori dell'altro schema, al post
#135