Cos'è ElectroYou | Login Iscriviti

ElectroYou - la comunità dei professionisti del mondo elettrico

Filtrare Impulso [LPF]

Elettronica lineare e digitale: didattica ed applicazioni

Moderatori: Foto Utentecarloc, Foto Utenteg.schgor, Foto UtenteBrunoValente, Foto UtenteIsidoroKZ

0
voti

[1] Filtrare Impulso [LPF]

Messaggioda Foto UtenteThEnGi » 9 apr 2023, 19:00

Buona pasqua a tutti,
Volevo realizare un circuito discreto in grado di discriminare la ricezione di un singolo impulso. (segnale non periodico, attuato "a mano" )
Se la durata dell'impulso è maggiore di 100ms accendo il led se inferiore ignoro. Sarebbe bello poter regolare questo valore con un potenziometro.
Inizialmente ho strutturato un circuito intorno ad un ATMEGA 328P, con un programma semplicissimo è possibile eseguire questa operazione, Ma mi sarebbe piaciuto non ricorrere ad un microcontrollore (per esercizio).

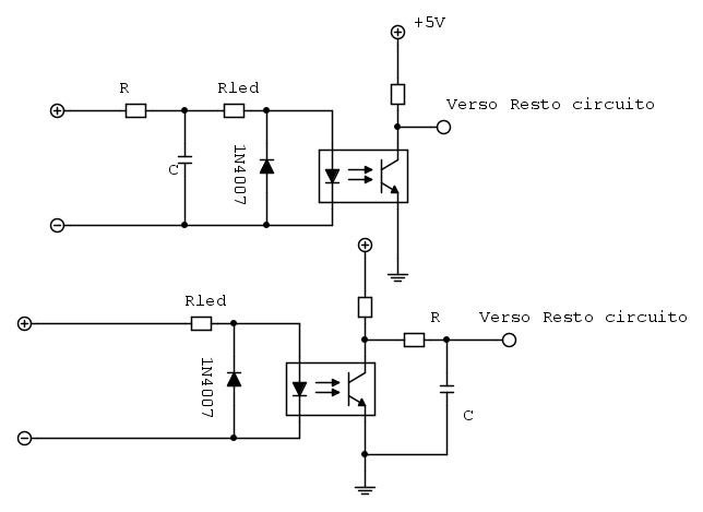
è necessaria separazione galvanica tra Ingresso e Uscita

Secondo voi è consigiabile inserire il filtro LPF (RC) a monte o a valle dell'optoisolatore ?
In ingresso un fattore limitante è la resistenza complessiva che deve vedere il diodo IR :?:

A valle del circuito RC come riconosco se un impulso è lungo correttamente ? Qualche circuito combinatorio ? (un monostabile ?)



Il diodo in antiparallelo serve per eventuali inversioni

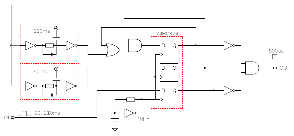
EDIT: Prendiamo come riferimento una precisione del 10% dal riferimento (90-110 mS)
EDIT2: Non posso progettarlo/costruirlo a spanne e Regolare il potenziomentro "dopo" in modo da ottenere 100mS :mrgreen: (ci ho pensato anche io )

O_/
Avatar utente
Foto UtenteThEnGi
2.230 3 6 9
Expert EY
Expert EY
 
Messaggi: 2228
Iscritto il: 6 ott 2022, 18:43

0
voti

[2] Re: Filtrare Impulso [LPF]

Messaggioda Foto UtenteEtemenanki » 9 apr 2023, 21:09

Cosi a spanne, ti direi un monostabile negato con una porta AND (o NAND, dipende da che segnale ti serve) in uscita seguiti da un flip-flop, se vuoi usare componenti discreti ... calcoli il monostabile per il tempo che devi discriminare, e mandi alla AND sia l'ingresso che l'uscita del monostabile (con le opportune polarita', e tramite degli RC che ritardino di circa 1mS il segnale e della meta' l'uscita del monostabile, tanto per stare sul sicuro con i ritardi di propagazione delle porte usate per fare il monostabile).

Supponendo che il segnale sia uno stato alto (altrimenti basta invertire la logica), quando il segnale e' assente hai ad 1 solo l'uscita del monostabile (quindi la AND da' 0), quando arriva l'impulso, lo stato si inverte (segnale ad 1 ed uscita del monostabile a 0), quindi ancora nulla, se il segnale sparisce prima che il monostabile torni ad 1, non cambia nulla, se invece rimane per abbastanza tempo da far scattare il monostabile, la AND si ritrova due 1 agli ingressi e da' 1 in uscita, pilotando il flip-flop che accende e spegne il led (sono sicuro che ci sono anche sistemi migliori, ma al volo e' la prima cosa che mi e' venuta in mente)
"Sopravvivere" e' attualmente l'unico lusso che la maggior parte dei Cittadini italiani,
sia pure a costo di enormi sacrifici, riesce ancora a permettersi.
Avatar utente
Foto UtenteEtemenanki
9.517 3 6 10
Master
Master
 
Messaggi: 5940
Iscritto il: 2 apr 2021, 23:42
Località: Dalle parti di un grande lago ... :)

0
voti

[3] Re: Filtrare Impulso [LPF]

Messaggioda Foto UtenteMarcoD » 9 apr 2023, 21:12


Per procedere con la discussione, ho abbozzato un circuito che forse soddisfa ai tuoi requisiti, anche se forse è più complesso del necessario.
E' un filtro passa basso seguito da un comparatore con isteresi.
Prova a calcolare le soglie di commutazione.
T ritardo = circa Rt x C2
Con T ritardo = 0,1 s, Rt = 0,1 Mohm
C2 = T ritardo / Rt = 0,1/(0,1 M ) = 1 uF

C1 = 1 uF, filtra eventuali disturbi veloci prima di fare intervenire l'optoisolatore, ma probabilmente è inutile.
Avatar utente
Foto UtenteMarcoD
12,2k 5 9 13
Master EY
Master EY
 
Messaggi: 6696
Iscritto il: 9 lug 2015, 16:58
Località: Torino

0
voti

[4] Re: Filtrare Impulso [LPF]

Messaggioda Foto Utentestefanopc » 9 apr 2023, 21:19

Si potrebbe utilizzare anche un 555 o un 4528.
In uscita eventualmente un ssr.
Ma il led quanto tempo deve rimanere acceso?
Qualche secondo o fino a che in ingresso non cambia lo stato?
Ciao
600 Elettra
Avatar utente
Foto Utentestefanopc
13,3k 5 9 13
Master EY
Master EY
 
Messaggi: 5567
Iscritto il: 4 ago 2020, 9:11

0
voti

[5] Re: Filtrare Impulso [LPF]

Messaggioda Foto UtenteThEnGi » 10 apr 2023, 10:37

Etemenanki ha scritto:Cosi a spanne, ti direi un monostabile negato con una porta AND (o NAND, dipende da che segnale ti serve) in uscita seguiti da un flip-flop, se vuoi usare componenti discreti ...


Sarà anche il metono non ottimale ma sembra (a logica) funzionare, ora (dopo la grigliata e il pisolino di recupero :mrgreen: ) metto giù una bozza. (EDIT: la fidanzata ha sentenziato una passeggiata romantica ci si sente domani :mrgreen: )

MarcoD ha scritto:Per procedere con la discussione, ho abbozzato un circuito che forse soddisfa ai tuoi requisiti, anche se forse è più complesso del necessario.


Grazie, ma provo ad andare avanti con la logica combinatoria come proposto da Foto UtenteEtemenanki, evito di scomodare un OP-AMP

stefanopc ha scritto:Si potrebbe utilizzare anche un 555 o un 4528.
Ma il led quanto tempo deve rimanere acceso?


Entrambi validi monostabili, probabilemnte propenderò per dei NE556 devo fare 6 stadi. (6 canali)
Ora provo a cercare qualcosa di più rudimentale, mi sembra di verne visto uno realizato con due NAND

Il led deve rimanere acceso fino a a che non premo un pulsante di reset, ma li basta mettere a valle un flip-flop SR

O_/
Avatar utente
Foto UtenteThEnGi
2.230 3 6 9
Expert EY
Expert EY
 
Messaggi: 2228
Iscritto il: 6 ott 2022, 18:43

0
voti

[6] Re: Filtrare Impulso [LPF]

Messaggioda Foto UtenteEtemenanki » 10 apr 2023, 10:48

Due NAND oppure due NOR, secondo le polarita' che ti servono, ed un RC piu un diodo (ma per tempi brevi che usano condensatori piccoli il diodo si puo omettere) per ogni monostabile ;-)
"Sopravvivere" e' attualmente l'unico lusso che la maggior parte dei Cittadini italiani,
sia pure a costo di enormi sacrifici, riesce ancora a permettersi.
Avatar utente
Foto UtenteEtemenanki
9.517 3 6 10
Master
Master
 
Messaggi: 5940
Iscritto il: 2 apr 2021, 23:42
Località: Dalle parti di un grande lago ... :)

0
voti

[7] Re: Filtrare Impulso [LPF]

Messaggioda Foto UtenteThEnGi » 10 apr 2023, 10:59

Tipo ?


EDIT in corso: Ho messo una not in più

Che poi si possono sostituire le NOT con le NAND e usare una Quad Nand impiegando un solo integrato
EDIT: la logica è la stessa anche con una not in meno

Ma cosi il condensatore dove si scarica ?

Manca lo stadio di pilotaggio del led, è solo per avere un idea dell'uscita

O_/
Avatar utente
Foto UtenteThEnGi
2.230 3 6 9
Expert EY
Expert EY
 
Messaggi: 2228
Iscritto il: 6 ott 2022, 18:43

0
voti

[8] Re: Filtrare Impulso [LPF]

Messaggioda Foto Utentedjnz » 10 apr 2023, 12:03

ThEnGi ha scritto:A valle del circuito RC come riconosco se un impulso è lungo correttamente ?

:mrgreen:
Una domanda ben posta è già mezza risposta.
Avatar utente
Foto Utentedjnz
1.590 1 4 7
Master
Master
 
Messaggi: 708
Iscritto il: 26 lug 2020, 14:52

0
voti

[9] Re: Filtrare Impulso [LPF]

Messaggioda Foto UtenteThEnGi » 10 apr 2023, 13:10

:shock: :shock:
Allegati
17231k.jpg
Avatar utente
Foto UtenteThEnGi
2.230 3 6 9
Expert EY
Expert EY
 
Messaggi: 2228
Iscritto il: 6 ott 2022, 18:43

1
voti

[10] Re: Filtrare Impulso [LPF]

Messaggioda Foto UtenteEtemenanki » 10 apr 2023, 14:51

Solo come esempio.


Questo e' il circuito "basico" per un monostabile non retriggerabile fatto con due banali NOR (ma si possono fare anche con altre porte), in questa versione un'impulso alto in ingresso causa un'impulso alto in uscita, se serve l'opposto basta invertire le due resistenze, ponendo quella all'ingresso a vcc e quella centrale a gnd.

Per tempi lunghi, e quindi valori del condensatore del monostabile alto, sarebbe meglio mettere anche un diodo tipo 1N4148 o simile in parallelo alla R centrale, catodo a VCC, per scaricare il condensatore piu velocemente, ma per tempi brevi e comunque valori di C bassi, si puo omettere volendo.


Cosi invece diventa un discriminatore di larghezza d'impulso, inizialmente l'uscita e' 0 perche' l'ingresso tiene uno dei due pin della AND a 0, all'arrivo di un'impulso in ingresso il monostabile cambia stato, per cui la AND ha di nuovo uno degli ingressi a 0 (la rete RC sull'ingresso della AND serve a compensare il ritardo di propagazione delle 3 porte, monostabile piu inverter, altrimenti si avrebbe un'impulso molto breve in uscita all'arrivo dell'impulso di ingresso, il tempo puo anche essere inferiore, basta solo che sia superiore al ritardo di propagazione delle 3 porte) ... a quel punto, se l'impulso di ingresso sparisce prima che sia trascorso il tempo impostato sul monostabile non succede nulla, se invece rimane per un tempo maggiore, l'uscita va ad 1 (qui ci resta solo per la durata dell'ingresso meno i 100mS del monostabile, se invece serve una durata maggiore o fissa, bisogna mettere un altro monostabile all'uscita).

EDIT: dimenticavo, ovviamente il tempo del monostabile andra' impostato per la lunghezza dell'impulso che si vuole discriminare, e puo essere cambiato sostituendo la R con un potenziometro con una R di basso valore in serie (solo per non ritrovarsi con un valore zero ad un'estremita' del potenziometro)
"Sopravvivere" e' attualmente l'unico lusso che la maggior parte dei Cittadini italiani,
sia pure a costo di enormi sacrifici, riesce ancora a permettersi.
Avatar utente
Foto UtenteEtemenanki
9.517 3 6 10
Master
Master
 
Messaggi: 5940
Iscritto il: 2 apr 2021, 23:42
Località: Dalle parti di un grande lago ... :)

Prossimo

Torna a Elettronica generale

Chi c’è in linea

Visitano il forum: Nessuno e 365 ospiti