Cos'è ElectroYou | Login Iscriviti

ElectroYou - la comunità dei professionisti del mondo elettrico

Filtrare Impulso [LPF]

Elettronica lineare e digitale: didattica ed applicazioni

Moderatori: Foto Utentecarloc, Foto Utenteg.schgor, Foto UtenteBrunoValente, Foto UtenteIsidoroKZ

0
voti

[11] Re: Filtrare Impulso [LPF]

Messaggioda Foto Utentedjnz » 10 apr 2023, 15:45

Etemenanki ha scritto:se serve l'opposto basta invertire le due resistenze, ponendo quella all'ingresso a vcc e quella centrale a gnd.

...e usare una porta NAND invece che NOR.

Come (doppio) monostabile io trovo ottimo il CD4538:
  • due monostabili
  • attivabili su fronte positivo o negativo
  • impostabili come retriggerabili o non retriggerabili
  • uscite dritte e negate
  • tempi da 100µs a 1s
  • durata impulsi pari a R*C
Allegati
098456456.png
098456456.png (55.18 KiB) Osservato 6111 volte
651561468123.png
Una domanda ben posta è già mezza risposta.
Avatar utente
Foto Utentedjnz
1.590 1 4 7
Master
Master
 
Messaggi: 708
Iscritto il: 26 lug 2020, 14:52

0
voti

[12] Re: Filtrare Impulso [LPF]

Messaggioda Foto UtenteThEnGi » 10 apr 2023, 17:23

Usando la soluzione di Foto UtenteEtemenanki devo usare un IC per le NOR e uno per la NOT, invece con il CD4538 fa tutto lui.
Il mio fornitore mette a disposizione il CD14538, dovrebbe essere lo stesso, giusto ?
Non so se ricercare la NAND e il latch in HEX (più costoso e difficile da trovare) e fare un "modulo unico" o ricercarli (se esistono) in formato doppio (2) e fare 3 moduli

EDIT: Ho sbagliato il circuito ora lo rifaccio

Gli integrati vanno bene o ci sono più recenti ?
2mS in ricarica di C3


O_/
Avatar utente
Foto UtenteThEnGi
2.230 3 6 9
Expert EY
Expert EY
 
Messaggi: 2228
Iscritto il: 6 ott 2022, 18:43

1
voti

[13] Re: Filtrare Impulso [LPF]

Messaggioda Foto Utenteelfo » 10 apr 2023, 18:27

Non credo di poter aggiungere molto a quanto gia' scritto - le idee mi sono venute solo DOPO avere letto i post prececenti :mrgreen:

Solo due chiose su un punto gia' messo in evidenza in vari post
Foto UtenteEtemenanki post [10]
la rete RC sull'ingresso della AND serve a compensare il ritardo di propagazione delle 3 porte, monostabile piu inverter, altrimenti si avrebbe un'impulso molto breve in uscita all'arrivo dell'impulso di ingresso, il tempo puo anche essere inferiore, basta solo che sia superiore al ritardo di propagazione delle 3 porte


Foto UtenteThEnGi post [12]
Rete R3 C3 nello schema ha la stessa funzione descritta da Etemenanki.

Nello schema seguente Fig. 1a ho "semplificato" lo schema del post [10] utilizzando un monostabile (come suggerito da Foto Utentedjnz) al posto delle porte logiche - in questo modo l'impostazione dei tempi e' piu' prevedibile (entro il 10% richiesto) dati i valori di R e C.

Il rettangolo "Delay" puo' essere un RC oppure una serie di porte logiche (od altro) ed assolve alla funzione descritta da Etemenanki.

L'uscita del circuito (se la durata del segnale in ingresso e' > R1C1) e' in impulso di durata R2C2.

Per ovviare alla necessita' di introdurre un ritardo si puo' utilizzare il circuito di Fig. 1b - rielaborazione del circuito del post [12].

La differenza e' la sostituzione del F/F S/R con un F/F Dtype.

In questo modo non e' necessario introdurre un ritardo perche' il livello presente sull'ingresso D viene trasferito all'uscita solo sul fronte di salita del clock.

L'uscita del circuito (se la durata del segnale in ingresso e' > R1C1) e' un livello che rimane attivo finche' il F/F non viene resettato.
Avatar utente
Foto Utenteelfo
6.819 4 5 7
G.Master EY
G.Master EY
 
Messaggi: 2828
Iscritto il: 15 lug 2016, 13:27

0
voti

[14] Re: Filtrare Impulso [LPF]

Messaggioda Foto UtenteThEnGi » 10 apr 2023, 18:45

R3C3 è una copia dell'idea di Foto UtenteEtemenanki, non avevo pensato che il monostabile ha un tempo finito per commutare (Molto inferiore del mS, scelto per comodità di componenti )

Sia Fig 1.a che 1.b non vanno bene:A me serve che il led rimanda acceso a tempo indefinito e sia resettabile a piacimento..... Ecco il motivo del F/F SR :ok:
Potrei usare un pulsante per "forzare il clock" e usare Fig 1.b ??

O_/
Avatar utente
Foto UtenteThEnGi
2.230 3 6 9
Expert EY
Expert EY
 
Messaggi: 2228
Iscritto il: 6 ott 2022, 18:43

0
voti

[15] Re: Filtrare Impulso [LPF]

Messaggioda Foto Utenteelfo » 10 apr 2023, 18:53

ThEnGi ha scritto:Fig 1.b non vanno bene:A me serve che il led rimanda acceso a tempo indefinito e sia resettabile a piacimento

elfo ha scritto:L'uscita del circuito [Fig. 1b] (se la durata del segnale in ingresso e' > R1C1) e' un livello che rimane attivo finche' il F/F non viene resettato [a manina :D ]
Avatar utente
Foto Utenteelfo
6.819 4 5 7
G.Master EY
G.Master EY
 
Messaggi: 2828
Iscritto il: 15 lug 2016, 13:27

0
voti

[16] Re: Filtrare Impulso [LPF]

Messaggioda Foto UtenteThEnGi » 10 apr 2023, 19:18

Maaa..... F/F D non ha un ingresso reset !

è vero che solitamente gli IC nella vita reale hanno qualche funzione "extra" :oops:
Ero legato alla teoria e mi sono scordato della pratica
Controllato il DS Pin 4 e 10 del CD4013 e si resetta #-o

O_/
Avatar utente
Foto UtenteThEnGi
2.230 3 6 9
Expert EY
Expert EY
 
Messaggi: 2228
Iscritto il: 6 ott 2022, 18:43

1
voti

[17] Re: Filtrare Impulso [LPF]

Messaggioda Foto Utentedjnz » 10 apr 2023, 19:55

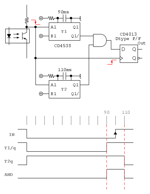
E comunque se le specifiche inziali sono ancora valide, bisogna riconoscere anche che l'impulso non superi un certo tempo. Nello schema seguente la porta AND crea una finestra valida tra 90 e 110 ms, la fine dell'impulso memorizza nel 4013 lo stato della finestra.

Una domanda ben posta è già mezza risposta.
Avatar utente
Foto Utentedjnz
1.590 1 4 7
Master
Master
 
Messaggi: 708
Iscritto il: 26 lug 2020, 14:52

0
voti

[18] Re: Filtrare Impulso [LPF]

Messaggioda Foto UtenteThEnGi » 10 apr 2023, 20:26

djnz ha scritto:E comunque se le specifiche inziali sono ancora valide

In realtà serviva solo che l'impulso fosse maggiore a 100mS, il 10% era la tolleranza su questo valore.
Ma come hai dimostrato usando un CD4538 l'errore è dato (quasi) solo dalle tolleranze di RC.

perché 100mS ? a valle del relè che commuta ci sono degli eletromagneti che operano su parti meccaniche e se la durata dell'impulso è inferiore a quel valore può darsi che la parte meccanica non commuti.
Perciò anche se rimane anche 1S non c'è nessun problema.... Il problema nasce che dovrei aumentare la potenza della "Rled", con una breve durata posso usarne una più piccola

Comunque un +1 solo per i grafici :mrgreen:

O_/
Avatar utente
Foto UtenteThEnGi
2.230 3 6 9
Expert EY
Expert EY
 
Messaggi: 2228
Iscritto il: 6 ott 2022, 18:43

0
voti

[19] Re: Filtrare Impulso [LPF]

Messaggioda Foto Utentedadduni » 11 apr 2023, 11:01

Lo so che e' stato richiesto di non utilizzare un uProcessore. Ma siamo davvero sicuri che sia conveniente non usarlo? Ci sono mini processori a 8pin che costano meno di un monostabile e non richiedono componenti esterni, non occupano niente sulla scheda e sono programmabili e ri-programmabili. Alcuni fornitori li possono fornire gia' programmati in stock quindi basterebbe solo saldarli.
Tolleranze minime, nessuna deriva dei componenti e altissima flessibilita' se si vuole un sistema piu' sofisticato tipo antirimbalzo e detection di flasi contatti ecc.....
Avatar utente
Foto Utentedadduni
2.073 2 7 12
Expert EY
Expert EY
 
Messaggi: 1370
Iscritto il: 23 mag 2014, 16:26

0
voti

[20] Re: Filtrare Impulso [LPF]

Messaggioda Foto UtenteThEnGi » 11 apr 2023, 15:07

ThEnGi ha scritto:Inizialmente ho strutturato un circuito intorno ad un ATMEGA 328P, con un programma semplicissimo è possibile eseguire questa operazione, Ma mi sarebbe piaciuto non ricorrere ad un microcontrollore (per esercizio).


Foto Utentedadduni il circuito è già stato progettato (fatto anche il PCB) intorno ad un 328P, però a volte mi piace allargare le vedute e provare ad imparare qualcosa di nuovo.
Infatti è solo un esercizio, verrà progettato steso il layout e mai realizzato. O se piace lo faccio assemblare a spese altrui :mrgreen:

Ricordo che sono 6 ingressi e 6 Uscite, gli attiny 8 pin non bastano, a meno di usare un I/O Expander I2C :mrgreen:


O_/
Avatar utente
Foto UtenteThEnGi
2.230 3 6 9
Expert EY
Expert EY
 
Messaggi: 2228
Iscritto il: 6 ott 2022, 18:43

PrecedenteProssimo

Torna a Elettronica generale

Chi c’è in linea

Visitano il forum: Nessuno e 31 ospiti