Buongiorno a tutti sto lavorando su un progettino particolare.
- Col PC spedisco dei comandi ad un Arduino
- Con Arduino via I2C comando un DAC (MCP4725)
- Il segnale in uscita da DAC ha un range tra 0.5 e 4.5
- Il segnale analogico lo devo amplificare e shiftare per poi darlo in pasto ad un drive per galvanometri.
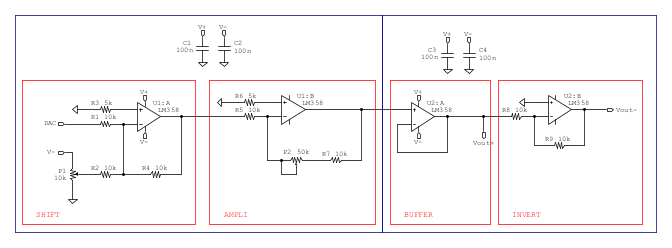
Ho costruito questo circuito:
- Primo opamp : sommatore shifto il segnale per portarlo nel range -2/+2
- Secondo opamp : invertente amplifico il segnale per portarlo nel range -15/+15
- Terzo opamp : buffer così separo la parte di gestione dal resto del circuito
- Vout+ : ottengo l'uscita elaborata e NON invertita
- Quarto opamp : invertente amplificazione =1 ribalto il segnale
- Vout- : ottengo l'uscita elaborata e invertita
-Ho aggiunto dei condensatori di filtro da 100n da montare vicinissimo agli operazionali
Sto testando vari driver per galvo alcuni richiedono solo il segnale dritto e alcuni sia il segnale dritto sia il segnale ribaltato questo il motivo per l'ultimo opamp.
Come dicevo sto testando vari driver e i range da dare ai driver variano (-5/+5), (-10/+10), (-15/+15)
In casa avevo degli LM358 e il circuito funziona bene ma...
Avete consigli in merito al circuito?
Gli Lm358 sono indicati per questo progetto o mi consigliate altro?
Consiglio scelta opamp
Moderatori:
carloc,
g.schgor,
BrunoValente,
IsidoroKZ
14 messaggi
• Pagina 1 di 2 • 1, 2
0
voti
Quali altre info servono riguardo al segnale?
Il segnale rappresenta la posizione del punto laser proiettato.
i dac sono 2 come i circuiti e i driver.
-V corrisponde a Xminimo
+V corrisponde a Xmassimo
idem per asse Y
e vado a disegnare in continuo lo stesso disegno il più rapidamente possibile
Il segnale rappresenta la posizione del punto laser proiettato.
i dac sono 2 come i circuiti e i driver.
-V corrisponde a Xminimo
+V corrisponde a Xmassimo
idem per asse Y
e vado a disegnare in continuo lo stesso disegno il più rapidamente possibile
0
voti
vedo che l'opamp che mi hai indicato ha delle resistenze interne fisse io invece ho bisogno di poter tarare finemente le amplificazioni e gli shift dei segnali
0
voti
Se non altro avere un'idea sulla banda passante e sulla precisione del sistema
Se leggi il datasheet vedi che puoi combinare i pin dell'amplificatore per ottenere tutte le confiugrazioni di cui hai bisogno.
Se leggi il datasheet vedi che puoi combinare i pin dell'amplificatore per ottenere tutte le confiugrazioni di cui hai bisogno.
-

luxinterior
4.311 3 4 9 - Master EY

- Messaggi: 2690
- Iscritto il: 6 gen 2016, 17:48
0
voti
BANDA PASSANTE:
Faccio fatica a quantificare un valore in quanto dipende da cosa devo proiettare ma ci provo.
Diciamo che le casistiche classiche sono 2:
1. Proietto il contorno del pezzo quindi una cosa così
2. Proietto la lavorazione (Caso peggiore)
La proiezione (quiundi tutti i valori) va fatta almeno a 24Hz per non vedere lampegii i valori di Vout variano a step di 10mm quindi avento una ampiezza totale di 4000mmx4000mm la variazione è di ((Vout+)-(Vout-))/400 Se uso Vout +-15 o degli step da 0.075V.
Poi dipende anche dal DAC ma per ora non lo considero.
Diciamo che vorrei ottenere un sistema che proietti almeno 7500mm di percorso totale a step di 10mm a punto ottengo:
7500/10=750 pti
a 24Hz
750*24=18000 pti
però come vedete non tutti i punti sono tanto distanti tra loro andi la maggiorparte di essi richiede una variazione abbastanza contenuta diciamo un 3% del range...
quindi ora forse dico una cavolata ma opterei per un valore indicativo di 5KHz come banda passante????
Il sistema inoltre dovrà essere in grado di sopportare tranquillamente dei "periodi" a valore costanteveri linee orizzontali e verticali.
RISOLUZIONE:
Come risoluzione i dac sono a 12bit (magari più avanti opterò per una definizione a 14 o 16 ma non so vedrò dai test e i risultati) quindi degli input che hanno una sensibilità di:
(Vmax-Vmin)/4095
(4.5v-0.5v)/4095=0.00097V=0.97mV
il fattore di amplificazione nel caso del segnale a +-15V è 7.5 nel caso del segnale +-5V è 2.5
Faccio fatica a quantificare un valore in quanto dipende da cosa devo proiettare ma ci provo.
Diciamo che le casistiche classiche sono 2:
1. Proietto il contorno del pezzo quindi una cosa così
2. Proietto la lavorazione (Caso peggiore)
La proiezione (quiundi tutti i valori) va fatta almeno a 24Hz per non vedere lampegii i valori di Vout variano a step di 10mm quindi avento una ampiezza totale di 4000mmx4000mm la variazione è di ((Vout+)-(Vout-))/400 Se uso Vout +-15 o degli step da 0.075V.
Poi dipende anche dal DAC ma per ora non lo considero.
Diciamo che vorrei ottenere un sistema che proietti almeno 7500mm di percorso totale a step di 10mm a punto ottengo:
7500/10=750 pti
a 24Hz
750*24=18000 pti
però come vedete non tutti i punti sono tanto distanti tra loro andi la maggiorparte di essi richiede una variazione abbastanza contenuta diciamo un 3% del range...
quindi ora forse dico una cavolata ma opterei per un valore indicativo di 5KHz come banda passante????
Il sistema inoltre dovrà essere in grado di sopportare tranquillamente dei "periodi" a valore costanteveri linee orizzontali e verticali.
RISOLUZIONE:
Come risoluzione i dac sono a 12bit (magari più avanti opterò per una definizione a 14 o 16 ma non so vedrò dai test e i risultati) quindi degli input che hanno una sensibilità di:
(Vmax-Vmin)/4095
(4.5v-0.5v)/4095=0.00097V=0.97mV
il fattore di amplificazione nel caso del segnale a +-15V è 7.5 nel caso del segnale +-5V è 2.5
0
voti
Dato che parli di punto lader e proiezione, hai considerato i galvo per laser-show, con le loro relative schede driver ?
Ce ne sono di parecchio veloci, anche se non esattamente economiche.
Ce ne sono di parecchio veloci, anche se non esattamente economiche.
"Sopravvivere" e' attualmente l'unico lusso che la maggior parte dei Cittadini italiani,
sia pure a costo di enormi sacrifici, riesce ancora a permettersi.
sia pure a costo di enormi sacrifici, riesce ancora a permettersi.
-

Etemenanki
9.517 3 6 10 - Master

- Messaggi: 5940
- Iscritto il: 2 apr 2021, 23:42
- Località: Dalle parti di un grande lago ... :)
0
voti
Si certo le sto valutando e in effetti i costi sono abbastanza importanti.
Al momento ne ho alcune per le mani semi professionali, sono alimentate a +/-15V e il segnale di controllo ha un range di funzionamento di +/-10V.
Il mio dubbio infatti non è sulle schede driver voglio essere sicuro che la parte di amplificazione dei valori di controllo sia fatta bene e non so se l'LM358 sia indicato
Al momento ne ho alcune per le mani semi professionali, sono alimentate a +/-15V e il segnale di controllo ha un range di funzionamento di +/-10V.
Il mio dubbio infatti non è sulle schede driver voglio essere sicuro che la parte di amplificazione dei valori di controllo sia fatta bene e non so se l'LM358 sia indicato
0
voti
THS4281 ?
Abbastanza veloce, rail to rail, basso rumore, fino a 30mA di corrente di uscita, e se devi fae una scheda piccola, c'e' anche in case SOT23-5
Abbastanza veloce, rail to rail, basso rumore, fino a 30mA di corrente di uscita, e se devi fae una scheda piccola, c'e' anche in case SOT23-5
"Sopravvivere" e' attualmente l'unico lusso che la maggior parte dei Cittadini italiani,
sia pure a costo di enormi sacrifici, riesce ancora a permettersi.
sia pure a costo di enormi sacrifici, riesce ancora a permettersi.
-

Etemenanki
9.517 3 6 10 - Master

- Messaggi: 5940
- Iscritto il: 2 apr 2021, 23:42
- Località: Dalle parti di un grande lago ... :)
14 messaggi
• Pagina 1 di 2 • 1, 2
Chi c’è in linea
Visitano il forum: Nessuno e 119 ospiti

Elettrotecnica e non solo (admin)
Un gatto tra gli elettroni (IsidoroKZ)
Esperienza e simulazioni (g.schgor)
Moleskine di un idraulico (RenzoDF)
Il Blog di ElectroYou (webmaster)
Idee microcontrollate (TardoFreak)
PICcoli grandi PICMicro (Paolino)
Il blog elettrico di carloc (carloc)
DirtEYblooog (dirtydeeds)
Di tutto... un po' (jordan20)
AK47 (lillo)
Esperienze elettroniche (marco438)
Telecomunicazioni musicali (clavicordo)
Automazione ed Elettronica (gustavo)
Direttive per la sicurezza (ErnestoCappelletti)
EYnfo dall'Alaska (mir)
Apriamo il quadro! (attilio)
H7-25 (asdf)
Passione Elettrica (massimob)
Elettroni a spasso (guidob)
Bloguerra (guerra)



