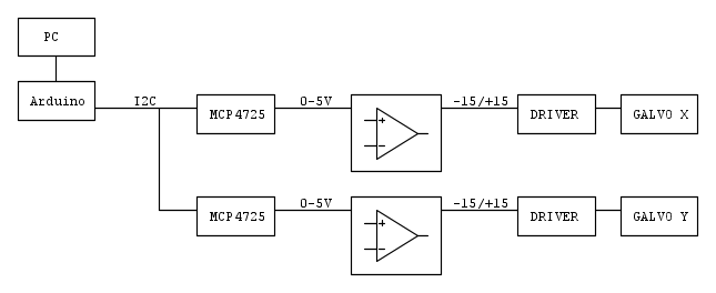
Al momento invio tramite PC degli input ad un Arduino al quale ho collegato in I2C due DAC MCP4725 i quali a loro volta sono collegati ad una schedina che amplifica il segnale analogico e lo da in pasto ai drive che comandano i galvanometri.
Tanto per capirci meglio:
La parte di op-amp funziona grazie anche ai consigli del forum
Praticamente sta funzionando ma vorrei migliorare la situazione in quanto:
Collegando 2 DAC di questo tipo riesco a generare circa 1500 punti al secondo e vorrei se possibile arrivare a 7000/10000.
Ho anche provato a mettere dei DAC paralleli ma restando attorno ai 12bit di risoluzione ho dovuto riccorrere a delle espansioni di I/O sempre collegate in I2C e il numero di punti generato è addirittura calato a 800.
Avete qualche consiglio?
Mi sembra che esistono delle schede con DAC a bordo della STM se non sbaglio.
Però non vorrei spendere una marea di tempo e fare acquisti inutili.

Elettrotecnica e non solo (admin)
Un gatto tra gli elettroni (IsidoroKZ)
Esperienza e simulazioni (g.schgor)
Moleskine di un idraulico (RenzoDF)
Il Blog di ElectroYou (webmaster)
Idee microcontrollate (TardoFreak)
PICcoli grandi PICMicro (Paolino)
Il blog elettrico di carloc (carloc)
DirtEYblooog (dirtydeeds)
Di tutto... un po' (jordan20)
AK47 (lillo)
Esperienze elettroniche (marco438)
Telecomunicazioni musicali (clavicordo)
Automazione ed Elettronica (gustavo)
Direttive per la sicurezza (ErnestoCappelletti)
EYnfo dall'Alaska (mir)
Apriamo il quadro! (attilio)
H7-25 (asdf)
Passione Elettrica (massimob)
Elettroni a spasso (guidob)
Bloguerra (guerra)








