Una domanda: c’è un offset in continua tra le due onde A e B?
Non ne sono sicuro, ma dalle foto dell’oscilloscopio sembra che lo zero delle due forme d’onda sia diverso.
Differenziale tra due onde sinusoidali
Moderatori:
carloc,
g.schgor,
BrunoValente,
IsidoroKZ
38 messaggi
• Pagina 3 di 4 • 1, 2, 3, 4
0
voti
lelerelele ha scritto:Intendi esattamente la stessa sinusoide, senza angoli di fase? il risutato sarà zero, una linea diritta.
Se ho due sinusoidi di ampiezze diverse, avrò una sinusoide come uscita, e se ho due sinusoidi sfasate avrò sempre una sinusoide in uscita.
Hai ragione.
In teoria le due onde dovrebbero essere in fase (verificherò) perché l'onda in ingresso è la stessa, ma in effetti nelle varie trasformazioni potrei inserire dei ritardi.
L'ampiezza delle due sinusoidi dovrebbe essere la stessa.
Stesso discorso per l'offset.
Il circuito precedente mi permette di modificare l'offset e l'ampiezza introducendo una distorsione (che è quella che vorrei vedere come differenziale.
So che non vi piacciono le mie foto
Nella prima in Blu il differenziale in uscita all'op.
Nella seconda in Blu il differenziale dell'osc (Scala: 100 mV).
Non mi sembra che si assomiglino molto... anche se in effetti una piccola distorsione si vede e la frequenza è un po alta...
Boh, proverò a controllare meglio le due onde in A & B.
Grazie 1000
0
voti
Scusa, mi ero "quasi" scordato
Non chiaro...
Come posso controllare / risolvere ? (eventualmente un link a qualche spiegazione).
Qualche paramentro nel datasheet da controllare ?
Si questo è chiaro.
Sicuramente dico delle castronerie (per cortesia correggetemi), ma:
Slew rate del TLC2272 è 3,6 V/uSec, quindi con un Vpkpk di 1,84 ho Fmax = 3.6/(2*3.14*1.84) = 300 kHz
quindi all'interno di questa frequenza non dovrei avere distorsioni, oltre ho distorsione tanto maggiore quanto maggiore è la variazione del segnale. Corretto ?
Quindi cosa centrano le armoniche ?
Giusto per capire... (Onde non distorte).
Domanda1: lo slew rate è "valido" solo per la variazione in uscita, o anche sulle onde in ingresso ? ossia se ho due onde (esagero) a 1 MHz Vpkpk = 2 V in fase, ma offset 100 mV, in uscita ho 100 mV o si incasina ?
Domanda2: Idem come sopra, ma se ho differenza di fase e non offset, quindi in uscita ho una sinusoide ma l'ampiezza è all'interno dello slew rate es: il differenziale è 0,3V
slew = 3.6/(2*3.14*0.5*10^-6) = 1,1 MHz
in uscita ho disorsione o differenziale corretto ?
Grazie e scusate l'ignoranza, ma la parte analogica è proprio ostica. (non che il resto dell'elettronica non lo sia
)
lelerelele ha scritto:In riferimento aal'onda gialla seghettata, sicuramente è una deficienza di retroazione, oppure una frequuenza in cui la retroazione routando di fase diventa possitiva ed autoinnesca.
Non chiaro...
Come posso controllare / risolvere ? (eventualmente un link a qualche spiegazione).
Qualche paramentro nel datasheet da controllare ?
lelerelele ha scritto:L'onda blu, tagliata, è sicuramente in saturazionne ...
Si questo è chiaro.
lelerelele ha scritto:se intendi anche leggere le distorsioni, tra una e l'altra, potrai avere delle frequenze anche di 3 o 4 armonica che facilmente saliranno molto di frequenza, devi porti dei limiti, tra le freq. di ingresso massime e le armoniche che intendi leggere, da qua puoi valutare se l'op è entro i limiti imposti, tenendo presente anche l'ampiezza che dovrebbe fornire in uscita.
Sicuramente dico delle castronerie (per cortesia correggetemi), ma:
Slew rate del TLC2272 è 3,6 V/uSec, quindi con un Vpkpk di 1,84 ho Fmax = 3.6/(2*3.14*1.84) = 300 kHz
quindi all'interno di questa frequenza non dovrei avere distorsioni, oltre ho distorsione tanto maggiore quanto maggiore è la variazione del segnale. Corretto ?
Quindi cosa centrano le armoniche ?
Giusto per capire... (Onde non distorte).
Domanda1: lo slew rate è "valido" solo per la variazione in uscita, o anche sulle onde in ingresso ? ossia se ho due onde (esagero) a 1 MHz Vpkpk = 2 V in fase, ma offset 100 mV, in uscita ho 100 mV o si incasina ?
Domanda2: Idem come sopra, ma se ho differenza di fase e non offset, quindi in uscita ho una sinusoide ma l'ampiezza è all'interno dello slew rate es: il differenziale è 0,3V
slew = 3.6/(2*3.14*0.5*10^-6) = 1,1 MHz
in uscita ho disorsione o differenziale corretto ?
Grazie e scusate l'ignoranza, ma la parte analogica è proprio ostica. (non che il resto dell'elettronica non lo sia
0
voti
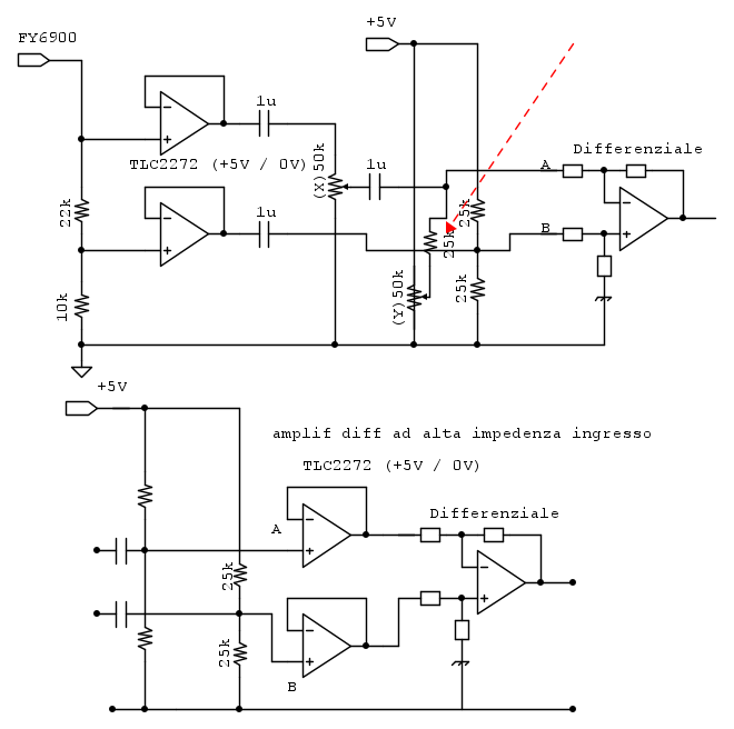
Spiega come vengono generate le sinusoidi in ingresso: un generatore di segnali o altri circuiti?
L'impedenza di ingresso dei due canali del differenziale non sono uguali fra loro.
I generatori possono venire approssimati a ideali?
Non puoi iniziare le prove a frequenza bassa esempio 1 kHz, e rilevare offeset.
L'impedenza di ingresso dei due canali del differenziale non sono uguali fra loro.
I generatori possono venire approssimati a ideali?
Non puoi iniziare le prove a frequenza bassa esempio 1 kHz, e rilevare offeset.
0
voti
MarcoD ha scritto:Spiega come vengono generate le sinusoidi in ingresso: un generatore di segnali o altri circuiti?
Generatore di onde commerciale FY6900.
Circuito a monte del differenziale.
MarcoD ha scritto:L'impedenza di ingresso dei due canali del differenziale non sono uguali fra loro.
I generatori possono venire approssimati a ideali?
x Impedenza di ingresso: Dovrei cambiare il pot (X) o aggiungere un follower su A ?
MarcoD ha scritto:Non puoi iniziare le prove a frequenza bassa esempio 1 kHz, e rilevare offeset.
Ok, appena riesco provo a vedere se c'è offset e sfasamento. Proverò a partire da frequenze più basse.
1
voti
con la resistenza aggiunta, il guadagno è meno influenzato dall'offset.
1
voti
Tekonoris ha scritto:lo slew rate è "valido" solo per la variazione in uscita, o anche sulle onde in ingresso ?
Lo slew rate indica quanto velocemente può variare l'uscita di un OPAMP. Quello che succede agli ingressi dell'OPAMP è una conseguenza di ciò che avviene all'uscita: se l'uscita non riesce a seguire bene l'offset di ingresso, allora la retroazione porta indietro un segnale "sballato". In generale te ne accorgi subito perché tra gli ingressi hai una forma d'onda che smette di essere sinusoidale e diventa simil-triangolare.
Oltre che dello slew rate (che interessa il grande segnale) ti devi preoccupare anche della banda (piccolo segnale): man mano che sali in frequenza l'OPAMP cala pian piano il suo guadagno, e la tensione differenziale agli ingressi smette di essere (quasi) 0 e cresce sempre di più.
Io seguirei il consiglio di
38 messaggi
• Pagina 3 di 4 • 1, 2, 3, 4
Chi c’è in linea
Visitano il forum: Nessuno e 108 ospiti

Elettrotecnica e non solo (admin)
Un gatto tra gli elettroni (IsidoroKZ)
Esperienza e simulazioni (g.schgor)
Moleskine di un idraulico (RenzoDF)
Il Blog di ElectroYou (webmaster)
Idee microcontrollate (TardoFreak)
PICcoli grandi PICMicro (Paolino)
Il blog elettrico di carloc (carloc)
DirtEYblooog (dirtydeeds)
Di tutto... un po' (jordan20)
AK47 (lillo)
Esperienze elettroniche (marco438)
Telecomunicazioni musicali (clavicordo)
Automazione ed Elettronica (gustavo)
Direttive per la sicurezza (ErnestoCappelletti)
EYnfo dall'Alaska (mir)
Apriamo il quadro! (attilio)
H7-25 (asdf)
Passione Elettrica (massimob)
Elettroni a spasso (guidob)
Bloguerra (guerra)








