Sembra discretamente chiaro.
comunque dice espressamente che senza un ON OFF di /RD e /CS non lavora:
E sembra fare il sampling sui fronti di /RD:
Ne avevo visti molti e sostanzialmente si comportano tutti così: un vero free running non l'avevo trovato, ma non vuol dire che non esista.
Per questo proponevo il doppio half converter, coll'LM3914 dovrebbe riuscire a fare tutto (più o meno) in sincronia se consideriamo l'uscita dei comparatori e OPAMP pressoché istantanea (ovvero molto più veloce delle porte logiche). Comunque arrivano prima i MSB e non dovrebbe avere grandi problemi.
Non appena vuol mettere un latching gli serve un fronte...
ADC 6 bit o 8 bit
Moderatori:
carloc,
g.schgor,
BrunoValente,
IsidoroKZ
0
voti
Datasheet ha scritto:But, if CS and RD are low when BUSY goes high[...]
Ecco, questa condizione però non è soddisfatta se facciamo come dico io.
questo è in contraddizione conDatasheet ha scritto:The T/H starts holding the input on the third falling edge of the clock after CS and RD go low
Datasheet ha scritto:Tying the MODE pin low places the MAX166 into a continuous-conversion mode. The RD and CS inputs are only used for reading data from the converter.
Insomma, documentazione lacunosa, come spesso accade
Non prometto nulla, ma magari ne compro uno per fare una prova... solo per curiosità
Boiler
0
voti
GioArca67 ha scritto:...Per questo proponevo il doppio half converter, coll'LM3914 dovrebbe riuscire a fare tutto (più o meno) in sincronia se consideriamo l'uscita dei comparatori e OPAMP pressoché istantanea (ovvero molto più veloce delle porte logiche). Comunque arrivano prima i MSB e non dovrebbe avere grandi problemi.
Purtroppo l'LM3914 ha solo 10 uscite, mettendone 2 non si arriverebbe a 6 bit
-

BrunoValente
39,6k 7 11 13 - G.Master EY

- Messaggi: 7796
- Iscritto il: 8 mag 2007, 14:48
1
voti
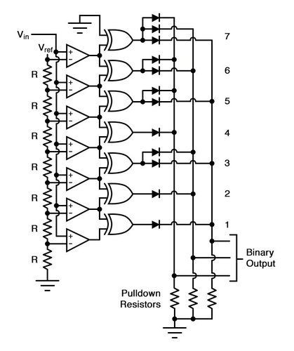
Con 2 LM3914 ti rimangono inutilizzati 6 comparatori. Guarda lo schema di principio che avevo messo.
Un ADC a 3bit flash usa 7 comparatori.
Poi hai una conversione DAC dei 3 MSB, che sottrai al tuo segnale e fai una nuova ADC flash a 3 bit dopo aver moltiplicato per 8 questa differenza. Da questi ottieni i 3 LSB
Un ADC a 3bit flash usa 7 comparatori.
Poi hai una conversione DAC dei 3 MSB, che sottrai al tuo segnale e fai una nuova ADC flash a 3 bit dopo aver moltiplicato per 8 questa differenza. Da questi ottieni i 3 LSB
0
voti
Lo schema funziona così.
Supponiamo 5V di Vref (da scalare per il numero maggiore di comparatori dell'LM3914) e vogliamo convertire in digitale 2,8V di segnale.
Primo ADC (gestisce i 3 MSB), ci sono 2^3=8 bins, ognuno ampio 5/8=0,625V
l'LM3914 accende le prime 4 uscite (0,625+0,625+0,625+0,625=2,5V) la 5 non riesce, essendo a 3,125V)
In binario abbiamo (dopo il priority encoder 8->3) 1 0 0 (col MSB a sinistra)
Il DAC a 3 bit converte questo in 2,5V
Il sottrattore (e moltiplicatore per 8) fornisce (2,8-2,5)*8=2,4V
Che diamo in pasto al secondo LM3914
Che accende 3 comparatori, ovvero 0 1 1 a valle dell'encoder.
Il valore complessivo è la giustapposizione: 1 0 0 0 1 1, ovvero 35 in decimale che in tensione vale (ora siamo a 6 bit quindi 2^6=64 e 5 V /64=0,078V) 35*0,078= 2,73V (il passo successivo sarebbe 2,81V, maggiore dei nostri 2,8V, ma approssimiamo per difetto)
Altro esempio: segnale 1,0V
Primo ADC: si accendo solo la prima uscita -> 0 0 1
0 0 1 viene convertito dal DAC a 3 bit in 0,625V
(1-0,625)*8=3V che diamo in pasto al secondo ADC
Si attivano le prime 4 uscite -> 1 0 0
Quindi il codice completo è 0 0 1 1 0 0, ovvero 12 in decimale
12*0,078=0,9375V
il passo successivo avrebbe dato 0,9375+0,78125=1,016V
L'LM3914 ha 10 resistenze da 1k come scala, basta mettere 5/8*10= 6,25V come Vref
Supponiamo 5V di Vref (da scalare per il numero maggiore di comparatori dell'LM3914) e vogliamo convertire in digitale 2,8V di segnale.
Primo ADC (gestisce i 3 MSB), ci sono 2^3=8 bins, ognuno ampio 5/8=0,625V
l'LM3914 accende le prime 4 uscite (0,625+0,625+0,625+0,625=2,5V) la 5 non riesce, essendo a 3,125V)
In binario abbiamo (dopo il priority encoder 8->3) 1 0 0 (col MSB a sinistra)
Il DAC a 3 bit converte questo in 2,5V
Il sottrattore (e moltiplicatore per 8) fornisce (2,8-2,5)*8=2,4V
Che diamo in pasto al secondo LM3914
Che accende 3 comparatori, ovvero 0 1 1 a valle dell'encoder.
Il valore complessivo è la giustapposizione: 1 0 0 0 1 1, ovvero 35 in decimale che in tensione vale (ora siamo a 6 bit quindi 2^6=64 e 5 V /64=0,078V) 35*0,078= 2,73V (il passo successivo sarebbe 2,81V, maggiore dei nostri 2,8V, ma approssimiamo per difetto)
Altro esempio: segnale 1,0V
Primo ADC: si accendo solo la prima uscita -> 0 0 1
0 0 1 viene convertito dal DAC a 3 bit in 0,625V
(1-0,625)*8=3V che diamo in pasto al secondo ADC
Si attivano le prime 4 uscite -> 1 0 0
Quindi il codice completo è 0 0 1 1 0 0, ovvero 12 in decimale
12*0,078=0,9375V
il passo successivo avrebbe dato 0,9375+0,78125=1,016V
L'LM3914 ha 10 resistenze da 1k come scala, basta mettere 5/8*10= 6,25V come Vref
1
voti
brabus ha scritto:La butto lì: l'ADC di un microcontrollore con clock interno? Una robetta super low power, silenziosissima, discreta.
L'avevo proposto in [6] e ho perso il rispetto di Bruno, adesso siamo in due in questa disgraziata situazione
Chi c’è in linea
Visitano il forum: Nessuno e 196 ospiti

Elettrotecnica e non solo (admin)
Un gatto tra gli elettroni (IsidoroKZ)
Esperienza e simulazioni (g.schgor)
Moleskine di un idraulico (RenzoDF)
Il Blog di ElectroYou (webmaster)
Idee microcontrollate (TardoFreak)
PICcoli grandi PICMicro (Paolino)
Il blog elettrico di carloc (carloc)
DirtEYblooog (dirtydeeds)
Di tutto... un po' (jordan20)
AK47 (lillo)
Esperienze elettroniche (marco438)
Telecomunicazioni musicali (clavicordo)
Automazione ed Elettronica (gustavo)
Direttive per la sicurezza (ErnestoCappelletti)
EYnfo dall'Alaska (mir)
Apriamo il quadro! (attilio)
H7-25 (asdf)
Passione Elettrica (massimob)
Elettroni a spasso (guidob)
Bloguerra (guerra)





