Cos'è ElectroYou | Login Iscriviti

ElectroYou - la comunità dei professionisti del mondo elettrico

Relè a stato solido

Elettronica lineare e digitale: didattica ed applicazioni

Moderatori: Foto Utentecarloc, Foto Utenteg.schgor, Foto UtenteBrunoValente, Foto UtenteIsidoroKZ

0
voti

[11] Re: Relè a stato solido

Messaggioda Foto Utenteapollo17 » 10 mag 2023, 11:16

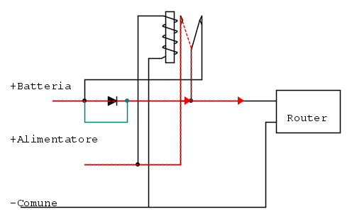
ThEnGi:

scusa ma il positivo alimentatore con relè eccitato; quindi in presenza della 230Vac deve essere collegato al router. In assenza di 230Vac quindi diseccitato si collega alla batteria. Il tuo schema parte da quest' ultimo stato. Giusto?

x Boiler, proverò anche questa soluzione. Non subito ma sono molto curioso.
Avatar utente
Foto Utenteapollo17
81 1 2 6
Stabilizzato
Stabilizzato
 
Messaggi: 324
Iscritto il: 30 lug 2017, 11:59

0
voti

[12] Re: Relè a stato solido

Messaggioda Foto Utenteapollo17 » 12 mag 2023, 21:37

Quando cade l'alimentazione il diodo (che viene bypassato)

Si fatto prove funziona; con diodo Bypassato ho un caduta di circa 0,2Vcc senza ponte circa 0,7-8

Senza diodo, ho un interruzione brevissima della tensione sul router quandoo stacco la 230ac
Vedo chiaramante tale interruzione sui led del router e con diodo nessuna interruzione.
perché oscilloscopio non mi fa vedere tale caduta? Forse sbaglio a regolarlo.
Avatar utente
Foto Utenteapollo17
81 1 2 6
Stabilizzato
Stabilizzato
 
Messaggi: 324
Iscritto il: 30 lug 2017, 11:59

0
voti

[13] Re: Relè a stato solido

Messaggioda Foto Utenteluxinterior » 13 mag 2023, 10:34

apollo17 ma colleghi la batteria direttamente al router?
Io ci metteri un regolatore in mezzo certo le cose si complicano ma avresti la comodità di poter secegliere la batteria che vuoi. Secondo me la scarsa autonomia è dovuta a qualche buco di tensione nella batteria Quando inzia a scaricarsi se l'assorbimento aumenta la tensione cala di brutto magari per pochi istanti e ti blocca il router. I due diodi in serie peggiorano il problema. Se vuoi proseguire sulla tua strada io comunque ci metterei un regolatore sulla batteria. E a questo punto senza sapere ne leggere ne scrivere opterei per un piccolo gruppo di continuità Risolveresti tutto in modo semplice. Certo costa di più ma dipende da qual è il tuo scopo
Avatar utente
Foto Utenteluxinterior
4.311 3 4 9
Master EY
Master EY
 
Messaggi: 2690
Iscritto il: 6 gen 2016, 17:48

0
voti

[14] Re: Relè a stato solido

Messaggioda Foto UtenteThEnGi » 13 mag 2023, 10:50

apollo17 ha scritto:scusa ma il positivo alimentatore con relè eccitato; quindi in presenza della 230Vac deve essere collegato al router. In assenza di 230Vac quindi diseccitato si collega alla batteria. Il tuo schema parte da quest' ultimo stato. Giusto?


Bobina relè alimentatta da alimentatore router (lato 12V)
Relè diseccitato: Router alimentato da batteria (NC)
Relè eccitato: Router alimentato da suo alimenatore 230/12V(NO)

Attenzione: é meglio prendere l'alimentazione del relè a valle dell'alimentatore così se fosse questo a guastarsi (12V no / 230 si) hai comunque la commutazione. Cosa che non avviene se prendi la 230V

Foto Utenteluxinterior ha portato un buon punto, mettici un buck-boost in cascata alla batteria così non hai buchi di tensione

O_/
Avatar utente
Foto UtenteThEnGi
2.230 3 6 9
Expert EY
Expert EY
 
Messaggi: 2228
Iscritto il: 6 ott 2022, 18:43

0
voti

[15] Re: Relè a stato solido

Messaggioda Foto Utenteapollo17 » 13 mag 2023, 20:41

Io ci metteri un regolatore in mezzo

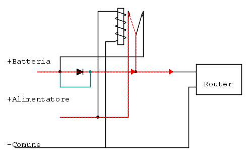
la batteria è connessa al router tramite relè come da schema. La batteria viene ricaricata da un suo carica batteria dedidcato automatico.

Bobina relè alimentatta da alimentatore router (lato 12V)
Relè diseccitato: Router alimentato da batteria (NC)
Relè eccitato: Router alimentato da suo alimenatore 230/12V(NO)


Si esatto. noto solo un assorbimento permanente per la batteria anche in presenzqa della 230Vac. Se elimino il ponticello sul diodo no.
Sto cercando di capire...

Prova così:
da boiler
si funziona ma esiste sempre la caduta di tensione
Avatar utente
Foto Utenteapollo17
81 1 2 6
Stabilizzato
Stabilizzato
 
Messaggi: 324
Iscritto il: 30 lug 2017, 11:59

0
voti

[16] Re: Relè a stato solido

Messaggioda Foto UtenteThEnGi » 14 mag 2023, 15:24

apollo17 ha scritto:Si esatto. noto solo un assorbimento permanente per la batteria anche in presenzqa della 230Vac. Se elimino il ponticello sul diodo no.
Sto cercando di capire...


Se è come da schema in pratica a relè eccitato metti in parallelo la batteria e l'alimentatore
Se il caricabatterie eroga come immagino una tensione di 13.4 V (circa) e l'alimentatore eroga 12V puliti è normale che la corrente scorra in parte dalla batteria.

Il diodo per entrare in conduzione deve rispettare questa formula Vbatt > Vdiodo + Valimentatore.
è corretto che con il diodo inserito non vi sia assorbimento dalla batteria.
Non riesco a capire che ponticello stai facendo o a cosa serva :?:



O_/
Avatar utente
Foto UtenteThEnGi
2.230 3 6 9
Expert EY
Expert EY
 
Messaggi: 2228
Iscritto il: 6 ott 2022, 18:43

2
voti

[17] Re: Relè a stato solido

Messaggioda Foto Utenteboiler » 15 mag 2023, 9:57

apollo17 ha scritto:si funziona ma esiste sempre la caduta di tensione

Ci sono diodi con 30 mV di caduta di tensione su 8 A di carico!
Ma anche senza arrivare a tanto, la caduta di tensione di un diodo "normale" non può causare il reset di un router alimentato a 12 V (a meno che non sia una porcheria veramente penosa).

Tutto il problema è stato descritto in modo molto lacunoso (anzi, si è descritta la soluzione non funzionante a quello che si crede essere il problema). A questo punto, io mi astengo dal commentare.

Boiler
Avatar utente
Foto Utenteboiler
26,4k 5 9 13
G.Master EY
G.Master EY
 
Messaggi: 5602
Iscritto il: 9 nov 2011, 12:27

0
voti

[18] Re: Relè a stato solido

Messaggioda Foto Utenteapollo17 » 18 mag 2023, 17:40

Fatto delle prove, avevo problemi con passaggio immediato alimentatore>batteria. O poca corrente di carica da parte del carica batteria, inputabili alle cadute di tensioni.
Forse.. dico forse (è sotto test) secondo il seguente schema tutto funziona bene:
a- )il carica batteria fornisce la giusta ricarica alla batteria, senza alcuna caduta di corrente, a causa dei tre diodi, relè posizione (0)
b) In caso di assenza della tensione di rete ho uguale tensione sul router e sulla batteria, senza aluna caduta di tensione, il relè cortocircuita nella posizione (1) i tre diodi.
c) massima autonomia, il router vodafone consuma 670mA e con la batteria da 7A/h funziona per due ore circa.
Ds3 serve per evitare che arriva tensione batteria alla bobina del relè
Come ds3 volevo utilizzare un diodo ScHottky sr5100 ma adirittura mi ritrovo una caduta di tensione di .62 Vcc contro il classico shk-65-11 che mi da 0.56 Vcc rispetto sempre alla tensione base alimentatore-
Ds0-ds1 e ds2 sono dei 1N4007, passa corrente solo per un attimo quando va via la tensione di rete- Scusate il disegno...

Avatar utente
Foto Utenteapollo17
81 1 2 6
Stabilizzato
Stabilizzato
 
Messaggi: 324
Iscritto il: 30 lug 2017, 11:59

0
voti

[19] Re: Relè a stato solido

Messaggioda Foto Utenteapollo17 » 18 mag 2023, 19:36

chiedo scusa errata corrige, lo schema corretto è questo:


Avatar utente
Foto Utenteapollo17
81 1 2 6
Stabilizzato
Stabilizzato
 
Messaggi: 324
Iscritto il: 30 lug 2017, 11:59

0
voti

[20] Re: Relè a stato solido

Messaggioda Foto Utenteapollo17 » 22 mag 2023, 14:15

dubbio: dopo giorni di test tutto bene,
ma un dubbio rimane: per fa si di avere 14,2Vcc a vuoto sul carica batteria, quindi ho la carica completa appunto a 14,2 Vcc con 20mA di mantenimento.
Per tale valore ho dovuto cambiare il valore a 150ohm su R4 del carica batteria in modo tale che a vuoto ottengo 16Vcc.
Ciò perché se mantengo uscita stendard a 14,2 Vcc quando accendo il router ho un calo di tensione sul carica batteria.
Con R4 modificata con router accceso ho i miei 14,2 Vcc a vuoto sul carica batteria e quind valore fine carica- NOTA: mai la corrente di ricarica supera i 220mA anche con uscita a 16Vcc (carica batteria spento)- Dovrei mettere deviatore per cambio r6: 1) carica senza router acceso e 2) con router acceso.
perché ho tale calo di tensione? in allegato per completezza il carica batteria.
Allegati
carica bat.pdf
(67.62 KiB) Scaricato 157 volte
Avatar utente
Foto Utenteapollo17
81 1 2 6
Stabilizzato
Stabilizzato
 
Messaggi: 324
Iscritto il: 30 lug 2017, 11:59

Precedente

Torna a Elettronica generale

Chi c’è in linea

Visitano il forum: Nessuno e 33 ospiti