Cos'è ElectroYou | Login Iscriviti

ElectroYou - la comunità dei professionisti del mondo elettrico

Strumento Rilevatore radioattività

Apparecchi di misura: oscilloscopi, multimetri, analizzatori di rete ecc
0
voti

[41] Re: Strumento Rilevatore radioattività

Messaggioda Foto Utenteboiler » 29 mag 2023, 12:02

Etemenanki ha scritto:
boiler ha scritto:... A qualcuno interessa un fotomoltiplicatore Hamamatsu con montato sopra uno scintillatore allo ioduro di sodio drogato con tallio? ...


Se devi liberartene e non sai dove buttarlo ... :mrgreen:

È nella cassetta delle curiosità... roba che non userò mai, ma che è interessante guardare di tanto in tanto.
Se qualcuno ha un progetto concreto per il quale serve, posso anche pensare di cederlo.
Per questa applicazione non è decisamente la scelta migliore.

E in ogni caso bisogna sapere come maneggiare prodotti contenenti tallio: è estremamente tossico!

Boiler
Avatar utente
Foto Utenteboiler
26,4k 5 9 13
G.Master EY
G.Master EY
 
Messaggi: 5601
Iscritto il: 9 nov 2011, 12:27

0
voti

[42] Re: Strumento Rilevatore radioattività

Messaggioda Foto Utentegianniniivo » 29 mag 2023, 13:17

Grazie alle indicazioni ed ai link ricevuti ho voluto fare un po' di consultazione e ricerca per dispositivi da auto costruire o preassemblati. Ebbene c'è da perdersi e dubito di riuscire da solo a capire, in concreto, quale sarà la scelta da fare. Ho anche notato che l'argomento risulta di particolare interesse, essendoci anche altri Forum e video che trattano la materia.

Pubblico qualche spunto ma senza pretese, giusto per capire qualcosa da eventuali risposte e osservazioni.

Ho visto che il tubo Geiger J301 rileva principalmente alfa, particelle beta e y, raggi x ma sembra utilizzabile anche per rilevare i raggi gamma di 0.2mR/h ~ 120mR/h ma è enorme: più di 20cm...
Sembrerebbe quello giusto ma lo si trova solo qui

Poi ho trovato anche questo che sembrerebbe in grado di rilevare un po' tutto:

Anche questo, ma non dice cosa rileva, però iscrivendosi sembrerebbe forniscano PCB. gerber e codice per Arduino; da verificare:

Ho anche trovato rilevatori a stato solido ma spedyant mi ha anticipato.
Comunque le riviste Elektor, come fonte, sono: 06\2011, 11\2011, 10\2012 e 11-12\2019 ma non le ho e andrebbero reperite.

C'è anche qualcosa su SPERIMENTARE ma è del 1981...

Cosa fare? ?%
Avatar utente
Foto Utentegianniniivo
9.035 7 11 13
No Rank
 
Messaggi: 2874
Iscritto il: 5 feb 2019, 23:50

0
voti

[43] Re: Strumento Rilevatore radioattività

Messaggioda Foto UtenteEtemenanki » 29 mag 2023, 18:49

speedyant ha scritto:... rilevatore di radioattività tramite fotodiodo ...


Tempo fa avevano fatto esperimenti anche con le giunzioni dei normali diodi raddrizzatori, polarizzate inversamente, ma essendo piccole come dimensioni, anche quelle dei diodi piu grandi andrebbero bene come sonda puntiforme (oppure bisognerebbe metterne una marea in parallelo) ... provai anche quello, in gioventu', ma rilevava praticamente nulla.

boiler ha scritto:... è estremamente tossico!

Lo so, e' ottimo per avvelenamenti poco riconoscibili ... ehm, nulla, come non detto :mrgreen:
Diversi anni fa' ne cercavo uno, di quei cristalli, ma le uniche due ditte che trovai all'epoca che li distribuivano, non vendevano al di fuori degli USA e non avevano filiali in Italia, per cui lasciai perdere.

gianniniivo ha scritto:J301 rileva principalmente alfa, particelle beta e y, raggi x

Purtroppo no, tutti i tubi senza finestra in mica non sono in grado di rilevare le alfa, che non oltrepassano il vetro, e neppure le "soft beta" (beta a bassa energia), tutti quei tubi rilevano "hard beta" e gamma.

gianniniivo ha scritto: questo che sembrerebbe in grado di rilevare un po' tutto:

Stesso del precedente, hard beta e gamma.

gianniniivo ha scritto:Anche questo, ma non dice cosa rileva


Lo stesso degli altri due, SBM20-1 e' la versione a saldare del SBM20.

Diversi anni fa ne costruii un paio per dei clienti, posso far passare l'archivio del vecchio CAD "carta&matita" e vedere se ho ancora gli schemi in giro, se ti interessa dargli un'occhiata.

gianniniivo ha scritto:... ma non le ho e andrebbero reperite. ...


Se vuoi te le cerco, non sono sicuro di averle tutte ma un po di tempo fa ho "pidieffato" un po tutte le riviste che avevo in giro vecchie ... in alternativa le trovi probabilmente o sul sito introni.it (hanno un'archivio con un bel po di PDF, ne ho scaricati anch'io per riempire i "buchi" delle serie che mi mancavano in cartaceo), o su un altro di quei siti che mettono a disposizione le scansioni delle vecchie pubblicazioni.

EDIT: credo che l'articolo del fotodiodo fosse questo http://atom.univ.kiev.ua/npds/ua/IaroS/ ... nevych.pdf

RIEDIT: questo e' un esempio di fotodiodo ad ampia superfice gia predisposto per fare da rilevatore di radiazioni, dato che l'elemento sensibile e' coperto da epossidica nera https://www.first-sensor.com/cms/upload ... 000040.pdf
"Sopravvivere" e' attualmente l'unico lusso che la maggior parte dei Cittadini italiani,
sia pure a costo di enormi sacrifici, riesce ancora a permettersi.
Avatar utente
Foto UtenteEtemenanki
9.517 3 6 10
Master
Master
 
Messaggi: 5940
Iscritto il: 2 apr 2021, 23:42
Località: Dalle parti di un grande lago ... :)

0
voti

[44] Re: Strumento Rilevatore radioattività

Messaggioda Foto Utentespeedyant » 29 mag 2023, 20:59

Adesso che ricordo, era appunto per vendere prodotti in Russia, dove, per ragioni che potete immaginare, avevano la fobia dei prodotti "contaminati".
Voleva essere una alternativa economica ai tubi Geiger.
Non se ne fece nulla perché il prototipo era pure troppo sensibile... L'oscilloscopio leggermente meno...
P.S
Comunque riconosco il circuito del pdf, è lui!
Son quello delle domande strane!
Avatar utente
Foto Utentespeedyant
5.093 3 6 8
Master
Master
 
Messaggi: 3877
Iscritto il: 9 lug 2013, 18:29
Località: Torino

0
voti

[45] Re: Strumento Rilevatore radioattività

Messaggioda Foto Utentegianniniivo » 30 mag 2023, 1:14

Mah, non so cosa aggiungere, ho preso per buono quello che ho letto ma se raccontano frottole inutile fare ricerche.

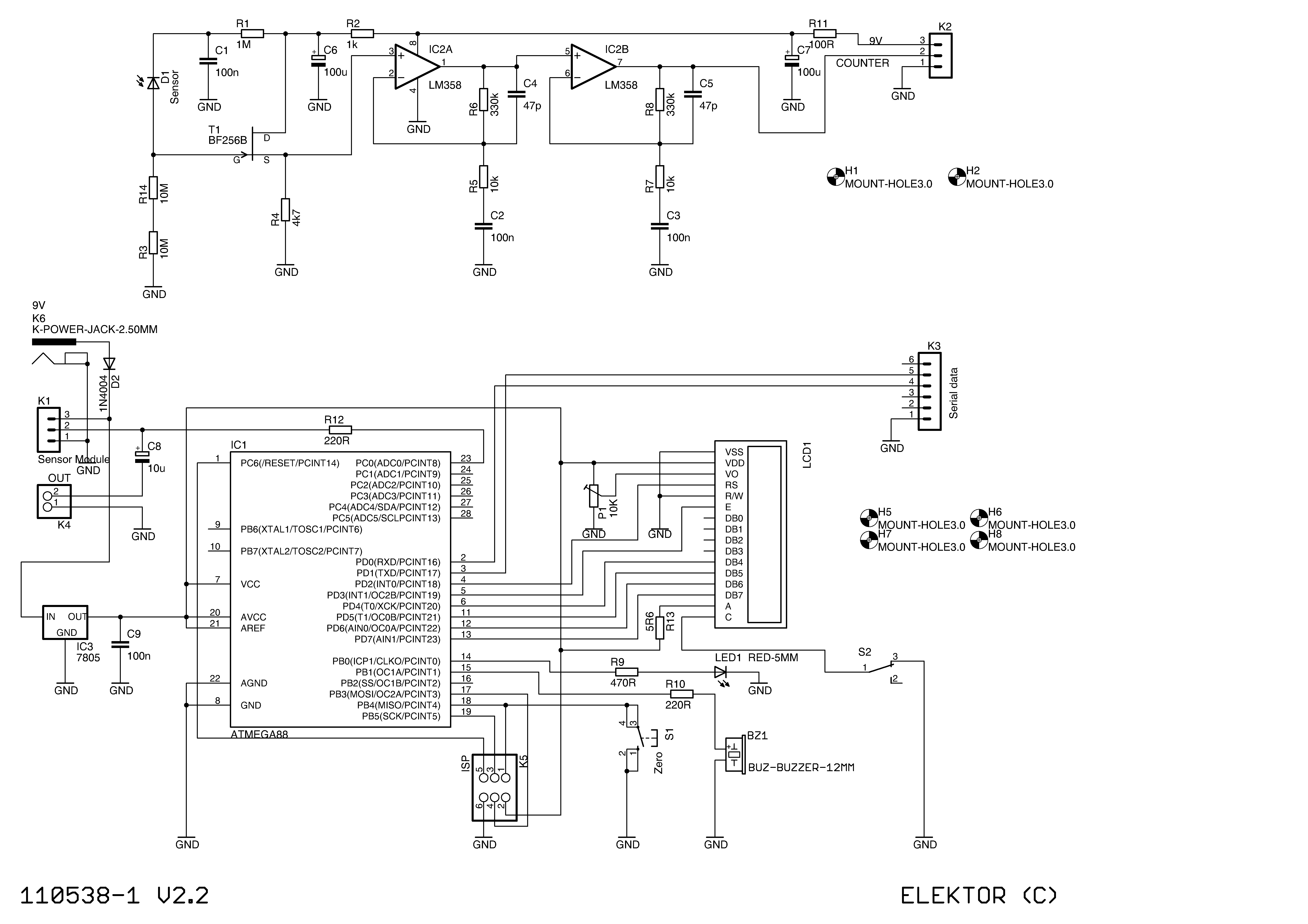
Per Elektor ho trovato le riviste più vecchie ma quella del 11/12 2019 non si trova, almeno io non la trovo. Ho trovato uno schema e un riassunto del progetto ultimo ma sembra non essere adatto alle Alfa perché sembrerebbe in grado di rilevare raggi X e Gamma. Almeno stando a quel poco che si può leggere dal riassunto. Forse le versioni precedenti rilevavano anche alfa e altro ma l'ultima versione sembrerebbe di no.
Schema Elektor.png
Schema ultimo trovato 110538-1 V2.2
Avatar utente
Foto Utentegianniniivo
9.035 7 11 13
No Rank
 
Messaggi: 2874
Iscritto il: 5 feb 2019, 23:50

0
voti

[46] Re: Strumento Rilevatore radioattività

Messaggioda Foto UtenteEtemenanki » 30 mag 2023, 9:17

La rivelazione del tipo di particella dipende solo dal sensore, tubo o semiconduttore che sia ... il circuito puo essere qualsiasi tipo di circutio, ma se il materiale di cui e' composto l'involucro del sensore non permette alle particelle di passare, il sensore ovviamente non le rileva, per quello servono quelli con la finestra in mica, perche' 10 o 15 micron di mica sono quasi l'unica cosa che lascia passare le alfa praticamente senza bloccarle (a parte 4 o 5 micron di mylar, che pero' sarebbe ancora piu fragile), e finora non hanno trovato molti altri materiali in grado di fare la stessa cosa e contemporaneamente di essere utilizzati per costruirci finestre per rilevatori che durino abbastanza.

Oppure serve usare scintillatori in fluoruro di bario o siliconici, ma poi serve anche il fotomoltiplicatore, l'alimentatore a -1450V (o valori simili, dipende dal tubo fotomoltiplicatore) stabilizzato, l'amplificatore ad alta velocita' ... per quanto "primitivo", il tubo Geiger rimane ancora la migliore soluzione per l'autocostruzione.

Non devi considerare gli schemi, nella scelta del tipo di particelle da rilevare, ma solo i sensori ... per quanto possano essere diversi e piu o meno complessi, gli schemi non hanno nulla a che fare con il tipo di particelle rilevate, si limitano ad alimentare il tubo, separare ed amplificare/squadrare gli impulsi, ed in certi casi pilotare un display e fare i conteggi.
"Sopravvivere" e' attualmente l'unico lusso che la maggior parte dei Cittadini italiani,
sia pure a costo di enormi sacrifici, riesce ancora a permettersi.
Avatar utente
Foto UtenteEtemenanki
9.517 3 6 10
Master
Master
 
Messaggi: 5940
Iscritto il: 2 apr 2021, 23:42
Località: Dalle parti di un grande lago ... :)

0
voti

[47] Re: Strumento Rilevatore radioattività

Messaggioda Foto Utentegianniniivo » 30 mag 2023, 12:20

Va bene, credo di aver capito; il circuito successivo al sensore rappresenta un elemento sicuramente idoneo ma non essenziale per il funzionamento, la configurazione o la rilevazione del fenomeno precipuo in esame.

Ok, però, tra i pochi neuroni che mi sono rimasti ce n'è qualcuno che fatica a conformarsi e continua a porre un paio d'interrogativi.

Il primo: è possibile che dopo quasi 40 anni dall'incidente di Cernobyl, siamo ancora ridotti ad utilizzare i tubi Geiger-Muller, con tutto ciò che comporta in termini di costo, fragilità pericolosità e durata? Ho letto da qualche parte che la durata media è di 150 ore, quindi, con un calcoletto a spanne, deduci che se tieni il dispositivo in servizio continuativo devi sostituire il tubo ogni settimana.

Il secondo: riflettendo sulle radiazioni Alfa; se un foglio di carta è sufficiente a bloccarle, è vero o no che un paio di mutande svolgerebbero una funzione più che egregia per salvare "la mobilia" per chi si ricordi ancora a cosa serve? Ma sei sicuro che per le Alfa occorrono tutte quelle precauzioni? La finestrella in Mica, lo scintillatore, il Bario... Ma .azz. Archimede era più tecnologico. In fin dei conti chiedeva solo un punto d'appoggio mentre adesso vorrebbero andare su Marte con la Mica, lo scintillatore e il Bario... Ma l'è roba de matttt! :mrgreen:

Ma NeuroPretese a parte, non si potrebbe approfondire un po' meglio l'utilizzo del rilevatore a stato solido?
Avatar utente
Foto Utentegianniniivo
9.035 7 11 13
No Rank
 
Messaggi: 2874
Iscritto il: 5 feb 2019, 23:50

0
voti

[48] Re: Strumento Rilevatore radioattività

Messaggioda Foto Utenteelfo » 30 mag 2023, 13:33

Avatar utente
Foto Utenteelfo
6.819 4 5 7
G.Master EY
G.Master EY
 
Messaggi: 2828
Iscritto il: 15 lug 2016, 13:27

0
voti

[49] Re: Strumento Rilevatore radioattività

Messaggioda Foto UtenteEtemenanki » 30 mag 2023, 14:25

gianniniivo ha scritto:... Ho letto da qualche parte che la durata media è di 150 ore ...

Non so dove l'hai letto, ma uno dei vecchi contatori che avevo fatto usava un LND712 trovato su ebay, ed il collezionista di minerali per cui l'avevo costruito lo sta ancora usando (e' vero che non lo usa tutti i giorni, ma sono passati quasi 20 anni, l'avra' usato probabilmente un migliaio di ore o anche piu) ... se li si usa con la tensione indicata, anche leggermente inferiore, e non li si sovralimenta (e non si rompe la mica toccandola con le dita), non sono cosi fragili.

gianniniivo ha scritto:... se un foglio di carta è sufficiente a bloccarle, è vero o no che un paio di mutande svolgerebbero una funzione più che egregia per salvare "la mobilia" ...

:mrgreen: ... le alfa (o piu precisamente i materiali che le emettono) sono dannosi quasi solo se ingeriti o respirati (nel caso di gas tipo trizio), per quello la maggior parte dei dosimetri non si preoccupano di rilevarle, ma se vuoi usare il misuratore per dei cibi, personalmente includerei anche quelle, perche' poi in fondo i cibi li ingerisci.

Certo che si puo sperimentare con i semiconduttori, il sensore X100-7 che ho linkato prima e' gia di per se' un fotodiodo "accecato" tramite epossidica nera, fatto per essere usato come detector per radiazioni, oppure un'array di BPW34 (per aumentarne la superfice), non sono sensibili come i tubi Geiger ma qualche esperimento lo si puo fare lo stesso.
"Sopravvivere" e' attualmente l'unico lusso che la maggior parte dei Cittadini italiani,
sia pure a costo di enormi sacrifici, riesce ancora a permettersi.
Avatar utente
Foto UtenteEtemenanki
9.517 3 6 10
Master
Master
 
Messaggi: 5940
Iscritto il: 2 apr 2021, 23:42
Località: Dalle parti di un grande lago ... :)

0
voti

[50] Re: Strumento Rilevatore radioattività

Messaggioda Foto UtenteGiVi » 30 mag 2023, 17:43

Per quanto riguarda la durata dei tubi la notizia delle 150 ore è una bufala.
in azienda abbiamo contatori accesi h24 per tutto l'anno, alcuni da più di 15 anni e lavorano ancora bene superando le certificazioni annuali.
Consiglierei a gianniniivo di acquistare un contatore di fascia medio-bassa (max 200 euro) e con quello fare le prime esperienze.
Poi per quanto riguarda la rilevazione di radioattività sugli alimenti sarei un po' scettico nel riuscirci con gli strumenti di prezzo abbordabile che si trovano in commercio.per rilevare immediatamente radiazione su un determinato alimento credo debba essere pesantemente contaminato.
Nuova Elettronica per testare un suo contatore Geiger vendeva in passato una particella radioattiva (in effetti, se non sbaglio, una capsula con una particella di americio utilizzata una volta nei rivelatori di fumo ). Ebbene, mettendone insieme una certa quantità di queste capsule gli strumenti rilevano un incremento della radiazione di fondo.
Certamente non la tempesta di crepitii come si vede nei film.
Comunque mi avete riacceso l'interesse per la materia così farò altre prove.
Per quanto riguarda i rivelatori a stato solido comprai i fotodiodi per autocostruirlo ma non ha mai rilevato nulla. Forse colpa mia.

saluti
Avatar utente
Foto UtenteGiVi
325 4
Frequentatore
Frequentatore
 
Messaggi: 185
Iscritto il: 20 mar 2020, 21:27

PrecedenteProssimo

Torna a Strumentazione

Chi c’è in linea

Visitano il forum: Nessuno e 19 ospiti