ampli audio di potenza a ponte e corrente costante
Moderatore:
IsidoroKZ
0
voti
infatti avrei voluto metterci 2 lm3886 ma non ci sono con fidocad
0
voti
arivel ha scritto:infatti avrei voluto metterci 2 lm3886 ma non ci sono con fidocad
ok, ma anche il LM3886 ha il carico collegato all'uscita, forse ti manca un filo od un qualche componente.
il tuo scopo per fare questo circuito è per sentire come suona un altoparlante alimentato in corrente?
con pochi watt, si potrebbe partire da alimentazione in alta tensione, con un solo stadio di classe A, a reazione di emettitore, ed un generatore di corrente come pullup, che lavorerà molto lontano dalla saturazione, quindi vai ad ottenere il tuo funzionamento, test.
saluti.
-

lelerelele
4.899 3 7 9 - Master

- Messaggi: 5505
- Iscritto il: 8 giu 2011, 8:57
- Località: Reggio Emilia
0
voti
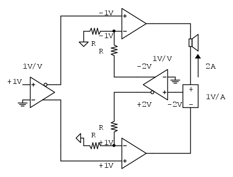
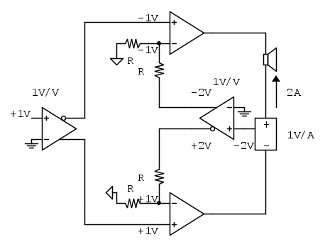
naturale che l altoparlante non puo essere alimentato dall ingresso opamp .
manca volutamente un pezzo di circuito che va alla uscita del secondo ampli di potenza in basso , non sapendo ancora cosa interporre x rilevare la corrente .
classe A dici ?. mi metti uno schema ?
manca volutamente un pezzo di circuito che va alla uscita del secondo ampli di potenza in basso , non sapendo ancora cosa interporre x rilevare la corrente .
classe A dici ?. mi metti uno schema ?
0
voti
Prima di andare oltre c’è una cosa che mi lascia perplesso, ossia che le uscite sono indipendenti tra loro e regolano solo il corretto funzionamento del modo differenziale, ma non di quello comune.
Cioè ti puoi ritrovare una coppia 10 0, oppure 5 -5 o ancora 0 -10 che produrrebbero la stessa corrente ma farebbe lavorare un modo sbilanciato i due stadi.
Se lo scopo di quella inferiore è solo avere più dinamica, non puoi seguire il consiglio di
IsidoroKZ e trattarla come inseguitrice (amplificata di -1) dell’uscita superiore che fa da unico regolatore?
Perché io farei esattamente così, ti semplifica molto il circuito.
Cioè ti puoi ritrovare una coppia 10 0, oppure 5 -5 o ancora 0 -10 che produrrebbero la stessa corrente ma farebbe lavorare un modo sbilanciato i due stadi.
Se lo scopo di quella inferiore è solo avere più dinamica, non puoi seguire il consiglio di
Perché io farei esattamente così, ti semplifica molto il circuito.
0
voti
0
voti
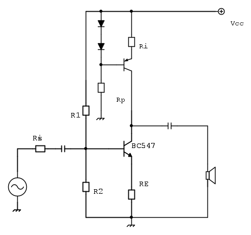
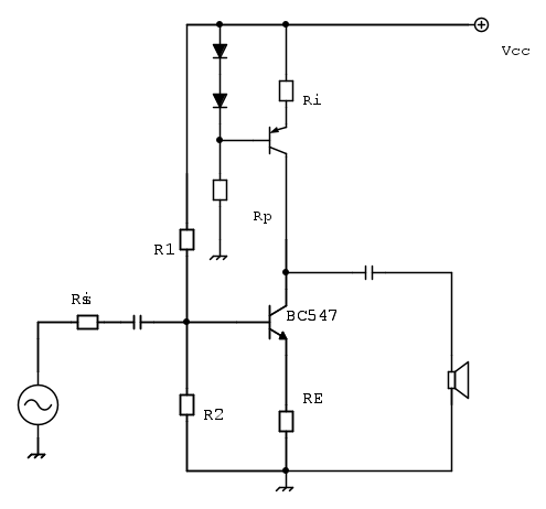
il classe A, è un semplice stadio ad emettitiore comune, facendolo lavorare in un range ristretto di uscita va a lavorare a corrente costante, specie se si carica a corrente costante.arivel ha scritto:classe A dici ?. mi metti uno schema ?
leggiti sul web come lavora lo stadio in classe A link molto interessante ed anche link corsi tor vergata
intendo una cosa molto semplice come questa, Ri determina il valore di corrente in uscita massima, ed il partitore R1/R2 deve portare il punto di lavoro a metà della tensione di alimentazione.
-

lelerelele
4.899 3 7 9 - Master

- Messaggi: 5505
- Iscritto il: 8 giu 2011, 8:57
- Località: Reggio Emilia
0
voti
gill90 ha scritto:Prima di andare oltre c’è una cosa che mi lascia perplesso, ossia che le uscite sono indipendenti tra loro e regolano solo il corretto funzionamento del modo differenziale, ma non di quello comune.
Cioè ti puoi ritrovare una coppia 10 0, oppure 5 -5 o ancora 0 -10 che produrrebbero la stessa corrente ma farebbe lavorare un modo sbilanciato i due stadi.
credo che basterebbe agire sulle due coppie di resistori che creano la retroazione in modo da bilanciare .
0
voti
cito dal sito sotto i vantaggi del ponte .
- riduzione del rumore dell'alimentatore
- migliore reiezione del rumore di modo comune
- doppio della velocità di variazione .
- cancellazione della seconda armonica
- tensioni inferiori più sicure .
aggiungo io , potenza quadrupla .
https://www.diyaudio.com/community/thre ... ps.148709/
- riduzione del rumore dell'alimentatore
- migliore reiezione del rumore di modo comune
- doppio della velocità di variazione .
- cancellazione della seconda armonica
- tensioni inferiori più sicure .
aggiungo io , potenza quadrupla .
https://www.diyaudio.com/community/thre ... ps.148709/
0
voti
Se è un buon finale, non deve avere rumore dovuto all'alimentazione, altrimenti questa impatterebbe direttamente sulla qualità sonora, erogando potenza è quasi certo che la alimentazione fluttui generando armoniche, (lo dico per esperienza diretta), quindi rimane il rumore prodotto dai due stadi, che raddoppia.arivel ha scritto:cito dal sito sotto i vantaggi del ponte .
- riduzione del rumore dell'alimentatore
posso anche aggiungere, con il ponte, dimezzando di fatto la tensione di alimentzione, si ha anche il dimezzamento della potenza dissipata, per avere la stessa potenza resa.
saluti.
-

lelerelele
4.899 3 7 9 - Master

- Messaggi: 5505
- Iscritto il: 8 giu 2011, 8:57
- Località: Reggio Emilia
2
voti
lelerelele ha scritto:...intendo una cosa molto semplice come questa, Ri determina il valore di corrente in uscita massima, ed il partitore R1/R2 deve portare il punto di lavoro a metà della tensione di alimentazione.
Il problema è sempre lo stesso: sono due sorgenti di corrente in serie per cui non si riesce a regolare il punto di lavoro a metà tensione di alimentazione... sarebbe come pretendere di far rimanere in equilibrio una sedia su due zampe.
-

BrunoValente
39,6k 7 11 13 - G.Master EY

- Messaggi: 7796
- Iscritto il: 8 mag 2007, 14:48
Torna a Elettronica e spettacolo
Chi c’è in linea
Visitano il forum: Nessuno e 28 ospiti

Elettrotecnica e non solo (admin)
Un gatto tra gli elettroni (IsidoroKZ)
Esperienza e simulazioni (g.schgor)
Moleskine di un idraulico (RenzoDF)
Il Blog di ElectroYou (webmaster)
Idee microcontrollate (TardoFreak)
PICcoli grandi PICMicro (Paolino)
Il blog elettrico di carloc (carloc)
DirtEYblooog (dirtydeeds)
Di tutto... un po' (jordan20)
AK47 (lillo)
Esperienze elettroniche (marco438)
Telecomunicazioni musicali (clavicordo)
Automazione ed Elettronica (gustavo)
Direttive per la sicurezza (ErnestoCappelletti)
EYnfo dall'Alaska (mir)
Apriamo il quadro! (attilio)
H7-25 (asdf)
Passione Elettrica (massimob)
Elettroni a spasso (guidob)
Bloguerra (guerra)




