Ciao a tutti,
vorrei porre una domanda in maniera schietta e diretta: è corretto realizzare una soluzione come quella proposta nello schema sottostante?
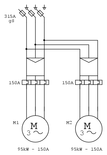
Dovendo alimentare e controllare due compressori per refrigerazione (In=150A) con avviamento softstarter trifase con protezione termica integrata, si può affidare la protezione al corto circuito dei motori e relativi dispositivi sotto ad un unica terna di fusibili tipo gS da 315A? I datasheet dei sofstarter riportano come taglia di fusibili massima consigliata 315A gS (e altre tipologie che non prendo in considerazione).
L'ambiente normativo è quello della EN 60204-1.
In caso di risposta negativa, quali sono le controindicazioni o i divieti? Ho provato a documentarmi, ma non riesco a trovare niente che mi permetta o mi impedisca di realizzare una cosa del genere.
Due motori con unica protezione per corto circuito
Moderatori:
sebago,
MASSIMO-G,
lillo,
Mike
6 messaggi
• Pagina 1 di 1
0
voti
Soluzione corretta ai fini della sicurezza, ma non funzionale per la continuità di servizio, in caso di corto perdi il 100% della refrigerazione. La sicurezza è obbligatoria, la funzionalità facoltativa.
--
Michele Lysander Guetta
--
"Non pensare mai al dolore, al pericolo o ai nemici un momento più lungo del necessario per combatterli." — Ayn Rand
Michele Lysander Guetta
--
"Non pensare mai al dolore, al pericolo o ai nemici un momento più lungo del necessario per combatterli." — Ayn Rand
-

Mike
55,6k 7 10 12 - G.Master EY

- Messaggi: 17005
- Iscritto il: 1 ott 2004, 18:25
- Località: Conegliano (TV)
0
voti
Grazie per la risposta
Mike.
Giusto considerare anche la funzionalità, che in macchine del genere può evitare fermi impianto perché il cliente potrebbe comunque continuare a lavorare con carico termico parzializzato.
In extremis, non avendo molto spazio nel quadro elettrico bordo macchina, mi capita spesso di dover mettere sulla bilancia la funzionalità e la parte economica, senza dover compromettere la sicurezza.
Ai fini della sicurezza appunto, avrei controllato che in caso di corto i fusibili proteggerebbero comunque i cavi e i componenti a valle sui vari rami in parallelo. A livello di logica e buon senso tecnico mi tornava, ma non ho mai trovato un esempio di questo tipo su un libro di testo o su una qualunque guida tecnica che ho a disposizione, che sia a sostegno o ne vieti l'utilizzo.
In questo caso, avresti qualche riferimento in più da fornirmi?
Mi capita spesso di dover progettare quadri per l'ambiente normativo americano (UL) e lì una soluzione del genere per certe potenze è esplicitamente vietata dalla norma stessa.
Giusto considerare anche la funzionalità, che in macchine del genere può evitare fermi impianto perché il cliente potrebbe comunque continuare a lavorare con carico termico parzializzato.
In extremis, non avendo molto spazio nel quadro elettrico bordo macchina, mi capita spesso di dover mettere sulla bilancia la funzionalità e la parte economica, senza dover compromettere la sicurezza.
Ai fini della sicurezza appunto, avrei controllato che in caso di corto i fusibili proteggerebbero comunque i cavi e i componenti a valle sui vari rami in parallelo. A livello di logica e buon senso tecnico mi tornava, ma non ho mai trovato un esempio di questo tipo su un libro di testo o su una qualunque guida tecnica che ho a disposizione, che sia a sostegno o ne vieti l'utilizzo.
In questo caso, avresti qualche riferimento in più da fornirmi?
Mi capita spesso di dover progettare quadri per l'ambiente normativo americano (UL) e lì una soluzione del genere per certe potenze è esplicitamente vietata dalla norma stessa.
-

Giovanni123
502 1 3 6 - Sostenitore

- Messaggi: 606
- Iscritto il: 5 mag 2017, 9:05
0
voti
Nelle norme tecniche trovi solo i principi da rispettare, non esempi pratici. Quelli li puoi trovare nelle guide normative o letteratura tecnica. La norma tecnica si occupa principalmente di sicurezza, secondariamente di funzionalità se correlate sempre agli aspetti di sicurezza, marginalmente di prestazioni che rimangono facoltative. La norma di riferimento per gli equipaggiamenti elettrici è la CEI EN 60204-1 che deriva dalla IEC 60204-1 a cui farà riferimento anche la UL, che però essendo organismo indipendente di certificazione può andare oltre la norma tecnica, soprattutto in tema di prestazioni. Non conosco nel dettaglio le norme UL, ma ipotizzo che per un impianto frigorifero richiedano determinate prestazioni, per esempio garantire una percentuale di funzionamento in caso di guasto.
--
Michele Lysander Guetta
--
"Non pensare mai al dolore, al pericolo o ai nemici un momento più lungo del necessario per combatterli." — Ayn Rand
Michele Lysander Guetta
--
"Non pensare mai al dolore, al pericolo o ai nemici un momento più lungo del necessario per combatterli." — Ayn Rand
-

Mike
55,6k 7 10 12 - G.Master EY

- Messaggi: 17005
- Iscritto il: 1 ott 2004, 18:25
- Località: Conegliano (TV)
0
voti
I panorami normativi normativi americani ed europei richiamano gli stessi principi base di sicurezza, ma sono mondi veramente diversi. Ormai ho imparato a non fare paragoni. Il riferimento che facevo era per il fatto che sulle norme americane molte volte è scritto anche cosa è vietato fare, mentre le EN CEI e IEC hanno un approccio diverso.
Per l'esempio da me riportato, in sostanza non l'ho mai applicato anche per timore di contestazioni da parte di clienti e consulenti, consapevole di non avere nessun testo normativo a mio favore.
Per l'esempio da me riportato, in sostanza non l'ho mai applicato anche per timore di contestazioni da parte di clienti e consulenti, consapevole di non avere nessun testo normativo a mio favore.
-

Giovanni123
502 1 3 6 - Sostenitore

- Messaggi: 606
- Iscritto il: 5 mag 2017, 9:05
0
voti
Giovanni123 ha scritto:Per l'esempio da me riportato, in sostanza non l'ho mai applicato anche per timore di contestazioni da parte di clienti e consulenti, consapevole di non avere nessun testo normativo a mio favore.
La paura non è altro che mancanza di conoscenza.
--
Michele Lysander Guetta
--
"Non pensare mai al dolore, al pericolo o ai nemici un momento più lungo del necessario per combatterli." — Ayn Rand
Michele Lysander Guetta
--
"Non pensare mai al dolore, al pericolo o ai nemici un momento più lungo del necessario per combatterli." — Ayn Rand
-

Mike
55,6k 7 10 12 - G.Master EY

- Messaggi: 17005
- Iscritto il: 1 ott 2004, 18:25
- Località: Conegliano (TV)
6 messaggi
• Pagina 1 di 1
Torna a Impianti, sicurezza e quadristica
Chi c’è in linea
Visitano il forum: Nessuno e 246 ospiti

Elettrotecnica e non solo (admin)
Un gatto tra gli elettroni (IsidoroKZ)
Esperienza e simulazioni (g.schgor)
Moleskine di un idraulico (RenzoDF)
Il Blog di ElectroYou (webmaster)
Idee microcontrollate (TardoFreak)
PICcoli grandi PICMicro (Paolino)
Il blog elettrico di carloc (carloc)
DirtEYblooog (dirtydeeds)
Di tutto... un po' (jordan20)
AK47 (lillo)
Esperienze elettroniche (marco438)
Telecomunicazioni musicali (clavicordo)
Automazione ed Elettronica (gustavo)
Direttive per la sicurezza (ErnestoCappelletti)
EYnfo dall'Alaska (mir)
Apriamo il quadro! (attilio)
H7-25 (asdf)
Passione Elettrica (massimob)
Elettroni a spasso (guidob)
Bloguerra (guerra)