Buongiorno è la prima volta che scrivo qui, scusate eventuali errori. Avrei bisogno di un aiuto con un esercizio per l'esame di elettrotecnica dell' uni, l'immagine è questa
e il testo è questo:
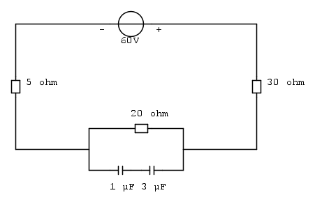
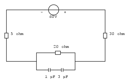
Nel circuito in figura la pila ha una f.e.m. f = 60 V e resistenza interna trascurabile. Le resistenze hanno i
valori indicati in figura, i condensatori hanno capacità C1 = 1μF e C2 = 3μF. Determinare
l’energia U2 immagazzinata in C2.
Qualcuno mi sa dire quanto vale U2 e come ci arrivo?
P.S il risultato lo ho gia: U2=2.046*10^-6 j
Esercizio università
Moderatori:
g.schgor,
IsidoroKZ
22 messaggi
• Pagina 1 di 3 • 1, 2, 3
0
voti
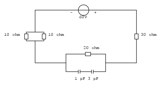
Conosco il partitore resistivo, quello capacitivo no. Oltretutto penso che nell'esercizio il parallelo sulla sinistra possa essere semplicemente ridotto ad una resistenza equivalente di valore 5 ohm. So oltretutto che l'energia la posso calcolare come metà della capacità moltiplicata al quadrato della differenza di potenziale ai capi di di C2 in questo caso ma non riesco a capire come trovare questa differenza di potenziale
0
voti
1
voti
1 voto positivo da parte mia per l'uso di FidoCadJ già al primo post
MarcoD ti ha messo sulla strada giusta: elimina e semplifica tutto quello che non ti interessa.
Come hai giustamente detto, il parallelo si può semplificare:
Giusto!
Immagina per un momento che i condensatori non ci siano (puoi anche cancellarli dallo schema se ti aiuta, ma li dovremo ri-aggiungere dopo).
A questo punto dovresti vedere semplicemente tre resistori in serie collegati ad una batteria.
Hai detto che conosci il partitore resistivo, quindi dovresti riuscire a calcolare le cadute di tensione sui resistori.
Segui il consiglio
Seemo ha scritto:ma non riesco a capire come trovare questa differenza di potenziale
Come hai giustamente detto, il parallelo si può semplificare:
Come un circuito aperto no?
Giusto!
Immagina per un momento che i condensatori non ci siano (puoi anche cancellarli dallo schema se ti aiuta, ma li dovremo ri-aggiungere dopo).
A questo punto dovresti vedere semplicemente tre resistori in serie collegati ad una batteria.
Hai detto che conosci il partitore resistivo, quindi dovresti riuscire a calcolare le cadute di tensione sui resistori.
MarcoD ha scritto:Inizia a calcolare la tensione ai capi della resistenza da 20 ohm, poi vedremo.
Segui il consiglio

2
voti
Appena mi hai fatto notare il partitore resistivo ho subito pensato a trovare la tensione ai capi della resistenza da 20 ohm e penso che sia circa (permettimi di chiamarla VAB) VAB=21.82v circa
0
voti
In realtà da qui ho provato anche a calcolare l'energia con la formula che ho scritto prima usando come tensione ai capi del condensatore metà di VAB quindi Vc2=10,91 circa ma poi U2 mi risulta 178,5*10^-6 j, risultato diverso da quello atteso, cosa sbaglio?
22 messaggi
• Pagina 1 di 3 • 1, 2, 3
Torna a Elettrotecnica generale
Chi c’è in linea
Visitano il forum: Nessuno e 96 ospiti

Elettrotecnica e non solo (admin)
Un gatto tra gli elettroni (IsidoroKZ)
Esperienza e simulazioni (g.schgor)
Moleskine di un idraulico (RenzoDF)
Il Blog di ElectroYou (webmaster)
Idee microcontrollate (TardoFreak)
PICcoli grandi PICMicro (Paolino)
Il blog elettrico di carloc (carloc)
DirtEYblooog (dirtydeeds)
Di tutto... un po' (jordan20)
AK47 (lillo)
Esperienze elettroniche (marco438)
Telecomunicazioni musicali (clavicordo)
Automazione ed Elettronica (gustavo)
Direttive per la sicurezza (ErnestoCappelletti)
EYnfo dall'Alaska (mir)
Apriamo il quadro! (attilio)
H7-25 (asdf)
Passione Elettrica (massimob)
Elettroni a spasso (guidob)
Bloguerra (guerra)






