ok, quindi avevo capito bene ioCon un contatto viene gestita la pompa, con l'altro si comanda la caldaia.
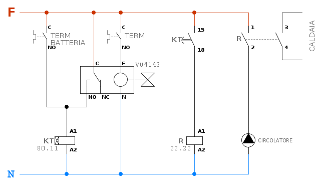
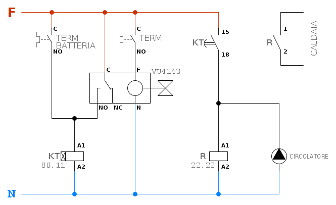
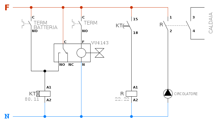
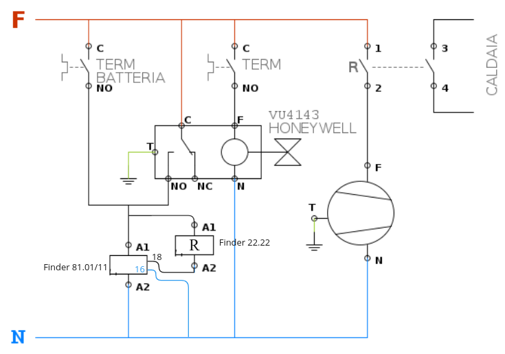
Quindi la logica dell'alimentazione della valvola è di essere normalmente chiusa: se non c'è alimentazione, la valvola chiude in circuito idraulico. Il segnale del contatto pulito, è un segnale in uscita, io invece avevo erroneamente compreso che fosse in ingresso.Da quanto ho letto su delle specifiche che non trovo più, la chiusura avviene con molla di ritorno appena manca alimentazione.
----------------------------------------------------------------
Non capisco la tua affermazione: io so come deve funzionare l'impianto. Non so bene però come gestire la parte elettricaNSE ha scritto:Scusa sps ma quale è il tuo ruolo in questa commessa? Perché pensare di acquistare i relè prima di aver capito come deve funzionare l'impianto mi pare un po' "ardito".
Tu intendi ciò che nello schema è individuato come Batteria? Non ho mai usato il termine VMC. Ciò che chiami C1, è una centralina Honeywell MVC-80M (vedi i miei messaggi dall'inizio); mentre per C2 è un termostato (anche quello spiegato più volte)NSE ha scritto:a) Il VMC viene attivato da qualcosa, che chiameremo C1 (che potrebbe essere un termostato o un orologio o un telecomando o un contatto di un interruttore) e lo scambiatore viene attivato da un altro oggetto che chiameremo C2 (idem c.s. contatto, orologio ecc) insomma, per partire ci debbono essere dei consensi.
E' così?
Quindi il contatto pulito della batteria (Honeywell MVC-80M), essendo un segnale in uscita, attiva o meno la bobina del relé proposto daNSE ha scritto:b) C1 attiva il VMC e la sua regolazione Honeywell, che regolerà la sua valvola (a punto fisso?) tramite sonda (da qualche parte?) se Honeywell fornisce una contatto di richiesta attivazione, si userà questo (chiamiamolo -KHON) se Honeywell non fornisce una richiesta a partire, allora C1 attiverà un relè monostabile (-K1)
il termostato dello scambiatore (ciò che ho individuato come B nel mio schema) da o meno l'alimentazione alla valvola Honeywell VU4143. Quando la valvola riceve corrente, attiva il circuito che a sua volta alimenta la bobina del relé, sempre secondo lo schema diNSE ha scritto:c) C2 attiva lo scambiatore ovvero entra in serie con il termostato e attiva la valvola.
Se la valvola ha un suo contatto si userà questo (chiamiamolo -KVLV), se la valvola non ha un contatto ausiliario si entrerà in un relè (-K2)
Quindi la bobina del relé si attiva o per il segnale del termostato dello scambiatore oppure per il segnale della batteria. Il relé attiva sia la caldaia che la pompa di circolazione
Potrei capire perché potrebbero esserci pendolamenti? Forse c'è qualcosa che mi sfugge.Questo in maniera mooooolto scolastica, senza tener conto di eventuali necessità di tempi di ritardo all'off per evitare pendolamenti.
Ovviamente questa è una ipotesi non sapendo come devono interagire tra loro scambiatore e VMC (ammesso che debbono interagire).
Credo tu debba parlare con il termotecnico per capire come vuole far funzionare l'impianto.
Al più ci vorrebbe solo un ritardo sul relé, cioé far attivare caldaia e pompa di circolazione con qualche secondo ritardo per assicurarsi che le valvole siano completamente aperte.
Non comprendo perché dici che non si capisce come deve funzionare l'impianto. Spero adesso sia tutto più chiaro anche a te.
A proposito, se si vuole avere quel ritardo di 30s per il relé, con cosa posso sostituire il Finder 22.22.8.230? Grazie

Elettrotecnica e non solo (admin)
Un gatto tra gli elettroni (IsidoroKZ)
Esperienza e simulazioni (g.schgor)
Moleskine di un idraulico (RenzoDF)
Il Blog di ElectroYou (webmaster)
Idee microcontrollate (TardoFreak)
PICcoli grandi PICMicro (Paolino)
Il blog elettrico di carloc (carloc)
DirtEYblooog (dirtydeeds)
Di tutto... un po' (jordan20)
AK47 (lillo)
Esperienze elettroniche (marco438)
Telecomunicazioni musicali (clavicordo)
Automazione ed Elettronica (gustavo)
Direttive per la sicurezza (ErnestoCappelletti)
EYnfo dall'Alaska (mir)
Apriamo il quadro! (attilio)
H7-25 (asdf)
Passione Elettrica (massimob)
Elettroni a spasso (guidob)
Bloguerra (guerra)







