Inverter vs BLDC
Moderatori:
SandroCalligaro,
mario_maggi,
fpalone
29 messaggi
• Pagina 3 di 3 • 1, 2, 3
0
voti
[21] Re: Inverter vs BLDC
Ho guardato meglio le animazioni in rete e ho capito (parola grossa) che l'output 400VAc è concatenato. Solo che secondo me non è 400VAC per via delle perdite dovute al "raddrizzamento" ma è meno. Lo stesso per le tensioni di dase se il carico è a stella che se ho "capito"
bene hanno i picchi a -Vdc/2 e +Vdc/2 che secondo me ci danno valori istantanei inferiori a 325V da cui 230V rms.
0
voti
[22] Re: Inverter vs BLDC
Che senso può avere parlare di tensione di fase quando non c'è un conduttore neutro? Bisognerebbe almeno dire cosa si intende per centro stella, definendolo in un certo modo può darsi che tu abbia ragione.
0
voti
[23] Re: Inverter vs BLDC
Robi64 ha scritto:Ho guardato meglio le animazioni in rete e ho capito (parola grossa) che l'output 400VAc è concatenato. Solo che secondo me non è 400VAC per via delle perdite dovute al "raddrizzamento" ma è meno.
Si`, qualche volt in meno, ma direi dalle parti di tre o quattro volt.
Per usare proficuamente un simulatore, bisogna sapere molta più elettronica di lui
Plug it in - it works better!
Il 555 sta all'elettronica come Arduino all'informatica! (entrambi loro malgrado)
Se volete risposte rispondete a tutte le mie domande
Plug it in - it works better!
Il 555 sta all'elettronica come Arduino all'informatica! (entrambi loro malgrado)
Se volete risposte rispondete a tutte le mie domande
1
voti
[24] Re: Inverter vs BLDC
Robi64 ha scritto:Per esempio al post 2 dici che bisogna collegare il centro stella del carico al neutro della sorgente ed allora l'inverter deve generare il neutro, il punto di mezzo del DC bus.
No, ho detto SE (evidenziato) il carico e` collegato a stella perche' sono tre carichi monofase, allora serve il centrostella. Questo e` il caso di alimentazione delle case, alimentate a 230V da una fase e dal centro stella. Se hai un carico trifase vero, non serve. Praticamente tutti gli inverter trifasi sono per alimentare carichi trifase o al piu` monofase collegati fase-fase.
Robi64 ha scritto:Nel post 5 poi c'è scritto che 325V è il picco della concatenata anche se a me pare che sia il picco di quella di fase 230 x 1,41 = 325.
Si` hai ragione, dovevo scrivere stellata
Robi64 ha scritto:Per quanto riguarda il neutro modulato non sono sicuro di aver capito bene. Ho provato a dare una interpretazione che ora ti sottopongo.
Dopo i diodi che parzialmente raddrizzano devo mettere dei condensatori che alla fine mi riducono la tensione che posso mandare in uscita. Rappresentano una perdita necessaria ad avere una "costante" in uscita come DC abbastanza ben spianata.
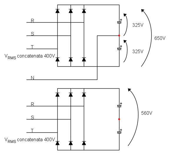
I condensatori non introducono nessuna perdita rilevante. Il trifase puo` essere raddrizzato, in linea di principio in due modi, a seconda che ci sia il neutro oppure no.
Se hai il neutro puoi raddrizzare ottenendo 650V, se non c'e` puoi solo ottenere 560V circa. '
Un inverter funziona in modo duale rispetto al raddrizzatore. Se immagini di avere la tensione di ingresso continua a destra, l'uscita trifase a sinistra e al posto dei diodi metti degli interruttori, hai un inverter da DC a trifase, con le stesse caratteristiche di tensione (poi bisona modulare bene gli interruttori, ma questo e` un passo successivo)
Se nel primo raddrizzatore vai a vedere la tensione del nodo rosso rispetto al neutro di ingresso, e` evidentemente alla stessa tensione, avendo collegato a quel punto il neutro. Se invece vai a vedere la tensione del nodo rosso del secondo raddrizzatore fra i due condensatori, rispetto al centrostella del generatore, questo si muove a frequenza tripla della rete (e a seconda dei diodi potrebbe anche avere forme d'onda strane)
Robi64 ha scritto:1) se con PWM la forma d'onda in uscita diventa una approssimazione, in base alla durata degli impulsi, di una sinusoide la cui ampiezza varia appunto con l'entità degli impulsi. (frequenza ovviamente idem). Gli impulsi hanno sempre ampiezze (nei documenti in rete) +Vdc e -Vdc.
In uscita dai sei interruttori dell'inverter hai solo sempre un'onda quadra, al piu` a tre livelli. Dopo il filtro passa basso la modulazione PWM diventa una sinusoide. Se dici +Vdc e -Vdc fa pensare a un raddrizzatore riferito al punto centrale dei due condensatori,
Per usare proficuamente un simulatore, bisogna sapere molta più elettronica di lui
Plug it in - it works better!
Il 555 sta all'elettronica come Arduino all'informatica! (entrambi loro malgrado)
Se volete risposte rispondete a tutte le mie domande
Plug it in - it works better!
Il 555 sta all'elettronica come Arduino all'informatica! (entrambi loro malgrado)
Se volete risposte rispondete a tutte le mie domande
0
voti
[25] Re: Inverter vs BLDC
EcoTan ha scritto:Che senso può avere parlare di tensione di fase quando non c'è un conduttore neutro? Bisognerebbe almeno dire cosa si intende per centro stella, definendolo in un certo modo può darsi che tu abbia ragione.
Ok, non saprei trovare la definizione opportuna. Senza nemmeno andare sugli inverter, ci sono ambiti dove il neutro non viene passato (es. navale, anche se non sempre) ed i carichi sono collegati a stella. In tal caso , con carico equilibrato , si parla di tensione di fase a 230V rms. Anche qui su electroyou ho visto qualcosa di questo tipo se non ricordo male.
So poi che non volevi dire questo ma solo per chiarezza non cerco ragione ma aiuto

0
voti
[26] Re: Inverter vs BLDC
In uscita dai sei interruttori dell'inverter hai solo sempre un'onda quadra, al piu` a tre livelli. Dopo il filtro passa basso la modulazione PWM diventa una sinusoide. Se dici +Vdc e -Vdc fa pensare a un raddrizzatore riferito al punto centrale dei due condensatori,
Eh si, tutte le animazioni su youtube che ho visto (diverse) sono concordi nel far vedere un onda quadra a tre livelli e sono sempre +Vdc, 0, -Vdc, concatenate. Li il punto compreso fra i due condensatori è in quel caso preso fra ogni coppia di interruttori igbt e collegato al carico singolo il cui altro capo è collegato a stella con gli altri. Nelle stesse animazioni si vede che i carichi a stella sono sottoposti ad un onda quadra, solo che è a 4 livelli : -2/3Vdc , -1/3Vdc , 1/3Vdc , 2/3Vdc.
Quindi picco picco -2/3Vdc +2/3Vdc. E qui di nuovo qualcosa non mi torna perché 560x(2/3)/1.41 = 260V rns per ogni fase (anche se Ecotan non è d'accordo su questa definizione di V di fase
1
voti
[27] Re: Inverter vs BLDC
Ci sono due o tre cose da tenere presenti. Una e` che non puoi passare dal valore di picco al valore efficace dividendo per radice di 2 se le forme d;onda non sono sinusoidali il valore dipende dalla forma della tensione. Un'altra e` che devi filtrare quell'onda quadra a quattro livelli per ottenere la sinusoide della tensione di fase, e il filtro estrae solo la frequenza fondamentale...
Inoltre, punto piu` importante, e` che l'inverter che mi sembra abbia in mente sta lavorando a 50 Hz (le commutazioni degli interruttori sono a 50Hz), mentre gli inverter decenti hanno la tensione di uscita sinusoidale ottenuta con la tecnica PWM (modulazione della larghezza di impulso) a frequenza molto piu` alta di quella di rete, mentre il filtro non ricorstruisce la forma d'onda sinusoidale, toglie solo il rumore ad altra frequenza. Per gli inverter trifase "generici", per ricostruire le tre sinusoidi del valore giusto si usa la tecnica dello spostamento del neutro oppure quella "flat top" in cui ogni interruttore rimane ciclicamente chiuso per 60 gradi di conduzione senza commutare.
La figura cui avevo fatto riferimento nell'altro vecchio thread si riferisce a inverter ad alta frequenza: le frecce disegnate sono i fasori delle tre fasi.
Se poi l'inverter trifase comanda un motore, la situazione piu` comune, si usa ancora un'altra tecnica di modulazione, detta modulazione vettoriale.
Sarebbe utile quando parli di cose che hai visto in rete, che fornissi anche i link, in modo che si possa capire piu` facilmente che cosa stai studiando.
Inoltre, punto piu` importante, e` che l'inverter che mi sembra abbia in mente sta lavorando a 50 Hz (le commutazioni degli interruttori sono a 50Hz), mentre gli inverter decenti hanno la tensione di uscita sinusoidale ottenuta con la tecnica PWM (modulazione della larghezza di impulso) a frequenza molto piu` alta di quella di rete, mentre il filtro non ricorstruisce la forma d'onda sinusoidale, toglie solo il rumore ad altra frequenza. Per gli inverter trifase "generici", per ricostruire le tre sinusoidi del valore giusto si usa la tecnica dello spostamento del neutro oppure quella "flat top" in cui ogni interruttore rimane ciclicamente chiuso per 60 gradi di conduzione senza commutare.
La figura cui avevo fatto riferimento nell'altro vecchio thread si riferisce a inverter ad alta frequenza: le frecce disegnate sono i fasori delle tre fasi.
Se poi l'inverter trifase comanda un motore, la situazione piu` comune, si usa ancora un'altra tecnica di modulazione, detta modulazione vettoriale.
Sarebbe utile quando parli di cose che hai visto in rete, che fornissi anche i link, in modo che si possa capire piu` facilmente che cosa stai studiando.
Per usare proficuamente un simulatore, bisogna sapere molta più elettronica di lui
Plug it in - it works better!
Il 555 sta all'elettronica come Arduino all'informatica! (entrambi loro malgrado)
Se volete risposte rispondete a tutte le mie domande
Plug it in - it works better!
Il 555 sta all'elettronica come Arduino all'informatica! (entrambi loro malgrado)
Se volete risposte rispondete a tutte le mie domande
0
voti
[28] Re: Inverter vs BLDC
IsidoroKZ ha scritto:Ci sono due o tre cose da tenere presenti. Una e` che non puoi passare dal valore di picco al valore efficace dividendo per radice di 2 se le forme d;onda non sono sinusoidali il valore dipende dalla forma della tensione.
Caspita è vero, mi son fatto prendere la mano
IsidoroKZ ha scritto:Inoltre, punto piu` importante, e` che l'inverter che mi sembra abbia in mente sta lavorando a 50 Hz (le commutazioni degli interruttori sono a 50Hz), mentre gli inverter decenti hanno la tensione di uscita sinusoidale ottenuta con la tecnica PWM (modulazione della larghezza di impulso) a frequenza molto piu` alta di quella di rete, mentre il filtro non ricorstruisce la forma d'onda sinusoidale, toglie solo il rumore ad altra frequenza. Per gli inverter trifase "generici", per ricostruire le tre sinusoidi del valore giusto si usa la tecnica dello spostamento del neutro oppure quella "flat top" in cui ogni interruttore rimane ciclicamente chiuso per 60 gradi di conduzione senza commutare.
Ok, in realtà è un inverter che può lavorare a diverse frequenze ipoteticamente fino a 240Hz (Compressori per cicli frigo - settore HVAC)
IsidoroKZ ha scritto:Sarebbe utile quando parli di cose che hai visto in rete, che fornissi anche i link, in modo che si possa capire piu` facilmente che cosa stai studiando.
Niente di particolare sono le solite animazioni di youtube, te ne allego due, ce ne sono molte altre. In realtà sto cercando solo di capire meglio argomenti di cui tratto ma senza approfondire. Posso magari di decidere che l'inverter abbia certe impostazioni piuttosto che altre a sconda dell'applicazione (ma è solo parametrizzazione, anche se importante comunque perché definisce il funzionamento dell'applicazione) e poi farmi lo studio del controllo (PID o quant'altro per gestire il processo). Ma poi mi viene la curiosità di come funziona l'inverter.
https://www.youtube.com/watch?v=Jl8PHbv4KQs
https://www.youtube.com/watch?v=yEPe7RDtkgo
2
voti
[29] Re: Inverter vs BLDC
Il modo in cui solitamente viene spiegata la generazione della tensione di uscita (cioè del carico) di un inverter trifase, cioè definendo un punto "neutro" a metà del bus DC (cioè della tensione di ingresso) l'ho sempre considerato una complicazione inutile, addirittura fuorviante.
Con gli studenti, cerco invece di partire dalla cella fondamentale della maggior parte dei convertitori, ossia il mezzo ponte o "gamba di inverter" ("inverter leg", in inglese) o chopper, la cui tensione di uscita solitamente si misura rispetto al negativo del bus DC.
Scusate se dirò delle cose ovvie, ma credo sia meglio dire una cosa ovvia in più, che una importante in meno.
Alla fine, considererò un inverter pilotato in PWM, ma ovviamente il calcolo delle tensioni "di fase" (o "stellate", cioè rispetto al centro stella del carico) è comunque valido anche per il pilotaggio "in onda quadra" o "six-step".
Partiamo dall'half-bridge...
Avendo i due interruttori comandati in modo complementare, può forzare l'uscita
a
o 0 V. Faccio notare che la tensione di uscita di ciascun chopper è misurata rispetto al polo negativo del bus DC (come in un convertitore buck).
Supponiamo che il comando degli interruttori (in particolare guardiamo quello dello switch alto, "H")
sia periodico (ad onda quadra), con il duty-cycle dell'interruttore alto ("H") impostabile
(
è il periodo di switching, ossia dell'onda quadra,
è il tempo in cui il segnale è a 1).
La tensione di uscita istantanea corrisponderà quindi al segnale di comando ad onda quadra
, moltiplicato per la tensione DC:
.
Nelle applicazioni in cui si applica la PWM, quello che interessa è il contenuto di bassa frequenza, perché il resto verrà filtrato da filtri L-C (o dall'induttanza di fase, nel caso del motore). Per questo si definiscono le grandezze mediate nel periodo di switching, ossia la media del segnale nel periodo
.
Se si guarda solo alla tensione mediata nel periodo di switching, l'half-bridge è equivalente ad un generatore di tensione variabile (tra 0 e
) tramite il duty-cycle: 
Qui sotto un esempio, in cui faccio variare il duty-cycle a rampa, dallo 0 al 100%, con tensione DC di 100 V.
Ora, se prendiamo 3 half-bridge (cioè le 3 gambe di un inverter trifase), abbiamo 3 generatori equivalenti, comandabili in modo arbitrario, ciascuno dei quali, in ogni periodo di commutazione, può generare qualunque tensione compresa tra 0 V e
(ovviamente, parlando di tensione mediata lungo il periodo di commutazione).
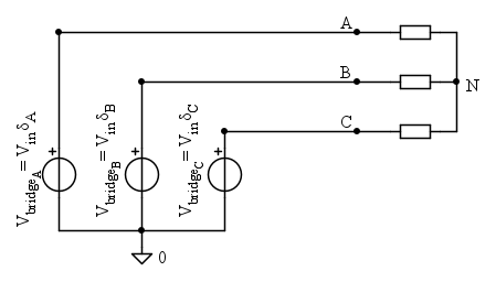
Se colleghiamo un carico a stella bilanciato (cioè le 3 impedenze uguali tra loro), si può facilmente vedere (ad esempio, applicando Millman) che la tensione tra il punto "0" (negativo del bus DC) ed il centro stella del carico (punto "N") è pari alla media delle 3 tensioni generate dai 3 chopper.
Il carico, quindi, non vedrà la tensione "di modo comune" dei 3 generatori (= la loro media), ma solo le differenze.
Se, ad esempio, volessimo generare sul carico (cioè tra ciascuna uscita dell'inverter ed il centro stella "N") una terna trifase bilanciata (3 sinusoidi di tensione con la stessa ampiezza, sfasate di 120° tra loro) sui 3 rami del carico, sapremmo che:
- la loro media sarebbe nulla;
- avremmo sempre almeno una tensione negativa, che non può certo essere generata come tensione di uscita del singolo half-bridge (che invece può agire solo sul range 0 -
).
Cosa succede, però, se diamo a ciascun ponte il compito di generare
(con sinudoidi di ampiezza fino a
)?
- la media delle 3 tensioni di uscita di ciascun chopper sarebbe pari a
;
- la tensione tra il centro stella del carico "N" ed il "centro stella" dei 3 generatori che rappresentano i 3 chopper ("0") sarebbe pari a
, quindi i 3 rami del carico vedrebbero solo la sinusoide;
- le tensioni di uscita di ciascun half-bridge (sempre misurate rispetto al negativo del bus DC) sarebbero sempre comprese tra 0 e
;
- il carico vedrebbe comunque solo la terna trifase (che ha media nulla).
Quindi, saremmo in grado di generare sul carico una terna di tensioni stellate di ampiezza fino a
sul carico, pur avendo a disposizione 3 generatori in grado di generare solo tensioni positive.
Ovviamente, non siamo vincolati a generare sinusoidi, ma basta considerare 3 segnali anche non sinusoidali, che però abbiano media nulla ed ampiezza compresa tra 0 e
.
Inoltre, alle tensioni che vogliamo far arrivare al carico, non siamo obbligati ad aggiungere
, l'importante è aggiungere, ad ogni periodo, lo stesso valore a tutte e 3 le tensioni, che faccia sì che la tensione che ciascun half-bridge deve generare (rispetto al negativo del bus DC) sia compresa tra 0 e
.
Una tecnica, che serve per sfruttare al massimo la tensione DC a disposizione, consiste nell'aggiungere alle tensioni dei 3 half-bridge questo segnale:

dove
sono le tensioni "stellate" che si vogliono generare sulle 3 fasi del carico.
In questo modo, intuitivamente (oltre che con la rappresentazione grafica proposta da
IsidoroKZ), si può vedere che la tensione concatenata massima è pari a
, quindi la massima tensione stellata sarà pari a
.
Spero di aver aiutato a chiarire, e di non aver fatto errori. Purtroppo sono un po' stanco...
EDIT: ho sostituito un'immagine con il sorgente FidoCAD. E' da troppo tempo che non scrivo qui su EY, non mi ricordavo della possibilità di inserire circuiti FidoCAD direttamente!
Con gli studenti, cerco invece di partire dalla cella fondamentale della maggior parte dei convertitori, ossia il mezzo ponte o "gamba di inverter" ("inverter leg", in inglese) o chopper, la cui tensione di uscita solitamente si misura rispetto al negativo del bus DC.
Scusate se dirò delle cose ovvie, ma credo sia meglio dire una cosa ovvia in più, che una importante in meno.
Alla fine, considererò un inverter pilotato in PWM, ma ovviamente il calcolo delle tensioni "di fase" (o "stellate", cioè rispetto al centro stella del carico) è comunque valido anche per il pilotaggio "in onda quadra" o "six-step".
Partiamo dall'half-bridge...
Avendo i due interruttori comandati in modo complementare, può forzare l'uscita
a
o 0 V. Faccio notare che la tensione di uscita di ciascun chopper è misurata rispetto al polo negativo del bus DC (come in un convertitore buck).Supponiamo che il comando degli interruttori (in particolare guardiamo quello dello switch alto, "H")
sia periodico (ad onda quadra), con il duty-cycle dell'interruttore alto ("H") impostabile
(
è il periodo di switching, ossia dell'onda quadra,
è il tempo in cui il segnale è a 1).La tensione di uscita istantanea corrisponderà quindi al segnale di comando ad onda quadra
, moltiplicato per la tensione DC:
.Nelle applicazioni in cui si applica la PWM, quello che interessa è il contenuto di bassa frequenza, perché il resto verrà filtrato da filtri L-C (o dall'induttanza di fase, nel caso del motore). Per questo si definiscono le grandezze mediate nel periodo di switching, ossia la media del segnale nel periodo
.Se si guarda solo alla tensione mediata nel periodo di switching, l'half-bridge è equivalente ad un generatore di tensione variabile (tra 0 e
) tramite il duty-cycle: 
Qui sotto un esempio, in cui faccio variare il duty-cycle a rampa, dallo 0 al 100%, con tensione DC di 100 V.
Ora, se prendiamo 3 half-bridge (cioè le 3 gambe di un inverter trifase), abbiamo 3 generatori equivalenti, comandabili in modo arbitrario, ciascuno dei quali, in ogni periodo di commutazione, può generare qualunque tensione compresa tra 0 V e
(ovviamente, parlando di tensione mediata lungo il periodo di commutazione).Se colleghiamo un carico a stella bilanciato (cioè le 3 impedenze uguali tra loro), si può facilmente vedere (ad esempio, applicando Millman) che la tensione tra il punto "0" (negativo del bus DC) ed il centro stella del carico (punto "N") è pari alla media delle 3 tensioni generate dai 3 chopper.
Il carico, quindi, non vedrà la tensione "di modo comune" dei 3 generatori (= la loro media), ma solo le differenze.
Se, ad esempio, volessimo generare sul carico (cioè tra ciascuna uscita dell'inverter ed il centro stella "N") una terna trifase bilanciata (3 sinusoidi di tensione con la stessa ampiezza, sfasate di 120° tra loro) sui 3 rami del carico, sapremmo che:
- la loro media sarebbe nulla;
- avremmo sempre almeno una tensione negativa, che non può certo essere generata come tensione di uscita del singolo half-bridge (che invece può agire solo sul range 0 -
).Cosa succede, però, se diamo a ciascun ponte il compito di generare
(con sinudoidi di ampiezza fino a
)?- la media delle 3 tensioni di uscita di ciascun chopper sarebbe pari a
;- la tensione tra il centro stella del carico "N" ed il "centro stella" dei 3 generatori che rappresentano i 3 chopper ("0") sarebbe pari a
, quindi i 3 rami del carico vedrebbero solo la sinusoide;- le tensioni di uscita di ciascun half-bridge (sempre misurate rispetto al negativo del bus DC) sarebbero sempre comprese tra 0 e
;- il carico vedrebbe comunque solo la terna trifase (che ha media nulla).
Quindi, saremmo in grado di generare sul carico una terna di tensioni stellate di ampiezza fino a
sul carico, pur avendo a disposizione 3 generatori in grado di generare solo tensioni positive.Ovviamente, non siamo vincolati a generare sinusoidi, ma basta considerare 3 segnali anche non sinusoidali, che però abbiano media nulla ed ampiezza compresa tra 0 e
.Inoltre, alle tensioni che vogliamo far arrivare al carico, non siamo obbligati ad aggiungere
, l'importante è aggiungere, ad ogni periodo, lo stesso valore a tutte e 3 le tensioni, che faccia sì che la tensione che ciascun half-bridge deve generare (rispetto al negativo del bus DC) sia compresa tra 0 e
.Una tecnica, che serve per sfruttare al massimo la tensione DC a disposizione, consiste nell'aggiungere alle tensioni dei 3 half-bridge questo segnale:

dove
sono le tensioni "stellate" che si vogliono generare sulle 3 fasi del carico.In questo modo, intuitivamente (oltre che con la rappresentazione grafica proposta da
, quindi la massima tensione stellata sarà pari a
.Spero di aver aiutato a chiarire, e di non aver fatto errori. Purtroppo sono un po' stanco...
EDIT: ho sostituito un'immagine con il sorgente FidoCAD. E' da troppo tempo che non scrivo qui su EY, non mi ricordavo della possibilità di inserire circuiti FidoCAD direttamente!
-

SandroCalligaro
2.970 2 4 5 - G.Master EY

- Messaggi: 1181
- Iscritto il: 6 ago 2015, 19:25
29 messaggi
• Pagina 3 di 3 • 1, 2, 3
Chi c’è in linea
Visitano il forum: Nessuno e 68 ospiti

Elettrotecnica e non solo (admin)
Un gatto tra gli elettroni (IsidoroKZ)
Esperienza e simulazioni (g.schgor)
Moleskine di un idraulico (RenzoDF)
Il Blog di ElectroYou (webmaster)
Idee microcontrollate (TardoFreak)
PICcoli grandi PICMicro (Paolino)
Il blog elettrico di carloc (carloc)
DirtEYblooog (dirtydeeds)
Di tutto... un po' (jordan20)
AK47 (lillo)
Esperienze elettroniche (marco438)
Telecomunicazioni musicali (clavicordo)
Automazione ed Elettronica (gustavo)
Direttive per la sicurezza (ErnestoCappelletti)
EYnfo dall'Alaska (mir)
Apriamo il quadro! (attilio)
H7-25 (asdf)
Passione Elettrica (massimob)
Elettroni a spasso (guidob)
Bloguerra (guerra)





