COMMUTAZIONE AUTOMATICA DI TENSIONE
Moderatori:
carloc,
g.schgor,
BrunoValente,
IsidoroKZ
0
voti
Be', LM358 richiede un sacco di corrente per il bias, rispetto ad altri ... ci sono modelli da strumentazione che "si accontentano" di +/- 1pA, o poco piu, attualmente sul mercato (praticamente, se li guardi male o li maledici, gia vanno in saturazione
)
"Sopravvivere" e' attualmente l'unico lusso che la maggior parte dei Cittadini italiani,
sia pure a costo di enormi sacrifici, riesce ancora a permettersi.
sia pure a costo di enormi sacrifici, riesce ancora a permettersi.
-

Etemenanki
9.517 3 6 10 - Master

- Messaggi: 5940
- Iscritto il: 2 apr 2021, 23:42
- Località: Dalle parti di un grande lago ... :)
0
voti
-

gianniniivo
9.035 7 11 13 - No Rank
- Messaggi: 2874
- Iscritto il: 5 feb 2019, 23:50
0
voti
No, ma sono ottimi se ti tocca costruire microvoltmetri o nanoamperometri 
"Sopravvivere" e' attualmente l'unico lusso che la maggior parte dei Cittadini italiani,
sia pure a costo di enormi sacrifici, riesce ancora a permettersi.
sia pure a costo di enormi sacrifici, riesce ancora a permettersi.
-

Etemenanki
9.517 3 6 10 - Master

- Messaggi: 5940
- Iscritto il: 2 apr 2021, 23:42
- Località: Dalle parti di un grande lago ... :)
0
voti
Ah bene, a me non toccherà di sicuro, faccio fatica a leggere le fascette dei valori delle resistenze... 
-

gianniniivo
9.035 7 11 13 - No Rank
- Messaggi: 2874
- Iscritto il: 5 feb 2019, 23:50
1
voti
Buonasera, riprendo in mano questo post, così si allunga un altro pochino
, e poi avevo questa scatola che era ad occupar posto e non faceva niente, ma il tempo manca sempre di più, in ogni modo qualche giorno fa, mi sono deciso a rimetterci mano ed oggi, sembra di essere arrivato in fondo, per lo mano sulla parte del funzionamento, ora devo rifare un frontale leggermente diverso.
Intanto mando un avviso a tutti quelli che hanno partecipato , anche se riceveranno la notifica da questo post, mi scuso se ho dimanticato qualcuno,
gianniniivo,
BrunoValente,
EcoTan,
claudiocedrone,
Elidur,
IsidoroKZ,
edgar,
Etemenanki
corneliofallaci
Eravamo rimasti che l'alimentatore aveva una brutta oscillazione sui morsetti di uscita e decisi così di rifare cablaggio e circuito nuovo, il nuovo circuito della PCB che ave che Ivo aveva fatto, ha qualche piccolo problema e non vi dico i moccoli che ho strutto, in ogni modo il cablaggio dove ho usato una disposizione più razionale, anche perché, l'altra volta era predisposta per due alimentatori, invece questa volta con il duplicatore, ce n'è uno solo. Ho messo alcuni by-pass e alcune perline di ferrite fili attorcigliati e ridotti come lunghezza; il risultato è ottimo, non c'è quella dannata oscillazione!.
Non ho capito qual è stata l'operazione più valida, ma va bene così.
Metterò qualche foto, sia dall'oscilloscopio che dal montaggio, appena avrò riordinato il banco e fatto le prove ultime.
Devo dire che il risultato mi soddisfa, riesce a tirare fuori una 80ina di volt e una corrente più che sufficiente per il mio utilizzo, anche perché il trasformatore non è più di 300 VA .
Qui riporto lo schema che ho utilizzato, che è sempre lo stesso, ma ogni volta che ci si rimette le mani, bisogna ricorreggere qualcosa, anche perché a volte si usa dei componenti che non sono quelli dello schema, ma quelli che si ha, ad esempio come driver per i finali, ho usato un darlington BDX53 e la resistenza di base l'ho portata a 10k, i finali io ho usato 4 NJL3281.
Come potenziometro per la regolazione della tensione, ho usato un multigiri da 100 kohm.
Intanto mando un avviso a tutti quelli che hanno partecipato , anche se riceveranno la notifica da questo post, mi scuso se ho dimanticato qualcuno,
Eravamo rimasti che l'alimentatore aveva una brutta oscillazione sui morsetti di uscita e decisi così di rifare cablaggio e circuito nuovo, il nuovo circuito della PCB che ave che Ivo aveva fatto, ha qualche piccolo problema e non vi dico i moccoli che ho strutto, in ogni modo il cablaggio dove ho usato una disposizione più razionale, anche perché, l'altra volta era predisposta per due alimentatori, invece questa volta con il duplicatore, ce n'è uno solo. Ho messo alcuni by-pass e alcune perline di ferrite fili attorcigliati e ridotti come lunghezza; il risultato è ottimo, non c'è quella dannata oscillazione!.
Non ho capito qual è stata l'operazione più valida, ma va bene così.
Metterò qualche foto, sia dall'oscilloscopio che dal montaggio, appena avrò riordinato il banco e fatto le prove ultime.
Devo dire che il risultato mi soddisfa, riesce a tirare fuori una 80ina di volt e una corrente più che sufficiente per il mio utilizzo, anche perché il trasformatore non è più di 300 VA .
Qui riporto lo schema che ho utilizzato, che è sempre lo stesso, ma ogni volta che ci si rimette le mani, bisogna ricorreggere qualcosa, anche perché a volte si usa dei componenti che non sono quelli dello schema, ma quelli che si ha, ad esempio come driver per i finali, ho usato un darlington BDX53 e la resistenza di base l'ho portata a 10k, i finali io ho usato 4 NJL3281.
Come potenziometro per la regolazione della tensione, ho usato un multigiri da 100 kohm.
Alex
https://www.facebook.com/Elettronicaeelettrotecnica
<< vedi di pigliare arditamente in mano, il dizionario che ti suona in bocca,
se non altro è schietto e paesano.
(Giuseppe Giusti) <<
https://www.facebook.com/Elettronicaeelettrotecnica
<< vedi di pigliare arditamente in mano, il dizionario che ti suona in bocca,
se non altro è schietto e paesano.
(Giuseppe Giusti) <<
1
voti
setteali ha scritto:Come potenziometro per la regolazione della tensione, ho usato un multigiri da 100 kohm.
Non mi trovo: a conti fatti, se il valore di Vref è 7V, con un valore di 50k per il potenziometro e con T1 regolato grosso modo a metà corsa, si dovrebbero poter raggiungere 80V in uscita.
Se non è così, evidentemente il circuito non corrisponde allo schema.
-

BrunoValente
39,6k 7 11 13 - G.Master EY

- Messaggi: 7796
- Iscritto il: 8 mag 2007, 14:48
0
voti
Avevo visto questo progetto che mi ha segnalato Setteali ma ho cercato di evitarlo per un paio di ragioni. La prima perché era mia intenzione abbinare diversi switching per ottenere buone prestazioni e poco peso ma, un po' per difficoltà di realizzazione e per una chiara bocciatura da parte del forum, ho messo in stand by l'idea. Il secondo motivo era dovuto all'incertezza sul funzionamento segnalata da Setteali che però adesso dice che sembra funzionare.
Seguirò i lavori perché i trasformatori da 40V non mi mancano ma sono grossi toroidali. Come dice Edgar è anche vero che una volta piazzato sul banco difficilmente si andrà a rimuoverlo ma è sempre un bel bestione anche come ingombro. Però se riuscissi a realizzare un alimentatore del genere e funzionasse bene sarei a posto per il resto dei miei giorni.
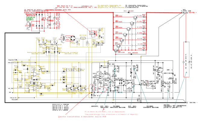
Ultima cosa, non riesco a capire alcuni collegamenti dello schema ultimo. Sembra che alcuni collegamenti siano mancanti o sbaglio?
Seguirò i lavori perché i trasformatori da 40V non mi mancano ma sono grossi toroidali. Come dice Edgar è anche vero che una volta piazzato sul banco difficilmente si andrà a rimuoverlo ma è sempre un bel bestione anche come ingombro. Però se riuscissi a realizzare un alimentatore del genere e funzionasse bene sarei a posto per il resto dei miei giorni.
Ultima cosa, non riesco a capire alcuni collegamenti dello schema ultimo. Sembra che alcuni collegamenti siano mancanti o sbaglio?
-

corneliofallaci
1.470 1 4 7 - Stabilizzato

- Messaggi: 314
- Iscritto il: 10 mag 2018, 18:43
1
voti
corneliofallaci ha scritto:...Ultima cosa, non riesco a capire alcuni collegamenti dello schema ultimo. Sembra che alcuni collegamenti siano mancanti o sbaglio?
Sì, è vero, puoi fare riferimento allo schema del post 1052.
-

BrunoValente
39,6k 7 11 13 - G.Master EY

- Messaggi: 7796
- Iscritto il: 8 mag 2007, 14:48
2
voti
Grazie
BrunoValente farò così, ma leggendo l'ultimo post di
setteali sembrava che avesse introdotto delle modifiche.
PS
ma il BDX53 utilizzato da Setteali può funzionare a 80V?
BDX53 Datasheet, Equivalent, Cross Reference Search
Type Designator: BDX53
Material of Transistor: Si
Polarity: NPN
Maximum Collector Power Dissipation (PC): 60 W
Maximum Collector-Base Voltage |Vcb|: 45 V
Maximum Collector-Emitter Voltage |Vce|: 45 V
Maximum Emitter-Base Voltage |Veb|: 5 V
Maximum Collector Current |Ic max|: 8 A
Max. Operating Junction Temperature (Tj): 150 °C
Transition Frequency (ft): 20 MHz
Forward Current Transfer Ratio (hFE), MIN: 750
Noise Figure, dB: -
Package: TO220
PS
ma il BDX53 utilizzato da Setteali può funzionare a 80V?
BDX53 Datasheet, Equivalent, Cross Reference Search
Type Designator: BDX53
Material of Transistor: Si
Polarity: NPN
Maximum Collector Power Dissipation (PC): 60 W
Maximum Collector-Base Voltage |Vcb|: 45 V
Maximum Collector-Emitter Voltage |Vce|: 45 V
Maximum Emitter-Base Voltage |Veb|: 5 V
Maximum Collector Current |Ic max|: 8 A
Max. Operating Junction Temperature (Tj): 150 °C
Transition Frequency (ft): 20 MHz
Forward Current Transfer Ratio (hFE), MIN: 750
Noise Figure, dB: -
Package: TO220
-

corneliofallaci
1.470 1 4 7 - Stabilizzato

- Messaggi: 314
- Iscritto il: 10 mag 2018, 18:43
0
voti
Buonasera, ho rimontato in bella copia, ma come sempre sono venuti fuori alcuni problemi.
corneliofallaci, è vero che il BDX53 è basso come tensione, ma a parte che io ho usato il BDX53C che ha una tensione di VCEO 100, però credo che come è utilizzato, avrà una tensione massima di VCE di 84 V, che però sarà ridotta dalla tensione di uscita impostata. Certo è un po' al limite, ma per ora sembra che regga, poi si cambierà.
Ma veniamo a descrivere un problema che è venuto fuori una volta rimontato e cioè: impostando una qualsiasi tensione, come ci metto un carico anche minimo questa tensione sale di circa 2 V.
Esempio da 12 V con 0.5A la tensione sale a 14,3 V.
Non sono riuscito a trovare il rimedio.
BrunoValente il circuito inerente al potenziometro per la regolazione della tensione, è quello dello schema, ha una piccola differenza, che la R5 anzichè da2,2k è da 4,7k e però il potenziometro ci vuole da 100 k ed ho in uscita la massima tensione di 84 V. La tensione di riferimento Vref è di 7,01V
Metto una forma d'onda che ho sulle boccole di uscita, quando non c'è carico, questo dente di sega aumenta di frequenza all'aumentare della tensione, ma bastano pochi mA per eliminarlo e anche con un elettrolitico da 220 uF si riduce di parecchio.
Ma anche quando sparisce, con un carico c'è sempre un po' di rumore, come si vede nell'altra immagine, va bene?
Ma veniamo a descrivere un problema che è venuto fuori una volta rimontato e cioè: impostando una qualsiasi tensione, come ci metto un carico anche minimo questa tensione sale di circa 2 V.
Esempio da 12 V con 0.5A la tensione sale a 14,3 V.
Non sono riuscito a trovare il rimedio.
Metto una forma d'onda che ho sulle boccole di uscita, quando non c'è carico, questo dente di sega aumenta di frequenza all'aumentare della tensione, ma bastano pochi mA per eliminarlo e anche con un elettrolitico da 220 uF si riduce di parecchio.
Ma anche quando sparisce, con un carico c'è sempre un po' di rumore, come si vede nell'altra immagine, va bene?
Alex
https://www.facebook.com/Elettronicaeelettrotecnica
<< vedi di pigliare arditamente in mano, il dizionario che ti suona in bocca,
se non altro è schietto e paesano.
(Giuseppe Giusti) <<
https://www.facebook.com/Elettronicaeelettrotecnica
<< vedi di pigliare arditamente in mano, il dizionario che ti suona in bocca,
se non altro è schietto e paesano.
(Giuseppe Giusti) <<
Chi c’è in linea
Visitano il forum: Nessuno e 328 ospiti

Elettrotecnica e non solo (admin)
Un gatto tra gli elettroni (IsidoroKZ)
Esperienza e simulazioni (g.schgor)
Moleskine di un idraulico (RenzoDF)
Il Blog di ElectroYou (webmaster)
Idee microcontrollate (TardoFreak)
PICcoli grandi PICMicro (Paolino)
Il blog elettrico di carloc (carloc)
DirtEYblooog (dirtydeeds)
Di tutto... un po' (jordan20)
AK47 (lillo)
Esperienze elettroniche (marco438)
Telecomunicazioni musicali (clavicordo)
Automazione ed Elettronica (gustavo)
Direttive per la sicurezza (ErnestoCappelletti)
EYnfo dall'Alaska (mir)
Apriamo il quadro! (attilio)
H7-25 (asdf)
Passione Elettrica (massimob)
Elettroni a spasso (guidob)
Bloguerra (guerra)
