Non va affatto bene, sta oscillando, purtroppo da lontano è difficile capire quale possa essere la causa.
Se rispetto allo schema R5 vale il doppio è normale che un valore di 50k per il potenziometro non basta per far salire la tensione di uscita fino a 80V.
COMMUTAZIONE AUTOMATICA DI TENSIONE
Moderatori:
carloc,
g.schgor,
BrunoValente,
IsidoroKZ
0
voti
prova con quella portata a cortocircuitare i puntali, e vedere una tracccia nitida, (magari è fuori fuoco lo schermo), per togliere ogni dubbio sulla lettura, si potrebbe anche provare a mettere un basso resitore tra i puntali per vedere cosa indica la traccia.
se si tratta di oscillazioni, quindi non di rumore bianco, devi riuscire a triggherare l'onda ed a visualizzarla pulita, anche se puo variare di frequenza ed ampiezza, se ti rimane un rumore bianco non credo sia una autooscillazione, ma rumore percepito dall'esterno, (o generato dai componenti), che va a sporcarti l'uscita.
se fossero frequenze elevate sarebbe forse sufficiente un passabasso LC, ma vedo base tempi a 2ms, difficile da togliere senza individuare la causa.
saluti
se si tratta di oscillazioni, quindi non di rumore bianco, devi riuscire a triggherare l'onda ed a visualizzarla pulita, anche se puo variare di frequenza ed ampiezza, se ti rimane un rumore bianco non credo sia una autooscillazione, ma rumore percepito dall'esterno, (o generato dai componenti), che va a sporcarti l'uscita.
se fossero frequenze elevate sarebbe forse sufficiente un passabasso LC, ma vedo base tempi a 2ms, difficile da togliere senza individuare la causa.
saluti
-

lelerelele
4.899 3 7 9 - Master

- Messaggi: 5505
- Iscritto il: 8 giu 2011, 8:57
- Località: Reggio Emilia
0
voti
Buonasera,
sarà molto dura, riuscire ad arrivare ad un alimentatore perfetto, oggi ho provato a mettere dei condensatori in alcuni punti anche per rendermi conto quale fosse la parte più portata ad oscillare, credo di poter escludere a priori la parte del duplicatore di tensione, si toglie molto bypassando la base del pilota e lo zener da 6,3 V sulla massa del 723, ma non si ottiene una linea piatta.
Ora per rispondere ad Emanuele, non ce la faccio a stare in tempi brevi, anche perché domani vado in vacanza/riposo/obblighi/doveri e rimetterò mano dopo ferragaosto.
Per Bruno, lo sapevo che non andava bene, io insisterò ancora, ti ringrazio per la disponibilità.
Per @lelerelele,
A mettere a massa l'uscita, ora le forme d'onda sono cambiate con i condensatori aggiunti . Aggiorno le immagini........
Tra l'altro ora la tensione rimane quasi al valore prefissato ( scende di 0,2 V ) anche con carichi di 5 A o più.
Lo schermo non è fuori fuoco.
Sto provando sempre avendo una resistenza variabile da 15 Ohm con 1 mm di Ø di filo. Come dicevo anche con poca corrente rimane quel rumore, che effettivamente non è un rumore, c'è un'oscillazione molto sporca, ma c'è, anche questa la metterò ......
Ok anche di questo se ne può parlare,
Io ho provato a mettere alcuni LC, ma solo in uscita e però forse non erano adatti, ma non davano risultati.
A presto
P.S.
Seguo le risposte, sempre.
sarà molto dura, riuscire ad arrivare ad un alimentatore perfetto, oggi ho provato a mettere dei condensatori in alcuni punti anche per rendermi conto quale fosse la parte più portata ad oscillare, credo di poter escludere a priori la parte del duplicatore di tensione, si toglie molto bypassando la base del pilota e lo zener da 6,3 V sulla massa del 723, ma non si ottiene una linea piatta.
Ora per rispondere ad Emanuele, non ce la faccio a stare in tempi brevi, anche perché domani vado in vacanza/riposo/obblighi/doveri e rimetterò mano dopo ferragaosto.
Per Bruno, lo sapevo che non andava bene, io insisterò ancora, ti ringrazio per la disponibilità.
Per @lelerelele,
prova con quella portata a cortocircuitare i puntali, e vedere una tracccia nitida, (magari è fuori fuoco lo schermo), per togliere ogni dubbio sulla lettura, si potrebbe anche provare a mettere un basso resitore tra i puntali per vedere cosa indica la traccia.........
A mettere a massa l'uscita, ora le forme d'onda sono cambiate con i condensatori aggiunti . Aggiorno le immagini........
Tra l'altro ora la tensione rimane quasi al valore prefissato ( scende di 0,2 V ) anche con carichi di 5 A o più.
Lo schermo non è fuori fuoco.
Sto provando sempre avendo una resistenza variabile da 15 Ohm con 1 mm di Ø di filo. Come dicevo anche con poca corrente rimane quel rumore, che effettivamente non è un rumore, c'è un'oscillazione molto sporca, ma c'è, anche questa la metterò ......
...se fossero frequenze elevate sarebbe forse sufficiente un passabasso LC, ma vedo base tempi a 2ms, difficile da togliere senza individuare la causa
Ok anche di questo se ne può parlare,
Io ho provato a mettere alcuni LC, ma solo in uscita e però forse non erano adatti, ma non davano risultati.
A presto
P.S.
Seguo le risposte, sempre.
Alex
https://www.facebook.com/Elettronicaeelettrotecnica
<< vedi di pigliare arditamente in mano, il dizionario che ti suona in bocca,
se non altro è schietto e paesano.
(Giuseppe Giusti) <<
https://www.facebook.com/Elettronicaeelettrotecnica
<< vedi di pigliare arditamente in mano, il dizionario che ti suona in bocca,
se non altro è schietto e paesano.
(Giuseppe Giusti) <<
2
voti
Vorrei fare due chiose:
1) Rumore (traccia oscilloscopio post [1080])
Controlla - come ha suggerito
lelerelele che non sia una oscillazione ma "rumore bianco".
Per fare una misura "sensata" (standard Istituto Metrologico
) occorre quanto meno definire una banda di misura.
Se prendi le specifiche di un alimentatore "serio" la banda di misura e' generalmente 20 Hz - 10 MHz o 20 MHz.
Il rumore e' tipicamente nel range 1 - 10 mV p-p
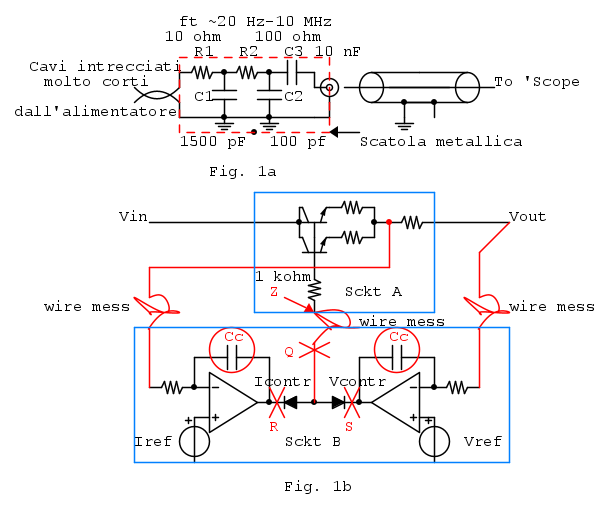
Un sistema per fare la misura e' nello schema dì Fig. 1a: un filtro con banda (circa 20 Hz - 10 MHz).
- Il taglio in basso a 20 Hz e' realizzato dal condensatore C3 10 nF e la resistenza di ingresso dell'oscilloscopio 1 Mohm
- il taglio in alto ( 2 poli) a 10 MHz e' realizzato da C1 e C2+ la capacita' del cavo coassiale (circa 50pF) e le resistenze R1 e R2.
Il circuito dovrebbe essere racchiuso in un contenitore metallico a mo' di schermatura (es scatoletta di latta di pastiglie
) con un BNC come connettore di uscita. I fili di ingresso da collegare ai morsetti di uscita dell'alimentatore dovrebbero essere intrecciati e piu' corti possibile.
L'oscilloscopio che hai utilizzato per la misura ha una banda di 200 MHz (non ha molto senso fare misure su un alimentatore con una banda cosi' ampia) - potresti in alternativa al filtro di sopra utilizzare il "tastino" limita_banda_a 20 MHz del tuo oscilloscopio ma in ogni caso dovresti utilizzare un cavetto schermato (e non la sonda) per portare il segnale all'ingresso dell'oscilloscopio.
2) Oscillazione in uscita (dente di sega)
Come ha ben scritto
BrunoValente a distanza e' difficile fare una diagnosi.
Voglio fare un tentativo - qui sotto come procederei io.
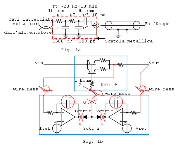
Guardiamo il circuito di Fig. 1b: e' la versione di principio dell'alimentatore (esclusa la parte di commutazione di tensione).
Ci sono due blocchi:
- Sckt A transistor di uscita (triplo darlington con tranistor in parallelo)
- Sckt B operazionali di controllo Tensione e Corrente.
Non e' ripotata la polarizzazione della base del triplo darlington Resistenza R9 2K2 dello schema del post [1075] perche' ininfluente per le considerazioni qui sotto
Quello che voglio evidenziare e' che questi due blocchi sono (devono essere) "indipendenti" e non_ci_deve_essere _influenza_reciproca_nel_collegarli.
In altre parole deve essere possibile - per un circuito ben progettato e realizzato - collegare i due blocchi A e B con un cablaggio "comunque incasinato" (wire mess) e l'alimentatore deve continuare a funzionare.
Questo mi consente di lavorare comodamente con i due blocchi A e B appoggiati su un tavolo e opportunamente distanziati.
Procederei in questo ordine:
a) scollego il punto Q (base del triplo darlington) e inietto una tensione sulla base del triplo darlington punto Z con in serie una resistenza da 1 kohm. La tensione viene generata da un alimentatore variabile.
In uscita mi aspetto una tensione piu' bassa di qualche volt rispetto a quella iniettata in base.
Controllo con un oscilloscopio la tensione in uscita a varie tensioni e correnti - occhio a fare cortocircuiti perche' non esiste protezione o limitazione di corrente.
Verifico l'assenza di oscillazioni e prendo nota del rumore misurato con il filtro di cui al punto 1)
Nel caso ci fossero oscillazioni mi aspetto che siano nel range 100 kHz - 10 MHz.
Non e' possibile procedere oltre senza aver prima "curato" questo problema se esiste.
La cura di questo problema esula dallo scopo (possibilita') di questo post
In assenza di oscillazioni procedo al punto successivo b)
b) Ricollego il punto Q (punto Z) togliendo la resistenza da 1 kohm.
- Scollego il punto R (controllo di corrente)
- Rimane collegato il punto S che attiva il controllo di tensione - anche in questa fase occhio a fare cortocircuiti perche' non esiste protezione o limitazione di corrente.
La compensazione dell'intero alimentatore e' "a polo dominante" e la capacita' Cc (nello schema del post [1080] C7 per il controllo di tensione e C8 per il controllo di corrente) insieme alla Resitenza R (nello schema del post [1080] R7 per il controllo di tensione e R13 per il controllo di corrente) determinano la frequenza del polo - questa compensazione vale sia per la regolaziane di tensione sia per la regolazione di corrente.
Qualitativamente (i veri elettronici sono invitati a prendersi una pausa caffe-pipi'
) piu' la frequenza e' bassa piu' stabile e' il circuito e piu' lenta e' la risposta dell'alimentatore ai transitori.
Tenendo fisso il valore di R per abbassare la frequenza (aumentare la stabilita') occorre aumentare C.
Per valori di C > 1 nF occorre inserire in serie alla capacita' una resitenza da 100 ohm.
Ripeto la prova del punto a)
Controllo con un oscilloscopio la tensione in uscita a varie tensioni e correnti - occhio a fare cortocircuiti perche' non esiste protezione o limitazione di corrente.
Verifico l'assenza di oscillazioni e prendo nota del rumore misurato con il filtro di cui al punto 1)
Nel caso ci fossero oscillazioni mi aspetto che siano nel range 1 kHz - 100 kHz.
Non e' possibile procedere oltre senza aver prima "curato" questo problema se esiste.
Per curare il problema occorre aumentare progressivamente il valore di Cc - relativo all'Op-Amp Vcontr (mantenendo fisso il valore di R) - a partire da 1 nF.
Se anche con 10 nF l'oscillazione persiste allora occore fare valutazioni/prove non realiizabili "a distanza" (cit. BrunoValente
)
In assenza di oscillazioni procedo al punto successivo c)
c) Scollego il punto S (controllo di tensione)
- Collego punto R che attiva il controllo di corrente - anche se in questa fase e' attivo (dovrebbe essere attivo) il controllo/limitazione di corrente occhio a fare cortocircuiti perche' non e' detto che tale controllo/limitazione funzioni
.
Ripeto la prova dei punt1 a) e b)
Controllo con un oscilloscopio la tensione in uscita a varie correnti e con varie resistenze (cioe' vario la corrente impostata e vario anche la resitenza di carico) - occhio a fare cortocircuiti perche' non esiste (potrebbe non esistere) protezione o limitazione di corrente.
Verifico l'assenza di oscillazioni e prendo nota del rumore misurato con il filtro di cui al punto 1)
Nel caso ci fossero oscillazioni mi aspetto che siano nel range 1 kHz - 100 kHz.
Non e' possibile procedere oltre senza aver prima "curato" questo problema se esite.
Per curare il problema occorre aumentare progressivamente il valore di Cc -realtiìvo all'Op-Amp Icontr (mantenendo fisso il valore di R) a partire da 1 nF.
Se anche con 10 nF l'oscillazione persiste allora occore fare valutazioni/prove non realiizabili "a distanza" (cit. BrunoValente
)
In assenza di oscillazioni procedo al punto successivo d)
d) Ricollego il punto S (in questo modo i controlli Tensione e Corrente sono attivi entrambi) e verifico nuovamente come nei punti precedenti.
P.S. ovviamente do per scontate che tutte le "buone pratiche" (es. - ma non solo - i bypass delle alimentazione degli Op-Amp siano presenti e correttamente collegati).
Il cablaggio esterno ai moduli puo' essere "incasinato" ma i moduli devono essere "rock solid"
1) Rumore (traccia oscilloscopio post [1080])
Controlla - come ha suggerito
Per fare una misura "sensata" (standard Istituto Metrologico
Se prendi le specifiche di un alimentatore "serio" la banda di misura e' generalmente 20 Hz - 10 MHz o 20 MHz.
Il rumore e' tipicamente nel range 1 - 10 mV p-p
Un sistema per fare la misura e' nello schema dì Fig. 1a: un filtro con banda (circa 20 Hz - 10 MHz).
- Il taglio in basso a 20 Hz e' realizzato dal condensatore C3 10 nF e la resistenza di ingresso dell'oscilloscopio 1 Mohm
- il taglio in alto ( 2 poli) a 10 MHz e' realizzato da C1 e C2+ la capacita' del cavo coassiale (circa 50pF) e le resistenze R1 e R2.
Il circuito dovrebbe essere racchiuso in un contenitore metallico a mo' di schermatura (es scatoletta di latta di pastiglie
L'oscilloscopio che hai utilizzato per la misura ha una banda di 200 MHz (non ha molto senso fare misure su un alimentatore con una banda cosi' ampia) - potresti in alternativa al filtro di sopra utilizzare il "tastino" limita_banda_a 20 MHz del tuo oscilloscopio ma in ogni caso dovresti utilizzare un cavetto schermato (e non la sonda) per portare il segnale all'ingresso dell'oscilloscopio.
2) Oscillazione in uscita (dente di sega)
Come ha ben scritto
Voglio fare un tentativo - qui sotto come procederei io.
Guardiamo il circuito di Fig. 1b: e' la versione di principio dell'alimentatore (esclusa la parte di commutazione di tensione).
Ci sono due blocchi:
- Sckt A transistor di uscita (triplo darlington con tranistor in parallelo)
- Sckt B operazionali di controllo Tensione e Corrente.
Non e' ripotata la polarizzazione della base del triplo darlington Resistenza R9 2K2 dello schema del post [1075] perche' ininfluente per le considerazioni qui sotto
Quello che voglio evidenziare e' che questi due blocchi sono (devono essere) "indipendenti" e non_ci_deve_essere _influenza_reciproca_nel_collegarli.
In altre parole deve essere possibile - per un circuito ben progettato e realizzato - collegare i due blocchi A e B con un cablaggio "comunque incasinato" (wire mess) e l'alimentatore deve continuare a funzionare.
Questo mi consente di lavorare comodamente con i due blocchi A e B appoggiati su un tavolo e opportunamente distanziati.
Procederei in questo ordine:
a) scollego il punto Q (base del triplo darlington) e inietto una tensione sulla base del triplo darlington punto Z con in serie una resistenza da 1 kohm. La tensione viene generata da un alimentatore variabile.
In uscita mi aspetto una tensione piu' bassa di qualche volt rispetto a quella iniettata in base.
Controllo con un oscilloscopio la tensione in uscita a varie tensioni e correnti - occhio a fare cortocircuiti perche' non esiste protezione o limitazione di corrente.
Verifico l'assenza di oscillazioni e prendo nota del rumore misurato con il filtro di cui al punto 1)
Nel caso ci fossero oscillazioni mi aspetto che siano nel range 100 kHz - 10 MHz.
Non e' possibile procedere oltre senza aver prima "curato" questo problema se esiste.
La cura di questo problema esula dallo scopo (possibilita') di questo post
In assenza di oscillazioni procedo al punto successivo b)
b) Ricollego il punto Q (punto Z) togliendo la resistenza da 1 kohm.
- Scollego il punto R (controllo di corrente)
- Rimane collegato il punto S che attiva il controllo di tensione - anche in questa fase occhio a fare cortocircuiti perche' non esiste protezione o limitazione di corrente.
La compensazione dell'intero alimentatore e' "a polo dominante" e la capacita' Cc (nello schema del post [1080] C7 per il controllo di tensione e C8 per il controllo di corrente) insieme alla Resitenza R (nello schema del post [1080] R7 per il controllo di tensione e R13 per il controllo di corrente) determinano la frequenza del polo - questa compensazione vale sia per la regolaziane di tensione sia per la regolazione di corrente.
Qualitativamente (i veri elettronici sono invitati a prendersi una pausa caffe-pipi'
Tenendo fisso il valore di R per abbassare la frequenza (aumentare la stabilita') occorre aumentare C.
Per valori di C > 1 nF occorre inserire in serie alla capacita' una resitenza da 100 ohm.
Ripeto la prova del punto a)
Controllo con un oscilloscopio la tensione in uscita a varie tensioni e correnti - occhio a fare cortocircuiti perche' non esiste protezione o limitazione di corrente.
Verifico l'assenza di oscillazioni e prendo nota del rumore misurato con il filtro di cui al punto 1)
Nel caso ci fossero oscillazioni mi aspetto che siano nel range 1 kHz - 100 kHz.
Non e' possibile procedere oltre senza aver prima "curato" questo problema se esiste.
Per curare il problema occorre aumentare progressivamente il valore di Cc - relativo all'Op-Amp Vcontr (mantenendo fisso il valore di R) - a partire da 1 nF.
Se anche con 10 nF l'oscillazione persiste allora occore fare valutazioni/prove non realiizabili "a distanza" (cit. BrunoValente
In assenza di oscillazioni procedo al punto successivo c)
c) Scollego il punto S (controllo di tensione)
- Collego punto R che attiva il controllo di corrente - anche se in questa fase e' attivo (dovrebbe essere attivo) il controllo/limitazione di corrente occhio a fare cortocircuiti perche' non e' detto che tale controllo/limitazione funzioni
Ripeto la prova dei punt1 a) e b)
Controllo con un oscilloscopio la tensione in uscita a varie correnti e con varie resistenze (cioe' vario la corrente impostata e vario anche la resitenza di carico) - occhio a fare cortocircuiti perche' non esiste (potrebbe non esistere) protezione o limitazione di corrente.
Verifico l'assenza di oscillazioni e prendo nota del rumore misurato con il filtro di cui al punto 1)
Nel caso ci fossero oscillazioni mi aspetto che siano nel range 1 kHz - 100 kHz.
Non e' possibile procedere oltre senza aver prima "curato" questo problema se esite.
Per curare il problema occorre aumentare progressivamente il valore di Cc -realtiìvo all'Op-Amp Icontr (mantenendo fisso il valore di R) a partire da 1 nF.
Se anche con 10 nF l'oscillazione persiste allora occore fare valutazioni/prove non realiizabili "a distanza" (cit. BrunoValente
In assenza di oscillazioni procedo al punto successivo d)
d) Ricollego il punto S (in questo modo i controlli Tensione e Corrente sono attivi entrambi) e verifico nuovamente come nei punti precedenti.
P.S. ovviamente do per scontate che tutte le "buone pratiche" (es. - ma non solo - i bypass delle alimentazione degli Op-Amp siano presenti e correttamente collegati).
Il cablaggio esterno ai moduli puo' essere "incasinato" ma i moduli devono essere "rock solid"
Ultima modifica di
elfo il 6 ago 2023, 10:19, modificato 1 volta in totale.
Motivazione: Correzione ortografia
Motivazione: Correzione ortografia
0
voti
-

lelerelele
4.899 3 7 9 - Master

- Messaggi: 5505
- Iscritto il: 8 giu 2011, 8:57
- Località: Reggio Emilia
0
voti
Alex
https://www.facebook.com/Elettronicaeelettrotecnica
<< vedi di pigliare arditamente in mano, il dizionario che ti suona in bocca,
se non altro è schietto e paesano.
(Giuseppe Giusti) <<
https://www.facebook.com/Elettronicaeelettrotecnica
<< vedi di pigliare arditamente in mano, il dizionario che ti suona in bocca,
se non altro è schietto e paesano.
(Giuseppe Giusti) <<
0
voti
Per curiosità, ho provato ad esaminare anch'io l'uscita di un alimentatore lineare con l'oscilloscopio. Come alimentatore, ho preso quello già descritto qui nel mio blog, che nel frattempo ha subito qualche piccola modifica. Anche io ho trovato un rumore dell'ampiezza di qualche millivolt, che riducendo la scala dei tempi fino a qualche nanosecondo per divisione comincia a rassomigliare a una sinusoide nella banda dei 100 MHz perciò si tratta di segnali di radio locali a modulazione di frequenza. Ciò indipendentemente dal fatto che l'alimentatore sia spento o acceso. Perciò non mi preoccuperei per quel rumore, salvo prova contraria. Invece l'autooscillazione persistente quella no, non dovrebbe esserci.
0
voti
Effettivamente da spento non ho provato. Non mancherò di fare anche questa prova.
Per mettere un altro poco di carne al fuoco, devo dire che usando un display potrebbe essere possibile che abbia un oscillatore interno e che possa entrare da qualche parte nellalimentatore. Anche perché avevo notato che ad alimentatore senza carico, segnava 7 mA. Questo con il frontale bloccato nella sua posizione, perché quando lo avevo liberato per lavorarci, non segnava nessuna corrente. Comunque anche questo sarà da controllare bene, non è di fuori che abbia qualche influenza e che abbia bisogno di essere schermato.

Per mettere un altro poco di carne al fuoco, devo dire che usando un display potrebbe essere possibile che abbia un oscillatore interno e che possa entrare da qualche parte nellalimentatore. Anche perché avevo notato che ad alimentatore senza carico, segnava 7 mA. Questo con il frontale bloccato nella sua posizione, perché quando lo avevo liberato per lavorarci, non segnava nessuna corrente. Comunque anche questo sarà da controllare bene, non è di fuori che abbia qualche influenza e che abbia bisogno di essere schermato.

Alex
https://www.facebook.com/Elettronicaeelettrotecnica
<< vedi di pigliare arditamente in mano, il dizionario che ti suona in bocca,
se non altro è schietto e paesano.
(Giuseppe Giusti) <<
https://www.facebook.com/Elettronicaeelettrotecnica
<< vedi di pigliare arditamente in mano, il dizionario che ti suona in bocca,
se non altro è schietto e paesano.
(Giuseppe Giusti) <<
Chi c’è in linea
Visitano il forum: Nessuno e 43 ospiti

Elettrotecnica e non solo (admin)
Un gatto tra gli elettroni (IsidoroKZ)
Esperienza e simulazioni (g.schgor)
Moleskine di un idraulico (RenzoDF)
Il Blog di ElectroYou (webmaster)
Idee microcontrollate (TardoFreak)
PICcoli grandi PICMicro (Paolino)
Il blog elettrico di carloc (carloc)
DirtEYblooog (dirtydeeds)
Di tutto... un po' (jordan20)
AK47 (lillo)
Esperienze elettroniche (marco438)
Telecomunicazioni musicali (clavicordo)
Automazione ed Elettronica (gustavo)
Direttive per la sicurezza (ErnestoCappelletti)
EYnfo dall'Alaska (mir)
Apriamo il quadro! (attilio)
H7-25 (asdf)
Passione Elettrica (massimob)
Elettroni a spasso (guidob)
Bloguerra (guerra)







